ГОСТы сталей. ГОСТ 13834-77
ГОСТ 13834-77*
Группа В56
ГОСУДАРСТВЕННЫЙ СТАНДАРТ СОЮЗА ССР
ПЛАСТИНЫ ТВЕРДОСПЛАВНЫЕ ДЛЯ ДЕРЕВОРЕЖУЩИХ ФРЕЗ И СВЕРЛ
Конструкция и размеры
Plates of hard alloys for milling and drilling wood-cutting tools. Design and dimensions
ОКП 19 6520
Дата введения 1979-01-01
Постановлением Государственного комитета стандартов Совета Министров СССР от 21 января 1977 г. N 151 срок введения установлен с 01.01.79
Проверен в 1983 г. Постановлением Госстандарта от 30.06.83 N 2814 срок действия продлен до 01.01.94**
_____________
** Ограничение срока действия снято по протоколу N 3-93 Межгосударственного Совета по стандартизации, метрологии и сертификации (ИУС N 5/6, 1993 год). - Примечание изготовителя базы данных.
ВЗАМЕН ГОСТ 13834-68
* ПЕРЕИЗДАНИЕ (январь 1988 г.) с Изменением N 1, утвержденным в июне 1983 г. (ИУС N 11-83).
1. Пластины должны изготовляться форм, указанных в табл.1.
Таблица 1
Условное обозначение формы | Форма | Назначение |
04Д |
| Для ножей к насадным цилиндрическим сборным фрезам, пазовым и концевым фрезам, сверлам |
05Д |
| Для ножей и фрез |
06Д |
| Для пазовых и концевых фрез |
07Д |
| Для ножей к сборным фасонным фрезам |
08Д |
| Для ножей к сборным фасонным фрезам |
09Д |
| Для однозубых концевых фрез |
010Д |
| Для сверл |
011Д |
|
2. Конструкция и размеры пластин формы 04Д должны соответствовать указанным на черт.1 и в табл.2; формы 05Д - на черт.2; формы 06Д - на черт.3 и в табл.3; формы 07Д - на черт.4 и в табл.4; формы 08Д - на черт.5 и в табл.5; формы 09Д - на черт.6 и в табл.6; формы 010Д - на черт.7 и в табл.7; формы 011Д - на черт.8 и в табл.8.
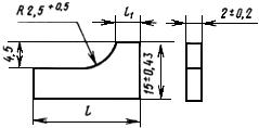
Черт.1. Форма 04Д
Форма 04Д

Черт.1
Таблица 2
мм
Обозначение пластин |
|
| Допускаемая стрела прогиба плоскостей | ||
Номин. | Пред. откл. | ||||
3001-0104 | 25 | +1,1 | 6 | 2,0 | 0,25 |
3001-0105 | 32 | +1,2 | |||
3001-0041 | 5 | +0,5 | 10 | 0,10 | |
3001-0042 | 6 | ||||
3001-0043 | 7 | ||||
3001-0044 | 9 | +0,7 | 0,15 | ||
3001-0045 | 11 | ||||
3001-0046 | 13 | +0,8 | 0,20 | ||
3001-0047 | 15 | ||||
3001-0048 | 17 | +0,9 | 0,25 | ||
3001-0049 | 19 | ||||
3001-0050 | 21 | +1,0 | |||
3001-0051 | 5 | +0,5 | 15 | 0,10 | |
3001-0052 | 6 | ||||
3001-0053 | 7 | ||||
3001-0054 | 9 | +0,6 | 0,15 | ||
3001-0055 | 11 | +0,7 | |||
3001-0056 | 13 | +0,8 | 0,20 | ||
3001-0057 | 15 | ||||
3001-0058 | 17 | +0,9 | |||
3001-0059 | 19 | 0,25 | |||
3001-0060 | 21 | +1,0 | |||
3001-0061 | 26 | +1,1 | |||
3001-0062 | 33 | +1,2 | 0,30 | ||
3001-0063 | 36 | +1,3 | |||
3001-0064 | 41 | +1,4 | |||
3001-0065 | 46 | +1,6 | |||
3001-0066 | 51 | +1,8 | |||
3001-0067 | 61 | +2,2 | |||
3001-0068 | 81 | +2,6 | 0,40 | ||
3001-0069 | 91 | ||||
3001-0070 | 101 | +3,0 | 0,50 | ||
3001-0106 | 111 | 2,2 | |||
3001-0107 | 131 | ||||
Пример условного обозначения пластины с размерами 7 мм и
10 мм:
Пластина 3001-0043 ГОСТ 13834-77
Черт.2. Форма 05Д
Форма 05Д

Черт.2
Допускаемая стрела прогиба плоскостей - 0,5 мм.
Условное обозначение пластины:
Пластина 3001-0074 ГОСТ 13834-77
Черт.3. Форма 06Д
Форма 06Д

Черт.3
Таблица 3
Размеры в мм
Обозначение пластин |
|
| Допускаемая стрела прогиба | ||||
Номин. | Пред. откл. | Номин. | Пред. откл. | ||||
3001-0114 | 20 | +1,0 | 6,0 | 0° | 6 | +0,6 | 0,30 |
3001-0112 | 15 | +0,8 | 0,25 | ||||
3001-0119 | 20 | +1,0 | 7,2 | 0,30 | |||
3001-0113 | 15 | +0,8 | 6,0 | 15° | 0,25 | ||
3001-0121 | 20 | +1,0 | 11,5 | 0° | 0,30 | ||
3001-0115 | 30 | +1,2 | 6,0 | 30 | +1,6 | ||
3001-0122 | 7,2 | ||||||
3001-0123 | 11,5 | ||||||
Пример условного обозначения пластины с размерами 20 мм и
11,5 мм:
Пластина 3001-0121 ГОСТ 13834-77
Черт.4. Форма 07Д
Форма 07Д

Черт.4
Таблица 4
Размеры в мм
Обозначение пластин | Допускаемая стрела прогиба плоскостей | ||
Номин. | Пред. откл. | ||
3001-0087 | 35 | +1,3 | 0,3 |
3001-0088 | 40 | +1,4 | |
3001-0089 | 45 | +1,6 | |
3001-0090 | 55 | +1,8 | |
Пример условного обозначения пластины с размером 35 мм:
Пластина 3001-0087 ГОСТ 13834-77
Черт.5. Форма 08Д
Форма 08Д

Черт.5
Таблица 5
мм
Обозначение пластин |
| Допускаемая стрела прогиба плоскостей | ||
Номин. | Пред. откл. | |||
3001-0092 | 22 | 8 | +0,6 | 0,25 |
3001-0093 | 24 | 11 | +0,7 | |
Пример условного обозначения пластины с размером 22 мм:
Пластина 3001-0092 ГОСТ 13834-77
Черт.6. Форма 09Д
Форма 09Д

Черт.6
_____________
* Размер для справок.
Таблица 6
мм
Обозначение пластин | Допускаемая стрела прогиба плоскостей | |||||||||
Номин. | Пред. откл. | Номин. | Пред. откл. | Номин. | Пред. откл. | Номин. | Пред. откл. | |||
3001-0094 | 20 | ±0,45 | 5,5 | ±0,25 | 1,8 | ±0,15 | 1,1 | 5 | ±0,5 | 0,3 |
3001-0095 | 35 | +0,60 | 2,2 | 0,5 | ||||||
3001-0096 | 20 | ±0,45 | 6,5 | 2,0 | 10 | ±0,6 | 0,3 | |||
3001-0097 | 35 | ±0,6 | 0,5 | |||||||
3001-0098 | 9,5 | ±0,3 | 2,5 | ±0,2 | ||||||
Пример условного обозначения пластины с размерами 20 мм и
5,5 мм:
Пластина 3001-0094 ГОСТ 13834-77
Черт.7. Форма 010Д
Форма 010Д

Черт.7
Таблица 7
мм
Обозначение пластин | Допускаемая стрела прогиба плоскостей | |||
3001-0124 | 3,0 | 1,8 | 27 | 0,15 |
3001-0099 | 3,5 | 2,1 | 22 | |
3001-0125 | 4,5 | 2,7 | 27 | |
3001-0103 | 61 | 0,20 | ||
3001-0126 | 5,5 | 3,3 | 27 | 0,15 |
Пример условного обозначения пластины с размерами 4,5 мм и
27 мм:
Пластина 3001-0125 ГОСТ 13834-77
Черт.8. Форма 011Д
Форма 011Д

Черт.8
Таблица 8
мм
Обозначение пластин |
| Допускаемая стрела прогиба плоскостей |
3001-0117 | 15 | 0,10 |
3001-0118 | 20 | 0,25 |
Пример условного обозначения пластины размером 15 мм:
Пластина 3001-0117 ГОСТ 13834-77.
(Измененная редакция, Изм. N 1).
3. (Исключен, Изм. N 1).
4. Пластины должны изготовляться из твердых сплавов марок ВК8 и ВК15 по ГОСТ 3882-74.
5. Ориентировочная масса пластин указана в справочном приложении.
6. Неуказанные предельные отклонения линейных размеров - ±
, угловых размеров - ±
.
Остальные технические требования - по ГОСТ 4872-75.
(Измененная редакция, Изм. N 1).
ПРИЛОЖЕНИЕ (справочное). ОРИЕНТИРОВОЧНАЯ МАССА ТВЕРДОСПЛАВНЫХ ПЛАСТИН
ПРИЛОЖЕНИЕ
Справочное
ОРИЕНТИРОВОЧНАЯ МАССА ТВЕРДОСПЛАВНЫХ ПЛАСТИН
Форма пластин | Ориентировочная масса пластин в г из твердого сплава марок | |||
ВК8 | ВК15 | |||
04Д | 25 | 6 | 4,6 | 4,4 |
32 | 6 | 5,8 | 5,5 | |
5 | 10 | 1,5 | 1,4 | |
6 | 10 | 1,8 | 1,7 | |
7 | 10 | 2,0 | 2,0 | |
9 | 10 | 2,6 | 2,5 | |
11 | 10 | 3,2 | 3,1 | |
13 | 10 | 3,9 | 3,8 | |
15 | 10 | 4,4 | 4,2 | |
17 | 10 | 5,0 | 4,8 | |
19 | 10 | 5,5 | 5,3 | |
21 | 10 | 6,1 | 5,9 | |
5 | 15 | 2,2 | 2,1 | |
6 | 15 | 2,6 | 2,5 | |
7 | 15 | 3,0 | 2,9 | |
9 | 15 | 3,9 | 3,8 | |
11 | 15 | 4,8 | 4,6 | |
13 | 15 | 5,7 | 5,5 | |
15 | 15 | 6,6 | 6,3 | |
17 | 15 | 7,5 | 7,2 | |
19 | 15 | 8,3 | 8,0 | |
21 | 15 | 9,2 | 8,8 | |
26 | 15 | 11,4 | 10,9 | |
33 | 15 | 14,5 | 13,9 | |
36 | 15 | 15,8 | 15,1 | |
41 | 15 | 18,0 | 18,2 | |
46 | 15 | 20,1 | 19,3 | |
51 | 15 | 22,3 | 21,4 | |
61 | 15 | 26,7 | 25,6 | |
81 | 15 | 35,5 | 34,0 | |
91 | 15 | 39,9 | 38,2 | |
101 | 15 | 44,2 | 42,4 | |
131 | 15 | 63,1 | 60,5 | |
111 | 15 | 53,5 | 51,3 | |
05Д | 110 | 15 | 67,4 | 64,7 |
06Д | 15 | 6,0 | 2,4 | 2,3 |
20 | 6,0 | 3,5 | 3,4 | |
20 | 7,2 | 4,2 | 4,1 | |
20 | 11,5 | 6,8 | 6,5 | |
30 | 6,0 | 5,3 | 5,1 | |
30 | 7,2 | 6,3 | 6,1 | |
30 | 11,5 | 10,1 | 9,7 | |
07Д | 35 | 15 | 15,3 | 14,7 |
40 | 15 | 17,5 | 16,8 | |
45 | 15 | 19,7 | 18,9 | |
55 | 15 | 24,1 | 23,1 | |
08Д | 22 | 2,0 | 7,8 | 7,5 |
24 | 2,0 | 8,8 | 8,5 | |
09Д | 20 | 5,5 | 2,3 | 2,2 |
35 | 5,5 | 4,9 | 4,7 | |
20 | 6,5 | 3,4 | 3,3 | |
35 | 6,5 | 6,0 | 5,8 | |
35 | 9,5 | 9,3 | 8,9 | |
010Д | 27 | 3,0 | 2,7 | 2,6 |
22 | 3,5 | 3,03 | 2,92 | |
27 | 4,5 | 6,14 | 5,92 | |
61 | 4,5 | 13,87 | 13,38 | |
27 | 5,5 | 9,17 | 8,85 | |
011Д | 5 | 15,0 | 3,3 | 3,2 |
5 | 20,0 | 4,4 | 4,2 | |
(Измененная редакция, Изм. N 1).
Электронный текст документа
подготовлен ЗАО "Кодекс" и сверен по:
официальное издание
М.: Издательство стандартов, 1988
Разместите заказ
сами сделают вам предложение

