ГОСТы сталей. ГОСТ 9453-75
ГОСТ 9453-75
Группа В56
1980-0000
ГОСУДАРСТВЕННЫЙ СТАНДАРТ СОЮЗА ССР
ВОЛОКИ-ЗАГОТОВКИ ИЗ ТВЕРДЫХ СПЕЧЕННЫХ СПЛАВОВ
ДЛЯ ВОЛОЧЕНИЯ ПРОВОЛОКИ И ПРУТКОВ КРУГЛОГО СЕЧЕНИЯ
Dies-blanks of sintered hard alloys for drawing wire and round section rods
ОКП 19 6500
Срок действия с 01.01.77
до 01.01.92*
_______________________________
* Ограничение срока действия снято
по протоколу N 3-93 Межгосударственного
Совета по стандартизации, метрологии
и сертификации (ИУС N 5/6, 1993 год). -
Примечание изготовителя базы данных.
ИНФОРМАЦИОННЫЕ ДАННЫЕ
1. РАЗРАБОТАН И ВНЕСЕН Министерством цветной металлургии СССР
ИСПОЛНИТЕЛИ
Н.А.Кудря, канд. техн. наук; В.С.Рыжеванов, канд. техн. наук; Г.Ф.Колдина
2. УТВЕРЖДЕН И ВВЕДЕН В ДЕЙСТВИЕ Постановлением Государственного комитета стандартов Совета Министров СССР от 25.03.75 N 737
3. ВЗАМЕН ГОСТ 9453-60
4. ССЫЛОЧНЫЕ НОРМАТИВНО-ТЕХНИЧЕСКИЕ ДОКУМЕНТЫ
Обозначение НТД, на который дана ссылка | Номер пункта |
ГОСТ 3882-74 | 2.1 |
ГОСТ 19106-73 | 5.1 |
ГОСТ 20017-74 | 4.3 |
ГОСТ 20018-74 | 4.2 |
ГОСТ 20019-74 | 4.1 |
5. ПЕРЕИЗДАНИЕ (июль 1987 г.) с Изменениями N 1, 2, 3, утвержденными в декабре 1981 г., феврале 1986 г., июле 1987 г. (ИУС 4-82, 5-86, 11-87)
6. СРОК ДЕЙСТВИЯ ПРОДЛЕН до 01.01.92 Постановлением Госстандарта от 04.02.86 N 271
Настоящий стандарт распространяется на волоки-заготовки из твердых спеченных сплавов для инструмента, предназначенного для волочения проволоки и прутков круглого сечения из черных и цветных металлов.
1. ФОРМЫ И РАЗМЕРЫ
1. ФОРМЫ И РАЗМЕРЫ
1.1. Формы и размеры волоков-заготовок должны соответствовать указанным на черт.1-20 и в табл.1-20.
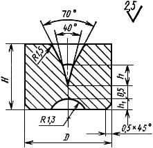
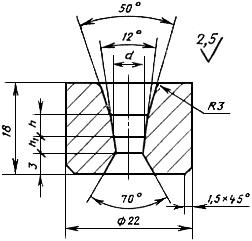
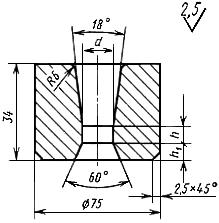
Черт.1. Форма 1
Форма 1

Черт.1
Таблица 1
Размеры в мм
Обозначение волоков-заготовок | Применяемость | Масса, г, не более, | |||||
ВК3, ВК3М | ВК4 | ||||||
1980-0001 | 6,0 | 4,0 | 1,4 | 0,8 | 1,60 | 1,59 | |
1980-0002 | 8,0 | 5,0 | 1,6 | 1,0 | 3,59 | 3,57 | |
Пример условного обозначения волока-заготовки формы 1 размером 6,0 мм из твердого сплава марки ВК3:
Волок-заготовка 1980-0001 ВК3 ГОСТ 9453-75
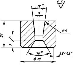
Черт.2. Форма 2
Форма 2

Черт.2
Таблица 2
Размеры в мм
Обозначение волоков-заготовок | Применяемость | Масса, г, не более, для твердого сплава марок | ||||||||
ВК3, ВК3М | ВК4 | |||||||||
1980-0011 | 6,0 | 4,0 | 0,1 | 0,6 | 0,8 | 1,2 | 1,2 | 1,59 | 1,58 | |
1980-0012 | 0,2 | 0,7 | ||||||||
1980-0013 | 0,4 | 0,8 | ||||||||
1980-0014 | 8,0 | 5,0 | 0,1 | 0,6 | 1,0 | 1,5 | 1,5 | 3,58 | 3,56 | |
1980-0015 | 0,2 | 0,7 | ||||||||
1980-0016 | 0,4 | 0,8 | 3,57 | 3,55 | ||||||
Пример условного обозначения волока-заготовки формы 2 размерами 6,0 мм,
0,1 мм из твердого сплава марки ВК3:
Волок-заготовка 1980-0011 ВК3 ГОСТ 9453-75
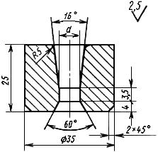
Черт.3. Форма 3
Форма 3

Черт.3
Таблица 3
Размеры в мм
Обозначение волока-заготовки | Масса, г, не более, для твердого сплава марок | ||||||
ВК3, ВК3М | ВК4 | ||||||
1980-0021 | 6,0 | 4,0 | 0,1 | 0,6 | 1,3 | 1,61 | 1,6 |
1980-0022 | 0,2 | 0,7 | 1,5 | ||||
1980-0023 | 8,0 | 5,0 | 0,1 | 0,6 | 1,8 | 3,68 | 3,65 |
1980-0024 | 0,4 | 0,8 | 2,1 | 3,63 | 3,60 | ||
Пример условного обозначения волока-заготовки формы 3 размерами 6,0 мм,
0,1 мм из твердого сплава марки ВК3:
Волок-заготовка 1980-0021 ВК3 ГОСТ 9453-75
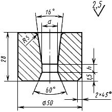
Черт.4. Форма 4
Форма 4

Черт.4
Таблица 4
Размеры в мм
Обозначение волоков-заготовок | Применяемость | Масса, г, не более, для твердого сплава марок | |||||
ВК3, ВК3М | ВК4 | ||||||
1980-0031 | 0,6 | 1,3 | 0,2 | 1,5 | 3,48 | 3,46 | |
1980-0032 | 0,8 | 1,5 | 0,3 | 1,3 | 3,46 | 3,44 | |
1980-0033 | 1,0 | 1,8 | 3,42 | 3,40 | |||
1980-0034 | 1,3 | 2,1 | 0,4 | 1,0 | 3,39 | 3,37 | |
Пример условного обозначения волока-заготовки формы 4 размером 0,6 мм из твердого сплава марки ВК3:
Волок-заготовка 1980-0031 ВК3 ГОСТ 9453-75
Черт.5. Форма 5
Форма 5

Черт.5
Таблица 5
Размеры в мм
Обозначение волоков-заготовок | Применяемость | Масса, г, не более, для твердого сплава марок | |||||
ВК3, ВК3М | ВК4 | ||||||
1980-0041 | 0,2 | 1,2 | 0,2 | 2,5 | 5,59 | 5,56 | |
1980-0042 | 0,4 | 5,57 | 5,54 | ||||
1980-0043 | 0,6 | 1,4 | 2,3 | 5,55 | 5,52 | ||
1980-0044 | 0,8 | 1,8 | 0,3 | 2,0 | |||
1980-0045 | 1,0 | 2,1 | 1,8 | 5,54 | 5,51 | ||
1980-0046 | 1,3 | 2,4 | 0,4 | 1,5 | 5,48 | 5,45 | |
1980-0047 | 1,5 | 2,6 | 0,5 | 1,3 | 5,41 | 5,38 | |
1980-0601* | 0,1 | 1,2 | 0,2 | 2,5 | 5,60 | 5,58 | |
________________
* Срок введения с 01.07.88.
Пример условного обозначения волока-заготовки формы 5 размером 0,2 мм из твердого сплава марки ВК3:
Волок-заготовка 1980-0041 ВК3 ГОСТ 9453-75
Черт.6. Форма 6
Форма 6

Черт.6
Таблица 6
Размеры в мм
Обозначение волоков-заготовок | Применяемость | Масса, г, не более, для твердого сплава марок | ||||||
ВК3, ВК3М | ВК4 | |||||||
1980-0051 | 0,5 | 2,0 | 0,3 | 3,0 | 2,5 | 12,9 | 12,8 | |
1980-0052 | 0,8 | 2,8 | 2,6 | |||||
1980-0053 | 1,3 | 3,5 | 0,4 | 2,2 | 2,0 | 12,7 | 12,7 | |
1980-0054 | 1,8 | 4,5 | 1,8 | 1,5 | 12,6 | 12,5 | ||
1980-0055 | 2,3 | 5,5 | 0,6 | 1,5 | 12,5 | 12,4 | ||
1980-0602 | 1,1 | 3,5 | 0,4 | 2,2 | 2,0 | 12,7 | 12,7 | |
Пример условного обозначения волока-заготовки формы 6 размером 0,5 мм из твердого сплава марки ВК3:
Волок-заготовка 1980-0051 ВК3 ГОСТ 9453-75
Черт.7. Форма 7
Форма 7

Черт.7
Таблица 7
Обозначение волоков-заготовок | Применяемость |
| Масса, г, не более, для твердого сплава марок | ||
ВК3, ВК3М | BК4 | BК6, BК6M | |||
1980-0061 | 0,3 | 18,8 | 18,6 | 18,4 | |
1980-0062 | 0,5 | 18,6 | 18,4 | 18,2 | |
Пример условного обозначения волока-заготовки формы 7 размером 0,3 мм из твердого сплава марки ВК3:
Волок-заготовка 1980-0061 ВК3 ГОСТ 9453-75
Черт.8. Форма 8
Форма 8

Черт.8
Таблица 8
Размеры в мм
Обозначение волоков-заготовок | Применяемость | Масса, г, не более, для твердого сплава марок | |||||||
ВК3, ВК3М | ВК4 | BК6, BК6M | |||||||
1980-0071 | 0,8 | 2,5 | 0,3 | 4,7 | 3,0 | 38,7 | 38,5 | 38,0 | |
1980-0072 | 1,3 | 3,5 | 0,4 | 4,2 | 38,4 | 38,2 | 37,8 | ||
1980-0073 | 1,5 | 4,0 | 4,0 | 2,5 | 38,3 | 38,0 | 37,6 | ||
1980-0074 | 1,8 | 4,5 | 3,8 | 38,2 | |||||
1980-0075 | 2,0 | 5,0 | 3,5 | 38,1 | 37,9 | 37,5 | |||
1980-0076 | 2,3 | 5,5 | 0,5 | 3,3 | 2,0 | 37,8 | 37,4 | ||
1980-0077 | 2,5 | 6,0 | 3,1 | 38,0 | |||||
1980-0078 | 2,8 | 6,5 | 2,9 | 37,9 | 37,7 | 37,2 | |||
1980-0079 | 3,2 | 7,5 | 0,6 | 2,4 | 37,8 | 37,6 | |||
1980-0081 | 3,4 | 8,0 | 2,2 | 1,5 | 37,4 | 37,1 | 36,7 | ||
1980-0082 | 3,8 | 8,5 | 0,7 | 2,0 | 36,9 | 36,5 | 36,1 | ||
1980-0603 | 4,2 | 9,0 | 1,8 | 36,5 | 36,1 | 35,8 | |||
1980-0604 | 4,7 | 9,5 | 1,6 | 35,2 | 34,8 | 34,4 | |||
Примечание. По заказу потребителя допускается изготовление волоков-заготовок со смазочным конусом 60°.
Пример условного обозначения волока-заготовки формы 8 размером 0,8 мм из твердого сплава марки ВК3:
Волок-заготовка 1980-0071 ВК3 ГОСТ 9453-75
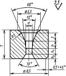
Черт.9. Форма 9
Форма 9

Черт.9
Таблица 9
Размеры в мм
Обозначение волоков-заготовок | Применяемость | Масса, г, не более, для твердого сплава марок | |||||
ВКЗ, ВК3М | ВК4 | ВК6, ВК6М | |||||
1980-0091 | 0,8 | 2,5 | 0,3 | 39,0 | 38,5 | 38,2 | |
1980-0092 | 1,0 | 3,0 | |||||
1980-0093 | 1,3 | 3,5 | 0,4 | ||||
1980-0094 | 1,5 | 4,0 | |||||
1980-0095 | 1,8 | 4,5 | 0,5 | ||||
1980-0096 | 2,0 | 5,0 | 38,9 | 38,4 | 38,1 | ||
1980-0097 | 2,3 | 5,5 | 38,8 | 38,3 | 38,0 | ||
1980-0098 | 2,5 | 6,0 | 38,6 | 38,1 | 37,9 | ||
1980-0099 | 2,8 | 6,5 | 38,5 | 38,0 | 37,8 | ||
1980-0101 | 3,0 | 7,0 | 0,6 | 38,4 | 37,9 | 37,6 | |
1980-0102 | 3,3 | 7,5 | 38,2 | 37,7 | 37,4 | ||
1980-0103 | 3,5 | 8,0 | 37,9 | 37,5 | 37,2 | ||
1980-0104 | 3,8 | 8,5 | 0,7 | 37,8 | 37,3 | 37,0 | |
1980-0105 | 4,2 | 9,0 | 37,6 | 37,1 | 36,8 | ||
1980-0106 | 4,7 | 9,5 | 0,8 | 37,4 | 36,9 | 36,6 | |
Пример условного обозначения волока-заготовки формы 9 размером 0,8 мм из твердого сплава марки ВК3:
Волок-заготовка 1980-0091 ВК3 ГОСТ 9453-75
Черт.10. Форма 10
Форма 10

Черт.10
Таблица 10
Размеры в мм
Обозначение волоков-заготовок | Применяемость | Масса, г, не более, для твердого сплава марок | |||||||
ВК3, ВК3М | ВК4 | ВК6, ВК6М | |||||||
1980-0111 | 1,5 | 3,2 | 1,0 | 5,6 | 4,0 | 94 | 93 | 92 | |
1980-0112 | 1,8 | 3,5 | 5,2 | ||||||
1980-0113 | 2,3 | 4,7 | 4,8 | ||||||
1980-0114 | 2,7 | 5,8 | 4,5 | ||||||
1980-0115 | 3,2 | 7,0 | 4,1 | 3,5 | |||||
1980-0116 | 3,8 | 8,2 | 3,8 | ||||||
1980-0117 | 4,0 | 8,4 | 3,6 | ||||||
1980-0118 | 4,2 | 8,8 | 3,4 | 3,0 | 93 | ||||
1980-0119 | 4,5 | 9,2 | 3,0 | 92 | 92 | 91 | |||
1980-0121 | 4,7 | 9,5 | |||||||
1980-0122 | 5,2 | 9,0 | 90 | 90 | 89 | ||||
1980-0123 | 5,5 | 8,7 | 89 | 88 | 87 | ||||
1980-0124 | 5,7 | 8,5 | 1,2 | ||||||
Примечание. По согласованию изготовителя с потребителем допускается изготовление заготовок волок форм 5-10 с углом рабочего канала 16° и с углом смазочного конуса 60°.
В обозначениях заготовок волок с углом рабочего конуса 16° к цифровому обозначению волок-заготовок добавляется угол рабочего конуса 16°.
Например: Волок-заготовка 1980-0041-16° ВК3 ГОСТ 9453-75
Пример условного обозначения волока-заготовки формы 10 размером 1,5 мм из твердого сплава марки ВК3:
Волок-заготовка 1980-0111 ВК3 ГОСТ 9453-75
(Измененная редакция, Изм. N 1).
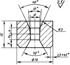
Черт.11. Форма 11
Форма 11

Черт.11
Таблица 11
Размеры в мм
Обозначение волоков-заготовок | Применяемость | Масса, г, не более, для твердого сплава марок | |||||
ВК3, ВК3М | ВК4 | ВК6, ВК6М | |||||
1980-0131 | 2,3 | 8,0 | 1,0 | 97 | 96 | 96 | |
1980-0132 | 2,8 | 96 | 95 | 94 | |||
1980-0133 | 3,2 | 9,0 | |||||
1980-0134 | 3,5 | ||||||
1980-0135 | 3,8 | ||||||
1980-0136 | 4,2 | 95 | 94 | 93 | |||
1980-0137 | 4,5 | 10,0 | |||||
1980-0138 | 4,7 | 93 | |||||
1980-0139 | 5,2 | 93 | 92 | 91 | |||
1980-0141 | 5,4 | 11,0 | 1,2 | 92 | 91 | 90 | |
1980-0142 | 5,7 | ||||||
1980-0143 | 6,2 | 91 | 90 | 88 | |||
Пример условного обозначения волока-заготовки формы 11 размером 2,3 мм из твердого сплава марки ВК3:
Волок-заготовка 1980-0131 ВК3 ГОСТ 9453-75
Черт.12. Форма 12
Форма 12

Черт.12
Таблица 12
Размеры в мм
Обозначение волоков-заготовок | Применяемость | Масса, г, не более, для твердого сплава марок | |||||||
ВК4 | ВК6, ВК6М | ВК8 | |||||||
1980-0151 | 4,2 | 10,0 | 0,8 | 2,5 | 4,0 | 198 | 196 | 193 | |
1980-0152 | 4,7 | 9,5 | 1,0 | 3,0 | 196 | 194 | 191 | ||
1980-0153 | 5,2 | 9,0 | 3,5 | 3,0 | 195 | 192 | 190 | ||
1980-0154 | 5,4 | 1,2 | 4,0 | 193 | 191 | 189 | |||
1980-0155 | 5,7 | 8,8 | 192 | 190 | 187 | ||||
1980-0156 | 6,0 | 8,5 | 1,5 | 4,5 | 191 | 188 | 186 | ||
1980-0157 | 6,2 | ||||||||
1980-0158 | 6,7 | 190 | 187 | 185 | |||||
1980-0159 | 7,0 | 2,0 | 4,0 | 188 | 185 | 183 | |||
1980-0161 | 7,7 | 186 | 184 | 181 | |||||
1980-0162 | 8,0 | 184 | 182 | 180 | |||||
1980-0163 | 8,6 | 182 | 180 | 178 | |||||
1980-0164 | 9,0 | 2,5 | 3,5 | 180 | 178 | 176 | |||
1980-0165 | 9,6 | 178 | 176 | 174 | |||||
1980-0166 | 10,0 | 3,5 | 175 | 173 | 171 | ||||
1980-0167 | 10,5 | 173 | 171 | 169 | |||||
1980-0168 | 11,5 | 8,0 | 3,0 | 3,0 | 166 | 165 | 163 | ||
1980-0169 | 12,5 | 7,5 | 158 | 156 | 154 | ||||
Пример условного обозначения волока-заготовки формы 12 размером 4,2 мм из твердого сплава марки ВК4:
Волок-заготовка 1980-0151 ВК4 ГОСТ 9453-75
Черт.13. Форма 13
Форма 13

Черт.13
Таблица 13
Размеры в мм
Обозначение волоков-заготовок | Применяемость | Масса, г, не более, для твердого сплава марок | ||||
ВК4 | ВК6, ВК6М | ВК8 | ||||
1980-0171 | 5,7 | 2,0 | 203 | 202 | 199 | |
1980-0172 | 6,2 | 201 | 200 | 197 | ||
1980-0173 | 6,7 | 2,5 | 200 | 198 | 196 | |
1980-0174 | 7,0 | 197 | 195 | 193 | ||
1980-0175 | 7,7 | 3,0 | 196 | 194 | 192 | |
1980-0176 | 8,6 | 191 | 190 | 188 | ||
1980-0177 | 9,6 | 186 | 185 | 182 | ||
1980-0178 | 10,5 | 3,5 | 182 | 180 | 178 | |
1980-0179 | 11,5 | 175 | 174 | 172 | ||
1980-0181 | 12,5 | 169 | 168 | 165 | ||
Пример условного обозначения волока-заготовки формы 13 размером 5,7 мм из твердого сплава марки ВК4:
Волок-заготовка 1980-0171 ВК4 ГОСТ 9453-75
Черт.14. Форма 14
Форма 14

Черт.14
Таблица 14
Размеры в мм
Обозначение волоков-заготовок | Применяемость | Масса, г, не более, для твердого сплава марок | |||||||
ВК4 | ВК6, ВК6М | ВК8 | |||||||
1980-0191 | 9,6 | 8,0 | 3,0 | 5,0 | 4,0 | 273 | 270 | 267 | |
1980-0192 | 10,5 | 267 | 263 | 261 | |||||
1980-0193 | 11,5 | 260 | 257 | 254 | |||||
1980-0194 | 12,5 | 9,0 | 4,5 | 255 | 252 | 249 | |||
1980-0195 | 13,5 | 9,5 | 3,5 | 3,5 | 250 | 247 | 244 | ||
1980-0196 | 14,5 | 10,0 | 243 | 240 | 237 | ||||
1980-0197 | 15,5 | 10,5 | 4,0 | 237 | 233 | 230 | |||
1980-0198 | 16,5 | 11,0 | 230 | 225 | 223 | ||||
Пример условного обозначения волока-заготовки формы 14 размером 9,6 мм из твердого сплава марки ВК4:
Волок-заготовка 1980-0191 ВК4 ГОСТ 9453-75
Черт.15. Форма 15
Форма 15

Черт.15
Таблица 15
Размеры в мм
Обозначение волоков-заготовок | Применяемость |
| Масса, г, не более, для твердого сплава марок | |
ВК6, ВК6М | ВК8 | |||
1980-0201 | 14,5 | 279 | 271 | |
1980-0202 | 15,0 | 274 | 266 | |
1980-0203 | 15,5 | 269 | 261 | |
Пример условного обозначения волока-заготовки формы 15 размером 14,5 мм из твердого сплава марки ВК6:
Волок-заготовка 1980-0201 ВК6 ГОСТ 9453-75
Черт.16. Форма 16
Форма 16

Черт.16
Таблица 16
Размеры в мм
Обозначение волоков-заготовок | Применяемость | Масса, г, не более, | |||||
ВК6, ВК6М | ВК8 | ||||||
1980-0211 | 14,5 | 30,0 | 3,0 | 6,0 | 726 | 711 | |
1980-0212 | 15,5 | 3,5 | 717 | 702 | |||
1980-0213 | 16,5 | 706 | 692 | ||||
1980-0214 | 17,5 | 4,0 | 5,5 | 696 | 681 | ||
1980-0215 | 18,0 | 32,0 | 688 | 674 | |||
1980-0216 | 18,5 | 682 | 667 | ||||
1980-0217 | 19,5 | 4,5 | 671 | 656 | |||
1980-0218 | 20,5 | 36,0 | 5,0 | 659 | 644 | ||
1980-0219 | 21,5 | 648 | 634 | ||||
1980-0221 | 22,5 | 5,0 | 639 | 625 | |||
1980-0222 | 23,5 | 629 | 615 | ||||
1980-0223 | 24,5 | 620 | 606 | ||||
1980-0224 | 25,5 | 608 | 595 | ||||
Пример условного обозначения волока-заготовки формы 16 размером 14,5 мм из твердого сплава марки ВК6:
Волок-заготовка 1980-0211 ВК6 ГОСТ 9453-75
Черт.17. Форма 17
Форма 17

Черт.17
Таблица 17
Размеры в мм
Обозначение волоков-заготовок | Применяемость | Масса, г, не более, | |||
ВК8 | ВК10 | ||||
1980-0231 | 14,5 | 3,5 | 710 | 704 | |
1980-0232 | 15,5 | 698 | 693 | ||
1980-0233 | 16,5 | 4,0 | 688 | 682 | |
1980-0234 | 17,5 | 676 | 670 | ||
1980-0235 | 18,0 | 666 | 662 | ||
1980-0236 | 18,5 | 660 | 656 | ||
1980-0237 | 19,5 | 646 | 642 | ||
1980-0238 | 21,5 | 5,0 | 621 | 616 | |
1980-0239 | 23,5 | 588 | 584 | ||
1980-0241 | 24,5 | 572 | 567 | ||
Пример условного обозначения волока-заготовки формы 17 размером 14,5 мм из твердого сплава марки ВК8:
Волок-заготовка 1980-0231 ВК8 ГОСТ 9453-75
Черт.18. Форма 18
Форма 18

Черт.18
Таблица 18
Размеры в мм
Обозначение волоков-заготовок | Применяемость | Масса, г, не более, | ||||
ВК8 | ВК10 | |||||
1980-0251 | 24,5 | 5,0 | 7,0 | 1037 | 1019 | |
1980-0252 | 25,5 | 1020 | 1005 | |||
1980-0253 | 26,5 | 1017 | 990 | |||
1980-0254 | 27,5 | 5,5 | 6,5 | 1005 | 978 | |
1980-0255 | 28,5 | 994 | 966 | |||
1980-0256 | 29,5 | 980 | 954 | |||
1980-0257 | 30,5 | 6,0 | 6,0 | 967 | 940 | |
1980-0258 | 31,5 | 954 | 928 | |||
1980-0259 | 32,5 | 939 | 912 | |||
1980-0261 | 34,5 | 923 | 895 | |||
Пример условного обозначения волока-заготовки формы 18 размером 24,5 мм из твердого сплава марки ВК8:
Волок-заготовка 1980-0251 ВК8 ГОСТ 9453-75
Черт.19. Форма 19
Форма 19

Черт.19
Таблица 19
Размеры в мм
Обозначение волоков-заготовок | Применяемость | Масса, г, не более, | ||||
ВК8 | ВК10 | |||||
1980-0271 | 33,5 | 6,0 | 7,0 | 1598 | 1571 | |
1980-0272 | 34,5 | 1577 | 1550 | |||
1980-0273 | 35,5 | 1554 | 1529 | |||
1980-0274 | 36,5 | 1531 | 1506 | |||
1980-0275 | 37,5 | 6,5 | 1507 | 1482 | ||
1980-0276 | 38,5 | 1485 | 1459 | |||
1980-0277 | 39,5 | 6,0 | 1460 | 1434 | ||
1980-0278 | 40,5 | 1440 | 1414 | |||
1980-0279 | 41,5 | 1417 | 1392 | |||
1980-0281 | 42,5 | 7,0 | 1396 | 1371 | ||
1980-0282 | 43,5 | 1372 | 1348 | |||
Пример условного обозначения волока-заготовки формы 19 размером 33,5 мм из твердого сплава марки ВК8:
Волок-заготовка 1980-0271 ВК8 ГОСТ 9453-75
Черт.20. Форма 20
Форма 20

Черт.20
Таблица 20
Обозначение волоков-заготовок | Применяемость |
| Масса, г, не более, для твердого сплава марок | |
ВК8 | ВК10 | |||
1980-0291 | 44,5 | 2185 | 2149 | |
1980-0292 | 45,5 | 2154 | 2117 | |
1980-0293 | 46,5 | 2119 | 2090 | |
1980-0294 | 47,5 | 2083 | 2053 | |
1980-0295 | 48,5 | 2045 | 2019 | |
1980-0296 | 49,5 | 2006 | 1981 | |
1980-0297 | 52,5 | 1934 | 1911 | |
1980-0298 | 54,5 | 1872 | 1851 | |
1980-0605 | 51,5 | 1989 | 1949 | |
Пример условного обозначения волока-заготовки формы 20 размером 44,5 мм из твердого сплава марки ВК8:
Волок-заготовка 1980-0291 ВК8 ГОСТ 9453-75
(Измененная редакция, Изм. N 2).
1.2. Условное обозначение волоков-заготовок при заказе составляют с учетом Общесоюзного классификатора промышленной и сельскохозяйственной продукции (ОКП).
Полный код ОКП волоков-заготовок состоит из 18 знаков: десять знаков приведены в обязательном приложении; последние восемь знаков - код типоразмера волоков-заготовок, приведены в табл.1-20.
Пример условного обозначения при заказе волока-заготовки формы 1 сплава марки ВК3М с размерами: 6,0 мм;
4,0;
1,4;
0,8 мм:
19 6511
3482 198
0-0001 ГОСТ 9453-75
(Введен дополнительно, Изм. N 2).
2. ТЕХНИЧЕСКИЕ ТРЕБОВАНИЯ
2.1. Волоки-заготовки должны изготовляться из твердых спеченных сплавов по ГОСТ 3882-74.
Плотность твердого сплава для изготовления волоков-заготовок формы 20 должна быть:
для ВК8 - 14,7-15,1 г/см;
для ВК10 - 14,4-14,9 г/см.
2.2. Предельные отклонения наружного диаметра и высоты
волоков-заготовок должны соответствовать указанным в табл.21.
Таблица 21
мм
| |
Номин. | Пред. откл. |
От 4 до 6 | ±0,3 |
" 6 " 10 | ±0,4 |
" 10 " 18 | ±0,5 |
" 18 " 30 | ±0,6 |
" 30 " 50 | ±0,8 |
" 50 " 60 | ±1,2 |
" 60 " 75 | ±1,5 |
" 75 " 90 | ±2,0 |
(Измененная редакция, Изм. N 2).
2.3. Предельные отклонения канала отверстия диаметра волоков-заготовок не должны быть более указанных в табл.22.
Таблица 22
мм
Номин. | Пред. откл. |
0,1 | ±0,05 |
+0,05 | |
От 0,2 до 0,3 | -0,10 |
" 0,3 " 1,0 | -0,20 |
Св. 1,0 " 2,0 | -0,25 |
" 2,0 " 6,0 | -0,35 |
" 6,0 " 10,0 | -0,45 |
" 10,0 " 18,0 | -0,50 |
" 18,0 " 30,0 | -0,60 |
" 30,0 " 50,0 | -0,75 |
" 50,0 " 60,0 | -1,00 |
Примечание. Предельные отклонения формы цилиндрических поверхностей волоков-заготовок допускаются в пределах 0,5 поля допуска на размер.
2.4. Предельные отклонения угловых размеров не должны быть более ±1°.
2.5. Предельные отклонения остальных линейных размеров установлены для прессформы и не должны быть более указанных в табл.23.
Таблица 23
мм
Номин. | Пред. откл. |
До 0,5 | +0,10 |
Св. 0,5 до 1,0 | ±0,15 |
" 1,0 " 3,0 | ±0,20 |
" 3,0 " 6,0 | ±0,30 |
" 6,0 " 10,0 | ±0,40 |
" 10,0 | ±0,50 |
2.6. Места переходов всех зон отверстия канала волоков-заготовок должны иметь плавные сопряжения.
2.7. В местах перехода входной и выходной распушек на торцы волоков-заготовок, не указанных в черт.1-20, допускается скругление радиусом не более 0,5 мм или заусенцы размером не более 0,5 мм.
(Измененная редакция, Изм. N 3).
2.8. Выкрашивание на рабочих поверхностях волоков-заготовок в отверстии канала не допускается.
2.9. Глубина выкрашивания на нерабочих поверхностях волоков-заготовок не должна превышать 1 мм для волоков-заготовок с наружным диаметром до 30 мм и 2 мм для волоков-заготовок с наружным диаметром до 100 мм.
2.10. Макроструктура волоков-заготовок в изломе должна быть однородной. Раковины, расслой и посторонние включения не допускаются.
2.11. На поверхностях волоков-заготовок (внутренней и наружной) не должно быть корочки, вспучивания, расслоя, трещин.
Заготовки следует поставлять в очищенном виде.
(Измененная редакция, Изм. N 2).
2.12. (Исключен, Изм. N 2).
3. ПРАВИЛА ПРИЕМКИ
3.1. Для проверки соответствия волоков-заготовок требованиям настоящего стандарта предприятие-изготовитель должно проводить приемо-сдаточные испытания.
3.2. При приемо-сдаточных испытаниях для проверки требований пп.2.2-2.11 должно быть отобрано 5% волоков-заготовок от предъявленной партии, но не менее 5 шт.
3.3. Партия должна состоять из изделий одной марки сплава, изготовленного из смеси одного приготовления, и принята техническим контролем предприятия-изготовителя по одному документу.
3.4. При неудовлетворительных результатах испытаний хотя бы по одному из показателей проводят повторные испытания на удвоенном количестве волоков-заготовок из той же партии. Результаты повторных испытаний являются окончательными.
4. МЕТОДЫ ИСПЫТАНИЙ
4.1. Определение предела прочности волоков-заготовок - по ГОСТ 20019-74.
4.2. Определение плотности волоков-заготовок - по ГОСТ 20018-74.
4.3. Определение твердости волоков-заготовок по Роквеллу - по ГОСТ 20017-74.
4.4. Определение макроструктуры производят по излому при помощи лупы 20-30-кратного увеличения.
4.5. Внешний вид следует проверять без увеличительных приборов.
В сомнительных случаях допускается применение лупы до 4-кратного увеличения.
4.6. Определение микроструктуры, пористости и свободного углерода - по ГОСТ 9391-80.
(Введен дополнительно, Изм. N 2).
5. МАРКИРОВКА, УПАКОВКА, ТРАНСПОРТИРОВАНИЕ И ХРАНЕНИЕ
5.1. Маркировка, упаковка, транспортирование и хранение - по ГОСТ 19106-73.
ПРИЛОЖЕНИЕ (обязательное). Коды ОКП волоков-заготовок
ПРИЛОЖЕНИЕ
Обязательное
Номер формы волока-заготовки | Марка сплава | Код ОКП |
1 | ВК3 | 19 6522 3482 |
2 | То же | 19 6522 3483 |
3 | " | 19 6522 3484 |
4 | " | 19 6522 3485 |
5 | " | 19 6522 3486 |
6 | " | 19 6522 3487 |
7 | " | 19 6522 3488 |
8 | " | 19 6522 3489 |
9 | " | 19 6522 3490 |
10 | " | 19 6522 3491 |
11 | " | 19 6522 3492 |
1 | ВК3М | 19 6511 3482 |
2 | То же | 19 6511 3483 |
3 | " | 19 6511 3484 |
4 | " | 19 6511 3485 |
5 | " | 19 6511 3486 |
6 | " | 19 6511 3487 |
7 | " | 19 6511 3488 |
8 | " | 19 6511 3489 |
9 | " | 19 6511 3490 |
10 | " | 19 6511 3491 |
11 | " | 19 6511 3492 |
1 | ВК4 | 19 6523 3482 |
2 | То же | 19 6523 3483 |
3 | " | 19 6523 3484 |
4 | " | 19 6523 3485 |
5 | " | 19 6523 3486 |
6 | " | 19 6523 3487 |
7 | " | 19 6523 3488 |
8 | " | 19 6523 3489 |
9 | " | 19 6523 3490 |
10 | " | 19 6523 3491 |
11 | " | 19 6523 3492 |
12 | " | 19 6523 3493 |
13 | " | 19 6523 3494 |
14 | " | 19 6523 3495 |
7 | ВК6 | 19 6524 3488 |
8 | То же | 19 6524 3489 |
9 | " | 19 6524 3490 |
10 | " | 19 6524 3491 |
11 | " | 19 6524 3492 |
12 | " | 19 6524 3493 |
13 | " | 19 6524 3494 |
14 | " | 19 6524 3495 |
15 | " | 19 6524 3496 |
16 | " | 19 6524 3497 |
7 | ВК6М | 19 6512 3488 |
8 | То же | 19 6512 3489 |
9 | " | 19 6512 3490 |
10 | " | 19 6512 3491 |
11 | " | 19 6512 3492 |
12 | " | 19 6512 3493 |
13 | " | 19 6512 3494 |
14 | " | 19 6512 3495 |
15 | " | 19 6512 3496 |
16 | " | 19 6512 3497 |
12 | ВК8 | 19 6525 3493 |
13 | То же | 19 6525 3494 |
14 | " | 19 6525 3495 |
15 | " | 19 6525 3496 |
16 | " | 19 6525 3497 |
17 | " | 19 6525 3498 |
18 | " | 19 6525 3499 |
19 | " | 19 6525 3500 |
20 | " | 19 6525 3501 |
17 | ВК10 | 19 6525 3498 |
18 | То же | 19 6526 3499 |
19 | " | 19 6526 3500 |
20 | " | 19 6526 3501 |
Электронный текст документа
подготовлен ЗАО "Кодекс" и сверен по:
официальное издание
М.: Издательство стандартов, 1987
Разместите заказ
сами сделают вам предложение
