ГОСТы сталей. ГОСТ 22178-76
ГОСТ 22178-76
Группа В53
МЕЖГОСУДАРСТВЕННЫЙ СТАНДАРТ
ЛИСТЫ ИЗ ТИТАНА И ТИТАНОВЫХ СПЛАВОВ
Технические условия
Titanium and titanium alloys sheets.
Specifications
МКС 77.150.50
ОКП 18 2511
Дата введения 1978-07-01
ИНФОРМАЦИОННЫЕ ДАННЫЕ
1. РАЗРАБОТАН И ВНЕСЕН Министерством авиационной промышленности
2. УТВЕРЖДЕН И ВВЕДЕН В ДЕЙСТВИЕ Постановлением Государственного комитета стандартов Совета Министров СССР от 28.09.76 N 2227
Изменение N 5 принято Межгосударственным советом по стандартизации, метрологии и сертификации (протокол N 24 от 5 декабря 2003 г.)
За принятие изменения проголосовали национальные органы по стандартизации следующих государств: AM, BY, KZ, KG, MD, RU, TJ, TM, UZ, UA [коды альфа-2 по МК (ИСО 3166) 004]
3. ВВЕДЕН ВПЕРВЫЕ
4. ССЫЛОЧНЫЕ НОРМАТИВНО-ТЕХНИЧЕСКИЕ ДОКУМЕНТЫ
Обозначение НТД, на который дана ссылка | Номер пункта |
ГОСТ 427-75 | 4.9 |
ГОСТ 515-77 | 5.2 |
ГОСТ 1341-97 | 5.2 |
ГОСТ 1497-84 | 4.6 |
ГОСТ 1760-86 | 5.2 |
ГОСТ 2424-83 | 4.3 |
ГОСТ 2991-85 | 5.2 |
ГОСТ 3560-73 | 5.2 |
ГОСТ 6507-90 | 4.4 |
ГОСТ 7502-98 | 4.4 |
ГОСТ 8026-92 | 4.9 |
ГОСТ 8273-75 | 5.2 |
ГОСТ 9569-79 | 5.2 |
ГОСТ 10354-82 | 5.2 |
ГОСТ 11701-84 | 4.6 |
ГОСТ 11836-76 | 5.2 |
ГОСТ 14019-2003 | 4.8 |
ГОСТ 14192-96 | 5.3 |
ГОСТ 16711-84 | 5.2 |
ГОСТ 19300-86 | 4.3 |
ГОСТ 19807-91 | 2.1 |
ГОСТ 19863.1-91 - ГОСТ 19863.13-91 | 4.1 |
ГОСТ 23902-79 | 4.1 |
ГОСТ 24047-80 | 4.5 |
ГОСТ 24956-81 | 4.2 |
ГОСТ 25086-87 | 4.1 |
ТУ 13-0248643-788-89 | 5.2 |
ОСТ 1 90013-81 | 2.1 |
5. ИЗДАНИЕ (июль 2005 г.) с Изменениями N 1, 2, 3, 4, 5, утвержденными в ноябре 1982 г., июне 1986 г., июне 1987 г., августе 1990 г., марте 2004 г. (ИУС 3-83, 9-86, 11-87, 11-90, 6-2004)
Настоящий стандарт распространяется на листы из титана и титановых сплавов, предназначенные для нужд народного хозяйства и экспорта.
(Измененная редакция, Изм. N 2).
1. СОРТАМЕНТ
1. СОРТАМЕНТ
1.1а. Листы подразделяют:
а) по качеству отделки поверхности:
высокой отделки - В, повышенной отделки - П, обычной отделки - без дополнительного обозначения;
б) по отклонению от плоскостности:
улучшенной плоскостности - У, нормальной плоскостности - без дополнительного обозначения.
(Введен дополнительно, Изм. N 4).
1.1. Толщина листов, предельные отклонения по толщине в зависимости от толщины и ширины листов, должны соответствовать указанным в табл.1.
Таблица 1
мм
Толщина листа | Предельное отклонение по толщине при ширине листа | |||||||
400 | 500 | 600 | 600* | 700 | 800 | 1000 | 1200 | |
0,3 | ±0,05 | ±0,05 | ±0,05 | - | - | - | - | - |
0,4 | ±0,05 | ±0,05 | ±0,05 | - | - | - | - | - |
0,5 | - | - | +0,05 | - | - | - | - | - |
0,6 | - | - | +0,05 | - | - | - | - | - |
0,7 | - | - | ±0,10 | +0,05 | - | - | - | - |
0,8 | - | - | ±0,10 | +0,05 | ±0,10 | ±0,10 | ±0,10 | - |
1,0 | - | - | ±0,12 | +0,06 | ±0,12 | ±0,12 | ±0,12 | - |
1,2 | - | - | ±0,13 | +0,07 | ±0,13 | ±0,13 | ±0,13 | - |
1,5 | - | - | +0,13 | +0,07 | +0,13 | +0,13 | +0,13 | - |
1,8 | - | - | +0,13 | - | +0,13 | +0,13 | +0,13 | - |
2,0 | - | - | +0,13 | - | +0,13 | +0,13 | +0,14 | +0,14 |
2,2 | - | - | +0,14 | - | +0,14 | +0,14 | +0,14 | +0,14 |
2,5 | - | - | +0,14 | - | +0,14 | +0,14 | +0,15 | +0,15 |
2,8 | - | - | +0,14 | - | +0,14 | +0,14 | +0,15 | +0,15 |
3,0 | - | - | +0,15 | - | +0,15 | +0,15 | +0,16 | +0,16 |
3,3 | - | - | +0,15 | - | +0,15 | +0,15 | +0,16 | +0,16 |
3,5 | - | - | +0,15 | - | +0,15 | +0,15 | +0,16 | +0,16 |
3,8 | - | - | +0,15 | - | +0,15 | +0,15 | +0,16 | +0,16 |
4,0 | - | - | +0,15 | - | +0,15 | +0,15 | +0,16 | +0,16 |
4,3 | - | - | +0,15 | - | +0,15 | +0,15 | +0,16 | +0,16 |
4,5 | - | - | +0,20 | - | +0,20 | +0,20 | +0,22 | +0,22 |
4,8 | - | - | +0,20 | - | +0,20 | +0,20 | +0,22 | +0,22 |
5,0 | - | - | +0,20 | - | +0,20 | +0,20 | +0,22 | +0,22 |
5,3 | - | - | +0,20 | - | +0,20 | +0,20 | +0,22 | +0,22 |
5,5 | - | - | +0,20 | - | +0,20 | +0,20 | +0,22 | +0,22 |
5,8 | - | - | +0,20 | - | +0,20 | +0,20 | +0,22 | +0,22 |
6,0 | - | - | +0,22 | - | +0,22 | +0,22 | +0,25 | +0,25 |
6,3 | - | - | +0,22 | - | +0,22 | +0,22 | +0,25 | +0,25 |
6,5 | - | - | +0,22 | - | +0,22 | +0,22 | +0,25 | +0,25 |
6,8 | - | - | +0,22 | - | +0,22 | +0,22 | +0,25 | +0,25 |
7,0 | - | - | +0,25 | - | +0,25 | +0,25 | +0,28 | +0,28 |
7,3 | - | - | +0,25 | - | +0,25 | +0,25 | +0,28 | +0,28 |
7,5 | - | - | +0,25 | - | +0,25 | +0,25 | +0,28 | +0,28 |
7,8 | - | - | +0,25 | - | +0,25 | +0,25 | +0,28 | +0,28 |
8,0 | - | - | +0,28 | - | +0,28 | +0,28 | +0,30 | +0,30 |
8,3 | - | - | +0,28 | - | +0,28 | +0,28 | +0,30 | +0,30 |
8,5 | - | - | +0,28 | - | +0,28 | +0,28 | +0,30 | +0,30 |
8,8 | - | - | +0,28 | - | +0,28 | +0,28 | +0,30 | +0,30 |
9,0 | - | - | +0,33 | - | +0,33 | +0,33 | +0,35 | +0,35 |
9,3 | - | - | +0,33 | - | +0,33 | +0,33 | +0,35 | +0,35 |
9,5 | - | - | +0,37 | - | +0,37 | +0,37 | +0,40 | +0,40 |
9,8 | - | - | +0,37 | - | +0,37 | +0,37 | +0,40 | +0,40 |
10,0 | - | - | +0,40 | - | +0,40 | +0,40 | +0,42 | +0,42 |
10,3 | - | - | +0,40 | - | +0,40 | +0,40 | +0,42 | +0,42 |
10,5 | - | - | +0,40 | - | +0,40 | +0,40 | +0,42 | +0,42 |
________________
* Для титана марок ВТ1-00, BT1-0 и сплава марки ОТ4-0.
(Измененная редакция, Изм. N 4).
1.2. Размеры листов в зависимости от марки титана или титанового сплава должны соответствовать указанным в табл.2.
Таблица 2
мм
Марки титана и титановых сплавов | Толщина | Ширина | Длина |
ВТ1-00 | От 0,3 до 0,4 | 400, 500 и 600 | От 1250 до 2000 |
ВТ1-0, | Св. 0,4 " 1,2 | 600 | " 1250 " 2000 |
ОТ4-0, | От 0,8 " 1,8 | 600, 700, 800 и 1000 | " 1500 " 2000 |
ОТ4-1 | Св. 1,8 " 5,0 | 600, 700, 800, 1000 и 1200 | " 1500 " 5000 |
" 5,0 " 7,0 | 600, 700, 800, 1000 и 1200 | " 1500 " 4000 | |
" 7,0 " 10,5 | 600, 700, 800, 1000 и 1200 | " 1500 " 3000 | |
ОТ4 | От 0,5 до 0,8 | 600 | От 1500 до 2000 |
Св. 0,8 " 1,8 | 600, 700, 800 | " 1500 " 2000 | |
" 1,8 " 5,0 | 600, 700, 800, 1000 и 1200 | " 1500 " 5000 | |
" 5,0 " 7,0 | 600, 700, 800, 1000 и 1200 | " 1500 " 4000 | |
" 7,0 " 10,5 | 600, 700, 800, 1000 и 1200 | " 1500 " 3000 | |
ВТ5-1, | От 0,8 до 1,5 | 600 | 1500 и 2000 |
ВТ20 | Св. 1,5 " 10,5 | 600, 700, 800 | 1500 и 2000 |
ВТ6, | От 1,0 до 1,8 | 600 | 1500 и 2000 |
ВТ6С | Св. 1,8 " 4,5 | 600, 700, 800 и 1000 | 1500 и 2000 |
" 4,5 " 10,5 | 600, 700, 800 и 1000 | 1500 и 2000 | |
ВТ14 | От 0,8 до 1,8 | 600 | 1500 и 2000 |
Св. 1,8 " 4,5 | 600, 700, 800 и 1000 | 1500 и 2000 | |
" 4,5 " 10,5 | 600, 700, 800 и 1000 | 1500 и 2000 |
Примечания:
1. Листы из титана марки ВТ1-0 толщиной от 2,0 до 10,5 мм и шириной 1000 мм допускается изготовлять шириной, превышающей номинальный размер не более чем на 30 мм.
2. По требованию потребителя листы из сплава марки ВТ20 толщиной от 1,8 до 10,5 мм изготовляют шириной 1000 мм.
(Измененная редакция, Изм. N 1, 4, 5).
1.3. (Исключен, Изм. N 4).
1.4. Листы из титана и титановых сплавов марок ВТ1-00, ВТ1-0, ОТ4-0, ОТ4-1 и ОТ4 толщиной до 1,8 мм изготовляют мерной длины с интервалом 50 мм в пределах длин, предусмотренных табл.2.
Листы из титана и титановых сплавов марок ВТ1-00, ВТ1-0, ОТ4-0, ОТ4-1 и ОТ4 толщиной от 2,0 до 10,5 мм изготовляют мерной длины с интервалом 100 мм в пределах длин, предусмотренных табл.2.
(Измененная редакция, Изм. N 1, 4).
1.5. Предельные отклонения по ширине листов не должны превышать:
плюс 10 мм - при длине листов до 1500 мм;
плюс 15 мм - при длине свыше 1500 мм.
1.6. Предельные отклонения по длине листов не должны превышать:
плюс 20 мм - при длине листов до 2000 мм;
плюс 25 мм - при длине листов свыше 2000 мм.
1.5, 1.6. (Измененная редакция, Изм. N 4).
1.7. (Исключен, Изм. N 4).
1.8. Теоретическую массу (
) одного метра длины листа, кг, вычисляют по формуле
,
где
и
- наибольшие предельные размеры по толщине и ширине, мм;
и - наименьшие предельные размеры по толщине и ширине, мм;
- плотность титанового сплава, г/см
.
Теоретическая масса одного метра длины листа приведена в приложении 1 и вычислена при плотности 4,50 г/см, что соответствует плотности титана марок ВТ1-00 и ВТ1-0.
Для вычисления теоретической массы листов из других титановых сплавов следует пользоваться переводными коэффициентами, указанными в приложении 2.
(Измененная редакция, Изм. N 3).
Примеры условного обозначения:
Лист из титанового сплава марки ОТ4, толщиной 5,0 мм, шириной 1000 мм и длиной 1500 мм, высокой отделки поверхности (В):
Лист ОТ4 5 х 1000 х 1500 ГОСТ 22178-76. В
То же, повышенной отделки поверхности (П):
Лист ОТ4 5 х 1000 х 1500 ГОСТ 22178-76. П
То же, обычной отделки поверхности:
Лист ОТ4 5 х 1000 х 1500 ГОСТ 22178-76
Лист из титана марки ВТ1-0, толщиной 5,0 мм, шириной 1000 мм, длиной 1500 мм, высокой отделки поверхности (В) и улучшенной плоскостности (У):
Лист ВТ1-0 5 х 1000 х 1500 ГОСТ 22178-76. В.У
(Измененная редакция, Изм. N 4).
2. ТЕХНИЧЕСКИЕ ТРЕБОВАНИЯ
2.1а. Листы изготовляют в соответствии с требованиями настоящего стандарта по технологическому регламенту, утвержденному в установленном порядке.
(Введен дополнительно, Изм. N 1).
2.1. Химический состав листов из титана марок ВТ1-00, ВТ1-0 и титановых сплавов марок ОТ4-1, ОТ4-0, ОТ4, ВТ5-1, ВТ6, ВТ6С, ВТ14, ВТ20 должен соответствовать требованиям ГОСТ 19807 или ОСТ 1 90013*.
________________
* Документ в информационных продуктах не содержится. За информацией о документе Вы можете обратиться в Службу поддержки пользователей. - Примечание изготовителя базы данных.
(Измененная редакция, Изм. N 3, 4, 5).
2.2. Листы изготовляют отожженными и правлеными или отожженными с последующей прогладкой и правкой.
(Измененная редакция, Изм. N 1).
2.3. Механические свойства при растяжении листов повышенной и обычной отделки поверхности должны соответствовать требованиям, указанным в табл.3.
Таблица 3
Марка титана и титановых сплавов | Состояние материала листов при изготовлении | Состояние материала образцов при испытании | Толщина листов, мм | Временное сопротивление | Относительное удлинение |
Не менее | |||||
ВТ1-00 | Отожженное и правленое или отожженное с последующей прогладкой и правкой | В состоянии изготовления листов | От 0,3 до 1,8 включ. | 295(30) | 30 |
Св. 1,8 " 6,0 " | 25 | ||||
" 6,0 " 10,5 " | 20 | ||||
ВТ1-0 | От 0,3 до 0,4 включ. | 375(38) | 25 | ||
Св. 0,4 " 1,8 " | 30 | ||||
" 1,8 " 6,0 " | 25 | ||||
" 6,0 " 10,5 " | 20 | ||||
Без термической обработки с последующей прогладкой и правкой | От 8,0 до 10,5 включ. | 375(38) | 20 | ||
ОТ4-0 | Отожженное и правленое или отожженное с последующей прогладкой и правкой | От 0,3 до 0,4 включ. | 470(48) | 25 | |
Св. 0,4 " 1,8 " | 30 | ||||
" 1,8 " 6,0 " | 25 | ||||
" 6,0 " 10,5 " | 20 | ||||
ОТ4-1 | От 0,3 до 0,7 включ. | 590(60) | 25 | ||
Св. 0,7 " 1,8 " | 20 | ||||
" 1,8 " 6,0 " | 15 | ||||
" 6,0 " 10,5 " | 13 | ||||
ОТ4 | От 0,5 до 1,0 включ. | 685(70) | 20 | ||
Св. 1,0 " 1,8 " | 15 | ||||
" 1,8 " 6,0 " | 12 | ||||
" 6,0 " 10,5 " | 10 | ||||
ВТ5-1 | От 0,8 до 1,2 включ. | 735(75) | 15 | ||
Св. 1,2 " 1,8 " | 12 | ||||
" 1,8 " 6,0 " | 10 | ||||
" 6,0 " 10,5 " | 8 | ||||
ВТ6 | Отожженное | От 1,0 до 10,5 включ. | 885(90) | 8 | |
ВТ6С | От 1,0 до 6,0 включ. | 835 (85) | 12 | ||
Св. 6,0 " 10,5 " | 10 | ||||
Закаленное и искусственно состаренное | От 1,0 до 10,5 включ. | 980(100) | 8 | ||
ВТ14 | Отожженное | От 0,8 до 5,0 включ. | 885(90) | 8 | |
Св. 5,0 " 10,5 " | 835(85) | 8 | |||
Закаленное и искусственно состаренное | От 0,8 до 1,5 включ. | 1080(110) | 5 | ||
Св. 1,5 " 5,0 " | 1180(120) | 6 | |||
" 5,0 " 7,0 " | 1080(110) | 4 | |||
" 7,0 " 10,5 " | 1100(112) | 4 | |||
ВТ20 | Отожженное | От 0,8 до 1,8 включ. | 930(95) | 12 | |
Св. 1,8 " 4,0 " | 10 | ||||
Св. 4,0 " 10,5 " | 8 | ||||
В состоянии изготовления листов | От 0,8 до 4,0 включ. | 980(100) | 9 | ||
Св. 4,0 " 10,5 " | 6 | ||||
2.3а. Механические свойства при растяжении листов высокой отделки поверхности должны соответствовать требованиям, указанным в табл.3а.
Таблица 3а
Марка титана и титановых сплавов | Состояние материала листов при изготовлении | Состояние материала образцов при испытании | Толщина листов, мм | Временное сопротивление | Относительное удлинение | |
Не менее | ||||||
ВТ1-00 | Отожженное и правленое или отожженное с последующей прогладкой и правкой | В состоянии изготовления листов | От 0,3 до 1,8 включ. | 295-440(30-45) | 30 | |
Св. 1,8 " 6,0 " | 295-440(30-45) | 30 | ||||
" 6,0 " 10,5 " | 295-440(30-45) | 20 | ||||
ВТ1-0 | От 0,3 до 0,4 включ. | 375-540(38-55) | 25 | |||
Св. 0,4 " 1,8 " | 375-540(38-55) | 30 | ||||
" 1,8 " 6,0 " | 375-540(38-55) | 25 | ||||
" 6,0 " 10,5 " | 375-540(38-55) | 20 | ||||
ОТ4-0 | От 0,3 до 0,4 включ. | 490-635(50-65) | 25 | |||
Св. 0,4 " 1,8 " | 490-635(50-65) | 30 | ||||
" 1,8 " 6,0 " | 490-635(50-65) | 25 | ||||
" 6,0 " 10,5 " | 490-635(50-65) | 20 | ||||
ОТ4-1 | От 0,3 до 0,7 включ. | 590-785(60-80) | 25 | |||
Св. 0,7 " 1,8 " | 590-785(60-80) | 20 | ||||
" 1,8 " 6,0 " | 590-785(60-80) | 15 | ||||
" 6,0 " 10,5 " | 590-785(60-80) | 13 | ||||
ОТ4 | От 0,5 до 1,0 включ. | 685-885(70-90) | 20 | |||
Св. 1,0 " 1,8 " | 685-885(70-90) | 15 | ||||
" 1,8 " 10,5 " | 685-885(70-90) | 12 | ||||
ВТ5-1 | От 0,8 до 1,2 включ. | 735-930(75-95) | 15 | |||
Св. 1,2 " 1,8 " | 735-930(75-95) | 12 | ||||
" 1,8 " 6,0 " | 735-930(75-95) | 10 | ||||
" 6,0 " 10,5 " | 735-930(75-95) | 8 | ||||
ВТ6 | Отожженное | От 1,0 до 10,5 включ. | 885-1080(90-110) | 8 | ||
ВТ6С | От 1,0 до 6,0 включ. | 835-980(85-100) | 12 | |||
Св. 6,0 " 10,5 " | 835-980(85-100) | 10 | ||||
Закаленное и искусственно состаренное | От 1,0 до 10,5 включ. | Не менее 1030(105) | 8 | |||
ВТ14 | Отожженное | От 0,8 до 5,0 включ. | 885-1050(90-107) | 8 | ||
Св. 5,0 " 10,5 " | 835-1050(85-107) | 8 | ||||
Закаленное и искусственно состаренное | От 0,8 до 1,5 включ. | Не менее 1080(110) | 5 | |||
Св. 1,5 " 5,0 " | " 1180(120) | 6 | ||||
" 5,0 " 7,0 " | " | 1080(110) | 4 | |||
" 7,0 " 10,5 " | " | 1100(112) | 4 | |||
ВТ20 | Отожженное | От 0,8 до 1,8 включ. | 930-1130(95-115) | 12 | ||
Св. 1,8 " 4,0 " | 930-1180(95-120) | 10 | ||||
" 4,0 " 10,5 " | 930-1180(95-120) | 8 | ||||
В состоянии изготовления листов | От 0,8 до 4,0 включ. | 980-1180(100-120) | 9 | |||
Св. 4,0 " 10,5 " | 980-1180(100-120) | 6 | ||||
2.3, 2.3а. (Измененная редакция, Изм. N 4, 5).
2.4. Листы должны быть обрезаны под прямым углом. Косина реза не должна выводить листы за предельные отклонения по ширине и длине.
На кромках обрезанных листов не допускаются грубые заусенцы.
Листы из сплавов марок ВТ5-1, ВТ6, ВТ6С и ВТ20 толщиной от 6,0 до 10,5 мм изготовляют без обрезки кромок, с обеспечением возможности вырезки листа номинальных размеров.
(Измененная редакция, Изм. N 5).
2.5. Поверхность листов всех групп отделки должна быть травленой, без трещин, надрывов, расслоений, металлических и неметаллических включений, остатков окалины и плен.
Допускаются цвета побежалости.
2.6. По качеству поверхности листы должны соответствовать требованиям, указанным в табл.3а.
Допускается пологая зачистка дефектов на глубину, указанную в табл.3б.
Таблица 3б
Группа отделки поверхности | Допускаемые дефекты поверхности листа | Минимальная глубина залегания допускаемых дефектов |
Высокой отделки | Отпечатки в виде вмятин или выпуклостей, царапины, надиры и раковины | Глубиной, не превышающей величины минусового предельного отклонения по толщине |
Повышенной отделки | Отпечатки в виде вмятин или выпуклостей, а также другие дефекты, не оговоренные пунктом 2.5 | Глубиной, не превышающей величины минусового предельного отклонения по толщине |
Единичные дефекты, не более двух на 1 м | Глубиной, не превышающей суммарного предельного отклонения по толщине | |
Обычной отделки | Отпечатки в виде вмятин или выпуклостей и другие дефекты, обусловленные способом производства | Глубиной, не превышающей суммарного предельного отклонения по толщине |
Примечание. Единичные дефекты, не более двух на 1 м поверхности, глубиной, не превышающей суммарного предельного отклонения по толщине, должны быть обведены краской или цветным карандашом.
2.5, 2.6. (Измененная редакция, Изм. N 4).
2.7. Углы изгиба образцов, вырезанных из листов, при радиусе оправки, равном одной толщине листа для листов из титана марок ВТ1-00, ВТ1-0 и титанового сплава марки ОТ4-0 и полуторной толщине листа для листов из сплавов марок ОТ4-1, ОТ4, ВТ5-1, ВТ6С, ВТ14 и ВТ20, должны соответствовать указанным в табл.4.
Таблица 4
Марка титана | Состояние испытываемых образцов | Толщина листа, мм | Угол изгиба, |
ВТ1-00, | В состоянии изготовления листов | От 0,3 до 0,6 | 140° |
ВТ1-0, | 0,7 | 130° | |
ОТ4-0 | 0,8 | 120° | |
1,0 | 110° | ||
1,2 | 100° | ||
1,5 | 90° | ||
Св. 1,5 до 10,5 | 80° | ||
ОТ4-1 | От 0,3 до 0,4 | 120° | |
Св. 0,4 " 0,7 | 100° | ||
" 0,7 " 1,0 | 80° | ||
" 1,0 " 1,8 | 70° | ||
" 1,8 " 10,5 | 60° | ||
ОТ4 | От 0,5 до 0,7 | 80° | |
Св. 0,7 " 1,0 | 70° | ||
" 1,0 " 1,8 | 60° | ||
" 1,8 " 10,5 | 50° | ||
ВТ5-1 | От 0,8 до 1,2 | 60° | |
Св. 1,2 " 1,8 | 50° | ||
" 1,8 " 10,5 | 40° | ||
ВТ6 | Отожженное | От 1,0 до 2,0 | 40° |
Св. 2,0 " 10,5 | 30° | ||
ВТ6С | От 1,0 до 1,8 | 30° | |
Св. 1,8 " 6,5 | 40° | ||
" 6,5 " 10,5 | 50° | ||
ВТ14 | От 0,8 до 1,5 | 60° | |
Св. 1,5 " 3,5 | 40° | ||
" 3,5 " 10,5 | 30° | ||
ВТ20 | От 0,8 до 10,5 | 30° |
2.8. Отклонение от плоскостности листов и отставание углов листов нормальной плоскостности от контрольной плиты должны соответствовать указанным в табл.5.
Таблица 5
мм
Марка титана и титановых сплавов | Толщина листа | Отклонение от плоскостности на 1 м | Отставание углов листа от контрольной плиты |
не более | |||
ВТ1-00, ВТ1-0, ОТ4-0 | От 0,3 до 10,5 | 10 | 30 |
ОТ4-1 | От 0,3 до 0,4 | 15 | 30 |
Св. 0,4 " 10,5 | 10 | 30 | |
ОТ4 | От 0,5 до 10,5 | 10 | 30 |
ВТ5-1, ВТ20 | От 0,8 до 10,5 | 25 | 30 |
ВТ6, ВТ6С | От 1,0 до 10,5 | 25 | 30 |
ВТ14 | От 0,8 до 1,8 | 30 | 50 |
Св. 1,8 " 10,5 | 25 | 30 | |
Примечания:
1. Для листов из сплавов марок ОТ4-0, ОТ4-1 толщиной от 0,8 до 1,8 мм, шириной 1000 мм допускается отклонение от плоскостности не более 20 мм на 1 м длины и отставание углов листа от контрольной плиты - не более 30 мм.
2. По требованию потребителя на листах из титана марки ВТ1-0 толщиной от 2,0 до 10,5 мм высокой отделки поверхности отклонение от плоскостности должно быть не более 8 мм и отставание углов листа от контрольной плиты должно быть не более 25 мм, при этом в заказе-наряде следует проставить букву "У" (улучшенной плоскостности) после года издания стандарта.
3. Допускается в партии обычной отделки поверхности 15% листов, имеющих отклонения от плоскостности и отставание углов листа от контрольной плиты более значений, указанных в табл.5, но не более 30%.
2.7, 2.8. (Измененная редакция, Изм. N 1, 4, 5).
3. ПРАВИЛА ПРИЕМКИ
3.1. Листы предъявляют к приемке партиями. Партия должна состоять из листов одной марки титана или титанового сплава и одних размеров и быть оформлена одним документом о качестве, содержащим:
товарный знак или товарный знак и наименование предприятия-изготовителя;
условное обозначение листов;
номер партии;
результаты проведенных испытаний (для механических свойств указать только максимальные и минимальные значения, фактическое содержание основных компонентов указать по требованию потребителя);
массу нетто партии;
дату изготовления.
Партия может быть составлена из листов нескольких плавок.
Листы высокой отделки, изготовленные рулонным способом, комплектуются в партию, состоящую из одного рулона.
(Измененная редакция, Изм. N 1, 4).
3.2. Для определения химического состава отбирают два листа от партии.
Изготовителю допускается определять основные компоненты на каждой плавке, примеси (кроме водорода) - на каждой десятой плавке. Прочие примеси не контролируют. Содержание водорода контролируют на двух листах от партии. При комплектовании партии из нескольких плавок содержание водорода определяют в каждом пятом листе партии.
(Измененная редакция, Изм. N 1).
3.3. Проверке размеров подвергают каждый лист.
3.4. Проверке состояния поверхности и отклонения от плоскостности подвергают каждый лист.
3.5. Для испытаний механических свойств на растяжение (временное сопротивление и относительное удлинение) и изгиб подвергают 10% листов от партии, но не менее одного листа.
Механические испытания листов из сплавов марок ВТ14 и ВТ6С проводят на закаленных и искусственно состаренных образцах, отобранных от трех листов партии по требованию потребителя.
Образцы для испытания механических свойств, вырезанные из листов сплавов марок ВТ1-00, ВТ1-0, ОТ4, ОТ4-0, ОТ4-1, ВТ5-1, изготовленных в отожженном состоянии, дополнительной термообработке не подвергают.
Допускается испытания на механические свойства листов, прошедших термообработку в ленте, проводить на двух образцах от каждого рулона (начало и конец рулона).
Листы высокой отделки из сплавов марок ОТ4-1 и ОТ4, изготовленные рулонным способом, подвергают контролю механических свойств и на изгиб в количестве 20% от партии.
(Измененная редакция, Изм. N 1, 3, 4, 5).
3.6. При получении неудовлетворительных результатов испытаний хотя бы по одному из показателей (кроме определения водорода) по нему проводят повторные испытания на удвоенном количестве образцов, вырезанных из тех же листов.
При получении неудовлетворительных результатов повторных испытаний, полученных хотя бы на одном из образцов, листы подвергают поштучному испытанию.
Примечание. Повторное испытание листов из сплава марки ВТ5-1 проводят на отожженных образцах. При этом показатели механических свойств должны соответствовать требованиям табл.3.
3.7. При получении неудовлетворительных результатов определения содержания водорода проводят анализ каждого листа данной партии.
4. МЕТОДЫ ИСПЫТАНИЙ
4.1. Химический состав титана и титановых сплавов определяют по ГОСТ 25086, ГОСТ 19863.1 - ГОСТ 19863.13 или спектральным методом по ГОСТ 23902, или другими методами, не уступающими по точности стандартным.
В случае разногласий в оценке химического состава определение проводят по ГОСТ 25086, ГОСТ 19863.1 - ГОСТ 19863.13.
4.2. Содержание водорода определяют по ГОСТ 24956 или другими методами, не уступающими по точности стандартным.
В случае разногласий определение проводят по ГОСТ 24956.
4.1, 4.2. (Измененная редакция, Изм. N 1, 4).
4.3. Осмотр поверхности листов проводят без применения увеличительных приборов.
Зачистку дефектов проводят в любом направлении абразивными кругами по ГОСТ 2424, шабером или другим инструментом зернистостью не крупнее 50.
Глубину залегания дефектов измеряют профилометром по ГОСТ 19300 или глубинометром индикаторным (специальным) по нормативно-технической документации.
(Измененная редакция, Изм. N 4).
4.4. Измерение толщины листов проводят на расстоянии не менее 115 мм от углов и не менее 25 мм от кромок листа.
Измерение толщины листов проводят микрометром по ГОСТ 6507.
Измерение ширины и длины листов проводят измерительной металлической рулеткой по ГОСТ 7502.
(Измененная редакция, Изм. N 3, 4).
4.5. Отбор проб для механических испытаний проводят по ГОСТ 24047.
4.6. Испытание на растяжение листов толщиной свыше 0,8 до 2,5 мм проводят по ГОСТ 11701 на образцах типов I или II с 20 мм, а листов толщиной от 3,0 до 10,5 мм проводят по ГОСТ 1497 на образцах типов I или II.
Расчетную длину образца () в миллиметрах вычисляют по формуле
,
где - расчетная площадь образца, мм
.
Листы толщиной 8 мм и более могут испытываться на круглых образцах с расчетной длиной
.
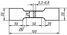
Форма и размеры образцов, вырезанных для испытания на растяжение из листов толщиной от 0,3 до 0,8 мм, должны соответствовать указанным на чертеже.

Скорость передвижения активного захвата машин при растяжении образцов должна быть 10-15 мм/мин.
4.5, 4.6. (Измененная редакция, Изм. N 2).
4.7. Для испытания на растяжение от каждого проверяемого листа вырезают один образец поперек направления прокатки.
(Измененная редакция, Изм. N 2, 5).
4.8. Испытание на изгиб проводят по ГОСТ 14019 до появления первой трещины в растянутой зоне образца с определением угла изгиба; угол изгиба измеряется после снятия нагрузки. От каждого проверяемого листа с одного конца в направлении поперек прокатки вырезают один образец.
Испытанию на изгиб подвергают образец шириной:
10 мм - при толщине листа до 5,0 мм;
15 мм - при толщине листа св. 5,0 до 10,5 мм.
Диаметр опорных роликов должен быть 30 мм.
(Измененная редакция, Изм. N 1, 3).
4.9. Неплоскостность листов определяется максимальной стрелой прогиба между поверхностью листа, положенного на плоскую поверхность, и приложенной к нему метровой линейкой по ГОСТ 8026 в любом направлении с помощью измерительной линейки по ГОСТ 427.
Примечание. Для листов шириной и длиной менее 1 м отклонение от плоскостности принимают как для листов длиной и шириной 1 м.
(Измененная редакция, Изм. N 3).
5. МАРКИРОВКА, УПАКОВКА, ТРАНСПОРТИРОВАНИЕ И ХРАНЕНИЕ
5.1. На каждом листе на одном из углов на расстоянии не более 100 мм от кромки по ширине листа должны быть нанесены несмываемой краской или цветным карандашом: марка титана или титанового сплава, размер листа, номер партии, штамп технического контроля.
(Измененная редакция, Изм. N 1).
5.1.1. Маркировку листов, предназначенных для экспорта, проводят в соответствии с заказом-нарядом внешнеторгового объединения.
(Введен дополнительно, Изм. N 2).
5.2. Каждый лист толщиной 2,8 мм и менее упаковывают в решетчатые дощатые ящики по нормативно-технической документации, разработанной в соответствии с требованиями ГОСТ 2991.
Для прокладки между листами применяют один из видов бумаги по ТУ 13-0248643-788, ГОСТ 11836, ГОСТ 8273 или основу парафинированной бумаги марок ОДП-35 по ГОСТ 16711.
Перед упаковыванием листов решетчатые ящики должны быть выстланы одним из видов бумаги по ГОСТ 1341, ГОСТ 1760, ГОСТ 9569, ГОСТ 515 или полиэтиленовой пленкой толщиной 100-200 мкм по ГОСТ 10354.
Листы толщиной 3 мм и более формируют в пакеты без перекладки бумагой на деревянных прокладках, стянутые лентой по ГОСТ 3560.
Допускается листы толщиной 3 мм и более транспортировать в универсальных контейнерах или крытых вагонах в прямой адрес потребителя с перекладкой бумагой без упаковывания в ящики.
Каждый лист высокой отделки поверхности толщиной 2,8 мм и менее перекладывают бумагой.
Листы повышенной отделки поверхности толщиной 2,8 мм и менее перекладывают бумагой по требованию потребителя.
Листы обычной отделки поверхности толщиной 2,8 мм и менее бумагой не перекладывают.
(Измененная редакция, Изм. N 1, 4).
5.2.1. Листы транспортируют транспортом всех видов в крытых или открытых транспортных средствах в соответствии с правилами, действующими на транспорте данного вида.
Размещение и крепление грузов, перевозимых по железной дороге, должно соответствовать правилам погрузки и крепления грузов, утвержденным Министерством путей сообщения СССР.
(Введен дополнительно, Изм. N 1).
5.2.2. В крытых вагонах транспортируют листы при массе одного грузового места до 500 кг или длине до 3,0 м.
Масса грузового места с перегрузкой в пути не должна превышать 500 кг, а в прямой адрес потребителя - 2000 кг.
(Измененная редакция, Изм. N 4).
5.3. Транспортная маркировка - по ГОСТ 14192.
Маркировка данных об упакованной продукции должна быть расположена под основными надписями и содержать:
марку титана или титанового сплава;
размеры листов;
номер партии.
При транспортировании листов без упаковывания в ящики между листами вкладывают пакет с упаковочным листом с указанием перечисленных выше данных.
(Измененная редакция, Изм. N 1).
5.4, 5.5. (Исключены, Изм. N 1).
5.6. Листы должны храниться в крытых складских помещениях защищенными от действия влаги, механических повреждений и активных химических реагентов.
6. ГАРАНТИИ ИЗГОТОВИТЕЛЯ
Изготовитель гарантирует соответствие листов требованиям настоящего стандарта при соблюдении условий транспортирования и хранения.
Гарантийный срок хранения листов с момента отгрузки в отапливаемых складах - не более 10 лет, в неотапливаемых складах - не более 5 лет.
Периодичность осмотра в отапливаемых и неотапливаемых складах - один раз в год.
Количество осматриваемых листов - 3% - 5% от партии.
Разд.6. (Введен дополнительно, Изм. N 4).
ПРИЛОЖЕНИЕ 1 (обязательное)
ПРИЛОЖЕНИЕ 1
Обязательное
Таблица 1
Толщина листа, м | Теоретическая масса 1 метра длины листа, кг | |||||||
Ширина листа, мм | ||||||||
400 | 500 | 600 | 600* | 700 | 800 | 1000 | 1200 | |
Предельные отклонения по ширине +10 | ||||||||
0,3 | 0,547 | 0,682 | 0,817 | - | - | - | - | - |
0,4 | 0,729 | 0,909 | 1,089 | - | - | - | - | - |
0,5 | - | - | 1,289 | - | - | - | - | - |
0,6 | - | - | 1,565 | - | - | - | - | - |
0,7 | - | - | 1,906 | 1,838 | - | - | - | - |
0,8 | - | - | 2,178 | 2,110 | 2,538 | 2,898 | 3,618 | - |
1,0 | - | - | 2,722 | 2,641 | 3,173 | 3,622 | 4,523 | - |
1,2 | - | - | 3,267 | 3,185 | 3,807 | 4,347 | 6,512 | - |
1,5 | - | - | 4,070 | 3,988 | 4,743 | 5,416 | 6,761 | - |
1,8 | - | - | 4,859 | - | 5,663 | 6,466 | 8,073 | - |
2,0 | - | - | 5,390 | - | 6,282 | 7,173 | 8,955 | 10,737 |
2,2 | - | - | 5,935 | - | 6,916 | 7,897 | 9,859 | 11,821 |
2,5 | - | - | 6,752 | - | 7,868 | 8,984 | 11,193 | 13,421 |
2,8 | - | - | 7,569 | - | 8,820 | 10,071 | 12,550 | 15,047 |
3,0 | - | - | 8,099 | - | 9,438 | 10,777 | 13,432 | 16,105 |
3,3 | - | - | 8,916 | - | 10,390 | 11,864 | 14,789 | 17,732 |
3,5 | - | - | 9,433 | - | 10,993 | 12,552 | 15,625 | 18,735 |
3,8 | - | - | 10,250 | - | 11,944 | 13,639 | 16,982 | 20,362 |
4,0 | - | - | 10,781 | - | 12,564 | 14,345 | 17,887 | 21,447 |
4,3 | - | - | 11,598 | - | 13,515 | 15,432 | 19,243 | 23,073 |
4,5 | - | - | 12,183 | - | 14,198 | 16,210 | 20,171 | 24,184 |
4,8 | - | - | 13,000 | - | 15,149 | 17,297 | 21,527 | 25,811 |
5,0 | - | - | 13,530 | - | 15,768 | 18,004 | 22,432 | 26,896 |
5,3 | - | - | 14,348 | - | 16,719 | 19,091 | 23,788 | 28,522 |
5,5 | - | - | 14,878 | - | 17,338 | 19,797 | 24,693 | 29,608 |
5,8 | - | - | 15,695 | - | 18,290 | 20,884 | 26,050 | 31,234 |
6,0 | - | - | 16,253 | - | 18,941 | 21,626 | 27,022 | 32,400 |
6,3 | - | - | 17,070 | - | 19,892 | 22,713 | 28,379 | 34,026 |
6,5 | - | - | 17,614 | - | 20,527 | 23,437 | 29,283 | 35,111 |
6,8 | - | - | 18,431 | - | 21,478 | 24,524 | 30,640 | 36,737 |
7,0 | - | - | 18,961 | - | 22,097 | 25,230 | 31,499 | 37,769 |
7,3 | - | - | 19,779 | - | 23,048 | 26,318 | 32,856 | 39,395 |
7,5 | - | - | 20,323 | - | 23,684 | 27,042 | 33,761 | 40,480 |
7,8 | - | - | 21,140 | - | 24,634 | 28,129 | 35,117 | 42,106 |
8,0 | - | - | 21,684 | - | 25,270 | 28,853 | 35,954 | 43,110 |
8,3 | - | - | 22,502 | - | 26,221 | 29,940 | 37,311 | 44,736 |
8,5 | - | - | 23,045 | - | 26,856 | 30,664 | 38,216 | 45,821 |
8,8 | - | - | 23,863 | - | 27,807 | 31,751 | 39,572 | 47,447 |
9,0 | - | - | 24,406 | - | 28,443 | 32,475 | 40,477 | 48,532 |
9,3 | - | - | 25,224 | - | 29,393 | 33,562 | 41,833 | 50,158 |
9,5 | - | - | 25,754 | - | 29,905 | 34,268 | 42,738 | 51,244 |
9,8 | - | - | 26,572 | - | 30,964 | 35,356 | 44,094 | 52,869 |
10,0 | - | - | 27,088 | - | 31,568 | 36,044 | 44,931 | 53,874 |
10,3 | - | - | 27,906 | - | 32,518 | 37,131 | 46,288 | 55,499 |
10,5 | - | - | 28,449 | - | 33,154 | 37,855 | 47,193 | 56,535 |
Таблица 2
Толщина листа, мм | Теоретическая масса 1 метра длины листа, кг | |||||||
Ширина листа, мм | ||||||||
400 | 500 | 600 | 600* | 700 | 800 | 1000 | 1200 | |
Предельные отклонения по ширине +15 | ||||||||
0,3 | 0,550 | 0,685 | 0,820 | - | - | - | - | - |
0,4 | 0,734 | 0,914 | 1,094 | - | - | - | - | - |
0,5 | - | - | 1,299 | - | - | - | - | - |
0,6 | - | - | 1,572 | - | - | - | - | - |
0,7 | - | - | 1,914 | 1,845 | - | - | - | - |
0,8 | - | - | 2,187 | 2,119 | 2,547 | 2,907 | 3,627 | - |
1,0 | - | - | 2,734 | 2,652 | 3,184 | 3,634 | 4,534 | - |
1,2 | - | - | 3,281 | 3,198 | 3,821 | 4,361 | 5,441 | - |
1,5 | - | - | 4,087 | 4,005 | 4,760 | 5,432 | 6,778 | - |
1,8 | - | - | 4,880 | - | 5,683 | 6,486 | 8,093 | - |
2,0 | - | - | 5,413 | - | 6,304 | 7,195 | 8,977 | 10,759 |
2,2 | - | - | 5,960 | - | 6,941 | 7,922 | 9,884 | 11,846 |
2,5 | - | - | 6,780 | - | 7,896 | 9,012 | 11,221 | 13,449 |
2,8 | - | - | 7,600 | - | 8,851 | 10,102 | 12,581 | 15,079 |
3,0 | - | - | 8,133 | - | 9,472 | 10,810 | 13,465 | 16,138 |
3,3 | - | - | 8,953 | - | 10,427 | 11,901 | 14,825 | 17,768 |
3,5 | - | - | 9,472 | - | 11,032 | 12,591 | 15,664 | 18,774 |
3,8 | - | - | 10,293 | - | 11,987 | 13,681 | 17,024 | 20,404 |
4,0 | - | - | 10,826 | - | 12,608 | 14,390 | 17,931 | 21,490 |
4,3 | - | - | 11,646 | - | 13,563 | 15,480 | 19,291 | 23,121 |
4,5 | - | - | 12,234 | - | 14,247 | 16,261 | 20,221 | 24,235 |
4,8 | - | - | 13,054 | - | 15,202 | 17,351 | 21,581 | 25,865 |
5,0 | - | - | 13,587 | - | 15,823 | 18,060 | 22,487 | 26,951 |
5,3 | - | - | 14,407 | - | 16,778 | 19,150 | 23,848 | 28,582 |
5,5 | - | - | 14,940 | - | 17,399 | 19,858 | 24,754 | 29,668 |
5,8 | - | - | 15,760 | - | 18,354 | 20,949 | 26,114 | 31,298 |
6,0 | - | - | 16,320 | - | 19,007 | 21,693 | 27,089 | 32,467 |
6,3 | - | - | 17,141 | - | 19,962 | 22,784 | 28,449 | 34,097 |
6,5 | - | - | 17,687 | - | 20,599 | 23,510 | 29,356 | 35,184 |
6,8 | - | - | 18,507 | - | 21,554 | 24,601 | 30,716 | 36,814 |
7,0 | - | - | 19,041 | - | 22,175 | 25,309 | 31,578 | 37,846 |
7,3 | - | - | 19,861 | - | 23,130 | 26,399 | 32,938 | 39,476 |
7,5 | - | - | 20,407 | - | 23,767 | 27,126 | 33,844 | 40,563 |
7,8 | - | - | 21,228 | - | 24,722 | 28,216 | 35,205 | 42,193 |
8,0 | - | - | 21,774 | - | 25,359 | 28,943 | 36,043 | 43,198 |
8,3 | - | - | 22,595 | - | 26,314 | 30,033 | 37,404 | 44,829 |
8,5 | - | - | 23,141 | - | 26,950 | 30,760 | 38,310 | 45,915 |
8,8 | - | - | 23,961 | - | 27,906 | 31,850 | 39,670 | 47,545 |
9,0 | - | - | 24,508 | - | 28,542 | 32,577 | 40,577 | 48,632 |
9,3 | - | - | 25,328 | - | 29,497 | 33,667 | 41,937 | 50,262 |
9,5 | - | - | 25,861 | - | 30,118 | 34,375 | 42,844 | 51,349 |
9,8 | - | - | 26,681 | - | 31,073 | 35,465 | 44,204 | 52,979 |
10,0 | - | - | 27,201 | - | 31,678 | 36,156 | 45,043 | 53,984 |
10,3 | - | - | 28,021 | - | 32,634 | 37,246 | 46,403 | 55,614 |
10,5 | - | - | 28,568 | - | 33,270 | 37,973 | 47,310 | 56,701 |
ПРИЛОЖЕНИЕ 1. (Измененная редакция, Изм. N 4).
ПРИЛОЖЕНИЕ 2 (справочное). Переводные коэффициенты для вычисления теоретической массы 1 м листа из титановых сплавов
ПРИЛОЖЕНИЕ 2
Справочное
Марка сплава | Переводной коэффициент |
ОТ4 | 1,011 |
ОТ4-1 | 1,011 |
ВТ14 | 1,004 |
ОТ4-0 | 1,002 |
ВТ6 | 0,989 |
ВТ6С | 0,989 |
ВТ20 | 0,989 |
ВТ5-1 | 0,983 |
ПРИЛОЖЕНИЕ 2. (Измененная редакция, Изм. N 3, 5).
Текст документа сверен по:
официальное издание
М.: Стандартинформ, 2005
Разместите заказ
сами сделают вам предложение
