ГОСТы сталей. ГОСТ 29296-92
ГОСТ 29296-92
Группа В52
МЕЖГОСУДАРСТВЕННЫЙ СТАНДАРТ
ПРОФИЛИ ПРЕССОВАННЫЕ ПРЯМОУГОЛЬНЫЕ НЕРАВНОПОЛОЧНОГО
ТАВРОВОГО СЕЧЕНИЯ ИЗ АЛЮМИНИЕВЫХ И МАГНИЕВЫХ СПЛАВОВ
Сортамент
Extruded rectangular unequishelf T-section shapes
of aluminium and magnesium alloys. Dimensions
MКC 77.150.20
ОКП 18 1143
Дата введения 1993-01-01
ИНФОРМАЦИОННЫЕ ДАННЫЕ
1. РАЗРАБОТАН И ВНЕСЕН Министерством авиационной промышленности СССР
2. УТВЕРЖДЕН И ВВЕДЕН В ДЕЙСТВИЕ Постановлением Комитета стандартизации и метрологии СССР от 05.02.92 N 108
3. ВВЕДЕН ВПЕРВЫЕ
4. ССЫЛОЧНЫЕ НОРМАТИВНО-ТЕХНИЧЕСКИЕ ДОКУМЕНТЫ
| Обозначение НТД, на который дана ссылка | Номер пункта |
| ГОСТ 8617-81 | 1 |
| ГОСТ 19657-84 | 1 |
5. ПЕРЕИЗДАНИЕ. Май 2004 г.
ВНЕСЕНО Изменение N 1, принятое Межгосударственным советом по стандартизации, метрологии и сертификации (протокол N 29 от 24.06.2006). Государство-разработчик Россия. Приказом Федерального агентства по техническому регулированию и метрологии от 29.11.2006 N 280-ст введено в действие на территории РФ с 01.07.2008
Изменение N 1 внесено изготовителем базы данных по тексту ИУС N 2, 2007 год
Настоящий стандарт устанавливает сортамент прессованных прямоугольных профилей неравнополочного таврового сечения из алюминия, алюминиевых и магниевых сплавов, изготовляемых методом горячего прессования.
Требования настоящего стандарта являются обязательными.
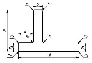
1. Номера профилей и их размеры должны соответствовать приведенным на чертеже и в табл.1.

Таблица 1
| Номер профиля | Размеры, мм | Площадь сечения, | Диаметр описанной окружности, мм | Теоретическая масса 1 м, кг | ||||||||
| | | | | | | | | Алюми- | Магни- | |||
| 421761 | 8,0 | 14,5 | 2,5 | 6,0 | 4,6 | 4,6 | 0,5 | 0,5 | 0,872 | 16 | 0,249 | 0,157 |
| 421275 | 8,0 | 25,0 | 3,0 | 16,0 | 4,0 | 1,6 | - | - | 1,568 | 25 | 0,447 | 0,282 |
| 420901 | 8,0 | 38,2 | 16,1 | 4,2 | 2,9 | 2,9 | 3,0 | 3,0 | 1,361 | 39 | 0,388 | 0,245 |
| 421762 | 9,0 | 40,0 | 15,0 | 2,0 | 2,0 | 2,0 | - | - | 0,940 | 40 | 0,268 | 0,169 |
| 421276 | 10,0 | 14,5 | 4,5 | 2,0 | 2,0 | 2,0 | - | - | 0,450 | 16 | 0,128 | 0,081 |
| 420902 | 10,0 | 27,0 | 6,25 | 1,5 | 1,5 | 1,5 | 2,0 | 2,0 | 0,550 | 27 | 0,157 | 0,099 |
| 420903 | 11,0 | 52,0 | 14,0 | 15,0 | 5,0 | 5,0 | 0,5 | 0,5 | 3,501 | 52 | 0,998 | 0,630 |
| 420904 | 12,0 | 22,0 | 6,25 | 1,5 | 1,5 | 1,5 | 2,0 | 2,0 | 0,505 | 22 | 0,144 | 0,091 |
| 420905 | 12,0 | 48,0 | 18,0 | 1,0 | 2,0 | 2,0 | 7,0 | - | 1,165 | 48 | 0,332 | 0,210 |
| 420906 | 12,0 | 50,0 | 20,0 | 1,0 | 2,0 | 2,0 | 6,0 | - | 1,177 | 50 | 0,336 | 0,212 |
| 420907 | 12,0 | 58,0 | 20,25 | 3,5 | 4,5 | 4,5 | 5,0 | 5,0 | 2,980 | 58 | 0,849 | 0,536 |
| 420908 | 12,0 | 130,0 | 28,0 | 52,0 | 5,0 | 5,0 | 8,0 | 8,0 | 10,415 | 130 | 2,968 | 1,875 |
| 420909 | 12,0 | 202,0 | 60,0 | 75,0 | 5,0 | 5,0 | 8,0 | 8,0 | 15,625 | 202 | 4,453 | 2,812 |
| 420910 | 13,0 | 19,0 | 5,0 | 1,5 | 2,0 | 2,0 | 0,5 | 0,5 | 0,546 | 20 | 0,156 | 0,098 |
| 420911 | 13,0 | 22,0 | 4,0 | 2,0 | 3,0 | 5,0 | 4,0 | - | 0,974 | 23 | 0,278 | 0,175 |
| 420912 | 15,0 | 20,0 | 7,0 | 1,0 | 1,0 | 1,0 | 2,0 | 2,0 | 0,357 | 22 | 0,102 | 0,064 |
| 420913 | 15,0 | 22,0 | 6,25 | 1,5 | 1,5 | 1,5 | 2,0 | 2,0 | 0,550 | 24 | 0,157 | 0,099 |
| 420914 | 15,0 | 45,0 | 19,0 | 2,0 | 2,0 | 2,0 | 3,0 | 3,0 | 1,199 | 45 | 0,342 | 0,216 |
| 420915 | 15,0 | 48,0 | 18,0 | 1,2 | 1,2 | 1,2 | 2,0 | 2,0 | 0,759 | 48 | 0,216 | 0,137 |
| 421277 | 15,0 | 100,0 | 20,0 | 10,0 | 4,0 | 4,0 | 3,0 | 3,0 | 5,139 | 100 | 1,465 | 0,925 |
| 421985 | 15,0 | 102,0 | 20,0 | 10,0 | 6,0 | 6,0 | 3,0 | 3,0 | 7,059 | 102 | 2,012 | 1,271 |
| 421763 | 16,0 | 49,0 | 16,0 | 14,0 | 8,0 | 8,0 | 2,0 | 2,0 | 5,057 | 49 | 1,441 | 0,910 |
| 420916 | 17,0 | 31,0 | 14,55 | 0,9 | 0,9 | 0,9 | 2,0 | 2,0 | 0,441 | 31 | 0,126 | 0,079 |
| 421764 | 17,5 | 73,0 | 31,5 | 7,0 | 5,0 | 5,0 | 3,0 | 3,0 | 4,564 | 73 | 1,301 | 0,821 |
| 420917 | 18,0 | 8,0 | 2,0 | 1,2 | 1,5 | 1,5 | 1,0 | - | 0,320 | 19 | 0,091 | 0,058 |
| 420918 | 18,0 | 10,0 | 2,0 | 1,2 | 1,5 | 1,5 | 1,0 | 1,0 | 0,352 | 20 | 0,100 | 0,063 |
| 421948 | 18,0 | 14,0 | 2,0 | 1,2 | 1,2 | 1,2 | 1,0 | 1,0 | 0,374 | 22 | 0,107 | 0,067 |
| 421278 | 18,0 | 28,0 | 3,0 | 4,2 | 3,0 | 3,0 | - | - | 1,470 | 31 | 0,419 | 0,265 |
| 420919 | 18,0 | 42,0 | 18,0 | 4,0 | 6,0 | 6,0 | 2,0 | 2,0 | 3,017 | 42 | 0,860 | 0,543 |
| 420920 | 18,0 | 45,0 | 17,0 | 8,0 | 8,0 | 8,0 | 0,5 | 0,5 | 4,401 | 45 | 1,254 | 0,792 |
| 420921 | 18,0 | 76,0 | 34,0 | 2,0 | 2,0 | 1,5 | 2,0 | 2,0 | 1,687 | 76 | 0,481 | 0,304 |
| 420922 | 19,0 | 65,0 | 22,0 | 15,0 | 6,0 | 6,0 | 2,5 | 2,5 | 5,877 | 65 | 1,675 | 1,058 |
| 420923 | 20,0 | 30,0 | 3,0 | 3,0 | 3,0 | 3,0 | - | - | 1,410 | 34 | 0,402 | 0,254 |
| 420294 | 20,0 | 36,0 | 16,0 | 1,4 | 1,4 | 1,4 | 3,0 | 3,0 | 0,803 | 36 | 0,229 | 0,145 |
| 470925 | 20,0 | 40,0 | 16,0 | 1,2 | 1,2 | 1,2 | 2,0 | 2,0 | 0,723 | 40 | 0,206 | 0,130 |
| 420926 | 20,0 | 40,0 | 17,0 | 2,0 | 1,6 | 1,6 | 3,0 | 3,0 | 1,047 | 40 | 0,298 | 0,188 |
| 420927 | 20,0 | 43,0 | 19,4 | 1,2 | 1,2 | 1,2 | 2,0 | 2,0 | 0,759 | 43 | 0,216 | 0,137 |
| 420929 | 20,0 | 45,0 | 18,5 | 1,5 | 1,5 | 1,5 | 1,5 | 1,5 | 0,962 | 45 | 0,274 | 0,173 |
| 420930 | 20,0 | 50,0 | 19,0 | 2,0 | 2,0 | 2,0 | 3,0 | 3,0 | 1,399 | 50 | 0,399 | 0,252 |
| 420931 | 20,0 | 52,0 | 18,0 | 2,0 | 2,0 | 2,0 | 3,0 | 3,0 | 1,439 | 52 | 0,410 | 0,259 |
| 420932 | 20,0 | 64,0 | 26,0 | 8,0 | 2,0 | 5,0 | 5,0 | 5,0 | 3,607 | 64 | 1,028 | 0,649 |
| 421279 | 20,0 | 80,0 | 20,0 | 2,5 | 2,5 | 2,5 | 3,0 | 3,0 | 2,476 | 80 | 0,706 | 0,446 |
| 420933 | 20,0 | 120,0 | 47,0 | 8,0 | 3,0 | 3,0 | 3,0 | 3,0 | 4,999 | 120 | 1,425 | 0,900 |
| 420934 | 20,8 | 43,8 | 19,4 | 2,0 | 2,0 | 2,0 | 2,6 | 2,6 | 1,281 | 44 | 0,365 | 0,231 |
| 421949 | 22,0 | 30,6 | 6,8 | 4,0 | 4,0 | 3,6 | - | - | 1,917 | 34 | 0,546 | 0,345 |
| 420935 | 22,0 | 44,0 | 17,0 | 3,0 | 2,0 | 2,0 | 2,0 | 2,0 | 1,497 | 44 | 0,427 | 0,269 |
| 420936 | 22,0 | 45,0 | 10,0 | 3,0 | 3,0 | 3,0 | 2,0 | 2,0 | 1,937 | 45 | 0,552 | 0,349 |
| 421766 | 22,0 | 47,0 | 10,0 | 2,5 | 2,5 | 3,0 | 3,0 | 3,0 | 1,751 | 47 | 0,449 | 0,315 |
| 420937 | 22,0 | 55,0 | 13,0 | 12,0 | 7,0 | 6,5 | 2,0 | 2,0 | 5,602 | 55 | 1,597 | 1,008 |
| 420938 | 22,0 | 61,5 | 26,0 | 3,0 | 3,0 | 6,0 | 3,0 | 3,0 | 3,234 | 62 | 0,922 | 0,582 |
| 421950 | 22,0 | 64,0 | 24,0 | 2,0 | 2,3 | 2,3 | 2,0 | 2,0 | 1,883 | 64 | 0,537 | 0,339 |
| 421767 | 22,0 | 64,0 | 10,0 | 2,5 | 2,5 | 3,0 | 3,0 | 3,0 | 2,176 | 64 | 0,620 | 0,392 |
| 421951 | 22,0 | 83,0 | 13,0 | 12,0 | 6,0 | 6,0 | 2,0 | 2,0 | 6,917 | 83 | 1,971 | 1,245 |
Разместите заказ
сами сделают вам предложение
