ГОСТы сталей. ГОСТ 18591-91
ГОСТ 18591-91
Группа В52
ГОСУДАРСТВЕННЫЙ СТАНДАРТ СОЮЗА ССР
ПРОФИЛИ АЛЮМИНИЕВЫЕ СПЕЦИАЛЬНЫЕ
Сортамент. Технические требования
Aluminium special. Range of sizes
ОКП 18 1140
Дата введения 1993-01-01
ИНФОРМАЦИОННЫЕ ДАННЫЕ
1. РАЗРАБОТАН И ВНЕСЕН Министерством оборонной промышленности СССР
РАЗРАБОТЧИКИ
В.М.Соловьев; В.Ф.Мызин; Н.Ф.Романенко; Л.И.Корнилова; Г.В.Стахова
2. УТВЕРЖДЕН И ВВЕДЕН В ДЕЙСТВИЕ Постановлением Государственного комитета СССР по управлению качеством продукции и стандартам от 03.07.91 N 1195
3. Срок первой проверки - 1995 г.
периодичность проверки - 5 лет
4. ВЗАМЕН ГОСТ В 18591-73
5. ССЫЛОЧНЫЕ НОРМАТИВНО-ТЕХНИЧЕСКИЕ ДОКУМЕНТЫ
Обозначение НТД, на который дана ссылка | Номер пункта |
ГОСТ 4784-74* | 3.1 |
ГОСТ 2789-73 | 3.6 |
______________
* На территории Российской Федерации действует ГОСТ 4784-97, здесь и далее по тексту. - Примечание изготовителя базы данных.
Настоящий стандарт распространяется на профили из алюминия и алюминиевых сплавав марок АД1, Д1, АМ4, изготовляемых прессованием с последующим волочением или холодным выдавливанием.
Все требования стандарта являются обязательными.
1. КЛАССИФИКАЦИЯ
1. КЛАССИФИКАЦИЯ
Профили подразделяют по:
форме изготовления (форма и размеры соответствуют определенному номеру профиля);
состоянию материала:
закаленные и естественно состаренные из алюминиевых сплавов марок Д1 и АМ4 - Т;
нагартованные из алюминия марки АД1 и алюминиевого сплава марки Д1 - Н.
2. СОРТАМЕНТ
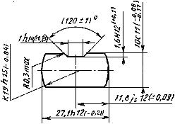
2.1. Номера профилей, основные размеры, параметры должны соответствовать приведенным в табл.1.
2.2. Размеры профилей N 3-9 и их параметры должны соответствовать табл.2.
Таблица 1
Номер профиля | Сечение и основные размеры | Площадь сечения профиля, см | Масса 1 м профиля, кг |
1 |
| 0,103 | 0,028 |
2 |
| 1,890 | 0,529 |
3-9 |
| См. табл.2 | См. табл.2 |
10-12 |
| См. табл.3 | См. табл.3 |
13 |
| 2,826 | 0,791 |
14 |
| 2,842 | 0,795 |
15 |
| 1,086 | 0,286 |
16 |
| 1,731 | 0,485 |
17 |
| 1,874 | 0,525 |
18 |
| 1,985 | 0,554 |
Таблица 2
Размеры, мм
Номер профиля |
| Площадь сечения профиля, см | Масса 1 м профиля, кг | ||
3 | 5,5d 11 ( | 6d 11 ( | 0,5 | 0,330 | 0,092 |
4 | 6c 11 ( | 8,2c 11 ( | 0,3 | 0,490 | 0,137 |
5 | 7c 5 (-0,20) | 7c 5 (-0,20) | 0,4 | 0,490 | 0,137 |
6 | 8h 11 (-0,09) | 8,5js 13 (±0,10) | 0,8 | 0,680 | 0,192 |
7 | 8c 11 ( | 11b 11 ( | 0,5 | 0,880 | 0,246 |
8 | 9d 11 ( | 15b 11 ( | 1,0 | 1,350 | 0,378 |
9 | 11b 11 ( | 12b 11 ( | 1,0 | 1,320 | 0,370 |
2.3. Размеры профилей N 10-12 и их параметры должны соответствовать табл.3.
Таблица 3
Размеры, мм
Номер профиля | лощадь сечения профиля, см | Масса 1 м профиля, кг | ||
10 | 7,5d 11 ( | 20 b 12 ( | 1,461 | 0,409 |
11 | 8,7h 11 (-0,09) | 25 h 12 (-0,21) | 2,126 | 0,593 |
12 | 11b 11 ( | 22 b 12 ( | 2,316 | 0,648 |
2.4. При вычислении массы 1 м профиля площадь поперечного сечения принимают по номинальному значению, а плотность материала принимают равной для:
алюминия марки АД1 - 2700 кг/м;
алюминиевых сплавов марок Д1 и АМ4 - 2800 кг/м.
2.5. Неуказанные радиусы закругления углов профилей должны быть не более 0,5 мм.
2.6. Местная кривизна профилей не должна превышать 5 мм на 1 м длины.
Допускается по согласованию сторон профили изготовлять с местной кривизной не более 2 мм на 1 м длины.
2.7. Скручивание профилей вокруг продольной оси не должно превышать 5° на 1 м длины.
Допускается по согласованию сторон профили изготовлять с углом скручивания не более 2° на 1 м длины.
2.8. Профили, прессованные с последующим волочением, изготовляют немерной длины от 1,5 до 3 м.
Допускаются в партии укороченные профили длиной не менее 0,7 м в количестве 10% массы партии.
2.9. Длина профилей, изготовляемых холодным выдавливанием, устанавливается по согласованию сторон.
2.10. Профили должны быть обрезаны под прямым углом. Косина реза не должна превышать 3° и выводить профили за пределы сдаточной длины.
3. ТЕХНИЧЕСКИЕ ТРЕБОВАНИЯ
3.1. Профили должны изготовляться:
N 1 - из алюминия марки АД1 по ГОСТ 4784;
N 2-17 - из алюминиевого сплава марки Д1 по ГОСТ 4784;
N 18 - из алюминиевого сплава АМ4, химический состав которого должен соответствовать указанному в табл.4.
Таблица 4
Массовая доля элементов, % | ||||||
Медь | Магний | Алюминий | Примеси, не более | Сумма допустимых примесей | ||
Железо | Кремний | Цинк | ||||
4-5 | 0,3-0,5 | Остальное | 0,6 | 0,7 | 0,6 | 1,2 |
3.2. Профили N 1, 3, 5, 7, 13, 14, 16, 17 изготовляют холодным выдавливанием (х/в).
Допускается по согласованию сторон указанные профили изготовлять прессованием с последующим волочением.
Профили N 2, 4, 6-12, 15, 18 изготовляют прессованием с последующим волочением.
3.3. Механические свойства профилей:
временное сопротивление профилей, изготовляемых прессованием с последующим волочением, должно соответствовать указанному в табл.5;
временное сопротивление профилей, изготовляемых холодным выдавливанием, устанавливается по согласованию сторон;
относительное удлинение и предел текучести устанавливаются по согласованию сторон.
Таблица 5
Марка материала | Состояние материала | Временное сопротивление, МПа (кгс/мм*), не менее |
АД1 | Нагартованное | 98 (10) |
Д1 | Закаленное и естественно состаренное | 337 (34) |
АМ4 | 294 (30) |
_______________
* Соответствует оригиналу. - Примечание изготовителя базы данных.
Примечание. Показатели временного сопротивления, определяемые на образцах, вырезанных из профилей, прошедших повторную закалку на предприятии-потребителе, могут быть на 19,6 МПа (2 кгс/мм*) меньше соответствующих показателей.
_______________
* Соответствует оригиналу. - Примечание изготовителя базы данных.
Примеры условного обозначения:
Профиль из сплава марки Д1, закаленного и естественно состаренного, N 13, полученного холодным выдавливанием:
Профиль Д1-Т-13-х/в - 18591-91
То же, из алюминия марки АД1, нагартованного, N 1, полученного холодным выдавливанием:
Профиль АД1-Н-1-х/в - 18591-91
То же, из сплава марки АМ4, закаленного и естественно состаренного, N 18, полученного прессованием с последующим волочением:
Профиль АМ4-Т-18 18591-91
3.4. На поверхности профилей не допускаются загрязнения, трещины, расслоения, неметаллические включения, пятна коррозионного происхождения.
3.5. На наружной поверхности профилей допускаются:
плены, забоины, вмятины, риски, точечные задиры, если глубина их залегания не выводит профиль за предельные отклонения по размерам.
Суммарная длина отрезков профиля с указанными дефектами не должна быть более 15% всей длины профиля:
забоины, раковины, царапины, риски, следы правки, с глубиной залегания, выводящей за предельные отклонения, если длина профиля с указанными дефектами не превышает 10 мм и количество таких отрезков будет не более двух на 1 м длины;
цвета побежалости, темные и светлые пятна и полосы, следы зачистки дефектов абразивным кругом в виде продольных и круговых рисок глубиной не более 0,1 мм.
3.6. Параметр шероховатости профиля должен быть не более 100 по ГОСТ 2789.
По требованию предприятия-потребителя профили поставляют с шероховатостью поверхности 3,2.
3.7. Макроструктура профилей не должна иметь трещин, утяжин и надрывов.
Электронный текст документа
подготовлен ЗАО "Кодекс" и сверен по:
официальное издание
М.: Издательство стандартов, 1991
Разместите заказ
сами сделают вам предложение


