ГОСТы сталей. ГОСТ 13622-91
ГОСТ 13622-91
Группа В52
ГОСУДАРСТВЕННЫЙ СТАНДАРТ СОЮЗА ССР
ПРОФИЛИ ПРЕССОВАННЫЕ ПРЯМОУГОЛЬНЫЕ РАВНОПОЛОЧНОГО
ТАВРОВОГО СЕЧЕНИЯ ИЗ АЛЮМИНИЕВЫХ И МАГНИЕВЫХ СПЛАВОВ
Сортамент
Extruded rectangular equishelf T-section shapes
of aluminium and magnesium alloys. Dimensions
ОКП 18 0043
Дата введения 1992-01-01
ИНФОРМАЦИОННЫЕ ДАННЫЕ
1. РАЗРАБОТАН И ВНЕСЕН Министерством авиационной промышленности
РАЗРАБОТЧИКИ
Г.С.Макаров, В.Ф.Николаев, В.К.Николаев
2. УТВЕРЖДЕН И ВВЕДЕН В ДЕЙСТВИЕ Постановлением Государственного комитета СССР по управлению качеством продукции и стандартам от 18.03.91 N 270
3. Периодичность проверки стандарта - 10 лет
4. ВЗАМЕН ГОСТ 13622-79
5. ССЫЛОЧНЫЕ НОРМАТИВНО-ТЕХНИЧЕСКИЕ ДОКУМЕНТЫ
| Обозначение НТД, на который дана ссылка | Номер пункта |
| ГОСТ 8617-81 | 1 |
Настоящий стандарт устанавливает сортамент прессованных прямоугольных профилей равнополочного таврового сечения из алюминия, алюминиевых и магниевых сплавов, изготовляемых методом горячего прессования.
Требования стандарта являются обязательными.
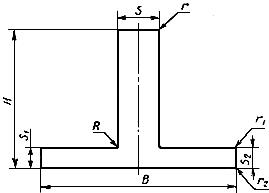
1. Номера профилей и их размеры должны соответствовать приведенным на чертеже и в табл.1.

Таблица 1
| Размеры, мм | Теоретичекая масса 1 м, кг | ||||||||||
| Номер про- | | | | | | | | Площадь | Диаметр | Алюми- | Магни- |
| 420001 | 3,0 | 18,0 | 14,0 | 1,5 | 1,5 | 0,5 | - | 0,481 | 18 | 0,137 | 0,087 |
| 420002 | 3,5 | 20,5 | 7,0 | 1,5 | 1,5 | - | - | 0,447 | 21 | 0,128 | 0,081 |
| 420004 | 4,5 | 32,0 | 12,0 | 1,2 | 1,2 | 2,0 | - | 0,797 | 32 | 0,227 | 0,143 |
| 420005 | 5,0 | 6,0 | 2,0 | 2,0 | 2,0 | - | - | 0,180 | 7 | 0,051 | 0,032 |
| 420010 | 6,0 | 30,0 | 3,0 | 2,0 | 2,0 | 1,0 | 1,0 | 0,720 | 30 | 0,205 | 0,130 |
| 420011 | 6,0 | 35,0 | 1,2 | 1,2 | 1,2 | 1,5 | - | 0,487 | 35 | 0,139 | 0,088 |
| 420718 | 6,5 | 14,0 | 10,0 | 3,0 | 3,0 | - | - | 0,770 | 16 | 0,219 | 0,139 |
| 420012 | 6,5 | 27,0 | 1,6 | 1,3 | 1,3 | 1,6 | - | 0,445 | 27 | 0,127 | 0,080 |
| 420013 | 6,5 | 30,0 | 10,0 | 1,5 | 1,5 | 1,0 | - | 0,954 | 30 | 0,272 | 0,172 |
| 420014 | 7,0 | 16,2 | 12,0 | 2,0 | 2,0 | - | - | 0,924 | 17 | 0,263 | 0,166 |
| 420016 | 7,0 | 50,0 | 20,0 | 2,0 | 2,0 | 3,0 | - | 2,039 | 50 | 0,581 | 0,367 |
| 420017 | 7,5 | 11,0 | 4,5 | 2,2 | 2,2 | 0,5 | - | 0,482 | 12 | 0,137 | 0,087 |
| 420020 | 8,0 | 25,0 | 1,0 | 1,0 | 1,0 | 2,0 | 0,5 | 0,336 | 25 | 0,096 | 0,060 |
| 420021 | 9,0 | 20,0 | 2,0 | 1,5 | 1,5 | 0,8 | - | 0,453 | 20 | 0,129 | 0,081 |
| 420022 | 10,0 | 10,0 | 2,0 | 3,0 | 3,0 | - | - | 0,440 | 13 | 0,125 | 0,079 |
| 420023 | 10,0 | 20,5 | 10,0 | 7,0 | 7,0 | 0,5 | - | 1,736 | 22 | 0,495 | 0,312 |
| 420024 | 10,0 | 25,0 | 3,0 | 2,5 | 2,5 | - | - | 0,850 | 25 | 0,242 | 0,153 |
| 420720 | 10,0 | 40,0 | 1,5 | 1,5 | 1,5 | 2,0 | - | 0,745 | 40 | 0,212 | 0,134 |
| 420717 | 10,0 | 100,0 | 96,0 | 3,0 | 3,0 | - | - | 9,720 | 100 | 2,770 | 1,750 |
| 420028 | 11,0 | 8,0 | 1,0 | 2,0 | 2,0 | 0,5 | - | 0,251 | 12 | 0,072 | 0,045 |
| 420029 | 11,0 | 30,0 | 10,0 | 3,0 | 3,0 | - | - | 1,700 | 30 | 0,485 | 0,306 |
| 420030 | 11,5 | 50,0 | 11,0 | 3,0 | 3,0 | 3,0 | 5,5 | 2,344 | 50 | 0,668 | 0,422 |
| 420031 | 12,0 | 30,0 | 1,0 | 1,2 | 1,2 | 2,0 | - | 0,485 | 30 | 0,138 | 0,087 |
| 420723 | 12,0 | 35,0 | 3,0 | 3,0 | 3,0 | 3,0 | - | 1,359 | 35 | 0,387 | 0,245 |
| 420724 | 12,5 | 32,0 | 8,0 | 3,0 | 3,0 | 2,0 | - | 1,737 | 33 | 0,495 | 0,313 |
| 420033 | 12,5 | 60,0 | 5,0 | 2,5 | 2,5 | 6,0 | - | 2,155 | 60 | 0,614 | 0,388 |
| 420725 | 13,0 | 22,0 | 2,0 | 1,5 | 1,5 | 1,0 | 1,0 | 0,560 | 23 | 0,160 | 0,101 |
| 420034 | 13,0 | 22,0 | 11,0 | 6,5 | 6,5 | - | - | 2,145 | 23 | 0,611 | 0,386 |
| 420035 | 13,0 | 64,0 | 34,0 | 3,0 | 3,0 | 2,0 | 3,0 | 5,298 | 64 | 1,510 | 0,954 |
| 420036 | 14,0 | 28,0 | 3,0 | 4,0 | 4,0 | 0,5 | 0,5 | 1,420 | 29 | 0,405 | 0,256 |
| 420040 | 15,0 | 25,0 | 1,0 | 1,0 | 1,0 | 2,0 | 0,5 | 0,406 | 26 | 0,116 | 0,073 |
| 420042 | 15,0 | 35,0 | 2,5 | 2,0 | 2,0 | 2,5 | 1,2 | 1,046 | 35 | 0,298 | 0,188 |
| 420727 | 15,0 | 40,0 | 1,5 | 1,5 | 1,5 | 2,0 | - | 0,820 | 40 | 0,234 | 0,148 |
| 420043 | 15,0 | 49,0 | 2,0 | 2,0 | 2,0 | 0,5 | 0,5 | 1,240 | 49 | 0,353 | 0,223 |
| 420044 | 15,0 | 58,0 | 1,5 | 1,5 | 1,5 | 4,0 | - | 1,141 | 58 | 0,325 | 0,205 |
| 420045 | 15,0 | 72,0 | 2,0 | 2,0 | 2,0 | 3,0 | - | 1,739 | 72 | 0,496 | 0,313 |
| 420048 | 16,0 | 5,0 | 1,5 | 1,0 | 1,0 | 0,5 | 0,5 | 0,275 | 16 | 0,078 | 0,050 |
| 420049 | 16,0 | 28,6 | 6,4 | 1,6 | 1,6 | 1,6 | - | 1,390 | 28 | 0,396 | 0,250 |
| 420050 | 16,0 | 30,0 | 1,5 | 1,5 | 1,5 | 1,5 | 0,7 | 0,675 | 30 | 0,192 | 0,122 |
| 420051 | 16,0 | 36,0 | 16,0 | 4,0 | 4,0 | - | 2,0 | 3,343 | 37 | 0,953 | 0,602 |
| 420052 | 16,0 | 60,0 | 4,0 | 4,5 | 4,5 | 4,0 | 2,0 | 3,212 | 60 | 0,915 | 0,578 |
| 420053 | 16,0 | 60,0 | 17,0 | 3,0 | 3,0 | 3,0 | - | 4,049 | 60 | 1,154 | 0,729 |
| 420054 | 16,0 | 62,0 | 17,0 | 3,0 | 3,0 | 0,5 | - | 4,071 | 62 | 1,160 | 0,733 |
| 420055 | 17,0 | 32,0 | 1,2 | 1,2 | 1,2 | 2,0 | 0,6 | 0,589 | 32 | 0,168 | 0,106 |
| 420728 | 18,0 | 24,0 | 12,0 | 4,0 | 4,0 | 0,5 | 3,0 | 2,602 | 27 | 0,742 | 0,469 |
| 420729 | 18,0 | 25,0 | 10,0 | 10,0 | 10,0 | 3,0 | 1,0 | 3,335 | 33 | 0,950 | 0,600 |
| 420058 | 18,0 | 40,0 | 1,2 | 1,0 | 1,0 | 3,0 | - | 0,643 | 40 | 0,183 | 0,116 |
| 420059 | 18,0 | 40,0 | 3,0 | 4,5 | 4,5 | 2,5 | 1,5 | 2,222 | 40 | 0,633 | 0,400 |
| 420061 | 18,0 | 50,0 | 1,5 | 2,0 | 2,0 | 2,0 | 0,7 | 1,255 | 50 | 0,358 | 0,226 |
| 420063 | 19,0 | 50,0 | 2,0 | 2,0 | 2,0 | 3,0 | - | 1,379 | 50 | 0,393 | 0,248 |
| 420064 | 20,0 | 10,0 | 2,0 | 2,0 | 2,0 | 1,0 | - | 0,564 | 21 | 0,161 | 0,102 |
| 420065 | 20,0 | 15,0 | 1,5 | 1,5 | 1,5 | 1,5 | 0,7 | 0,510 | 23 | 0,145 | 0,092 |
| 420066 | 20,0 | 24,0 | 1,5 | 1,5 | 1,5 | 1,5 | 0,7 | 0,645 | 27 | 0,184 | 0,116 |
| 420067 | 20,0 | 25,0 | 7,0 | 3,0 | 3,0 | 1,0 | - | 1,944 | 27 | 0,554 | 0,350 |
| 420068 | 20,0 | 30,0 | 1,5 | 1,5 | 1,5 | 2,0 | 0,7 | 0,743 | 31 | 0,212 | 0,134 |
| 420069 | 20,0 | 30,0 | 2,0 | 1,5 | 1,5 | 2,0 | 1,0 | 0,833 | 31 | 0,237 | 0,150 |
| 420070 | 20,0 | 32,0 | 1,2 | 1,2 | 1,2 | 2,0 | 0,6 | 0,625 | 32 | 0,178 | 0,113 |
| 420071 | 20,0 | 35,0 | 1,5 | 1,5 | 1,5 | 2,0 | - | 0,820 | 35 | 0,234 | 0,148 |
Разместите заказ
сами сделают вам предложение
