ГОСТы сталей. ГОСТ 13620-90
ГОСТ 13620-90
Группа В52
ГОСУДАРСТВЕННЫЙ СТАНДАРТ СОЮЗА ССР
ПРОФИЛИ ПРЕССОВАННЫЕ ПРЯМОУГОЛЬНЫЕ РАВНОПОЛОЧНОГО
ЗЕТОВОГО СЕЧЕНИЯ ИЗ АЛЮМИНИЕВЫХ И МАГНИЕВЫХ СПЛАВОВ
Сортамент
Extruded rectangular normal zee-section shapes
of aluminium and magnesium alloys. Dimensions
ОКП 18 1140
Дата введения 1992-01-01
ИНФОРМАЦИОННЫЕ ДАННЫЕ
1. РАЗРАБОТАН И ВНЕСЕН Министерством авиационной промышленности СССР
РАЗРАБОТЧИКИ
Г.С.Макаров, В.Ф.Николаев, В.В.Илларионова
2. УТВЕРЖДЕН И ВВЕДЕН В ДЕЙСТВИЕ Постановлением Государственного комитета СССР по управлению качеством продукции и стандартам от 24.08.90 N 2455
3. Периодичность проверки - 5 лет
4. ВЗАМЕН ГОСТ 13620-81
5. ССЫЛОЧНЫЕ НОРМАТИВНО-ТЕХНИЧЕСКИЕ ДОКУМЕНТЫ
Обозначение НТД, на который дана ссылка | Номер пункта |
ГОСТ 8617-81 | 1 |
6. ПЕРЕИЗДАНИЕ. Октябрь 1995 г.
ВНЕСЕНА поправка, опубликованная в ИУС N 3, 2007 год
Поправка внесена изготовителем базы данных
Настоящий стандарт устанавливает сортамент прессованных прямоугольных профилей равнополочного зетового сечения из алюминия, алюминиевых и магниевых сплавов, изготовляемых методом горячего прессования.
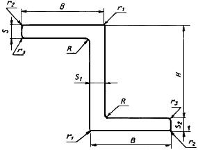
1. Номера профилей и их размеры должны соответствовать приведенным на чертеже и в табл.1.

Таблица 1
Номер профиля | Площадь сечения, | Диаметр описанной окружности, мм | Теоретическая масса 1 м профиля, кг | ||||||||
мм | Алюми- | Магние- | |||||||||
450001 | 6,6 | 12,0 | 3,0 | 7,0 | 3,0 | 1,0 | 1,0 | 0,762 | 18 | 0,217 | 0,137 |
450086 | 9,0 | 14,0 | 4,5 | 4,0 | 4,5 | - | - | 1,260 | 26 | 0,359 | 0,227 |
450002 | 12,7 | 15,9 | 1,6 | 1,6 | 1,6 | 3,0 | - | 0,688 | 33 | 0,196 | 0,124 |
450087 | 13,5 | 24,0 | 2,5 | 2,0 | 2,5 | 0,5 | - | 1,371 | 48 | 0,391 | 0,247 |
450003 | 14,0 | 20,0 | 1,5 | 1,5 | 1,5 | 2,0 | - | 0,782 | 41 | 0,223 | 0,141 |
450005 | 15,0 | 13,0 | 1,2 | 1,2 | 1,2 | 2,0 | - | 0,480 | 29 | 0,137 | 0,086 |
450006 | 20,0 | 15,0 | 1,2 | 1,2 | 1,2 | 2,0 | - | 0,588 | 35 | 0,168 | 0,106 |
450007 | 20,0 | 15,0 | 1,5 | 1,5 | 1,5 | 2,0 | - | 0,722 | 35 | 0,206 | 0,130 |
450008 | 20,0 | 18,0 | 1,5 | 1,5 | 1,5 | 2,0 | - | 0,812 | 40 | 0,231 | 0,146 |
450009 | 20,5 | 18,5 | 2,0 | 2,0 | 2,0 | 1,7 | - | 1,080 | 41 | 0,308 | 0,195 |
450088 | 22,5 | 23,5 | 2,0 | 3,0 | 2,0 | 2,0 | 2,0 | 1,495 | 49 | 0,426 | 0,269 |
450010 | 24,0 | 18,0 | 2,0 | 1,5 | 2,0 | 2,0 | - | 1,037 | 42 | 0,296 | 0,187 |
450011 | 24,5 | 18,0 | 1,5 | 1,5 | 2,0 | 2,0 | - | 0,962 | 42 | 0,274 | 0,173 |
450012 | 25,0 | 18,0 | 1,5 | 1,5 | 1,5 | 2,0 | - | 0,887 | 43 | 0,253 | 0,160 |
450013 | 25,0 | 18,0 | 2,0 | 1,5 | 2,0 | 2,0 | - | 1,052 | 43 | 0,300 | 0,189 |
450014 | 25,0 | 18,0 | 2,5 | 2,0 | 2,5 | 2,5 | - | 1,327 | 42 | 0,378 | 0,239 |
450015 | 25,0 | 18,0 | 2,0 | 1,5 | 3,0 | 2,0 | - | 1,217 | 43 | 0,347 | 0,219 |
450016 | 25,0 | 20,0 | 3,0 | 2,0 | 3,0 | 3,0 | 0,5 | 1,618 | 46 | 0,461 | 0,291 |
450017 | 25,0 | 23,0 | 3,5 | 3,5 | 3,5 | 2,5 | 0,5 | 2,266 | 49 | 0,646 | 0,408 |
450018 | 25,0 | 25,0 | 3,0 | 3,0 | 3,0 | 3,0 | - | 2,109 | 53 | 0,601 | 0,380 |
450019 | 25,0 | 30,0 | 5,0 | 5,0 | 11,0 | 3,0 | 0,5 | 5,288 | 60 | 1,507 | 0,952 |
450089 | 30,0 | 18,0 | 1,5 | 1,5 | 1,5 | 3,0 | - | 0,983 | 46 | 0,280 | 0,177 |
450090 | 30,0 | 20,0 | 2,0 | 1,5 | 2,0 | 2,0 | - | 1,207 | 49 | 0,344 | 0,217 |
450020 | 30,0 | 20,0 | 2,5 | 2,0 | 2,5 | 2,5 | - | 1,527 | 49 | 0,435 | 0,275 |
450021 | 30,0 | 25,0 | 2,5 | 2,0 | 2,5 | 2,5 | - | 1,777 | 57 | 0,506 | 0,320 |
450022 | 30,0 | 25,0 | 2,5 | 2,0 | 9,0 | 3,0 | - | 3,284 | 57 | 0,936 | 0,591 |
450023 | 31,0 | 25,0 | 2,5 | 2,5 | 2,5 | 1,0 | 0,5 | 1,903 | 57 | 0,542 | 0,343 |
450026 | 34,0 | 25,0 | 3,5 | 3,5 | 3,5 | 4,0 | 0,5 | 2,763 | 58 | 0,787 | 0,497 |
450027 | 35,0 | 8,0 | 2,0 | 2,0 | 2,0 | 0,5 | 0,5 | 0,940 | 38 | 0,268 | 0,169 |
450028 | 35,0 | 20,0 | 3,0 | 3,0 | 3,0 | 4,0 | 0,5 | 2,138 | 51 | 0,609 | 0,385 |
450091 | 35,0 | 21,0 | 2,5 | 2,0 | 3,0 | 2,5 | - | 1,771 | 53 | 0,505 | 0,319 |
450030 | 35,0 | 25,0 | 6,0 | 3,0 | 4,0 | 4,0 | 0,5 | 3,318 | 59 | 0,946 | 0,597 |
450093 | 35,0 | 30,0 | 8,0 | 5,0 | 9,0 | 3,0 | - | 6,039 | 65 | 1,721 | 1,087 |
450031 | 36,0 | 26,0 | 2,5 | 3,0 | 2,5 | 1,0 | - | 2,234 | 61 | 0,637 | 0,402 |
450032 | 36,0 | 31,5 | 3,2 | 3,2 | 3,2 | 3,0 | - | 3,002 | 70 | 0,856 | 0,540 |
450033 | 37,0 | 20,0 | 3,0 | 3,0 | 3,0 | 4,0 | 0,5 | 2,198 | 52 | 0,626 | 0,396 |
450034 | 38,0 | 25,0 | 3,0 | 3,0 | 3,0 | 6,0 | - | 2,615 | 60 | 0,745 | 0,471 |
450035 | 40,0 | 20,0 | 3,0 | 2,0 | 3,0 | 3,0 | - | 1,919 | 55 | 0,547 | 0,345 |
450037 | 40,0 | 20,0 | 2,0 | 1,5 | 2,0 | 2,0 | - | 1,357 | 56 | 0,387 | 0,244 |
450095 | 40,0 | 20,0 | 2,0 | 2,0 | 3,0 | 3,0 | - | 1,739 | 55 | 0,496 | 0,313 |
450038 | 40,0 | 25,0 | 2,0 | 1,5 | 2,0 | 2,0 | - | 1,557 | 63 | 0,444 | 0,280 |
450039 | 40,0 | 25,0 | 3,0 | 2,0 | 2,0 | 4,0 | 0,5 | 2,018 | 62 | 0,575 | 0,363 |
450040 | 40,0 | 25,0 | 3,0 | 2,0 | 3,0 | 3,0 | 0,5 | 2,218 | 62 | 0,632 | 0,399 |
450041 | 40,0 | 25,0 | 3,0 | 3,0 | 3,0 | 2,0 | 4,0 | 2,468 | 62 | 0,704 | 0,444 |
450043 | 40,0 | 25,0 | 4,0 | 3,0 | 4,0 | 4,0 | 0,5 | 3,028 | 62 | 0,863 | 0,545 |
450044 | 40,0 | 25,0 | 4,0 | 3,0 | 2,0 | 4,0 | 0,5 | 2,588 | 62 | 0,737 | 0,466 |
450048 | 44,0 | 25,0 | 4,0 | 4,0 | 4,0 | 5,0 | - | 3,547 | 64 | 1,011 | 0,639 |
450049 | 50,0 | 19,0 | 2,5 | 2,5 | 2,5 | 2,5 | - | 2,102 | 61 | 0,599 | 0,378 |
450050 | 50,0 | 20,0 | 2,0 | 2,0 | 2,0 | 3,0 | - | 1,759 | 63 | 0,501 | 0,317 |
450051 | 50,0 | 20,0 | 2,5 | 1,5 | 2,5 | 2,5 | - | 1,702 | 63 | 0,485 | 0,306 |
450052 | 50,0 | 20,0 | 3,0 | 1,8 | 3,0 | 3,0 | - | 2,031 | 63 | 0,579 | 0,366 |
450056 | 50,0 | 25,0 | 5,0 | 3,0 | 5,0 | 5,0 | - | 3,807 | 69 | 1,085 | 0,685 |
450057 | 50,0 | 30,0 | 7,0 | 3,0 | 7,0 | 3,0 | - | 5,319 | 76 | 1,516 | 0,957 |
450058 | 50,0 | 30,0 | 5,0 | 4,0 | 17,0 | 4,0 | - | 7,789 | 75 | 2,220 | 1,402 |
450059 | 50,0 | 26,2 | 4,0 | 2,5 | 4,0 | 4,0 | 0,5 | 3,214 | 71 | 0,916 | 0,578 |
450060 | 50,0 | 35,0 | 5,0 | 4,0 | 5,0 | 5,0 | 0,5 | 5,206 | 83 | 1,484 | 0,937 |
450061 | 50,0 | 35,0 | 6,0 | 5,0 | 6,0 | 6,0 | 0,5 | 6,253 | 82 | 1,782 | 1,126 |
450062 | 54,5 | 50,0 | 2,0 | 2,0 | 2,0 | 2,0 | 0,5 | 3,026 | 112 | 0,862 | 0,545 |
450063 | 57,0 | 30,0 | 2,0 | 2,0 | 3,5 | 3,0 | 0,5 | 2,718 | 81 | 0,775 | 0,489 |
450097 | 58,0 | 30,0 | 5,0 | 3,0 | 5,0 | 4,0 | - | 4,509 | 81 | 1,285 | 0,812 |
450064 | 60,0 | 18,0 | 1,8 | 1,8 | 1,8 | 2,0 | 0,5 | 1,679 | 69 | 0,479 | 0,302 |
450065 | 60,0 | 20,0 | 3,0 | 1,8 | 3,0 | 3,0 | - | 2,206 | 71 | 0,630 | 0,398 |
450098 | 60,0 | 35,0 | 5,0 | 4,0 | 5,0 | 5,0 | - | 5,607 | 89 | 1,598 | 1,009 |
450067 | 60,0 | 40,0 | 6,0 | 4,5 | 6,0 | 3,0 | 1,0 | 6,994 | 96 | 1,993 | 1,259 |
450099 | 62,0 | 35,0 | 7,0 | 4,0 | 7,0 | 4,0 | - | 6,889 | 91 | 1,963 | 1,240 |
450068 | 65,0 | 25,0 | 3,0 | 2,0 | 3,0 | 5,0 | - | 2,787 | 81 | 0,794 | 0,502 |
450069 | 70,0 | 25,0 | 4,0 | 2,0 | 4,0 | 4,0 | - | 3,309 | 85 | 0,943 | 0,596 |
450072 | 75,0 | 25,0 | 2,5 | 1,8 | 2,5 | 2,5 | - | 2,537 | 89 | 0,723 | 0,457 |
450101 | 75,0 | 60,0 | 16,0 | 30,0 | 25,0 | 5,0 | 1,0 | 34,903 | 117 | 9,947 | 6,283 |
450073 | 77,0 | 22,0 | 2,5 | 2,0 | 4,0 | 2,0 | 1,5 | 2,848 | 88 | 0,812 | 0,513 |
450074 | 80,0 | 40,0 | 4,0 | 4,0 | 4,0 | 6,0 | - | 6,235 | 110 | 1,777 | 1,122 |
450102 | 100,0 | 55,0 | 15,0 | 10,0 | 15,0 | 5,0 | - | 23,607 | 141 | 6,728 | 4,249 |
450078 | 100,0 | 60,0 | 5,0 | 5,0 | 5,0 | 5,0 | 10,0 | 10,178 | 153 | 2,901 | 1,832 |
450079 | 100,0 | 60,0 | 6,0 | 5,0 | 6,0 | 3,0 | 6,0 | 11,484 | 152 | 3,273 | 2,067 |
450104 | 110,0 | 20,0 | 3,0 | 3,0 | 3,0 | 3,0 | - | 4,358 | 116 | 1,242 | 0,784 |
450105 | 115,0 | 33,0 | 7,0 | 4,5 | 7,0 | 6,0 | - | 9,315 | 130 | 2,655 | 1,677 |
450083 | 150,0 | 80,0 | 6,0 | 6,0 | 6,0 | 7,0 | 13,0 | 17,365 | 215 | 4,949 | 3,126 |
Примечания:
1. Значения радиусов скругления () и радиусов притупления острых кромок (
), не приведенные в таблице, должны соответствовать требованиям ГОСТ 8617.
2. Радиусы притупления острых кромок (,
) должны соответствовать требованиям ГОСТ 8617.
2. Теоретическая масса 1 м профиля из алюминиевых сплавов вычислена по номинальным размерам при плотности 2,85 г/см, что соответствует плотности алюминиевого сплава марки В95.
Теоретическая масса 1 м профиля из магниевых сплавов вычислена по номинальным размерам при плотности 1,80 г/см, что соответствует плотности магниевого сплава марки МА14.
3. Переводные коэффициенты для вычисления приближенной теоретической массы 1 м профиля из алюминиевых и магниевых сплавов приведены в приложении 1.
4. Соответствие номеров профилей ранее действующим обозначениям приведено в приложении 2.
ПРИЛОЖЕНИЕ 1 (справочное)
ПРИЛОЖЕНИЕ 1
Справочное
1. ПЕРЕВОДНЫЕ КОЭФФИЦИЕНТЫ ДЛЯ ВЫЧИСЛЕНИЯ ПРИБЛИЖЕННОЙ ТЕОРЕТИЧЕСКОЙ МАССЫ
1 м ПРОФИЛЯ ИЗ АЛЮМИНИЯ И АЛЮМИНИЕВЫХ СПЛАВОВ
Алюминий всех марок | -0,950 |
Сплавы марок: | |
АМц | -0,958 |
АМцС | -0,958 |
АМг2 | -0,940 |
АМг3 | -0,937 |
АМг5 | -0,930 |
АМг6 | -0,926 |
1561 | -0,930 |
Д1 | -0,982 |
Д16 | -0,976 |
Д16ч | -0,976 |
Д19ч | -0,968 |
Д20 | -0,996 |
АВ | -0,947 |
К48-2 | -0,972 |
К48-2пч | -0,972 |
АД31 | -0,950 |
АДЗЗ | -0,951 |
Сплавы марок: | |
АД35 | -0,954 |
1915 | -0,972 |
1920 | -0,954 |
1925 | -0,972 |
1935 | -0,977 |
1985ч | -0,948 |
1980 | -0,968 |
ВД1 | -0,982 |
АВД1-1 | -0,982 |
АКМ | -0,970 |
М40 | -0,965 |
АК4 | -0,970 |
АК6 | -0,962 |
АК4-1 | -0,982 |
АК4-1ч | -0,982 |
ВАД1 | -0,968 |
ВД17 | -0,965 |
АД31Е | -0,950 |
2. ПЕРЕВОДНЫЕ КОЭФФИЦИЕНТЫ ДЛЯ ВЫЧИСЛЕНИЯ ПРИБЛИЖЕННОЙ ТЕОРЕТИЧЕСКОЙ МАССЫ
1 м ПРОФИЛЯ ИЗ МАГНИЕВЫХ СПЛАВОВ
Магний всех марок: | -1,000 |
Сплавы марок: МА1 | -0,978 |
МА2 | -0,989 |
МА2-1 | -0,990 |
МА2-1пч | -0,990 |
МА8 | -0,989 |
МА12 | -0,989 |
ПРИЛОЖЕНИЕ 2 (справочное)
ПРИЛОЖЕНИЕ 2
Справочное
Таблица 2
Номер профиля | Обозначение профиля по каталогу 1966 г. | Обозначение профиля по чертежам |
450001 | П 524 | ПК 0119 |
450002 | П 500-2 | ПВ 927, ПВ 1858, ПС 11-1, ПК 201-1, ПВ 80-2 |
450003 | П 500-3 | ПК 12081 |
450005 | П 500-5 | ПС 11-32 |
450006 | П 500-6 | ПР 105-15, ПС 11-12 |
450007 | П 500-8 | ПР 105-16, ПС 11-13 |
450008 | - | С 2302, ПК 17207 |
450009 | - | ПК 16978-1 |
450010 | - | ПК 17078 |
450011 | П 500-9 | С 842, ПК 13560, ПС 11-37 |
450012 | П 500-10 | ПР 105-10 |
450013 | П 500-12 | ПР 105-1 |
450014 | П 500-14 | ПР 105-2, ПР 105-2А |
450015 | П 500-15 | ПК 13205, ПС 11-1 |
450016 | П 500-16 | ПР 105-8А, ПР 105-8 |
450017 | П 500-18 | ПР 106-17, ПС 11-9 |
450018 | - | ПК 3134, С 1296-1 |
450019 | - | С 1061 |
450020 | П 500-20 | ПК 201-17, С 37, ПП 80-12 |
450021 | П 500-22 | ПР 105-9, ПС 11-18, ПР 105-9А |
450022 | - | ПК 2564, С 1152-3 |
450023 | П 500-24 | ПК 201-3А, С 1518, АПР 48, НП 118-1, ПС 11-3 |
450026 | П 500-30 | ПР 105-18, ПС 11-8, ПР 105-18А |
450027 | П 500-32 | АПР 146 |
450028 | П 500-34 | ПВ 370 |
450030 | П 500-37 | С 1152-1, ПК 12059-9 |
450031 | П 500-36 | ПК 201-4, АПР 34, ПС 11-4, НП 119-1 |
450032 | П 500-38 | АПР 41, ПС 11-5, ПК 201-5 |
450033 | П 500-40 | ПВ 536, ПК 9505 |
450034 | П 500-42 | ПК 201-15, ПВ 926, ПП 80-11 |
450035 | - | ПК 16328 |
450037 | П 500-46 | ПР 105-11А, ПР 105-11 |
450038 | П 500-48 | ПВ 739, ПР 105-3 |
450039 | П 500-49 | ПК 0742-3 |
450040 | П 500-50 | ПР 105-4, ПР 105-4А |
450041 | П 500-52 | ПК 201-28 |
450043 | П 500-56 | ПР 105-5, ПР 105-5А |
450044 | П 500-57 | ПК 201-37, П 502-38, С 676-3 |
450048 | П 500-58 | ПК 201-16, НП 69-1, ПС 11-36 |
450049 | П 500-60 | ПР 105-19, ПС 11-10, ПР 105-19А |
450050 | - | ПК 17795 |
450051 | П 500-62 | ПК 201-11, ПС 11-17 |
450052 | П 500-64 | С 143 |
450056 | П 500-67 | С 676-6, ПК 0742-1 |
450057 | П 500-68 | ПСП 11-28 |
450058 | - | С 1152-4 |
450059 | П 500-69 | ПК 13554 |
450060 | П 500-70 | ПР 105-6, ПР 105-6А |
450061 | П 500-72 | ПР 105-7 |
450062 | - | ПК 16470-2 |
450063 | - | ПК 16470-1 |
450064 | П 500-74 | ПВ 1672, С 681 |
450065 | П 500-76 | ПС 11-20 |
450067 | П 500-79 | ПК 11474 |
450068 | П 500-78 | ПК 201-10, С 1245, ПС 11-15 |
450069 | П 500-80 | ПК 201-12, ПС 11-19 |
450072 | П 500-82 | НП 1991, ПС 11-24 |
450073 | - | ПК 17545 |
450074 | П 500-84 | ПВ 378-1, С 2171 |
450078 | П 500-88 | ПК 0154 |
450079 | - | НП 1308-1, ПС 885-726 |
450083 | П 500-90 | С 2233, ПВ 271 |
450086 | - | ПК 4569 |
450087 | - | ПК 18867 |
450088 | - | НП 1959 |
450089 | - | ПК 19011 |
450090 | - | С 1748, ПК 17400 |
450091 | - | ПК 19398 |
450093 | - | ПК 2720 |
450095 | - | ПК 2356 |
450097 | - | ПК 18993 |
450098 | - | ПК 19447 |
450099 | - | ПК 18993-1 |
450101 | - | ПК 2697 |
450102 | - | ПК 19029 |
450104 | - | ПК 18086 |
450105 | - | ПК 4905 |
Электронный текст документа
подготовлен АО "Кодекс" и сверен по:
официальное издание
М.: ИПК Издательство стандартов, 1996
Редакция документа с учетом
изменений и дополнений подготовлена
АО "Кодекс"
Разместите заказ
сами сделают вам предложение
