ГОСТы сталей. ГОСТ 19658-81
ГОСТ 19658-81
Группа В51
МЕЖГОСУДАРСТВЕННЫЙ СТАНДАРТ
КРЕМНИЙ МОНОКРИСТАЛЛИЧЕСКИЙ В СЛИТКАХ
Технические условия
Monocrystalline silicon in ingots. Specifications
ОКП 17 7213
Дата введения 1983-01-01
ИНФОРМАЦИОННЫЕ ДАННЫЕ
1. РАЗРАБОТАН И ВНЕСЕН Министерством цветной металлургии СССР
РАЗРАБОТЧИКИ
В.С.Матвеев, канд. техн. наук; А.Г.Галканов; М.Б.Рейфман, канд. хим. наук; Л.И.Власова; Р.И.Генкина; И.П.Кагановский, канд. техн. наук; Л.В.Куликова; Л.В.Лайнер, канд. техн. наук; В.И.Маркова; А.И.Попов; Н.Н.Соловьев, канд. техн. наук; Б.М.Туровский, д-р техн. наук
2. УТВЕРЖДЕН И ВВЕДЕН В ДЕЙСТВИЕ Постановлением Государственного комитета СССР по стандартам от 27.02.81 N 1090
3. ВЗАМЕН ГОСТ 19658-74
4. ССЫЛОЧНЫЕ НОРМАТИВНО-ТЕХНИЧЕСКИЕ ДОКУМЕНТЫ
Обозначение НТД, на который дана ссылка | Номер пункта, приложения |
ГОСТ 2.004-88 | 1.1 |
ГОСТ 61-75 | Приложения 7, 8а, 9 |
ГОСТ 334-73 | Приложение 8 |
ГОСТ 427-75 | Приложение 1 |
ГОСТ 701-89 | Приложения 4, 8, 8а, 9 |
ГОСТ 1367.0-83 | Приложение 9 |
ГОСТ 1770-74 | Приложение 9 |
ГОСТ 2263-79 | Приложение 6 |
ГОСТ 2548-77 | Приложения 1, 4, 9 |
ГОСТ 2567-89 | Приложения 4, 9 |
ГОСТ 2789-73 | Приложение 3 |
ГОСТ 2874-82 | Приложения 8, 9 |
ГОСТ 3647-80 | Приложения 3, 6, 7, 8, 8а |
ГОСТ 3776-78 | Приложения 4, 9 |
ГОСТ 4160-74 | Приложения 7, 8а |
ГОСТ 4220-75 | Приложение 4 |
ГОСТ 4461-77 | Приложения 4, 7, 9 |
ГОСТ 5017-74 | Приложение 8 |
ГОСТ 5959-80 | 4.5 |
ГОСТ 5962-67 | Приложения 3, 8 |
ГОСТ 9206-80 | Приложения 3, 4, 6, 7, 8, 8а, 9 |
ГОСТ 9285-78 | Приложение 6 |
ГОСТ 9412-93 | Приложения 3, 8 |
ГОСТ 9696-82 | Приложения 5, 7, 8а |
ГОСТ 10197-70 | Приложение 5 |
ГОСТ 10354-82 | 4.1 |
ГОСТ 10484-78 | Приложения 1, 4, 7, 8а, 9 |
ГОСТ 11069-74 | Приложение 8 |
ГОСТ 11078-78 | Приложение 6 |
ГОСТ 11109-90 | Приложение 5, 8 |
ГОСТ 11125-84 | Приложения 4, 8а, 9 |
ГОСТ 12026-76 | Приложения 3, 4, 5, 8, 9 |
ГОСТ 12997-84 | Приложения 7, 8а |
ГОСТ 14192-96 | 4.6 |
ГОСТ 17299-78 | Приложения 7, 8а |
ГОСТ 18270-72 | Приложение 9 |
ГОСТ 18300-87 | Приложения 3, 7, 8, 8а |
ГОСТ 20477-86 | 4.2, 4.3 |
ГОСТ 24392-80 | Приложение 4 |
ГОСТ 25593-83 | Приложения 7, 8а |
ГОСТ 26239.1-84 | 3.8б |
ГОСТ 29298-92 | Приложения 3, 7, 8а, 8, 9 |
ГОСТ 29329-92 | Приложения 4, 9 |
ТУ 6-09-3401-70 | Приложение 9 |
ТУ 6-09-4015-78 | Приложения 1, 9 |
ТУ 25-10(АМЦ | Приложение 3 |
ТУ 25-10(АМЦ | Приложение 3 |
5. Ограничение срока действия снято Постановлением Госстандарта от 12.05.92 N 480
6. ИЗДАНИЕ с Изменениями N 1, 2, утвержденными в июле 1987 года, мае 1992 года (ИУС 11-87, 8-92)
Настоящий стандарт распространяется на слитки монокристаллического кремния, получаемые методом Чохральского и предназначенные для изготовления пластин-подложек, используемых в производстве эпитаксиальных структур и структур металл - диэлектрик - полупроводник.
(Измененная редакция, Изм. N 2).
1. ТЕХНИЧЕСКИЕ ТРЕБОВАНИЯ
1. ТЕХНИЧЕСКИЕ ТРЕБОВАНИЯ
1.1. Слитки монокристаллического кремния изготовляют в соответствии с требованиями настоящего стандарта дырочного типа электропроводности (Д), легированные бором (Б), и электронного типа электропроводности (Э), легированные фосфором (Ф) или сурьмой (С), бездислокационные (с плотностью дислокаций не более 1·10 см
) по технологической документации.
При оформлении документации с применением печатающих и автоматизированных устройств индексы дополнительных требований в наименовании марок необходимо печатать в соответствии с требованиями ГОСТ 2.004.
Слитки монокристаллического кремния должны соответствовать требованиям, указанным в таблице.
Таблица
Удельное электрическое сопротивление (УЭС) | |||||||
Марка | Группа | Подгруппа | Интервал номи- | Относительное отклонение средних значений УЭС торцов от номинального значения УЭС, % | Радиальное относительное отклонение УЭС от среднего значения по торцу | Номинальный диаметр слитка, | Базовая длина слитка, мм, |
ЭКДБ | 1 | а | 62,5 | 100 | |||
б | 0,005-20 | 78,5 | 150 | ||||
в | 35 | 10 | 102,5 | 250 | |||
г | 127,5 | 250 | |||||
д | 0,1-20 | 152,5 | 250 | ||||
2 | а | 62,5 | 100 | ||||
б | 0,005-20 | 78,5 | 100 | ||||
в | 25 | 10 | 102,5 | 200 | |||
г | 127,5 | 200 | |||||
д | 0,1-20 | 152,5 | 250 | ||||
3 | а | 62,5 | 100 | ||||
6 | 0,005-20 | 78,5 | 100 | ||||
в | 20 | 10 | 102,5 | 150 | |||
г | 0,1-20 | 127,5 | 200 | ||||
д | 0,1-15 | 152,5 | 250 | ||||
4 | а | 62,5 | 100 | ||||
б | 0,005-20 | 78,5 | 100 | ||||
в | 15 | 10 | 102,5 | 150 | |||
г | 0,1-20 | 127,5 | 150 | ||||
д | 0,1-15 | 152,5 | 200 | ||||
5 | а | 62,5 | 100 | ||||
б | 20-40 | 35 | 15 | 78,5 | 150 | ||
в | 102,5 | 200 | |||||
г | 127,5 | 250 | |||||
д | 152,5 | 250 | |||||
6 | а | 62,5 | 100 | ||||
б | 78,5 | 100 | |||||
в | 20-40 | 25 | 15 | 102,5 | 200 | ||
г | 127,5 | 200 | |||||
д | 152,5 | 250 | |||||
7 | а | 62,5 | 100 | ||||
б | 20-40 | 20 | 15 | 78,5 | 100 | ||
в | 102,5 | 150 | |||||
г | 127,5 | 150 | |||||
8 | а | 20-40 | 62,5 | 100 | |||
б | 20-40 | 20 | 10 | 78,5 | 100 | ||
в | 20-80 | 102,5 | 150 | ||||
г | 20-40 | 127,5 | 150 | ||||
ЭКЭС | 11 | а | 62,5 | 100 | |||
б | 0,01-1 | 35 | 20 | 78,5 | 150 | ||
в | 102,5 | 200 | |||||
12 | а | 62,5 | 100 | ||||
б | 0,01-1 | 20 | 15 | 78,5 | 100 | ||
ЭКЭФ | 21 | а | 62,5 | 100 | |||
б | 78,5 | 150 | |||||
в | 0,1-20 | 40 | 20 | 102,5 | 200 | ||
г | 127,5 | 200 | |||||
д | 152,5 | 250 | |||||
22 | а | 62,5 | 100 | ||||
б | 78,5 | 100 | |||||
в | 0,1-20 | 30 | 15 | 102,5 | 200 | ||
г | 127,5 | 200 | |||||
д | 152,5 | 250 | |||||
23 | а | 62,5 | 100 | ||||
б | 0,1-20 | 78,5 | 100 | ||||
в | 20 | 15 | 102,5 | 150 | |||
г | 0,1-15 | 127,5 | 150 | ||||
д | 152,5 | 200 | |||||
24 | а | 62,5 | 100 | ||||
б | 0,1-20 | 20 | 10 | 78,5 | 100 | ||
в | 102,5 | 150 | |||||
г | 0,1-15 | 127,5 | 150 | ||||
д | 152,5 | 200 | |||||
25 | а | 62,5 | 100 | ||||
б | 78,5 | 150 | |||||
в | 20-40 | 40 | 20 | 102,5 | 250 | ||
г | 127,5 | 250 | |||||
д | 152,5 | 250 | |||||
26 | а | 62,5 | 100 | ||||
б | 78,5 | 100 | |||||
в | 20-40 | 30 | 15 | 102,5 | 200 | ||
г | 127,5 | 200 | |||||
д | 152,5 | 250 | |||||
Примечания:
1. Слитки с указанной базовой длиной должны составлять не менее 75% общего объема данной марки кремния.
2. Минимальная длина слитков монокристаллического кремния не должна быть менее диаметра слитка.
1.2. Кристаллографическая ориентация плоскости торцевого среза монокристаллического слитка кремния - (111) или (100) индекс "м" и (013) индекс "э" для слитков кремния, легированных бором и фосфором, с удельным электрическим сопротивлением 1-15 Ом·см.
1.3. Угол отклонения плоскости торцевого среза монокристаллических слитков кремния от заданной кристаллографической плоскости () не должен превышать 3°.
1.4. Слитки должны быть монокристаллическими и не должны иметь внешних дефектов (сколов, раковин) размером более 3 мм, а также трещин. На торцевых срезах слитков допускаются фаски с линейными размерами не более 3 мм.
1.5. Концентрация атомов оптически активного кислорода должна быть (2-9)·10 см
в слитках кремния диаметром менее 150 мм и (2-10)·10
см
в слитках кремния диаметром 150 и 152,5 мм при градуировочном коэффициенте, равном 2,45·10
см
, вместо 3,3·10
см
, указанном в приложении
7.
1.1.-1.5. (Измененная редакция, Изм. N 1).
1.5а. Концентрация атомов оптически активного углерода должна быть не более 1·10 см
в слитках кремния диаметром 78,5 мм и более, и не более 3·10
см
в слитках кремния диаметром 62,5 мм.
1.5б. Концентрация атомов каждой из микропримесей железа, золота и меди в слитках монокристаллического кремния должна быть не более 1·10 см
.
1.5а, 1.5б. (Введены дополнительно, Изм. N 1).
1.6. Слитки кремния с удельным электрическим сопротивлением более 3,0 Ом·см должны иметь время жизни неосновных носителей заряда: для электронной электропроводности не менее 7,5 мкс, для дырочной электропроводности не менее 2,5 мкс.
По требованию потребителя изготовляют слитки кремния, легированные бором или фосфором, с временем жизни неравновесных носителей заряда (н. н. з.), не менее:
(2-30 мкс) - для слитков с удельным электрическим сопротивлением 1-15 Ом·см (индекс "е");
(16-60 мкс) - для слитков диаметром не менее 100 мм с удельным электрическим сопротивлением 4-15 Ом·см (индекс "р");
(30-160 мкс) - для слитков диаметром не менее 100 мм с удельным электрическим сопротивлением 15-80 Ом·см (индекс "е").
(Измененная редакция, Изм. N 1).
1.7. Допускаемое предельное отклонение диаметра слитков кремния от номинального не должно превышать плюс 3 - минус 2 мм.
1.8. Допускается обработка боковой поверхности слитков монокристаллического кремния при их доведении до заданного диаметра. Допускаются слитки кремния с протравленными торцами.
(Измененная редакция, Изм. N 2).
1.9. По требованию потребителя слитки кремния могут быть изготовлены с номинальными диаметрами 60, 76, 100, 125, 150 мм с допускаемыми отклонениями ±0,5 мм (индекс "").
По согласованию изготовителя с потребителем слитки кремния могут быть изготовлены с номинальными диаметрами 60, 76, 100, 125, 150 мм с допускаемыми отклонениями ±0,1 мм (индекс "").
1.10. По требованию потребителя слитки кремния, легированного фосфором или бором, с удельным электрическим сопротивлением 0,3 Ом·см и более должны быть изготовлены без свирлевых дефектов (индекс "") - для слитков с ориентацией (100) и (013) и (индекс "
") - для слитков с ориентацией (111).
Плотность микродефектов, выявляемых травлением, не должна быть более 2·10 см
для слитков с ориентацией (100) и (013) индекс "
" и не более 3·10
см
- для слитков с ориентацией (111) (индекс "
"
).
1.11. Кристаллографическая ориентация плоскости торцевого среза, угол отклонения плоскости торцевого среза от заданной кристаллографической плоскости, отсутствие внешних дефектов, концентрация оптически активных атомов кислорода и углерода, концентрация атомов микропримесей железа, золота и меди, плотность дислокаций, время жизни неравновесных носителей заряда (для слитков без индексов "е" и "р") и отсутствие свирлевых дефектов для слитков с индексами " и
" обеспечивается технологией изготовления.
Условное обозначение слитков монокристаллического кремния должно содержать: марку кремния, номинальное значение удельного электрического сопротивления, группу, подгруппу по диаметру слитка, кристаллографическую ориентацию плоскости торцевого среза монокристаллического слитка, индексы и обозначение настоящего стандарта. Отсутствие индекса "м" или "э" означает кристаллографическую ориентацию плоскости торцевого среза слитка (111).
Примеры условного обозначения:
Кремний марки ЭКДБ с номинальным значением удельного электрического сопротивления 2 Ом·см, группы 1, подгруппы а, калиброванные с допуском 0,5 мм, с кристаллографической ориентацией плоскости торцевого среза монокристаллического слитка (111)
ЭКДБ-2-1акГОСТ 19658-81
Кремний марки ЭКЭФ с номинальным значением удельного электрического сопротивления 10 Ом·см, группы 6, подгруппы б, калиброванный с допуском 0,1 мм с кристаллографической ориентацией плоскости торцевого среза монокристаллического слитка (100), без свирлевых дефектов
ЭКЭФ-20-6бкмс
ГОСТ 19658-81.
1.8.-1.11. (Измененная редакция, Изм. N 1).
1.12. Коды ОКП приведены в приложении 1а.
(Введен дополнительно, Изм. N 1).
2. ПРАВИЛА ПРИЕМКИ
2.1. Каждый слиток кремния подвергают контролю, определяя тип электропроводности, удельное электрическое сопротивление, диаметр, длину и массу.
Контроль обеспечиваемых технологией изготовления параметров должен проводиться периодически, не реже одного раза в шесть месяцев на одном слитке кремния.
2.2. Каждый слиток монокристаллического кремния сопровождают документом о качестве, в котором указывают:
товарный знак или наименование и товарный знак предприятия-изготовителя;
наименование продукции и ее марку;
номер слитка;
тип электропроводности;
среднее значение удельного электрического сопротивления на каждом торце;
величину относительного отклонения средних значений удельного электрического сопротивления торцов слитка от номинального значения;
величину радиального относительного отклонения удельного электрического сопротивления от среднего значения по торцу слитка;
время жизни неравновесных носителей заряда (для слитков с индексами "е" и "р");
длину и диаметр слитка, мм;
массу нетто, г;
дату изготовления;
штамп технического контроля;
обозначение настоящего стандарта.
Разд.2. (Измененная редакция, Изм. N 1).
3. МЕТОДЫ КОНТРОЛЯ
3.1. Проверку слитков кремния на монокристалличность и отсутствие внешних дефектов на поверхности проводят по методике, приведенной в приложении 1.
3.2. Тип электропроводности определяют по методике, приведенной в приложении 2. Тип электропроводности слитков диаметром 152,5 мм определяют аналогично на прилегающих к каждому из торцов слитка отожженных шайбах (толщиной 4-30 мм).
3.3. Удельное электрическое сопротивление измеряют на обоих торцах слитков монокристаллического кремния либо на прилегающих к каждому из торцов в отожженных шайбах в шести фиксированных точках в двух взаимно перпендикулярных направлениях по диаметру слитка по методике, приведенной в приложении 3.
3.4. Плотность дислокаций определяют на нижнем торце слитка или на прилегающей к нему шайбе по методике, приведенной в приложении 4; для слитков диаметром 150 мм и более используется только неотожженная шайба.
3.2.-3.4. (Измененная редакция, Изм. N 1).
3.5. Диаметр слитков измеряют в произвольно выбранных по окружности точках в любом месте по длине слитка с погрешностью не более 0,1 мм, а длину - с погрешностью не более 1 мм. Измерения проводят стандартным мерительным инструментом, обеспечивающим заданную точность измерения.
3.6. Массу слитка определяют взвешиванием:
до 2 кг - на весах, имеющих погрешность не более ±2 г;
до 10 кг - на весах, имеющих погрешность не более ±5 г;
до 30 кг - на весах, имеющих погрешность не более ±50 г.
Допускается определение массы слитка расчетным путем, исходя из его объема и плотности кремния, равной 2,33 г·см. При возникновении разногласий в определении массы слитка ее определяют взвешиванием.
3.7. Угол отклонения плоскости торцевого среза монокристаллического слитка кремния измеряют по методикам, приведенным в приложениях 5 и 6.
Идентификацию кристаллографической ориентации плоскости торцевого среза монокристаллического слитка кремния с заданной кристаллографической плоскостью проводят по методике, приведенной в приложении 5.
3.8. Концентрацию атомов оптически активного кислорода в слитках монокристаллического кремния определяют по методике, приведенной в приложении 7. При расчете концентрации атомов оптически активного кислорода допускается использовать градуировочный коэффициент, равный 2,45·10 см
.
3.6.-3.8. (Измененная редакция, Изм. N 1).
3.8а. Концентрацию атомов оптически активного углерода в слитках монокристаллического кремния определяют на нижнем торце слитка по методике, приведенной в приложении 8а.
3.8б. Концентрацию атомов микропримесей железа, золота и меди определяют на нижнем торце слитка по ГОСТ 26239.1.
3.8а, 3.8б. (Введены дополнительно, Изм. N 1).
3.9. Время жизни неравновесных носителей заряда в слитках кремния измеряют на обоих торцах слитка в трех точках, одна из которых расположена в центре, а две другие - по диаметру на расстоянии 0,7 радиуса от центра, по методике, приведенной в приложении 8.
3.10. Отсутствие свирлевых дефектов определяют по плотности микродефектов непосредственно на верхнем и нижнем торцах слитка или на прилегающих к каждому из торцов контрольных шайбах по методике, приведенной в приложении 9; для слитков диаметром 150 мм и более используются только неотожженные шайбы.
3.9, 3.10. (Измененная редакция, Изм. N 1).
3.11. Допускается контролировать электрофизические параметры слитков монокристаллического кремния диаметром 100; 102,5; 125; 127,5; 150 и 152,5 мм на шайбах, прилегающих к верхнему и нижнему торцам слитков. Для измерения удельного электрического сопротивления и типа проводимости шайбу предварительно подвергают термообработке.
3.12. Отжиг шайб проводится при =600-700 °С в течение 20-60 мин с последующим охлаждением на воздухе.
3.13. По требованию потребителя шайбы, на которых проводились измерения, поставляются вместе со слитком. Масса шайб входит в массу товарной продукции.
3.11.-3.13. (Введены дополнительно, Изм. N 1).
4. УПАКОВКА, МАРКИРОВКА, ТРАНСПОРТИРОВАНИЕ И ХРАНЕНИЕ
4.1. Каждый слиток кремния помещают в пакет из полиэтиленовой пленки по ГОСТ 10354.
Допускается в пакет со слитком вкладывать документ о качестве.
4.2. Полиэтиленовый пакет заваривают или заклеивают лентой с липким слоем по ГОСТ 20477 или лентой аналогичного типа и упаковывают в картонную или пластмассовую коробку с мягкой прокладкой.
Допускается вкладывать документ о качестве в коробку со слитком.
Коробку с крышкой перевязывают внахлестку полиэтиленовой лентой с липким слоем по ГОСТ 20477 или лентой аналогичного типа.
(Измененная редакция, Изм. N 1).
4.3. Допускается другой вид упаковки: слиток кремния в заваренном полиэтиленовом пакете заворачивают в эластичный пенополиуретан или в другую мягкую упаковку и перевязывают внахлестку полиэтиленовой лентой с липким слоем по ГОСТ 20477 или другой лентой аналогичного типа. Упакованный таким образом слиток помещают в полиэтиленовый пакет, в который вкладывают с одной стороны этикетку, с другой - документ о качестве, после чего пакет заваривают.
(Измененная редакция, Изм. N 1, 2).
4.4. На коробку наклеивают этикетку с указанием:
наименования или товарного знака предприятия-изготовителя;
наименования продукции;
марки;
номера документа о качестве;
номера слитка;
длины и диаметра слитка, мм;
массы нетто, г;
даты изготовления;
фамилии и номера упаковщика;
обозначения настоящего стандарта.
(Измененная редакция, Изм. N 2).
4.5. Слитки кремния, упакованные в соответствии с требованиями пп.4.1-4.3, укладывают в дощатые или фанерные ящики по ГОСТ 5959.
В каждый ящик должен быть вложен упаковочный лист с указанием:
наименования и товарного знака предприятия-изготовителя;
массы нетто в килограммах;
наименования продукции;
количества слитков в ящике;
даты упаковки;
фамилии и номера упаковщика.
Допускается указание в упаковочном листе дополнительных данных.
Допускается упаковка слитков в многооборотную тару, изготовляемую по нормативно-технической документации.
(Измененная редакция, Изм. N 1, 2).
4.6. Маркировка ящиков - по ГОСТ 14192 с нанесением предупредительных знаков:
"Хрупкое. Осторожно";
"Беречь от влаги";
"Верх".
4.7. Транспортирование слитков кремния проводят всеми видами транспорта в крытых транспортных средствах в соответствии с правилами перевозок грузов, действующими на данном виде транспорта.
Допускается транспортировать слитки кремния почтовыми посылками. При транспортировании почтовыми посылками предупредительные знаки не наносят.
(Измененная редакция, Изм. N 1).
4.8. Слитки кремния должны храниться в упаковке изготовителя в закрытых складских помещениях.
5. ГАРАНТИИ ИЗГОТОВИТЕЛЯ
5.1. Изготовитель гарантирует соответствие слитков кремния требованиям настоящего стандарта при соблюдении условий их хранения в упаковке изготовителя.
5.2. Гарантийный срок продукции - 1 год со дня изготовления.
(Измененная редакция, Изм. N 1).
ПРИЛОЖЕНИЕ 1a (обязательное)
ПРИЛОЖЕНИЕ 1a
Обязательное
Марка | Код ОКП |
ЭКДБ 1а | 17 7213 0111 06 |
ЭКДБ 1б | 17 7213 0112 05 |
ЭКДБ 1в | 17 7213 0113 04 |
ЭКДБ 1г | 17 7213 0114 03 |
ЭКДБ 1д | 17 7213 0115 02 |
ЭКДБ 2а | 17 7213 0121 04 |
ЭКДБ 2б | 17 7213 0122 03 |
ЭКДБ 2в | 17 7213 0123 02 |
ЭКДБ 2г | 17 7213 0124 01 |
ЭКДБ 2д | 17 7213 0125 00 |
ЭКДБ 3а | 17 7213 0131 02 |
ЭКДБ 3б | 17 7213 0132 01 |
ЭКДБ 3в | 17 7213 0133 00 |
ЭКДБ 3г | 17 7213 0134 10 |
ЭКДБ 3д | 17 7213 0135 09 |
ЭКДБ 4а | 17 7213 0141 00 |
ЭКДБ 4б | 17 7213 0142 10 |
ЭКДБ 4в | 17 7213 0143 09 |
ЭКДБ 4г | 17 7213 0144 08 |
ЭКДБ 4д | 17 7213 0145 07 |
ЭКДБ 5а | 17 7213 0151 09 |
ЭКДБ 5б | 17 7213 0152 08 |
ЭКДБ 5в | 17 7213 0153 07 |
ЭКДБ 5г | 17 7213 0154 06 |
ЭКДБ 5д | 17 7213 0155 05 |
ЭКДБ 6а | 17 7213 0161 07 |
ЭКДБ 6б | 17 7213 0162 06 |
ЭКДБ 6в | 17 7213 0163 05 |
ЭКДБ 6г | 17 7213 0164 04 |
ЭКДБ 6д | 17 7213 0165 03 |
ЭКДБ 7а | 17 7213 0171 05 |
ЭКДБ 7б | 17 7213 0172 04 |
ЭКДБ 7в | 17 7213 0173 03 |
ЭКДБ 7г | 17 7213 0174 02 |
ЭКДБ 8а | 17 7213 0181 03 |
ЭКДБ 8б | 17 7213 0182 02 |
ЭКДБ 8в | 17 7213 0183 01 |
ЭКДБ 8г | 17 7213 0184 00 |
ЭКЭС 11а | 17 7213 0211 03 |
ЭКЭС 11б | 17 7213 0212 02 |
ЭКЭС 11в | 17 7213 0213 01 |
ЭКЭС 12а | 17 7213 0221 01 |
ЭКЭС 12б | 17 7213 0222 00 |
ЭКЭФ 21а | 17 7213 0311 00 |
ЭКЭФ 21б | 17 7213 0312 10 |
ЭКЭФ 21в | 17 7213 0313 09 |
ЭКЭФ 21г | 17 7213 0314 08 |
ЭКЭФ 21д | 17 7213 0315 07 |
ЭКЭФ 22а | 17 7213 0321 09 |
ЭКЭФ 22б | 17 7213 0322 08 |
ЭКЭФ 22в | 17 7213 0323 07 |
ЭКЭФ 22г | 17 7213 0324 06 |
ЭКЭФ 22д | 17 7213 0325 05 |
ЭКЭФ 23а | 17 7213 0331 07 |
ЭКЭФ 23б | 17 7213 0332 06 |
ЭКЭФ 23в | 17 7213 0333 05 |
ЭКЭФ 23г | 17 7213 0334 04 |
ЭКЭФ 23д | 17 7213 0335 03 |
ЭКЭФ 24а | 17 7213 0341 05 |
ЭКЭФ 24б | 17 7213 0342 04 |
ЭКЭФ 24в | 17 7213 0343 03 |
ЭКЭФ 24г | 17 7213 0344 02 |
ЭКЭФ 24д | 17 7213 0345 01 |
ЭКЭФ 25а | 17 7213 0351 03 |
ЭКЭФ 25б | 17 7213 0352 02 |
ЭКЭФ 25в | 17 7213 0353 01 |
ЭКЭФ 25г | 17 7213 0354 00 |
ЭКЭФ 25д | 17 7213 0355 10 |
ЭКЭФ 26а | 17 7213 0361 01 |
ЭКЭФ 26б | 17 7213 0362 00 |
ЭКЭФ 26в | 17 7213 0363 10 |
ЭКЭФ 26г | 17 7213 0364 09 |
ЭКЭФ 26д | 17 7213 0365 08 |
ПРИЛОЖЕНИЕ 1a. (Введено дополнительно, Изм. N 1).
ПРИЛОЖЕНИЕ 1 (обязательное). ОПРЕДЕЛЕНИЕ МОНОКРИСТАЛЛИЧНОСТИ И ОТСУТСТВИЯ ВНЕШНИХ ДЕФЕКТОВ НА ПОВЕРХНОСТИ СЛИТКОВ КРЕМНИЯ
ПРИЛОЖЕНИЕ 1
Обязательное
Методика предназначена для качественного контроля визуальным осмотром всей поверхности слитков кремния электронного и дырочного типов электропроводности с различным удельным электрическим сопротивлением с кристаллографической ориентацией (111), (100) и (013).
Методика позволяет контролировать наличие макроскопических дефектов структуры, нарушающих монокристалличность слитка (границ зерен и двойникования, двойниковых ламелей), а также внешних дефектов (макроскопических раковин, сколов и трещин).
Методика основана на визуальном осмотре всей поверхности слитка, в результате которого выявляют наличие макроскопических дефектов структуры и внешних дефектов.
Контроль перечисленных дефектов осуществляют при стандартном несфокусированном освещении.
Всю естественную или механически обработанную поверхность слитков обследуют визуально непосредственно после их выращивания или после химического травления. Травление проводят в смеси фтористо-водородной кислоты (HF) и водного раствора хромового ангидрида (CrO250-500 г/дм
), взятых в отношении 1:(2-4) объемных частей.
Для контроля наличия раковин, сколов и трещин специального травления не проводят.
1. Аппаратура и материалы
Стол с лампой накаливания мощностью не менее 40 Вт.
Линейка металлическая по ГОСТ 427.
Кислота фтористоводородная ос.ч. по ТУ 6-09-4015, х.ч.; ч; ч.д.а. по ГОСТ 10484.
Ангидрид хромовый ч.д.а. по научно-технической документации, технический по ГОСТ 2548.
2. Проведение контроля
2.1. Контроль на наличие макроскопических раковин, сколов, трещин, границ зерен, границ двойникования и двойниковых ламелей проводят визуально.
2.2. Наличие границ зерен на боковой поверхности, а также на торцах после механической обработки слитков выявляют по изменению света, отражаемого контролируемой поверхностью при смещении ее положения относительно источника света.
После химического травления границы зерен выявляются в виде четко различимых произвольно ориентированных полос травления (черт.1).
Черт.1. Границы зерен в слитках кремния после химического травления
Границы зерен в слитках кремния после химического травления | |
|
|
а | б |
Черт.1 | |
2.3. Наличие границ двойникования на боковой поверхности слитка и на его торцах (черт.2) определяют по изменению отражения света областями, разделенными границами двойникования; на поверхностях после химического травления - по наличию четко различимой полосы травления, которая обычно выходит на боковую поверхность, либо заканчивается на другом дефекте.
Черт.2. Границы двойникования в монокристаллических слитках кремния
Границы двойникования в монокристаллических слитках кремния | ||
|
|
|
а | б | в |
Черт.2 | ||
2.4. Наличие двойниковых ламелей в слитке определяют после его химического травления по наличию четко различимой полосы травления, аналогичной границе двойникования (черт.3).
Черт.3. Двойниковые ламели на торце монокристаллического слитка, обнаруживаемые после химического травления
Двойниковые ламели на торце монокристаллического слитка, обнаруживаемые
после химического травления

Черт.3
2.5. Слиток кремния является монокристаллическим при отсутствии в нем границ зерен, границ двойникования и двойниковых ламелей.
3. Требования к квалификации оператора
Квалификация оператора в объеме, необходимом для определения монокристалличности слитков кремния, должна соответствовать требованиям измерителя электрических параметров полупроводниковых материалов третьего или более высокого разряда в соответствии с действующим тарифно-квалификационным справочником.
4. Требования техники безопасности
При химическом травлении главные меры предосторожности относятся к хранению реактивов, разведению растворов кислот, щелочей и солей и их использованию в холодном и подогретом виде, а также при электролитическом травлении.
Работы с химическими реактивами следует проводить в соответствии с "Основными правилами безопасной работы в химической лаборатории"*.
________________
* На территории Российской Федерации документ не действует. Действует ПНД Ф 12.13.1-03, здесь и далее по тексту. - Примечание изготовителя базы данных.
ПРИЛОЖЕНИЕ 1. (Измененная редакция, Изм. N 1).
ПРИЛОЖЕНИЕ 2 (обязательное). ОПРЕДЕЛЕНИЕ ТИПА ЭЛЕКТРОПРОВОДНОСТИ
ПРИЛОЖЕНИЕ 2
Обязательное
Методика предназначена для определения типа электропроводности легированных монокристаллических слитков кремния.
Определение типа электропроводимости монокристаллических слитков кремния может проводиться:
методом термозонда (термоэлектродвижущей силы);
методом точечно-контактного выпрямления.
Метод термозонда рекомендуется для слитков кремния с удельным электрическим сопротивлением менее 100 Ом·см; точечного контактного выпрямления - для слитков кремния с удельным электрическим сопротивлением более 10 Ом·см.
1. Определение типа электропроводности методом термозонда
1.1. Сущность метода
Метод заключается в определении полярности термоЭДС, возникающей между нагретой и более холодной областями полупроводника, с помощью чувствительного нуль-индикатора.
Градиент температуры создается локальным нагревом образца в результате прижима нагретого зонда.
Принципиальная схема для определения типа электропроводности методом горячего зонда показана на черт.1.
Черт.1. Принципиальная схема для определения типа электропроводности методом горячего зонда

1 - зонд; 2 - образец; 3 - металлическая пластина; 4 - нуль-индикатор
Черт.1
1.2. Требования к применяемым средствам измерения
1.2.1. Зонд изготовляют из любого токопроводящего материала. Рекомендуется использование материалов, не подверженных коррозии при нагревании (например, никеля). Вторым контактом служит металлическая пластина из меди или свинца.
1.2.2. Нагрев зонда до температуры не ниже 60 °С может осуществляться любым нагревательным устройством. Индикация температуры осуществляется визуально по расплавлению гранулы сплава Вуда, приведенной в тепловой контакт с зондом.
При определении типа электропроводности измерительный зонд должен быть очищен от следов сплава Вуда.
1.2.3. В качестве индикатора используют гальванометры с чувствительностью не ниже 4·10 А/дел (например, типа М-195/2 или М-195/3). Допускается применять установки типов ТП-101, ТП-201 или другие индикаторы с параметрами, по точности не уступающими указанным.
(Измененная редакция, Изм. N 1).
1.3. Подготовка слитков
Поверхность слитков не должна иметь видимых невооруженным глазом следов окисления или цветов побежалости. Допускается изменение на поверхности, полученной после резки алмазным инструментом или обработки абразивными материалами.
1.4. Определение типа электропроводности
1.4.1. Определение типа электропроводности проводят при температуре (23±2) °С.
1.4.2. Прижимая нагретый зонд к поверхности образца, включенного в измерительную схему (черт.1), добиваются отклонения стрелки нуль-индикатора.
1.4.3. По отклонению стрелки нуль-индикатора определяют тип электропроводности. Отклонение стрелки нуль-индикатора должно превышать полную шкалу прибора на 30%. Для выполнения указанного требования допускается увеличение разности температур между зондом и слитком.
2. Определение типа электропроводности методом точечно-контактного выпрямления
2.1. Сущность метода
Выпрямляющие свойства контакта металл-полупроводник определяются типом носителей заряда в полупроводнике. Метод основан на качественном сравнении сопротивлений точечного контакта металл-полупроводник при различных полярностях приложенного напряжения. Тип электропроводности определяют по отклонению стрелки чувствительного к току нуль-индикатора или по виду вольтамперной характеристики, получаемой на экране осциллографа.
Принципиальная схема для определения типа электропроводности методом точечно-контактного выпрямления с применением нуль-индикатора и осциллографа б приведена на черт.2.
Черт.2. Принципиальная схема для определения типа электропроводности методом точечно-контактного выпрямления

1 - точечный контакт (зонд); 2 - слиток; 3 - омический контакт; 4 - автотрансформатор; 5 - нуль-индикатор;
6 - отвод к горизонтальным пластинам осциллографа; 7 - отвод к вертикальным пластинам осциллографа;
8 - регулировочное сопротивление
Черт.2
В зависимости от удельного сопротивления образца и чувствительности осциллографа величина сопротивления может быть различной, но должна обеспечивать полную развертку осциллографа по вертикальной оси.
2.2. Требования к применяемым средствам измерения
2.2.1. Зонд изготовляют из вольфрамовой или стальной проволоки. Вторым контактом служит металлическая пластина из меди или свинца. Омический контакт получают нанесением на поверхность образца контактного сплава (например, при помощи алюмогаллиевого карандаша или индий-галлиевой пасты).
2.2.2. В качестве индикатора используют гальванометры с чувствительностью не ниже 4·10 А/дел (например, типа М-195/2 или М-195/3); для наблюдения вольтамперных характеристик используют осциллографы типа С1-5, С1-19, С1-48 или аналогичные им. Допускается применять установки типов ТП-101, ТП-201.
(Измененная редакция, Изм. N 1).
2.3. Подготовка слитков
Поверхность слитков не должна иметь видимых невооруженным глазом следов окисления или цветов побежалости. Измерение допускается на поверхности, полученной в результате резки алмазным инструментом или обработки абразивными материалами. На слитки с удельным электрическим сопротивлением более 200 Ом·см наносят омический контакт.
2.4. Определение типа электропроводности
2.4.1. Определение типа электропроводности проводят при температуре (23±2) °С.
2.4.2. При измерениях слиток включают в измерительную схему (черт.2).
2.4.3. Прижимом зонда к поверхности слитка добиваются отклонения стрелки нуль-индикатора или появления на экране осциллографа вольтамперной характеристики вида, показанного на черт.3, свидетельствующей о наличии в цепи выпрямляющего контакта.
Черт.3

Черт.3
Тип электропроводности устанавливают в соответствии с черт.2, 3.
Отклонение стрелки нуль-индикатора должно быть более 30% полной шкалы прибора.
Метод не вводит количественных характеристик.
Характерный изгиб кривых (черт.3) не должен рассматриваться с количественной точки зрения.
2.4.4. При использовании метода точечно-контактного выпрямления с применением осциллографа нельзя определять тип электропроводности по изображению характеристики выпрямления, если характеристика не имеет изгиба либо изогнута дважды.
Подобные эффекты могут возникать из-за наличия -
-переходов в материале.
3. Требования к квалификации оператора
Квалификация оператора должна соответствовать требованиям измерителя электрических параметров полупроводниковых материалов второго или более высокого разряда в соответствии с действующим тарифно-квалификационным сборником.
4. Требования техники безопасности
4.1. Устройство и техническая эксплуатация применяемого электроизмерительного оборудования должны соответствовать требованиям "Правил технической эксплуатации электроустановок потребителей и правил техники безопасности при эксплуатации электроустановок потребителей", утвержденных Госэлектронадзором.
По условиям электробезопасности электроустановки, применяемые для измерения типа электропроводности, относятся к электроустановкам напряжением до 1000 В.
5. Термины
Тип электропроводности является качественной характеристикой полупроводниковых материалов. В зависимости от характера преобладающей примеси (донорная или акцепторная) полупроводник может обладать электронной (-тип) или дырочной (
-тип) электропроводностью. Тип электропроводности определяет природу основных носителей заряда в полупроводнике.
ПРИЛОЖЕНИЕ 3 (обязательное). ИЗМЕРЕНИЕ УДЕЛЬНОГО ЭЛЕКТРИЧЕСКОГО СОПРОТИВЛЕНИЯ ЧЕТЫРЕХЗОНДОВЫМ МЕТОДОМ
ПРИЛОЖЕНИЕ 3
Обязательное
Методика предназначена для измерения удельного электрического сопротивления на торцевой поверхности монокристаллических слитков кремния от 1·10 до 1·10
Ом·cм.
1. Сущность метода
Метод основан на расчете удельного электрического сопротивления по измерению разности потенциалов в двух точках, расположенных на плоской поверхности слитка, при пропускании через два точечных контакта, расположенных на той же поверхности, электрического тока определенной величины.
2. Аппаратура, средства измерения и материалы
Блок-схема установки для измерения удельного электрического сопротивления приведена на черт.1. Сопротивление изоляции монтажа и всех установочных приспособлений не должно быть ниже требуемого входного сопротивления измерительного устройства.
Черт.1. Блок-схема установки для измерения удельного электрического сопротивления
Блок-схема установки для измерения удельного электрического сопротивления

1 - четырехзондовая измерительная головка; 2 - источник постоянного тока изменяемой полярности;
3 - устройство для измерения напряжения; 4 - слиток
Черт.1
Установка должна быть аттестована по стандартным образцам удельного электрического сопротивления, внесенным в Государственный реестр мер и измерительных приборов, на предельное значение суммарной погрешности не более 5% от измеряемой величины.
2.1. Требования к применяемым средствам измерения
2.1.1. Измерительная четырехзондовая головка типа С2080 с четырьмя линейно расположенными зондами из карбида вольфрама;
межзондовое расстояние =(1,3±0,010) мм,
максимальный линейный размер рабочей площадки зонда - не более 60 мкм.
Сила прижима зонда к слитку - 0,5-2,0 Н.
2.1.2. Источник постоянного тока, обеспечивающий получение токов измеряемой полярности в диапазонах, соответствующих назначению установки.
Допустимые отклонения электрического тока за время измерения - не более 0,5% от его величины.
Погрешность измерения электрического тока - не более 0,5%.
2.1.3. Измерительное устройство, обеспечивающее измерение напряжений в диапазонах, соответствующих назначению установки, при необходимом для правильного измерения входном сопротивлении.
Погрешность измерения не более 1,0%.
Предельные значения рабочих токов и измеряемых напряжений в зависимости от величины удельного электрического сопротивления приведены в таблице.
Верхний предел измеряемого удельного электрического сопротивления | Верхний предел рабочих токов | Верхний предел измеряемого напряжения | Входное сопротивление измерительных приборов |
10 | 1,0·10 | 1,2·10 | 1·10 |
10 | 1,0·10 | 1,2·10 | 1·10 |
10 | 1,0·10 | 1,2·10 | 1·10 |
1,0 | 8,2·10 | 1,0·10 | 1·10 |
10 | 8,2·10 | 1,0·10 | 1·10 |
10 | 8,2·10 | 1,0·10 | 1·10 |
10 | 8,2·10 | 1,0·10 | 2·10 |
При использовании в качестве измерительных приборов компенсирующих потенциометров входное сопротивление (), Ом, вычисляют по формуле
, (1)
где - измеряемое напряжение, В;
- чувствительность гальванометра по току, А/мм;
- минимальная цена деления шкалы гальванометра, мм.
Использование полуавтоматических потенциометров типа Р-348, Р-349 рекомендуется для тех диапазонов удельных электрических сопротивлений, для которых указанные в паспорте потенциометра значения допустимых внешних сопротивлений составляют от значений, рекомендуемых таблицей для входных сопротивлений измерительного прибора.
2.1.4. Допускается применение установок "Метрика-104", "Метрика-124", "Метрика-224", "Диск-204" и других средств измерений, характеристики которых удовлетворяют требованиям ГОСТ 24392.
(Введен дополнительно, Изм. N 1).
2.2. Материалы, аппаратура
Материалы абразивные по ГОСТ 3647*.
_______________
* На территории Российской Федерации c 01.07.2006 будет действовать ГОСТ Р 52381-2005. - Примечание "КОДЕКС".
Порошки алмазные по ГОСТ 9206.
Инструменты алмазные с применением алмазных порошков.
Ткань упаковочная, суровая.
Фильтры обеззоленные.
Бумага промокательная.
Вода питьевая техническая.
Бязь отбеленная по ГОСТ 29298.
Спирт этиловый по ГОСТ 18300, по ГОСТ 5962*.
_______________
* На территории Российской Федерации действует ГОСТ Р 51652-2000.
Марля по ГОСТ 9412.
Бумага фильтровальная по ГОСТ 12026.
Установки для измерения удельного электрического сопротивления:
"Метрика-104" по ТУ 25-10 (АМЦ.778.019);
"Метрика-124" по ТУ 2-10 (AMЦ.778.020);
"Метрика-224";
"Диск-204".
(Измененная редакция, Изм. N 1).
3. Условия проведения измерений
3.1. Измерение удельного электрического сопротивления проводят на слитках, имеющих во всех точках одинаковый тип электропроводности.
3.2. Измерения проводят на плоских поверхностях, имеющих шероховатость не более 2,5 мкм по ГОСТ 2789.
3.3. При проведении измерений расстояние между краем слитка и ближайшим к нему зондом должно быть не менее 5 мм.
3.4. Измерения проводят при фиксированной температуре (23±2) °С.
Температуру слитка доводят до (23±2) °С, выдерживая его не менее 1 ч при указанной температуре.
3.5. Измерение слитков с удельным электрическим сопротивлением большим 200 Ом·см необходимо проводить при затемнении слитка. Для остальных диапазонов удельного электрического сопротивления при измерениях допускается освещенность слитка рассеянным светом не более 500 лк.
4. Выполнение измерений
4.1. На подготовленную поверхность слитка, установленного в держателе, опускают без удара зонды измерительной головки, перпендикулярно поверхности.
4.2. Устанавливают величину тока, через слиток (см. таблицу) и проводят измерение падения напряжения между внутренними зондами при двух полярностях тока.
Искомое значение измеряемого напряжения определяют как среднее арифметическое из измерений при двух полярностях тока.
Допускается измерение при одной полярности тока.
5. Обработка результатов
Удельное электрическое сопротивление (), Ом·см, вычисляют по формуле
, (2)
где - эффективное расстояние между зондами измерительной головки, см, вычисленное по формуле
, (3)
где ,
,
- расстояния между зондами, см.
При измерительной головке с =(1,3±0,010) мм в формулу (2) подставляют значение
; при отклонении межзондового расстояния, превышающем 0,010 мм, в формулу (2) подставляют значение
.
6. Нормы на показатели точности
6.1. Интервал, в котором находится случайная погрешность измерения удельного электрического сопротивления, характеризующая сходимость результатов измерений, равен ±2% при доверительной вероятности =0,95.
6.2. Интервал, в котором находится погрешность измерения, характеризующая воспроизводимость измерений при соблюдении требований настоящего стандарта, равен ±5% при доверительной вероятности=0,95.
7. Обработка результатов
7.1. Результатом измерения удельного электрического сопротивления () является величина, вычисленная по формуле (2).
7.2. Результат измерения характеризуется погрешностью
, если измерения при двух полярностях тока или при многократных измерениях в пределах одной области различаются не более чем на величину установленной случайной погрешности измерения (±2%).
7.3. При различии в результатах измерений при двух полярностях тока (,
), превышающих ±2% от измеряемой величины (
), если установлено, что эти различия не аппаратурного происхождения, измерения характеризуются погрешностью:
, (4)
где
;
- случайная составляющая погрешность, равная 2%;
- систематическая составляющая погрешности, равная 3%.
7.4. Результаты измерений выражают трехзначным числом, если первой цифрой является 1, 2, 3 и двузначным, если первая цифра больше трех.
8. Определение качества слитков кремния по удельному электрическому сопротивлению
Удельное электрическое сопротивление измеряют на обоих торцах слитка монокристаллического кремния в шести фиксированных точках по диаметру слитка, в двух взаимно перпендикулярных направлениях, расположенных в соответствии с черт.2.
Черт.2

Черт.2
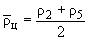
По результатам измерения удельного электрического сопротивления на двух торцах слитка вычисляют:
среднее значение удельного электрического сопротивления на периферийном кольце торца:
,
где - на одном торце;
- на другом торце;
среднее значение удельного электрического сопротивления в центре торца:
,
где - на одном торце;
- на другом торце;
среднее значение удельного электрического сопротивления на торце:
,
где - на одном торце;
- на другом торце;
радиальное относительное отклонение удельного электрического сопротивления от среднего значения по торцу слитка на торце:
%,
где - на одном торце;
- на другом торце;
относительное отклонение средних значений удельного электрического сопротивления торцов от номинального значения удельного сопротивления :
%,
для одного торца и
,
для другого торца.
(Измененная редакция, Изм. N 1).
9. Требования к квалификации оператора
Квалификация оператора в объеме, необходимом для выполнения измерений, должна соответствовать требованиям измерителя электрических параметров полупроводниковых материалов третьего или более высокого разряда в соответствии с действующими тарифно-квалификационными разрядами.
10. Требования техники безопасности
10.1. Устройство и техническая эксплуатация применяемого электроизмерительного оборудования должны отвечать требованиям "Правил технической эксплуатации электроустановок потребителей и правил техники безопасности при эксплуатации электроустановок потребителей", утвержденных Госэлектронадзором.
По условиям электробезопасности электроустановки, применяемые для измерения удельного электрического сопротивления, относятся к электроустановкам напряжением до 1000 В.
ПРИЛОЖЕНИЕ 4 (обязательное). ОПРЕДЕЛЕНИЕ ПЛОТНОСТИ ДИСЛОКАЦИИ В МОНОКРИСТАЛЛИЧЕСКИХ СЛИТКАХ КРЕМНИЯ
ПРИЛОЖЕНИЕ 4
Обязательное
ОПРЕДЕЛЕНИЕ ПЛОТНОСТИ ДИСЛОКАЦИЙ В МОНОКРИСТАЛЛИЧЕСКИХ
СЛИТКАХ КРЕМНИЯ
Методика предназначена для определения плотности дислокаций в монокристаллических слитках кремния электронного и дырочного типов электропроводности с удельным электрическим сопротивлением более 0,005 Ом·см для ориентации (100) и (013), с удельным электрическим сопротивлением более 0,0008 Ом·см для ориентации (111).
Методика применима для слитков кремния с плотностью дислокаций от 0 до 1·10 см
. Кремний бездислокационный при
не более 10
см
.
1. Сущность метода
Количество дислокаций является характеристикой совершенства кристалла.
Методика выявления дислокаций основана на различии в скорости травления областей слитка с дислокациями и без них. В месте пересечения дислокаций и исследуемой поверхности скорость травления слитка выше, вследствие чего дислокаций выявляются в виде ямки травления. Определение плотности дислокаций проводят на поверхности слитков, подвергнутых избирательному химическому травлению после выращивания или механической обработки.
2. Реактивы, материалы и аппаратура
Кислота фтористоводородная по ГОСТ 2567, ГОСТ 10484.
Кислота азотная по ГОСТ 11125, ГОСТ 4461, ГОСТ 701.
Ангидрид хромовый по ГОСТ 3776, ГОСТ 2548.
Калий двухромовокислый по ГОСТ 4220.
Порошки алмазные по ГОСТ 9206.
Алмазные инструменты с применением алмазных порошков по ГОСТ 9206.
Крупность основной фракции применяемых абразивных материалов должна быть не более 100 мкм.
Бумага промокательная.
Бумага фильтровальная по ГОСТ 12026.
Бязь отбеленная по ГОСТ 29298.
Весы ВЛТК или ВНЦ-2 по ГОСТ 29329.
Стаканы химические, мензурки, щипцы.
Ванны кислотоустойчивые.
Станок шлифовальный типа ЖК 7809 или аналогичный.
Микроскоп металлографический типа МИМ-7 или аналогичный.
3. Подготовка образцов к измерениям
Контроль плотности дислокаций осуществляется на поверхности торцов монокристаллических слитков или же на прилегающих к ним пластинах.
3.1. Механическая обработка
3.1.1. Измеряемые поверхности торцов монокристаллических слитков или пластин обрабатывают с помощью специального алмазного инструмента. Шероховатость плоскости должна быть не более 2,5 мкм по ГОСТ 2789.
3.1.2. Обработанные поверхности промывают в проточной воде и сушат фильтровальной бумагой.
3.2. Химическая полировка
Перед избирательным травлением химической полировке подвергают поверхности торцов слитков или пластин. Естественную поверхность слитка перед избирательным травлением химической полировке не подвергают.
3.2.1. Для химической полировки используют раствор состава: кислота фтористоводородная - 1 объемная часть, кислота азотная - 2-4 объемные части.
3.2.2. Монокристаллические слитки или пластины погружают в ванну с полирующим раствором при комнатной температуре.
3.2.3. Объем полирующего раствора составляет 8-10 мл на 1 г обрабатываемого материала. При этом вся подлежащая измерению поверхность должна быть покрыта полирующим раствором.
3.2.4. При полировке проводят постоянное перемешивание раствора и вращение образца.
3.2.5. Продолжительность химической полировки составляет 2-10 мин.
3.2.6. По окончании полировки монокристаллические слитки или пластины быстро выгружают из полирующего раствора, промывают в проточной воде и сушат фильтровальной бумагой.
3.2.7. Допускается многократное использование полирующего раствора. Полирующий раствор непригоден, если при травлении в нем в течение 10 мин не происходит полировки.
3.3. Выявление дислокаций
3.3.1. Монокристаллические слитки и пластины с ориентацией (III)
3.3.1.1. Для выявления дислокаций на торцах монокристаллических слитков или на прилегающих к ним пластинах используют селективный травитель, состав которого, в зависимости от исходной концентрации фтористоводородной кислоты, определяется по табл.1.
Таблица 1
Фтористоводородная кислота | Объемное соотношение компонентов | |||
Концентрация, | Плотность, | HF | Водный раствор | H |
30 | 1,102 | 1,5 | 1 | 1,5 |
35 | 1,116 | 1,3 | 1 | 1,7 |
40 | 1,128 | 1,1 | 1 | 1,9 |
45 | 1,142 | 1,0 | 1 | 2,0 |
50 | 1,155 | 0,9 | 1 | 2,1 |
55 | 1,169 | 0,8 | 1 | 2,2 |
60 | 1,183 | 0,75 | 1 | 2,25 |
3.3.1.2. Водный раствор хромового ангидрида готовят растворением 250 г хромового ангидрида в 1 л воды.
3.3.1.3. Монокристаллические слитки или пластины погружают в ванну с травильным раствором при комнатной температуре. Объем раствора составляет 2-4 мл на 1 г обрабатываемого материала. При этом вся подлежащая измерению поверхность должна быть покрыта травящим раствором.
Одновременно в ванну помещают образец-спутник. Образец-спутник подвергают механической обработке и химической полировке перед каждым травлением для выявления дислокаций. В качестве образца-спутника можно использовать любой образец кремния с дислокациями, выявленными в свежеприготовленном растворе.
3.3.1.4. Продолжительность травления составляет 10-40 мин.
3.3.1.5. Слитки или пластины вместе с образцом-спутником выгружают из травильного раствора, промывают в проточной воде и сушат фильтровальной бумагой.
3.3.1.6. Качество травления измеряемых поверхностей определяют по четкости выявления дислокаций на образце-спутнике.
3.3.1.7. Допускается многократное использование травильного раствора. Травильный раствор не пригоден для дальнейшего использования, если в нем при травлении в течение 40 мин на образце-спутнике не выявляется дислокационная картина травления.
3.3.1.8. Допускается проводить выявление дислокаций на монокристаллических слитках или пластинах (III) в растворе:
кислота фтористоводородная,
водный раствор двухромовокислого калия в соотношении (1:1).
3.3.1.9. Водный раствор двухромовокислого калия приготовляют растворением 100-150 г двухромовокислого калия в 1 л воды (70-90 °С).
3.3.1.10. Выявление дислокаций осуществляют в соответствии с пп.3.3.1.3-3.3.1.9.
(Измененная редакция, Изм. N 1).
3.3.2. Монокристаллические слитки и пластины с ориентацией (100)
3.3.2.1. Подготовка монокристаллических слитков и пластин с ориентацией (100) для выявления дислокаций осуществляется в соответствии с пп.3.1-3.2.
3.3.2.2. Выявление дислокаций осуществляется в селективном травителе, состав которого, в зависимости от исходной концентрации фтористоводородной кислоты, определяется по табл.2.
Таблица 2
Кислота фтористоводородная | Объемное соотношение компонентов | |||
Концентрация, % | Плотность, г/см | HF | Водный раствор CrO | H |
35 | 1,116 | 8 | 1 | 1 |
40 | 1,128 | 7 | 1 | 2 |
45 | 1,142 | 6 | 1 | 3 |
50 | 1,155 | 5,5 | 1 | 3,5 |
55 | 1,169 | 5 | 1 | 4 |
60 | 1,183 | 4,5 | 1 | 4,5 |
3.3.2.3. Водный раствор хромового ангидрида готовят растворением 250-300 г CrO в 1 л воды.
3.3.2.4. Выявление дислокаций осуществляют в соответствии с пп.3.3.1.3-3.3.1.7.
(Измененная редакция, Изм. N 1).
3.3.2.5. (Исключен, Изм. N 1).
4. Проведение измерения
Подсчет плотности дислокаций проводят с помощью металлографического микроскопа.
Рекомендуемое увеличение микроскопа в зависимости от плотности дислокаций определяется по табл.3.
Таблица 3
Плотность дислокаций, см | Увеличение, |
0-5·10 | 40-60 |
5·10 | 60-80 |
1·10 | 80-120 |
5·10 | 120-170 |
1·10 | 170-350 |
5·10 | 350-600 |
На измеряемой поверхности просматривают в двух взаимно перпендикулярных направлениях девять полей зрения и определяют количество дислокационных ямок травления в каждом из них. Расположение полей зрения для определения плотности дислокаций на торцах слитков или на пластинах приведено в табл.4. Схема выбора полей зрения для определения плотности дислокаций показана на черт.2.
Таблица 4
Расположение полей зрения для контроля плотности дислокаций на торцах
монокристаллических слитков или на пластинах
Диаметр образца, мм | Расстояние точек измерения от края образца, мм | ||||
1 и 6 | 2 и 7 | 3 | 4 и 8 | 5 и 9 | |
30,0 | 3,1 | 7,2 | 15,0 | 22,8 | 26,9 |
31,0 | 3,1 | 7,4 | 15,5 | 23,6 | 27,9 |
32,0 | 3,2 | 7,6 | 16,0 | 24,4 | 28,8 |
33,0 | 3,2 | 7,8 | 16,5 | 25,2 | 29,8 |
34,0 | 3,3 | 8,0 | 17,0 | 26,0 | 30,7 |
55,0 | 4,6 | 12,8 | 27,5 | 42,6 | 50,4 |
56,0 | 4,7 | 12,6 | 28,0 | 43,4 | 51,3 |
57,0 | 4,7 | 12,8 | 28,5 | 44,2 | 52,3 |
58,0 | 4,8 | 13,0 | 29,0 | 45,0 | 53,2 |
59,0 | 4,9 | 13,3 | 29,5 | 45,7 | 54,1 |
60,0 | 4,9 | 13,5 | 30,0 | 46,5 | 55,1 |
61,0 | 5,0 | 13,7 | 30,5 | 47,3 | 56,0 |
62,0 | 5,0 | 13,9 | 31,0 | 48,1 | 57,0 |
63,0 | 5,1 | 14,1 | 31,5 | 48,9 | 57,9 |
64,0 | 5,2 | 14,3 | 32,0 | 49,7 | 58,8 |
65,0 | 5,2 | 14,5 | 32,5 | 50,5 | 59,8 |
66,0 | 5,3 | 14,7 | 33,0 | 51,3 | 60,7 |
67,0 | 5,3 | 14,9 | 33,5 | 52,1 | 61,7 |
68,0 | 5,4 | 15,2 | 34,0 | 52,8 | 62,6 |
69,0 | 5,5 | 15,4 | 34,5 | 53,6 | 63,5 |
70,0 | 5,5 | 15,6 | 35,0 | 54,4 | 64,5 |
71,0 | 5,5 | 15,8 | 35,5 | 55,2 | 65,4 |
72,0 | 5,6 | 16,0 | 36,0 | 56,0 | 66,4 |
73,0 | 5,7 | 16,2 | 36,5 | 56,8 | 67,3 |
74,0 | 5,8 | 16,4 | 37,0 | 57,6 | 68,3 |
75,0 | 5,8 | 16,6 | 37,5 | 58,4 | 69,2 |
76,0 | 5,9 | 16,8 | 38,0 | 59,2 | 70,1 |
77,0 | 5,9 | 17,0 | 38,5 | 60,0 | 71,1 |
78,0 | 6,0 | 17,3 | 39,0 | 60,7 | 72,0 |
79,0 | 6,1 | 17,5 | 39,5 | 61,5 | 72,9 |
80,0 | 6,1 | 17,7 | 40,0 | 62,3 | 73,9 |
81,0 | 6,2 | 17,9 | 40,5 | 63,1 | 74,8 |
82,0 | 6,2 | 18,1 | 41,0 | 63,9 | 75,8 |
83,0 | 6,3 | 18,3 | 41,5 | 64,7 | 76,7 |
84,0 | 6,4 | 18,5 | 42,0 | 65,5 | 77,6 |
85,0 | 6,4 | 18,7 | 42,5 | 66,3 | 78,6 |
86,0 | 6,5 | 18,9 | 43,0 | 67,1 | 79,5 |
87,0 | 6,5 | 19,1 | 43,5 | 67,9 | 80,5 |
88,0 | 6,6 | 19,4 | 44,0 | 68,0 | 81,4 |
89,0 | 6,7 | 19,6 | 44,5 | 69,4 | 82,3 |
90,0 | 6,7 | 19,8 | 45,0 | 70,2 | 83,3 |
91,0 | 6,8 | 20,0 | 45,5 | 71,0 | 84,2 |
92,0 | 6,8 | 20,2 | 46,0 | 71,8 | 85,2 |
93,0 | 6,9 | 20,4 | 46,5 | 72,6 | 86,1 |
94,0 | 7,0 | 20,6 | 47,0 | 73,4 | 87,0 |
95,0 | 7,0 | 20,8 | 47,5 | 74,2 | 88,0 |
96,0 | 7,1 | 21,0 | 48,0 | 75,0 | 88,9 |
97,0 | 7,1 | 21,2 | 48,5 | 75,8 | 89,9 |
98,0 | 7,2 | 21,4 | 49,0 | 76,6 | 90,8 |
99,0 | 7,3 | 21,7 | 49,5 | 77,3 | 91,7 |
100,0 | 7,3 | 21,9 | 50,0 | 78,1 | 92,7 |
5. Обработка результатов
5.1. По результатам измерений вычисляют среднее значение количества ямок травления в поле зрения
, (1)
где - количество ямок в поле зрения;
- количество полей зрения.
5.2. Плотность дислокаций рассчитывают по формуле
, (2)
где - пересчетный коэффициент, определяемый увеличением микроскопа.
5.3. Пересчетный коэффициент определяют по формуле
,
где - площадь поля зрения, определяемая увеличением микроскопа, см
.
5.4. Площадь поля зрения определяется с помощью объектмикрометра, прилагаемого к микроскопу.
6. Обработка результатов измерений
6.1. Результатом измерения плотности дислокаций является величина, вычисленная по формуле (2).
6.2. Погрешность результатов измерений составляет ±50% при доверительной вероятности =0,95.
6.3. Результат измерений представляют двумя значащими цифрами, умноженными на порядок определяемого значения плотности дислокаций (например, 2,2·10 см
).
7. Требования к квалификации оператора
Квалификация оператора в объеме, необходимом для выполнения измерений по настоящей методике, должна соответствовать требованиям измерителя электрических параметров полупроводниковых материалов третьего или более высокого разряда в соответствии с действующим тарифно-квалификационным справочником.
8. Требования техники безопасности
При работе в химической лаборатории главные меры предосторожности относятся к хранению реактивов, разведению растворов, кислот, щелочей, использованию их при химическом травлении в холодном и подогретом виде.
Работы с химическими реактивами следует проводить в соответствии с "Основными правилами безопасности работы в химической лаборатории".
9. Термины и определения
9.1. Дислокация - линейный структурный дефект, ограничивающий зону сдвига, либо область дефекта упаковки внутри кристалла.
9.2. Ямка травления дислокационная - углубление, получаемое в результате избирательного травления, образующееся в местах выхода дислокаций на поверхности кристалла, форма и огранка которого зависит от симметрии поверхности (черт.1).
Черт.1. Дислокационные ямки травления
Дислокационные ямки травления;
увеличение 225

- плоскость (111); б - плоскость (100)
Черт.1
9.3. Избирательное травление - химическое или электрохимическое травление, при котором удаление материала кристалла в области дефекта и бездефектной матрицы происходит различным образом.
9.4. Поверхностная плотность дислокаций - число дислокаций, пересекающих единичную площадь поверхности сечения кристалла, определяемое подсчетом дислокационных ямок травления.
9.5. Слиток - продукция производства полупроводниковых материалов, полученная в результате процесса выращивания.
9.6. Естественная поверхность кристалла - поверхность кристалла, образовавшаяся в результате выращивания.
9.7. Механически обработанная поверхность - поверхность или участки слитка, подвергшиеся обработке алмазным инструментом.
9.8. Торец - сечение слитка, перпендикулярное направлению роста.
9.9. Образец-спутник - пластина, структура или другой объект, участвующий в технологическом процессе изготовления данной продукции, используемый для оценки какого-либо параметра.
Черт.2. Схема выбора полей зрения
Схема выбора полей зрения

Черт.2
ПРИЛОЖЕНИЕ 5 (обязательное). ИЗМЕРЕНИЕ УГЛА ОТКЛОНЕНИЯ ПЛОСКОСТИ ТОРЦЕВОГО СРЕЗА МОНОКРИСТАЛЛИЧЕСКОГО СЛИТКА КРЕМНИЯ ОТ ЗАДАННОЙ КРИСТАЛЛОГРАФИЧЕСКОЙ ПЛОСКОСТИ И ИДЕНТИФИКАЦИЯ КРИСТАЛЛОГРАФИЧЕСКОЙ ОРИЕНТАЦИИ ПЛОСКОСТИ ТОРЦЕВОГО СРЕЗА СЛИТКА С ЗАДАННОЙ
ПРИЛОЖЕНИЕ 5
Обязательное
ИЗМЕРЕНИЕ УГЛА ОТКЛОНЕНИЯ ПЛОСКОСТИ ТОРЦЕВОГО СРЕЗА
МОНОКРИСТАЛЛИЧЕСКОГО СЛИТКА КРЕМНИЯ ОТ ЗАДАННОЙ
КРИСТАЛЛОГРАФИЧЕСКОЙ ПЛОСКОСТИ И ИДЕНТИФИКАЦИЯ
КРИСТАЛЛОГРАФИЧЕСКОЙ ОРИЕНТАЦИИ ПЛОСКОСТИ ТОРЦЕВОГО
СРЕЗА СЛИТКА С ЗАДАННОЙ КРИСТАЛЛОГРАФИЧЕСКОЙ ПЛОСКОСТЬЮ
РЕНТГЕНОВСКИМ ДИФРАКТОМЕТРИЧЕСКИМ МЕТОДОМ
А. Измерение угла отклонения и идентификация кристаллографической ориентации на пластине (шайбе)
Методика предназначена для измерения угла отклонения плоскости торцевого среза монокристаллического слитка кремния от заданной кристаллографической плоскости и идентификации кристаллографической ориентации плоскости торцевого среза с заданной кристаллографической плоскостью () на пластине, отрезанной параллельно плоскости торцевого среза.
Методика распространения на слитки цилиндрической и произвольной формы диаметром (или линейными размерами) плоскости торцевого среза более 20 мм.
Методика применима в интервале углов отклонения плоскости торцевого среза от заданной кристаллографической плоскости не более 5 градусов для ориентации (111) и (100) и не более 3 градусов для ориентации (013).
1. Сущность метода
1.1. Метод основан на использовании явления дифракции рентгеновского характеристического излучения в монокристаллическом образце.
Для кристаллов кубической сингонии угол скольжения (угол между падающим на монокристаллический образец первичным пучком рентгеновского излучения и отражающей кристаллографической плоскостью (
)) вычисляют по формуле
, (1)
где - период решетки монокристаллического образца, нм;
- длина волны характеристического излучения, нм;
- индексы Миллера кристаллографической плоскости;
- порядок отражения.
1.2. Регистрацию интенсивности отраженного (дифрагированного) излучения проводят с помощью детектора рентгеновского излучения, установленного под двойным углом скольжения к первичному пучку.
1.3. Геометрическую плоскость пластины (шайбы) совмещают с осью вращения гониометра. Первичный пучок направляют на поверхность пластины. Пластину вращают вокруг оси рентгеногониометра до тех пор, пока плоскость () не составит угол скольжения (
) с первичным пучком. При этом возникает отраженный (дифрагированный) монокристаллической пластиной пучок, который регистрируется детектором рентгеновских квантов. Угловое положение пластины (
), соответствующее максимальной интенсивности отраженного пучка, измеряют по шкале рентгеногониометра.
1.4. Угол отклонения геометрической плоскости пластины от заданной кристаллографической плоскости (
) вычисляют по формуле
, (2)
где ,
,
,
- значения углов
при различных азимутальных положениях пластины, отличающихся поворотом на углы 0°, 90°, 180° и 270° вокруг нормали к геометрической плоскости пластины.
1.5. Угол отклонения геометрической плоскости торцевого среза слитка определяют в соответствии с пп.1.1-1.4 по пластине, отрезаемой параллельно плоскости торцевого среза.
1.6. Кристаллографическую ориентацию плоскости торцевого среза считают идентичной заданной кристаллографической плоскости () (см. табл.), если угол у не превышает значений, указанных в технических требованиях на материал.
Если угол отклонения () превышает допустимые значения, а также при отсутствии отраженного образцом пучка при выполнении условий пп.1.2 и 1.3 в двух азимутальных положениях образца, отличающихся на 90°, то кристаллографическая ориентация плоскости торцевого среза не идентична заданной кристаллографической плоскости.
Углы скольжения для некоторых кристаллографических плоскостей ()
монокристаллического кремния (Cu K-излучение,
=0,15406 нм)
(1,5406),
=0,5431 нм (5,431
)
Индексы кристаллографической плоскости | (111) | (100) | (013) |
Индексы отражений | 111 | 400 | 026 |
Угол скольжения | 14°13' | 34°33' | 63°48' |
2. Аппаратура, средства измерений, материалы
Рентгеновские установки типов УРС-50ИМ; ДРОН-2; ДРОН-3М, установки на их основе и другие средства измерений, не уступающие перечисленным по техническим и метрологическим характеристикам, а также аттестованные НСИ с абсолютной погрешностью измерения ориентации на стандартных образцах не более ±8 угловых минут.
Станки для резки с внутренней режущей кромкой типов "Алмаз-6", "Алмаз-4" или другие аналогичные станки, не уступающие им по техническим и метрологическим характеристикам.
Индикатор многооборотный по ГОСТ 9696.
Стойка с плоским столиком C-III по ГОСТ 10197.
Транспортир.
Стеклограф (карандаш).
Бумага фильтровальная по ГОСТ 12026.
Бумага промокательная.
3. Подготовка к измерениям
3.1. Установку подготовляют и проверяют в соответствии с приложенными к ней инструкциями.
Устанавливают по шкалам гониометра для "образца" - угол скольжения , а для детектора - двойной угол скольжения, соответствующий заданным кристаллографическим плоскостям, приведенным в таблице.
Устанавливают режим работы установки: напряжения на трубке 10-25 kV; анодный ток 1-5 mA.
В коллиматор гониометра устанавливают вертикальные щели N 1 и 2 шириной 0,1 мм каждая (при использовании ССИ).
Проверяют правильность юстировки оптической схемы рентгеновской установки с помощью стандартного образца (пластины, соответствующей ориентации () с погрешностью не более 3
).
3.2. Измерения проводят на пластинах, отрезанных как указано в п.1.5, толщиной от 0,5 до 20 мм. На пластине указывается сторона, обращенная к торцевому срезу слитка, и заданная кристаллографическая ориентация плоскости торцевого среза слитка, от которого отрезана пластина.
Пластину, отрезанную от плоскости торцевого среза слитка, перед измерениями шлифовать нельзя.
4. Подготовка пластины к измерениям
Пластину промывают водой, затем высушивают с помощью фильтровальной бумаги. На поверхность пластины наносят прямоугольную систему координат с помощью транспортира и карандаша.
5. Условия проведения измерений
5.1. Для проведения измерений необходимы следующие условия:
температура окружающей среды от 10 до 35 °С;
относительная влажность не более 80% при 25 °С.
5.2. Остальные условия проведения измерений должны соответствовать требованиям, изложенным в свидетельстве о метрологической аттестации средств измерения.
6. Проведение измерений
6.1. Установку включают, устанавливают рабочий режим.
Пластину устанавливают на гониометрическую приставку (держатель образцов) так, чтобы измеряемая поверхность была прижата к базовой плоскости держателя образцов, а ось "" была параллельна горизонтальной плоскости дифракции и направлена в сторону детектора.
6.2. Подают напряжение на рентгеновскую трубку и открывают шторку перекрытия первичного пучка.
6.3. Вращая держатель с исследуемым образцом вокруг оси гониометра в пределах угла
, ищут положение, в котором возникает отраженный пучок.
При отсутствии отраженного пучка поворачивают пластину на 90° относительно исходного положения и вновь пытаются получить отражение, вращая пластину вокруг оси гониометра в пределах угла
. Отсутствие отражения и в этом положении пластины означает неидентичность кристаллографической ориентации плоскости торцевого среза слитка с заданной кристаллографической плоскостью.
6.4. Закрывают шторку перекрытия первичного пучка (или снимают напряжение с рентгеновской трубки при отсутствии шторки).
6.5. При наличии отраженного пучка выводят пластину в положение максимального отражения, вращая ее вокруг оси гониометра в пределах угла
. Затем выполняют операцию как указано в п.6.4.
6.6. Значение угла определяют по шкале образца гониометра.
6.7. Пластину поворачивают на 180° относительно положения, указанного в п.6.1, вращая ее вокруг нормали к поверхности, и повторяют операции, указанные в пп.6.2, 6.4 и 6.5.
6.8. Значение угла определяют по шкале образца гониометра.
6.9. Пластину устанавливают в гониометрическую приставку (держатель образцов) так, чтобы измеряемая поверхность была прижата к базовой плоскости держателя образцов, а ось "" была направлена в сторону детектора и параллельна плоскости дифракции, затем повторяют операции, указанные в пп.6.2, 6.4 и 6.5.
6.10. Значение угла определяют по шкале образца гониометра.
6.11. Пластину поворачивают на 270° относительно положения, указанного в п.6.1, вращая ее вокруг нормали к поверхности, и повторяют операции, указанные в пп.6.2, 6.4 и 6.5.
6.12. Определяют значение угла по шкале образца гониометра.
7. Обработка результатов
7.1. Вычисляют значение угла разориентации плоскости торцевого среза слитка от заданной кристаллографической плоскости () по формуле (2).
7.2. Проводят идентификацию кристаллографической ориентации плоскости торцевого среза с заданной кристаллографической плоскостью в соответствии с требованиями п.1.6.
7.3. За результат измерения угла отклонения плоскости торцевого среза от заданной кристаллографической плоскости () принимают величину, вычисленную по формуле (2).
7.4. Погрешность измерения величины не должна превышать 20 угловых минут с доверительной вероятностью
=0,95.
8. Требования к квалификации оператора
Квалификация оператора, необходимая для выполнения измерений по данной методике, должна соответствовать квалификации лаборанта-рентгеноструктурщика четвертого разряда или более высокого разряда "Единого тарифно-квалификационного справочника работ и профессий рабочих".
9. Требования техники безопасности
11.1 Устройство и техническая эксплуатация оборудования, применяемого в соответствии с настоящей методикой, должны отвечать требованиям "Правил технической эксплуатации электроустановок потребителей и правил техники безопасности при эксплуатации электроустановок потребителей".
11.2. Устройство и техническая эксплуатация рентгеновского оборудования, применяемого в соответствии с настоящей методикой, должны отвечать требованиям "Основных санитарных правил при работе с радиоактивными веществами и другими источниками ионизирующих излучений" и "Норм радиационной безопасности".
Б. Измерение угла отклонения и идентификация кристаллографической ориентации слитка
Методика предназначена для измерения угла отклонения плоскости торцевого среза монокристаллического слитка кремния цилиндрической формы от заданной кристаллографической плоскости и идентификации кристаллографической ориентации плоскости торцевого среза слитка с заданной кристаллографической плоскостью ().
Методика распространяется на слитки, имеющие форму цилиндра, с диаметром оснований от 11,5 до 100 мм и длиной от 50 мм до 400 мм. При этом принимают, что геометрическая ось слитка параллельна образующей цилиндра.
Методика применима в интервале углов отклонения плоскости торцевого среза от заданной кристаллографической плоскости ±5° для кристаллографической ориентации (111) и (100) и ±3° для кристаллографической ориентации (013).
1. Сущность метода
1.1. Метод основан на совместном использовании явления дифракции рентгеновского характеристического излучения в монокристаллическом образце, которое имеет место при выполнении условия (1), и механических измерений составляющих и
(черт.1) угла отклонения
плоскости торцевого среза слитка от гипотетической плоскости, нормальной к геометрической оси слитка.
Черт.1. Стереографическая проекция расположения геометрической оси слитка, кристаллографической оси и нормали к плоскости торцевого среза слитка
Стереографическая проекция расположения геометрической оси слитка (),
кристаллографической оси [] (
) и нормали к плоскости торцевого среза слитка (
)
в азимутальных координатах ""

Черт.1
1.2. Явление дифракции используют для измерения угла отклонения геометрической оси монокристаллического слитка, имеющего форму цилиндра, от кристаллографического направления [
], которое перпендикулярно заданной кристаллографической плоскости (
) для кубической сингонии, к которой относится монокристаллический кремний. В дальнейшем направление [
] будет называться заданным кристаллографическим направлением -
(см. черт.1).
1.3. Регистрацию интенсивности отраженного (дифрагированного) излучения проводят с помощью детектора рентгеновского излучения, установленного под двойным углом скольжения к первичному пучку.
1.4. Слиток устанавливают в держатель таким образом, чтобы его геометрическая ось была параллельна базовому направлению держателя, перпендикулярному оси вращения гониометра. Под базовым направлением держателя имеют в виду ось, задаваемую призматической поверхностью держателя, на которую кладут слиток.
В этом случае гипотетическая плоскость слитка, нормальная к его геометрической оси, совпадает с вертикальной плоскостью, содержащей ось вращения гониометра.
Первичный пучок направляют на плоскость торцевого среза слитка и вращают держатель с установленным на нем слитком вокруг оси рентгеногониометра до тех пор, пока не будет выполнено условие дифракции (1). При этом возникает отраженный (дифрагированный) монокристаллическим слитком пучок, который регистрируется детектором рентгеновского излучения. Угловое положение монокристаллического слитка (относительно направления первичного пучка), соответствующее максимальной интенсивности отраженного пучка, определяют по шкале рентгеногониометра. При
геометрическая ось слитка совпадает с заданным кристаллографическим направлением.
1.5. Угол отклонения геометрической оси слитка от заданного кристаллографического направления (
) или равный ему угол отклонения гипотетической плоскости слитка, нормальной к геометрической оси, от заданной кристаллографической плоскости с теми же индексами (
) вычисляют по формуле
,
где ,
- значения углов
при различных азимутальных положениях слитка, отличающихся поворотом на угол 90° вокруг его геометрической оси (см. черт.1).
1.6. Слиток устанавливают в приспособление для измерения углов и
между нормалью к геометрической оси слитка и плоскостью торцевого среза так, чтобы геометрическая ось слитка была параллельна базовому направлению держателя, а азимутальные положения, отличающиеся поворотом на угол 90° вокруг его геометрической оси (см. черт.1), совпали с соответствующими азимутальными положениями, указанными в п.1.5, и с помощью часового микрометрического индикатора измеряют углы (90°-
) и (90°-
) между геометрической осью слитка и соответствующим азимутальным диаметром (
или
) торцевого среза слитка.
1.7. Угол - угол отклонения плоскости торцевого среза слитка от заданной кристаллографической плоскости (
) - вычисляют по формуле
, (3)
где и
- составляющие угла отклонения плоскости торцевого среза слитка от заданной кристаллографической плоскости (или нормали
- к плоскости торцевого среза слитка от нормали к заданной кристаллографической плоскости) согласно черт.1 и 2 при тех же азимутальных положениях слитка, что и в п.1.5.
; (4а)
. (4б)
Черт.2. Стереографическая проекция взаимного расположения кристаллографической оси и нормали к плоскости торцевого среза слитка
Стереографическая проекция взаимного расположения кристаллографической оси []
и нормали к плоскости торцевого среза слитка

Черт.2
1.8. Кристаллографическая ориентация плоскости торцевого среза идентична заданной кристаллографической плоскости, если угол не превышает значений, указанных в технических требованиях на слитки.
Если угол превышает допустимые значения, а также при отсутствии отраженного монокристаллическим слитком пучка при выполнении требований пп.1.3 и 1.4 в двух азимутальных положениях образца, отличающихся на 90°, то кристаллографическая ориентация плоскости торцевого среза слитка не идентична заданной кристаллографической плоскости.
1.9. Допускается измерять отклонения геометрической оси слитка от заданного кристаллографического направления () (
и
) отклонения плоскости торцевого среза от нормали к геометрической оси слитка (
и
) на одном и том же держателе, имеющем призматическую поверхность.
2. Аппаратура, средства измерения, материалы
Дифрактометр рентгеновский типов УРС-60 ИМ; ДРОН-2; ДРОН-3; ДРОН-3М по ГОСТ 24745-81 в комплекте с аттестованными нестандартизованными приставками-держателями образцов и приспособлениями, обеспечивающими измерения углов и
по пп.1.5 и 1.6, и другие средства измерения (в том числе и аттестованные НСИ), которые обеспечивают абсолютную погрешность измерения угла отклонения геометрической оси слитка от заданного кристаллографического направления не более ±8 угловых минут.
Образец стандартной ориентации. Допускается использование СОП. Абсолютная погрешность установления аттестуемых характеристик не более ±4 угловых минут.
Образцовый цилиндрический угольник для юстировки измерительных углов по п.1.6. Погрешность аттестуемой характеристики - 30 мкм при длине 100 мм.
Транспортир, приспособление для разметки азимутальных направлений по пп.1.5 и 1.6.
Стеклограф (карандаш).
Марля по ГОСТ 11109, ГОСТ 9412.
3. Подготовка к измерениям
3.1. Рентгеновскую установку для определения кристаллографической ориентации слитков готовят к работе согласно соответствующей инструкции.
3.2. Устанавливают режим работы установки: напряжение на трубке - 10-25 кВ, анодный ток - 1-5 А*.
_______________
* Единица измерения соответствует оригиналу. - Примечание "КОДЕКС".
3.3. С помощью образца стандартной ориентации проводят контроль юстировки оптической схемы установки.
Порядок операций соответствует инструкции по эксплуатации.
3.4. Пользуясь инструкцией к рентгеновской установке для определения кристаллографической ориентации слитков, проверяют правильность юстировки гониометра и приставки с помощью стандартного образца.
3.5. В соответствии с таблицей устанавливают по шкалам гониометра для образца угол скольжения и для детектора - угол скольжения
, соответствующий отражению от плоскости (), С и
-излучения (
=0,15406 нм).
3.6. С помощью образцового цилиндрического угольника проводят контроль юстировки измерительного угла по п.1.6. Порядок операций соответствует инструкции по эксплуатации.
3.7. Подготовка слитков к измерению.
Промывают торец слитка водой и высушивают его с помощью фильтровальной бумаги.
На торцах слитка наносят карандашом или стеклографом прямоугольную систему координат с помощью транспортира или специального шаблона. При этом оси
и
на плоскостях обоих торцевых срезов слитка должны быть соответственно параллельны, а направления осей различаться на 180°. Ставят на торцах цифры I и II. В случае, если измерение углов
и
выполняются на одном и том же держателе (см. п.1.9), азимутальные направления
и
наносят на одном из торцов
.
4. Условие проведения измерений - см. раздел А, пункт 5.
5. Проведение измерений
5.1. Определение углов и
между плоскостью торцевого среза слитка и гипотетической плоскостью, нормальной к его геометрической оси.
5.1.1. Устанавливают слиток в держатель приспособления (см. п.1.4) таким образом, чтобы ось слитка была параллельна базовому направлению держателя , а оси
, отмеченные на плоскостях торцевого среза слитка, были параллельны азимутальным направлениям, задаваемым измерительными узлами. При этом положительные направления осей
на первом торце (помеченном цифрой I) должны быть направлены вверх, а на втором - вниз.
5.1.2. Прижимают слиток в положении (см. п.5.1.1) к упорам измерительного узла (см. п.1.6).
Записывают показание индикатора (мкм).
5.1.3. Повторяют требования п.5.1.2 - в положении . Записывают показание
(мкм).
5.1.4. Повторяют требования пп.5.1.2 и 5.1.3, относящиеся к плоскости торцевого среза (II) слитка для слитка в положении и
. Записывают соответствующие показания
и
(мкм).
5.1.5. Вычисляют соответствующие азимутальные значения и
угла отклонения
плоскостей торцевого среза слитка от гипотетической плоскости, нормальной оси слитка по формулам:
; (5а)
; (5б)
; (5в)
, (5г)
где - фиксированное для данного устройства расстояние между осью упора и подвижной осью индикатора, мкм, (см. пп.1.4-1.6).
5.2. Определение углов и
отклонения геометрической оси слитка от заданного кристаллографического направления [
].
5.2.1. Устанавливают слиток на призматическую поверхность держателя слитков так, чтобы плоскость его торцевого среза II касалась упора (см. п.1.4), а положительное направление оси на плоскости торцевого среза I указывало на направление первичного пучка.
5.2.2. Подают напряжение на рентгеновскую трубку и открывают шторку первичного пучка.
5.2.3. Вращая приставку со слитком вокруг вертикальной оси гониометра, находят положение приставки относительно направления первичного пучка рентгеновских лучей, соответствующие максимуму интенсивности отраженного рентгеновского пучка.
5.2.4. Закрывают шторку первичного пучка (или снимают напряжение с рентгеновской трубки при отсутствии шторки).
5.2.5. Записывают показание шкалы рентгеногониометра , соответствующее углу поворота приставки относительно направления первичного пучка.
5.2.6. Изменяют положение слитка в приставке, повернув его вокруг своей оси на 180°, повторяют требования пп.5.2.3-5.2.5 и записывают соответствующее значение угла .
5.2.7. Изменяют положение слитка в приставке, повернув его вокруг своей оси на 90° в произвольном направлении.
5.2.8. Выполняют требования пп.5.2.2-5.2.5 для нахождения соответствующих значений углов и
.
5.2.9. Вычисляют значения и
по формулам:
; (6а)
. (6б)
5.2.10. Рассчитывают значения и
(по формулам 4а, б) для первого (I) и второго (II) торцов соответственно.
5.3. При измерении углов и
на одном и том же держателе (см. п.1.9) последовательность выполнения операций меняют. В положении слитка
(см. пп.5.1.2, 5.2.1) измеряют
,
и
в соответствии с требованиями пп.5.1.2, 5.1.4, 5.2.1-5.2.8, а в положении слитка
измеряют соответственно:
,
и
в соответствии с требованиями пп.5.1.3, 5.1.4, 5.2.7.
6. Обработка результатов
6.1. Значение угла отклонения плоскости торцевых срезов слитка от заданной кристаллографической плоскости вычисляют по формуле 3. (Расчеты по формулам 2-5 можно выполнять с помощью соответствующих таблиц).
6.2. За результат измерений угла отклонения торцевой плоскости слитка от заданной кристаллографической плоскости (
) принимают значение
, вычисленное по п.1.7.
6.3. Погрешность измерения угла не должна превышать ±20 угловых минут с доверительной вероятностью
.
6.4. Идентификацию кристаллографической ориентации плоскости торцевого среза с заданной кристаллографической плоскостью осуществляют в соответствии с требованиями п.1.8.
7. Требования к квалификации оператора - см. раздел А, пункт 10.
8. Требования техники безопасности - см. раздел А, пункт 11.
(Измененная редакция, Изм. N 1).
ПРИЛОЖЕНИЕ 6 (обязательное). ОПРЕДЕЛЕНИЕ УГЛА ОТКЛОНЕНИЯ ПЛОСКОСТИ ТОРЦЕВОГО СРЕЗА ОТ ЗАДАННОЙ КРИСТАЛЛОГРАФИЧЕСКОЙ ПЛОСКОСТИ СЛИТКОВ МОНОКРИСТАЛЛИЧЕСКОГО КРЕМНИЯ ОПТИЧЕСКИМ МЕТОДОМ
ПРИЛОЖЕНИЕ 6
Обязательное
Методика предназначена для определения угла отклонения плоскости торцевого среза от заданной кристаллографической плоскости.
1. Сущность метода
Отраженный от торца слитка прямолинейный пучок света образует на экране световую фигуру, по месторасположению которой можно определить угол отклонения плоскости среза от заданной кристаллографической плоскости.
(Измененная редакция, Изм. N 1).
2. Аппаратура и материалы
Установка ЖК78, предназначенная для ориентировки оптическим методом монокристаллических слитков.
Точность ориентировки монокристаллических слитков кремния ±30°.
Материалы абразивные по ГОСТ 3647*.
_______________
* На территории Российской Федерации c 01.07.2006 будет действовать ГОСТ Р 52381-2005. - Примечание "КОДЕКС".
Порошки алмазные по ГОСТ 9206.
Инструменты алмазные с применением алмазных порошков по ГОСТ 9206.
Крупность основной фракции применяемых алмазных порошков должна быть не более 100 мкм.
Натрия гидроокись по ГОСТ 2263, ГОСТ 11078.
Калия гидроокись (техническая) по ГОСТ 9285.
3. Подготовка к измерению
3.1. Подготовка слитков
Торец слитка шлифуют абразивным материалом, алмазным порошком или алмазным инструментом.
На шлифованной поверхности не допускаются сколы, уступы и трещины.
Шлифованный торец слитка травят в течение 3-5 мин в кипящем растворе KOH или NaOH с концентрацией не менее 20%.
3.2. Подготовка установки
Нулевое положение плоскости предметного столика проверяют с помощью контрольного зеркала, помещенного на эту плоскость. При проверке световое пятно выводят в перекрестие на экране с помощью ручки угломерной головки.
4. Проведение измерений
4.1. Установить слиток контролируемым торцом на отверстие в плоскости предметного столика.
4.2. Повернуть слиток так, чтобы центр световой фигуры оказался на горизонтальной или вертикальной шкале перекрестия экрана.
4.3. Вращая лимб угломерной головки, совместить центр световой фигуры с перекрестием экрана.
4.4. Отсчитать по лимбу величину угла отклонения плоскости среза (торца) от заданной кристаллографической плоскости. Допускается определять угол отклонения непосредственно по шкале экрана, зная цену деления линейной шкалы в угловых величинах.
5. Оценка показателей точности измерения
5.1. При использовании оборудования, рекомендованного в разд.2, и соблюдении условий подготовки и выполнения измерений (разд.3, 4), погрешность при определении ориентации слитка .
6. Требования к квалификации оператора
6.1. Квалификация оператора в объеме, необходимом для выполнения измерений, должна соответствовать требованиям измерителя электрических параметров полупроводниковых материалов третьего или более высокого разряда действующего сборника тарифно-квалификационных работ.
7. Требования техники безопасности
7.1. Устройство и техническая эксплуатация применяемого электроизмерительного оборудования должны отвечать требованиям "Правил технической эксплуатации электроустановок потребителей и правил техники безопасности при эксплуатации электроустановок потребителей".
По условиям электробезопасности электроустановки, применяемые для оптической ориентации слитков кремния, относятся к электроустановкам с напряжением до 1000 В.
ПРИЛОЖЕНИЕ 7 (обязательное). ИЗМЕРЕНИЕ КОНЦЕНТРАЦИИ АТОМОВ ОПТИЧЕСКИ АКТИВНОГО КИСЛОРОДА В СЛИТКАХ МОНОКРИСТАЛЛИЧЕСКОГО КРЕМНИЯ
ПРИЛОЖЕНИЕ 7
Обязательное
Настоящая методика предназначена для измерения концентрации оптически активного кислорода () в слитках монокристаллического кремния, выращенных методами Чохральского (мЧ) или бестигельной зонной плавки (бзп).
Подлежащие измерению слитки допускается подвергать термообработке при температуре не выше 750 °С и продолжительности не более 3 ч.
Измерения могут быть проведены более производительным абсолютным или более точным дифференциальным оптическим методами.
Дифференциальный метод применим для определения от не менее 1·10
до 3·10
ат·см
в слитках, выращенных по "мЧ" с удельным электрическим сопротивлением (УЭС) не менее 0,04 Ом·см с электронным типом электропроводности (
-Si) и в слитках с УЭС не менее 1 Ом·см с дырочным типом электропроводности (
-Si), в слитках, выращенных методом бзп,
определяют в интервале менее 2·10
до 8·10
ат·см
при УЭС более 20 Ом·см в (
-Si) и с УЭС более 50 Ом·см в (
-Si).
Абсолютный метод применим для определения в слитках, выращенных только по "мЧ" для (
-Si) с УЭС более 50 Ом·см, и для (
-Si) с УЭС более 20 Ом·см.
1. Сущность метода
Присутствие оптически активных атомов кислорода в кремнии приводит к появлению полосы поглощения в области длин волн вблизи 9,1 мкм (волнового числа
1105 см
). В этой области длин волн имеется и полоса поглощения кристаллической решеткой кремния с коэффициентом поглощения в максимуме
=0,92 см. Поглощение в этой области спектра может быть вызвано и свободными носителями заряда.
Концентрация оптически активного кислорода пропорциональна его коэффициенту поглощения в максимуме кислородной полосы
. Значение
определяют из оптических измерений, проводимых абсолютным или дифференциальными методами.
Абсолютный метод основан на измерении спектра пропускания образца (
) в области длин волн вблизи
9,1 мкм, учете поглощения кристаллической решеткой при проведении расчета
по измеренному
(
) и используется для определения
в высокоомном материале, когда поглощением свободными носителями заряда можно пренебречь.
Дифференциальный метод исключает влияние поглощения кристаллической решеткой кремния и свободными носителями заряда при измерении . Он основан на измерении кривой относительно пропускания путем сравнения спектров пропускания измеряемого образца и образца сравнения, помещаемых в два канала двухлучевого спектрофотометра.
2. Аппаратура, средства измерения и материалы
Спектрофотометр типов "Specord-75 IR", "Perkin-Elmer-983", "ИКС-29" или любой двухлучевой спектрофотометр, обеспечивающий проведение измерений с оптической шириной щели не более 5 см и с абсолютной погрешностью измерения коэффициента пропускания
не более 0,012 при стандартных измерениях.
Индикатор многооборотный по ГОСТ 9696 или индикатор аналогичного типа с погрешностью измерения более 0,001 см.
Порошки абразивные шлифовальные М28, М14, М7 по ГОСТ 3647* и ГОСТ 9206.
_______________
* На территории Российской Федерации c 01.07.2006 будет действовать ГОСТ Р 52381-2005. - Примечание "КОДЕКС".
Паста алмазная АСМ 1/0 по ГОСТ 25593.
Спирт этиловый ректификованный по ГОСТ 17299, по ГОСТ 18300.
Кислота фтористоводородная по ГОСТ 10484, техническая или х.ч.
Кислота азотная по ГОСТ 4461, ч.д.а.
Кислота уксусная по ГОСТ 61, х.ч.
Калий бромистый по ГОСТ 4160, х.ч. или ч.д.а.
Батист отбеленный по ГОСТ 29298.
Образец сравнения.
3. Условия проведения измерений
Измерения проводят при температуре (20±5) °С, остальные условия в соответствии с требованиями ГОСТ 12997.
4. Подготовка и проведение измерений
4.1. Подготовка образцов
4.1.1. Из исследуемого монокристаллического слитка кремния вырезают плоскопараллельный образец (шайбу).
4.1.2. Образец шлифуют с обеих сторон и полируют алмазной пастой АСМ-1 до получения поверхности без царапин и рисок. Вместо механической полировки допускается химическое травление шлифованной поверхности в одном из полирующих травителей СР-4 или Ср-8 до появления бурых паров.
4.1.3. Поперечное сечение образца должно быть больше поперечного сечения рабочего пучка спектрофотометра или используемого для измерения микроосветительного устройства.
Для измерения концентрации кислорода в небольших по размеру образцах, а также для измерения распределения по сечению образца, допускается диафрагмирование рабочих пучков спектрофотометров. Влияние размера диафрагм на выходные паспортные характеристики спектрофотометра проверяют при опытно-промышленном опробовании МВИ или аттестации спектрофотометра и повторяют при проверках спектрофотометра не реже чем один раз в год. Размеры отверстий в диафрагмах должны быть такими, чтобы введение диафрагм не ухудшало ни одной из паспортных характеристик спектрофотометра.
4.1.4. Образец сравнения выбирают таким образом, чтобы его удельное сопротивление -Si (
-Si) было более 20 Ом·см (50 Ом·см) при измерении
в
-Si с
более 20 Ом·см и
-Si с
более 50 Ом·см. При измерении
в
-Si; с
=0,04-20 Ом·см или
-Si; с
=1-50 Ом·см удельное электрическое сопротивление образца сравнения должно быть больше или равно удельному электрическому сопротивлению измеряемого об
разца.
4.1.5. Перед измерением полированные поверхности образцов тщательно протирают этиловым спиртом.
4.1.6. Толщину исследуемого образца измеряют в четырех точках на двух произвольных взаимно перпендикулярных направлениях по периметру выбираемой области, которая будет освещаться рабочим пучком спектрофотометра. Измеренные значения не должны отличаться друг от друга более чем на ±0,002 см.
Для измерения абсолютным методом толщина образцов
должна быть больше 0,2 см.
Для измерения дифференциальным методом все значения толщин измеряемого образца и образца сравнения
должны находиться в пределах 0,20-0,25 см для ожидаемых значений
не менее 2·10
ат·см
(для слитков, выращенных по методу (мЧ)) и 0,95-1,00 см для значений
в интервале 8·10
- не более 2·10
ат·см
(для слитков, выращенных методом (бзп)) и не должны отличаться между собой более чем на 0,00
4 см.
4.2. Подготовка спектрофотометра к измерениям
Спектрофотометр подготовляют к измерениям согласно инструкции по эксплуатации.
4.3. Измерение кривой относительного пропускания абсолютным методом
4.3.1. Записывают 100%-ную линию в области волновых чисел =1000-1400 см
. Если изменение 100%-ной линии превышает допуск, предусмотренный паспортом прибора, то спектрофотометр подлежит поверке.
4.3.2. Устанавливают измеряемый образец в держатель.
4.3.3. Записывают спектр пропускания образца в области волновых чисел 1000-1400 см в режиме, обеспечивающем отсутствие искажений формы полосы поглощения кислорода, вносимых спектрофотометром. Рекомендуемые режимы работы для спектрофотометра типа "Specord-75 IR" приведены в таблице.
Рекомендуемые режимы измерения на двухлучевом спектрофотометре типа "Specord-75 IR".
Метод измерения | Скорость записи, cм | Щелевая программа | Масштаб регистрации, мм/100 см | Усиление | Постоянная времени | Продолжи- |
Абсолютный | Не указывается | 3 | 50 | 2-3 | 10 | 11 |
Дифференциальный | То же | 4,4х10 |
4.4. Измерение кривой относительного пропускания дифференциальным методом.
4.4.1. Перед каждой серией измерений, но не реже чем один раз в смену, записывают 100%-ную линию в области волновых чисел =900-1400 см
. Если изменение 100%-ной линии превышает допуск, предусмотренный паспортом прибора, то спектрофотометр подлежит калибровке.
4.4.2. В канал образца двухлучевого спектрофотометра устанавливают измеряемый образец, а в канал сравнения - образец сравнения.
Правильность выбора скорости записи спектра и щелевой программы спектрофотометра проверяют двумя способами:
а) контролируют полуширину полосы поглощения кислорода, которая не должна превышать 35 см. Полуширина полосы поглощения равна половине максимального значения коэффициента поглощения кислорода
;
б) проверяют уменьшение коэффициента относительного пропускания при проведении дифференциальных измерений в минимуме полосы поглощения кислорода при дальнейшем уменьшении скорости записи.
4.4.3. Если в коротковолновой области измеряемого спектрального диапазона (при волновом числе =1300 см
) показание прибора лежит между 90 и 100%, то кривую относительно пропускания в области
=900-1400 см
записывают в режиме, обеспечивающем отсутствие искажений формы полосы поглощения кислорода, вносимых спектрофотометром. Рекомендуемые режимы работы спектрофотометра типа "Specord-75 IR", приведены в таблице. В ходе измерений в области
=1200-1400 см
продолжительность записи может быть уменьшена (скорость записи увеличена), но не более чем в три раза.
4.4.4. Если в коротковолновой области измеряемого спектрального диапазона показание прибора не лежит между 90 и 100%, то добиваются такого показания введением в канал сравнения спектрофотометра нейтрального аттенюатора, а затем записывают кривую относительного пропускания, выполняя все требования, изложенные в п.4.4.3.
5. Обработка результатов
5.1. Обработка результатов измерений абсолютным методом
5.1.1. Проводят базисную линию (касательную к кривой пропускания) (черт.1) на зарегистрированной кривой пропускания (
). При невозможности провести базисную линию к кривой пропускания, измеренной при
=900-1400 см
, кривую пропускания распространяют на больший спектральный диапазон, позволяющий провести базисную линию.
5.1.2. По измеренной кривой пропускания определяют значение , в долях единицы, соответствующее минимуму зависимости
(
), а на базисной линии - сравнительное значение
, в долях единицы, при том же волновом числе (см. черт.1).
5.1.3. Концентрацию оптически активного кислорода до двух значащих цифр вычисляют по формуле
, (1)
где
,
3,3·10 см
- градуировочный коэффициент, определенный по данным активационного анализа;
- коэффициент, учитывающий многократные отражения инфракрасного излучения в образце и зависящий от
и
. Значения
находят по черт.3.
При использовании зависимостей, приведенных на черт.3-6, для нахождения промежуточных значений применяют метод линейной интерполяции.
5.2. Обработка результатов измерений дифференциальным методом
5.2.1. Проводят базисную линию (касательную к кривой относительно пропускания) (черт.2) на зарегистрированной кривой относительного пропускания (
). При невозможности провести базисную линию к кривой относительного пропускания, измеренной при
=900-1400 см
, кривую относительного пропускания распространяют на больший спектральный диапазон, позволяющий провести базисную линию.
5.2.2. По измеренной кривой относительного пропускания определяют значение , соответствующее минимуму зависимости
(
), а на базисной линии - сравнительное значение
, при том же
(черт.2).
5.2.3. Концентрацию кислорода вычисляют до двух значащих цифр по формуле
, (2)
где - толщина измеряемого образца, см;
- коэффициент, зависящий от
, УЭС, типа электропроводности, позволяющий учесть многократные отражения инфракрасного излучения в образцах. Зависимость
(
) для различных значений
и УЭС для (
-Si) и (
-Si) приведена на черт.4 и 5 соответственно.
Для (-Si) с УЭС 0,04-0,09 Ом·см значение
принимают равным 1 при градуировочном коэффициенте 3,3·10
см
.
5.3. Настоящая методика устанавливает следующие показатели точности измерения концентрации оптически активного кислорода.
Случайная погрешность измерений не должна превышать 10% для абсолютного метода, а для дифференциального метода - 20% (при УЭС 0,04-0,05 Ом·см для (
-Si) и УЭС 1-3 Ом·см для (
-Si) и 10% при УЭС более 0,05 Ом·см для (
-Si) и УЭС более 4 Ом·см для (
-Si) с доверительной вероятностью
=0,95.
Предельное значение суммарной погрешности
определяемой арифметическим суммированием инструментальной погрешности, погрешности градуировочного коэффициента 3,3·10 см
, равной 4%, с
=0,95, и случайной погрешности показано на черт.6 и 7 для
=
0,01.
5.4. Результатом измерения концентрации оптически активного кислорода является значение, вычисленное по формулам (1) или (2), с суммарной погрешностью измерений, указанной в п.5.3.
5.5. Если измеренное значение доказывается меньше 1·10 см
для слитков, выращенных методом (мЧ), и меньше 8·10
см
для слитков, выращенных методом (бзп), то результатом измерения являются оценки:
менее 1·10
см
и
менее 8·10
см.
5.6. Межлабораторная погрешность, определяемая как расхождение между средними (не менее чем 10 параллельных измерений) значениями , не должна превышать 10% с доверительной вероятностью
=0,95.
6. Требования к квалификации оператора
Квалификация оператора в объеме, необходимом для выполнения измерений по настоящей методике, должна соответствовать требованиям измерителя электрических параметров полупроводниковых материалов четвертого или более высокого разряда "Сборника тарифно-квалификационных характеристик работ и профессий рабочих для предприятий цветной металлургии. Производство титана и редких металлов, полупроводниковых материалов и кварцевых изделий".
7. Требования к технике безопасности
7.1. Устройство и техническая эксплуатация электроизмерительного оборудования, применяемого в соответствии с настоящей методикой, должны отвечать требованиям "Правил технической эксплуатации электроустановок потребителей и правил техники безопасности при эксплуатации электроустановок потребителей".
По условиям электробезопасности электроустановки, применяемые при измерении концентрации оптически активного кислорода, относятся к электроустановкам до 1000 В.
7.2. Электроизмерительную установку (спектрофотометр) следует подвергать регулярному техническому осмотру и планово-предупредительному ремонту, выполняемому представителями предприятия, выпускающего эту установку.
7.3. К проведению измерений допускаются лица не моложе 18 лет, имеющие первую квалификационную группу по технике безопасности, прошедшие инструктаж по технике безопасности на рабочем месте с записью в журнал по технике безопасности, ознакомившиеся с настоящей методикой, с рабочей инструкцией и с инструкцией по технике безопасности.
7.4. Шлифование, резание, химическую обработку образцов проводят в специальных помещениях под вытяжкой с соблюдением мер безопасности.
8. Термины и определения
Оптически активными являются те атомы кислорода в кремнии, которые находятся в межузельном состоянии. Предполагается, что в кремнии все атомы кислорода являются оптически активными.
Образцом сравнения называется образец оптически полированного кремния, имеющий одинаковые с измеряемым образцом толщины, и концентрацию кислорода, определенную методом активационного анализа, меньшую 5·10 см
.
Черт.1. Кривая пропускания типичной пластины монокристаллического слитка (n-Si) с удельным электрическим сопротивлением более 50 Ом·см, измеренная абсолютным методом
Кривая пропускания типичной пластины монокристаллического слитка (-Si)
с удельным электрическим сопротивлением более 50 Ом·см, измеренная абсолютным методом

Черт.1
Черт.2. Кривые относительного пропускания типичной пластины монокристаллического слитка (n-Si) с удельным электрическим сопротивлением 0,09 Ом·см, измеренные дифференциальным методом
Кривые относительного пропускания типичной пластины монокристаллического слитка (
)
с удельным электрическим сопротивлением 0,09 Ом·см, измеренные дифференциальным методом

- образец сравнения (
) со значением УЭС 0,1 Ом·см, близким, но большим, чем УЭС
измеряемого образца; б - образец сравнения (-Si) с УЭС более 20 Ом·см
Черт.2
Черт.3. Зависимость коэффициента C от толщины образца для различных значений N' при проведении измерений абсолютным методом
Зависимость коэффициента от толщины образца для различных значений
при проведении измерений абсолютным методом

Номер кривой | 1 | 2 | 3 | 4 | 5 | 6 | 7 |
N, см | 1·10 | 3·10 | 5·10 | 7·10 | 1·10 | 1,5·10 | 2·10 |
Черт.3
Черт.4. Зависимость коэффициента C от N' различных значений УЭС образцов (n-Si) при проведении измерений дифференциальным методом
Зависимость коэффициента от
различных значений УЭС образцов (
-Si) при проведении
измерений дифференциальным методом

Номера кривых | 1 | 2 | 3 | 4 | 5 | 6 | 7 | 8 | 9 | 10 | 11 | 12 | 13 | 14 | 15 |
УЭС, Ом·см | Не менее 10 | 5 | 1 | 0,7 | 0,5 | 0,4 | 0,3 | 0,2 | 0,15 | 0,12 | 0,11 | 0,095 | 0,093 | 0,090 | 20 |
| 0,2-0,25 | Не менее 0,95-1,00 | |||||||||||||
Черт.4
Черт.5. Зависимость коэффициента C от N' для различных значений УЭС образцов (p-Si) при проведении измерений дифференциальным методом
Зависимость коэффициентов от
для различных значений УЭС образцов (
-Si)
при проведении измерений дифференциальным методом

Номера кривых | 1 | 2 | 3 | 4 | 5 | 6 |
УЭС, Ом·см | Не менее 20 | 10 | 5,0 | 2,8 | 1,0 | Не менее 50 |
| 0,20-0,25 | 0,20-0,25 | 0,20-0,25 | 0,20-0,25 | 0,20-0,25 | 0,09-1,00 |
Черт.5
Черт.6. Зависимость суммарной погрешности от толщины измеряемого образца, рассчитанная для абсолютной погрешности измерения коэффициента пропускания 0,01 при определении концентрации оптически активного кислорода абсолютным методом
Зависимость суммарной погрешности
от толщины измеряемого образца , рассчитанная
для
при определении концентрации оптически активного кислорода абсолютным методом

Номера кривых | 1 | 2 | 3 | 4 | 5 | 6 | 7 |
| 1·10 | 3·10 | 5·10 | 7·10 | 1·10 | 1,5·10 | 2·10 |
Черт.6
Черт.7. Зависимость суммарной погрешности от N, рассчитанная для абсолютной погрешности измерения коэффициента пропускания 0,01 при определении дифференциальным методом
Зависимость суммарной погрешности
от , рассчитанная для
=0,01
при определении дифференциальным методом

Номер кривой |
| УЭС, Ом·см ( | УЭС, Ом·см ( |
1 | 0,95-1,00 | Более 20 | Более 50 |
2 | 0,20-0,25 | Более 0,05 | Более 3 |
3 | 0,20-0,25 | 0,04-0,05 | 1-3 |
Черт.7
ПРИЛОЖЕНИЕ 7. (Измененная редакция, Изм. N 1).
ПРИЛОЖЕНИЕ 8 (обязательное). ИЗМЕРЕНИЕ ВРЕМЕНИ ЖИЗНИ НЕРАВНОВЕСНЫХ НОСИТЕЛЕЙ ЗАРЯДА (н.н.з.) В СЛИТКАХ МОНОКРИСТАЛЛИЧЕСКОГО КРЕМНИЯ МЕТОДОМ МОДУЛЯЦИИ ПРОВОДИМОСТИ В ТОЧЕЧНОМ КОНТАКТЕ
ПРИЛОЖЕНИЕ 8
Обязательное
Методика предназначена для измерения времени жизни неравновесных носителей заряда в монокристаллическом кремнии с удельным электрическим сопротивлением 5·10-5·10
Ом·см в диапазонах:
более 2,8 мкс для кремния -типа проводимости;
более 7,7 мкс для кремния -типа проводимости и включает индикаторный способ измерения времени жизни неравновесных носителей заряда, имеющих время жизни не менее 2 мкс.
1. Сущность метода
Измеряемый образец включают в электрическую цепь. Одним из токоподводов служит омический контакт большой площади, другой - осуществляют прижимом точечного металлического зонда к поверхности полупроводника. Точечный контакт является эмиттером, через который в прямом направлении пропускают два сдвинутых во времени импульса тока. Амплитуды этих импульсов одинаковы и постоянны (режим генератора тока). Падение напряжения на образце, обусловленное прохождением этих импульсов, наблюдают на экране осциллографа.
Форма кривых напряжения в точечном контакте при модуляции проводимости инжектируемыми носителями схематически показана на черт.1.
Черт.1. Форма кривых напряжения в точечном контакте при модуляции проводимости инжектируемыми носителями

Черт.1
В момент прохождения первого (инжектирующего) импульса в образец вводят неравновесные носители заряда, модулирующие (увеличивающие) проводимость образца.
По окончании инжектирующего импульса число неравновесных носителей заряда уменьшается в результате рекомбинации, поэтому сопротивление контакта начинает возвращаться к исходной величине, увеличиваясь со временем. Напряжение на образце в момент начала второго (измерительного) импульса определяется концентрацией неравновесных носителей заряда, сохранившихся в образце.
В этих условиях падение напряжения на образце в начале измерительного импульса будет функцией времени задержки между импульсами
. Разность амплитуд первого и второго импульсов
изменяется при изменении времени задержки по закону
, (1)
где - время жизни неравновесных (неосновных) носителей заряда.
Фиксируя величину и изменяя время задержки
по наклону прямых
, можно определить время жизни .
2. Требования к средствам измерения и вспомогательным устройствам
Блок-схема установки для измерения времени жизни неравновесных носителей заряда показана на черт.2.
Черт.2. Блок-схема установки для измерения времени жизни неравновесных носителей заряда

1 - генератор сдвоенных импульсов; 2 - резистивный элемент, реализующий режим генератора тока;
3 - ограничитель импульсов; 4 - осциллограф; 5 - блок формовки точечного контакта; 6 - образец
Черт.2
Измерение времени жизни неравновесных носителей заряда в кремнии проводят на установке типов ТАУ-102, ТАУ-202 с соответствующей метрикой на их использование или аналогичной им.
Допускается использование специальных устройств, обеспечивающих в числовом виде результаты измерения времени жизни неравновесных носителей заряда и гарантируемую погрешность измерения.
2.1. Основными измерительными элементами установки, собранной по блок-схеме (черт.2), являются генератор сдвоенных импульсов и регистрирующий осциллограф.
В качестве генератора применяются приборы типа Г5-7А или Г5-30А. В качестве регистрирующего прибора применяют осциллографы типа С1-3, С1-5, С1-20 или С1-65.
2.2. Измерительный зонд изготовляют для образцов:-типа - из фосфористой бронзы БРОФ 6,5-0,15 по ГОСТ 5017;
-типа - из алюминия марки А5 по ГОСТ 11069*.
_______________
* На территории Российской Федерации действует ГОСТ 11069-2001. - Примечание "КОДЕКС".
2.3. Вспомогательные элементы, обеспечивающие режим генератора тока, формовку точечного контакта, ограничение регистрируемых импульсов и т.д., объединены в принципиальную схему (черт.3). Величина сопротивления резистора , обеспечивающего режим генератора тока, определяется необходимостью протекания через контакт зонда постоянного по величине импульсного тока, гарантирующего неизменный уровень инжекции. Поэтому величина
составляет: 100 Ом для образцов с удельным электрическим сопротивлением меньше 1 Ом·см; 500 Ом для образцов с удельным электрическим сопротивлением от 1 до 100 Ом·см и 2,7-20 кОм для образцов с удельным электрическим сопротивлением более 100 Ом·см.
Черт.3. Вспомогательные элементы. Принципиальная схема

Черт.3
С помощью элементов
производят ограничение измерительных импульсов снизу, что улучшает возможность регистрации малых значений разности
. В качестве элементов
используют высокочастотные диоды типа Д311 с малым прямым сопротивлением и малой проходной емкостью.
Формовку контакта измерительного зонда с поверхностью образца осуществляют кратковременной подачей на измерительный зонд постоянного напряжения от любого источника с напряжением 300-400 В.
При проведении измерений нет необходимости одновременного наблюдения инжектирующего и измерительного импульсов. Их временная задержка друг относительно друга задается непосредственно генератором. Для удобства измерений первый инжектирующий импульс можно не подавать на вход осциллографа, для чего в схеме предусмотрен переключатель , коммутирующий цепь синхронизации осциллографа.
2.4. Вспомогательные материалы.
Материалы абразивные по ГОСТ 3647*.
_______________
* На территории Российской Федерации c 01.07.2006 будет действовать ГОСТ Р 52381-2005. - Примечание "КОДЕКС".
Порошки алмазные по ГОСТ 9206.
Инструменты алмазные с применением алмазных порошков по ГОСТ 9206. Крупность основной фракции применяемых абразивных материалов и алмазных порошков должна быть не более 100 мкм.
Фильтры обеззоленные по ГОСТ 12026.
Бумага промокательная.
Бумага масштабно-координатная марки ПЛМ по ГОСТ 334.
Бязь отбеленная по ГОСТ 29298.
Ткань упаковочная суровая.
Марля по ГОСТ 9412 или ГОСТ 11109.
Спирт этиловый по ГОСТ 18300, ГОСТ 5962*.
_______________
* На территории Российской Федерации действует ГОСТ Р 51652-2000.
Вода питьевая техническая по ГОСТ 2874*.
_______________
* На территории Российской Федерации действует ГОСТ Р 51232-98.
3. Подготовка к измерению
3.1. Измеряемую поверхность торца монокристалла шлифуют абразивным материалом, алмазным порошком или алмазными инструментами. При недостаточной инжекции допускается травление поверхности.
3.2. На боковой поверхности монокристалла создают омический контакт площадью не менее 1 см нанесением палладия, никеля, индий-галлиевой или алюминий-галлиевой пасты.
3.3. Все измерительные приборы должны быть включены и подготовлены к работе в соответствии с их эксплуатационными инструкциями. Добиваются получения на экране осциллографа двух отчетливых прямоугольных импульсов. Вращая ручку "задержка" измерительного генератора, сближают два импульса и вращением ручки "амплитуда" генератора устанавливают одинаковые максимальные амплитуды импульсов.
При появлении на экране осциллографа неустойчивых импульсов вращением ручки "частота следования" добиваются получения устойчивых импульсов.
3.4. Слиток устанавливают в держатель, обеспечивающий надежное подключение его к измерительной схеме.
3.5. Установив временную задержку между двумя импульсами, превышающую предполагаемое время жизни неравновесных носителей заряда, добиваются получения на экране осциллографа двух равных по амплитуде импульсов. Правильность выбора интервала задержки контролируют, убеждаясь в независимости амплитуды второго импульса от времени задержки при изменении последнего в небольших пределах. В дальнейшем измерения можно проводить, наблюдая на экране осциллографа только один измерительный импульс. Время задержки между импульсами при измерении не должно быть меньше 2-3 .
4. Проведение измерений
4.1. Измерения проводят при температуре (23±2) °С.
4.2. Переключатель типа электропроводности устанавливают в положение, соответствующее типу электропроводности измеряемого образца.
4.3. Выбирают необходимый рабочий ток измерения включением соответствующего резистора .
4.4. Длительность инжектирующего импульса выбирают в зависимости от марок образцов:
для марок -типа с ожидаемым значением времени жизни, большим 30-300 мкс;
для марок -типа с ожидаемым значением времени жизни, большим 10-300 мкс,
для марок - и
-типов электропроводности с ожидаемыми значениями времени жизни, меньшими указанных выше - 50 мкс.
4.5. Опускают зонд в измеряемую точку на поверхности монокристалла (перед измерением необходимо протереть измеряемую поверхность этиловым спиртом).
4.6. Добиваются появления на экране осциллографа импульса, проводя при необходимости формовку контакта.
4.7. Изменяют время задержки до тех пор, пока амплитуда измерительного импульса перестанет увеличиваться, т.е. до насыщения. Предусмотренное схемой ограничение импульсов снизу выбирают, добиваясь достаточно четкой регистрации изменений амплитуды.
4.8. Уменьшая время задержки, регистрируют времена задержки и соответствующие им изменения амплитуды измерительного импульса.
4.9. В полулогарифмическом масштабе строят зависимость
, где - время задержки.
По наклону прямой линии определяют время жизни неравновесных носителей заряда по формуле
. (2)
Зависимость
строят по трем или большему количеству точек.
4.10. Допускается определение времени жизни неравновесных носителей заряда без построения графика по двум точкам из разности двух значений времени задержки, разность логарифмов которых равна единице.
4.10.1. Увеличивают измерительный импульс до насыщения, аналогично п.4.6.6.
4.10.2. Уменьшая продолжительность задержки, регистрируют время задержки при уменьшении измерительного импульса на одну (или две) клетку и затем при уменьшении еще на 1,7 (или 3, 4) клетки.
(Измененная редакция, Изм. N 1).
4.10.3. Измеряемое время жизни неравновесных носителей заряда равно разности зарегистрированных времен задержки.
4.11. Измерение малых времен жизни для кремния с удельным электрическим сопротивлением от 1 до 3 Ом·см проводится индикаторным способом по исчезновению инжекции неравновесных носителей заряда.
5. При соблюдении требований разд.2-4 погрешность измерения не превышает ±20%.
6. Требования к квалификации оператора
Квалификация оператора в объеме, необходимом для выполнения измерений, должна соответствовать требованиям измерителя электрических параметров полупроводниковых материалов третьего или более высокого разряда в соответствии с действующим тарифно-квалификационным сборником.
7. Требования к технике безопасности
Устройство и техническая эксплуатация применяемого электроизмерительного оборудования должны отвечать требованиям "Правил технической эксплуатации электроустановок потребителей и правил техники безопасности при эксплуатации электроустановок потребителей".
По условиям электробезопасности электроустановки, применяемые для измерения времени жизни неравновесных носителей заряда, относятся к электроустановкам напряжением до 1000 В.
ПРИЛОЖЕНИЕ 8а (обязательное). ИЗМЕРЕНИЕ КОНЦЕНТРАЦИИ АТОМОВ ОПТИЧЕСКИ АКТИВНОГО УГЛЕРОДА В СЛИТКАХ МОНОКРИСТАЛЛИЧЕСКОГО КРЕМНИЯ
ПРИЛОЖЕНИЕ 8a
Обязательное
Концентрацию оптически активного углерода в нетермообработанных слитках монокристаллического кремния электронного или дырочного типов электропроводности дифференциальным оптическим методом. Допускается термообработка при температурах, не превышающих 750 °С в течение времени не более 3 ч.
Диапазон концентраций оптически активного углерода, подлежащих измерению по этому методу от =3·10
см
(
- предельная чувствительность метода, определяемая как концентрация
, измерение которой проводится с относительной погрешностью, не превышающей 50%, с доверительной вероятностью
=0,95) вплоть до предела растворимости атомарного углерода в кремнии, равного 3·10
см
.
Концентрацию оптически активного углерода измеряют на образцах с удельным электрическим сопротивлением более 30 Ом·см для кремния
-типа электропроводности и
более 5 Ом·см для кремния
-типа электропроводности.
1. Сущность метода
Присутствие оптически активных атомов углерода в кремнии приводит к появлению полосы поглощения с максимумом при значении волнового числа 607 см
(черт.1). В этой же области спектра в кремнии, кроме углеродной полосы, наблюдается полоса поглощения кристаллической решетки с коэффициентом поглощения в максимуме
8 см
.
Черт.1. Схематическое изображение экспериментального спектра относительного пропускания
Схематическое изображение экспериментального спектра относительного пропускания

Черт.1
В связи с этим оптические измерения проводят дифференциальным методом, позволяющим автоматически исключить влияние поглощения кристаллической решетки. В канал образца двухлучевого инфракрасного спектрофотометра помещают исследуемый образец, а в канал сравнения - образец сравнения.
Концентрация оптически активного углерода пропорциональна его коэффициенту поглощения в максимуме примесной полосы
:
, где =1,1·10
см
- градуировочный коэффициент, найденный из сравнения оптических данных с результатами активационного анализа.
2. Аппаратура, средства измерения и материалы
Спектрофотометр типов "Specord-75 IR", "Perxin-Elmer-983", или любой двухлучевой спектрофотометр, обеспечивающий проведение измерений с оптической шириной щели не более 5 см и абсолютной погрешностью измерения коэффициента пропускания
не более 0,012 при стандартных измерениях.
В спектрофотометре может быть предусмотрено устройство для увеличения масштаба по оси ординат, позволяющее определять малые (не более 0,1 см) коэффициенты поглощения.
Индикатор многооборотный по ГОСТ 9696 или аналогичный индикатор с погрешностью измерения не более 0,001 см.
Порошки абразивные шлифовальные М28, М14, М7 по ГОСТ 3647* и ГОСТ 9206.
_______________
* На территории Российской Федерации c 01.07.2006 будет действовать ГОСТ Р 52381-2005. - Примечание "КОДЕКС".
Паста алмазная АСМ-1/0 по ГОСТ 25593.
Спирт этиловый ректификованный по ГОСТ 17299, ГОСТ 18300.
Кислота фтористоводородная по ГОСТ 10484, техническая или х.ч.
Кислота азотная по ГОСТ 11125, ГОСТ 701, ч.д.а.
Кислота уксусная по ГОСТ 61, х.ч.
Калий бромистый по ГОСТ 4160, х.ч. или ч.д.а.
Батист отбеленный по ГОСТ 29298.
Образец сравнения.
(Измененная редакция, Изм. N 2).
3. Условия проведения измерений
Измерения проводят при температуре (20±5) °С, остальные условия в соответствии с требованиями ГОСТ 12997.
4. Подготовка и проведение измерений
4.1. Подготовка образцов
4.1.1. Из исследуемого монокристаллического слитка кремния вырезают плоскопараллельный образец (шайбу).
4.1.2. Образец шлифуют с обеих сторон и полируют алмазной пастой АСМ-1 до получения поверхности без царапин и рисок.
Вместо механической полировки допускается химическое травление шлифованной поверхности в одном из полирующих травителей СР-4 и СР-8 до появления бурых паров.
4.1.3. Поперечное сечение образца должно быть больше поперечного сечения рабочего пучка спектрофотометра.
Для измерения концентрации углерода в небольших по размеру образцах, а также для измерения распределения концентрации оптически активного углерода по сечению образца допускается диафрагмирование рабочих пучков спектрофотометра.
Размеры отверстий в диафрагмах должны быть такими, чтобы введение диафрагм не ухудшало ни одной из паспортных характеристик спектрофотометра.
4.1.4. Перед измерениями полированные поверхности образцов тщательно протирают этиловым спиртом.
4.1.5. Толщину исследуемого образца измеряют в четырех точках на двух произвольных взаимно-перпендикулярных направлениях по периметру выбираемой области, которая будет освещаться рабочим пучком спектрофотометра.
Толщины измеряемого образца и образца сравнения в указанных точках должны находиться в пределах 0,20-0,25 см и не должны отличаться друг от друга больше чем на ±0,001 см.
4.2. Подготовка спектрофотометра к измерениям.
Спектрофотометр подготовляют к измерениям согласно инструкции по эксплуатации.
4.3. Измерение кривой относительного пропускания.
4.3.1. Перед каждой серией измерений, но не реже чем один раз в смену, записывают 100%-ную линию в области волновых чисел =570-770 см
. Если изменение 100%-ной линии превышает допуск, предусмотренный паспортом прибора, то спектрофотометр подлежит калибровке.
4.3.2. В канал образца двухлучевого спектрофотометра устанавливают измеряемый образец, а в канал сравнения - образец сравнения.
4.3.3. Записывают спектр относительного пропускания образца в режиме, обеспечивающем отсутствие искажений формы полосы поглощения углерода, вносимых спектрофотометром. Рекомендуемые режимы работы спектрофотометра типа "Specord-75 IR" приведены в таблице.
4.3.4. Правильность выбора скорости записи спектра и щелевой программы спектрофотометра проверяют двумя способами.
Тип спектрофотометра | Щелевая программа | Масштаб регистрации, мм/100 см | Усиле- | Время записи, | Постоянная времени |
"Specord -75 IR" | 3 | 200 | 6 | 11х0,3 (ручной режим постоянного замедления) | 10 |
4.3.4.1. Контролируют полуширину полосы поглощения углерода, которая не должна превышать 8 см при температуре 300 °К. Полуширина полосы поглощения равна половине максимального значения коэффициента поглощения углерода
.
4.3.4.2. Проверяют сохранение постоянства коэффициента относительного пропускания в минимуме полосы поглощения углерода при дальнейшем уменьшении скорости записи.
5. Обработка результатов
5.1. Проводят базисную линию (касательную к кривой относительного пропускания) на зарегистрированной кривой относительного пропускания (черт.1).
5.2. По измеренной кривой относительного пропускания определяют значение , соответствующее минимуму зависимости
, а на базисной линии - сравнительное значение
при той же
(черт.1).
5.3. Концентрацию углерода вычисляют до двух значащих цифр по формуле
. (1)
5.4. Настоящая методика устанавливает следующие показатели точности измерения концентрации оптически активного углерода в монокристаллическом кремнии.
5.4.1. Случайная погрешность измерения не должна превышать 20% с доверительной вероятностью
=0,95.
5.4.2. Предельное значение суммарной погрешности
определяется арифметическим суммированием инструментальной и случайной погрешности (черт.2).
Черт.2. Зависимость относительной суммарной погрешности от концентрации оптически активных атомов углерода. Абсолютная погрешность измерения коэффициента пропускания 0,01
Зависимость относительной суммарной погрешности
от концентрации
оптически активных атомов углерода ;
=±1%

Черт.2
5.5. Если концентрация , рассчитанная по формуле, указанной в п.5.3, более 3·10
cм
, то результатом измерения концентрации оптически активного углерода является ее значение, вычисленное по формуле (1), с учетом погрешности измерений, указанной в п.5.4.2. Со стороны больших значений
методика не имеет ограничений измеряемой величины
, вплоть до предела растворимости углерода, равного
3·10
cм
.
Если рассчитанная концентрация менее 3·10
cм
, то результатом измерения концентрации оптически активного углерода является оценка:
менее 3·
10 cм
.
5.6. Межлабораторная погрешность, определяемая как расхождение между средними из десяти параллельных измерений значениями , не должна превышать 25%.
6. Требования к квалификации оператора
Квалификация оператора в объеме, необходимом для выполнения измерений по настоящему методу, должна соответствовать требованиям измерителя электрических параметров полупроводниковых материалов четвертого или более высокого разряда в соответствии с действующим тарифно-квалификационным сборником.
7. Требования к технике безопасности
7.1. Устройство и техническая эксплуатация электроизмерительного оборудования, применяемого в соответствии с настоящей методикой, должны отвечать требованиям "Правил технической эксплуатации электроустановок потребителей и правил техники безопасности при эксплуатации электроустановок потребителей".
По условиям электробезопасности электроустановки, применяемые для измерения концентрации оптически активного углерода, относятся к электроустановкам до 1000 В.
8. Термины и определения
Оптически активные атомы углерода - атомы углерода в кремнии, расположенные в узлах кристаллической решетки и замещающие атомы кремния. Предполагается, что в нетермообработанном кремнии, а также в кремнии, подвергнутом термообработке при указанных выше режимах, все атомы углерода являются оптически активными.
Образцом сравнения считается образец кремния, имеющий одинаковые с измеряемым образцом толщины, коэффициенты отражений, удельное электрическое сопротивление более 30 Ом·см в (
-Si) и
более 5 Ом·см в (
-Si), а также концентрацию углерода, определенную методом активационного анализа, меньше чем 3·10
cм
.
Коэффициент пропускания образца кремния - отношение потока излучения , пропущенного образцом, к потоку
, падающему на образец
.
Коэффициент относительного пропускания измеряемого образца кремния (0) по отношению к образцу сравнения (С) - отношение коэффициентов пропускания этих образцов
.
Кривая или спектр относительного пропускания представляет собой зависимость коэффициента относительного пропускания от волнового числа
.
Коэффициент поглощения является мерой потока излучения, поглощаемого образцом при волновом числе
, и характеризует свойства материала, а также является величиной, обратной толщине, при которой интенсивность электромагнитной волны в веществе уменьшается в
2,78 раз. Коэффициенты поглощения, соответствующие различным независимым механизмам поглощения, суммируются.
(Введено дополнительно, Изм. N 1).
ПРИЛОЖЕНИЕ 9 (обязательное). КОНТРОЛЬ НАЛИЧИЯ СВИРЛЕВЫХ ДЕФЕКТОВ В БЕЗДИСЛОКАЦИОННЫХ СЛИТКАХ МОНОКРИСТАЛЛИЧЕСКОГО КРЕМНИЯ
ПРИЛОЖЕНИЕ 9
Обязательное
Методика предназначена для выявления и контроля наличия свирлевых дефектов в бездислокационных слитках монокристаллического кремния электронного и дырочного типов электропроводности с удельным электрическим сопротивлением более 0,3 Ом·см с ориентацией (111), (100), (013). Методика применима для слитков в кремнии с плотностью микродефектов от 1·10 до 1·10
см
.
1. Сущность метода
Методика выявления свирлевых дефектов (свирлевой картины) основана на различии скорости травления областей монокристаллического слитка, содержащего микродефекты, по сравнению с кристаллографически совершенными областями. В местах расположения микродефектов скорость травления изменяется, благодаря чему область микродефекта выявляется в виде плоскодонной ямки, геометрия которой определяется ориентацией исследуемой плоскости и типом микродефекта (черт.2).
Контроль наличия свирлевых дефектов (свирлевой картины) проводят путем визуального просмотра контролируемой поверхности и подсчета числа микродефектов в поле зрения микроскопа.
2. Аппаратура, материалы, реактивы
Микроскоп металлографический ММР-4.
Люминесцентная лампа мощностью не менее 15 Вт.
Весы ВЛТК или ВНЦ-2 по ГОСТ 29329.
Ванны из винипласта.
Колба мерная по ГОСТ 1770.
Инструменты с применением алмазных порошков по ГОСТ 9206 с зернистостью не более 100/80 мкм.
Ткани хлопчатобумажные бязевой и миткалевой группы по ГОСТ 29298.
Бумага промокательная.
Бумага фильтровальная по ГОСТ 12026.
Кислота фтористоводородная ос.ч. по ТУ 6-09-3401 и ТУ 6-09-4015, техническая по ГОСТ 2567, х.ч., ч., ч.д.а. по ГОСТ 10484.
Кислота азотная ос.ч. по ГОСТ 11125, ч., ч.д.а., х.ч. по ГОСТ 4461, концентрированная техническая по ГОСТ 701.
Кислота уксусная ос.ч. по ГОСТ 18270, ч., х.ч., ч.д.а. по ГОСТ 61.
Ангидрид хромовый ч.д.а. по ГОСТ 3776, технический по ГОСТ 2548.
Вода питьевая по ГОСТ 2874*.
_______________
* На территории Российской Федерации действует ГОСТ Р 51232-98.
Допускается использование оснастки средств измерения и материалов, аналогичных по назначению и не уступающих по показателям качества.
(Измененная редакция, Изм. N 2).
3. Подготовка образцов
3.1. Контроль наличия свирлевых дефектов осуществляют на торцах монокристаллических слитков либо на пластинах, непосредственно примыкающих к торцам слитка.
3.2. Контролируемые поверхности обрабатывают с помощью инструмента (резка или шлифовка), указанного в разд.2. На контролируемой поверхности не должно быть сколов, выступов, трещин.
3.3. Обрабатываемые поверхности промывают в проточной воде и сушат фильтровальной бумагой или другим обтирочным материалом, указанным в п.3.
3.4. Химическая полировка.
3.4.1. Используют полирующий раствор состава: кислота фтористоводородная - кислота азотная в соотношении 1:(2-4).
3.4.2. Монокристаллические слитки или пластины погружают в ванну с полирующим раствором. В процессе травления раствор разогревается.
Объем полирующего раствора составляет 5-10 см на 1 г обрабатываемого материала или 5-10 см
на 1 см
поверхности. При этом вся подлежащая контролю поверхность должна быть покрыта полирующим раствором. При полировке необходимо постоянное перемешивание раствора.
3.4.3. Продолжительность химической полировки составляет 2-10 мин.
3.4.4. По окончании полировки слитки или пластины быстро выгружаются из раствора, промывают в проточной воде и сушат фильтровальной бумагой или другим обтирочным материалом, указанным в разд.2.
3.4.5. Допускается многократно использовать полирующий раствор. Полирующий раствор становится непригодным, если при травлении в нем в течение 10 мин полировка не происходит.
3.4.6. Допускается для химической полировки использовать раствор состава: кислота фтористоводородная - кислота азотная - кислота уксусная в соотношении (3:6:2).
3.5. Выявление свирлевых дефектов.
3.5.1. Плоскость (111).
3.5.1.1. Используют раствор состава: кислота фтористоводородная - водный раствор хромового ангидрида (250-300 г/л) в соотношении (3:4).
3.5.1.2. Объем травителя составляет 1,0-1,5 см на 1 г обрабатываемого материала или 1,8-2,2 см
на 1 см
поверхности.
При травлении ванну с раствором закрывают крышкой.
3.5.1.3. Продолжительность травления составляет 20-30 мин.
3.5.1.4. Способ загрузки образцов проводят как указано в п.3.4.2. Выгрузку образцов проводят после разбавления водного раствора хромового ангидрида большим количеством воды до полного обесцвечивания раствора.
3.5.1.5. Рекомендуется однократное использование раствора для всех контролируемых плоскостей (см. пп.3.5.1-3.5.3).
3.5.2. Плоскость (100).
3.5.2.1 Используют раствор состава: кислота фтористоводородная - водный раствор хромового ангидрида (1200 г/л) в соотношении (1:4).
3.5.2.2. Объем травления составляет 1,6-2,2 см на 1 г обрабатываемого материала или 5,5-5,7 см
и более на 1 см
поверхности.
3.5.2.3. Продолжительность травления составляет 30-40 мин.
3.5.3. Плоскость (013).
3.5.3.1. Используют раствор состава: кислота фтористоводородная - водный раствор хромового ангидрида (300 г/л) - вода в соотношении (3:2:3).
3.5.3.2. Объем травителя составляет 0,8-1,3 см на 1 г обрабатываемого материала или 1,6-1,9 см
на 1 см
поверхности.
3.5.3.3. Продолжительность травления составляет 25-30 мин.
4. Проведение контроля
4.1. При контроле свирлевых дефектов осматривают контролируемую поверхность невооруженным глазом, изменяя ее положение относительно источника света. Отмечают место на витке свирлевых дефектов с предположительно наиболее высокой плотностью микродефектов. При этом периферийная область шириной 5 мм не учитывается.
4.2. Плотность микродефектов определяют на металлографическом микроскопе. Рекомендуется иметь в поле зрения не более 200 ямок травления. При работе с микроскопом ММР-4 рекомендуемые увеличения приведены в таблице.
Плотность микродефектов, см | Увеличение |
До 5·10 | 100 |
От 5·10 | 100-200 |
От 2·10 | 200-300 |
Допускается плотность ямок травления подсчитать по части поля зрения.
Число микродефектов подсчитывают в пяти полях зрения, расположенных вдоль витка свирлевых дефектов с максимальной плотностью микродефектов, пропуская после каждого замера два поля зрения.
Плотность микродефектов в поле зрения () вычисляют по формуле
, (1)
где - число микродефектов в поле зрения.
При плотности микродефектов не более 2·10 см
для слитков ориентацией (100) и (013) и не более 3·10
см
для слитков ориентацией (111) слитки считаются не содержащими свирлевых дефектов.
4.3. При подсчете плотности микродефектов на исследуемой поверхности под микроскопом следует отличать ямки травления, связанные с ростовыми микродефектами, от фигур травления, возникающих в результате окисления или механических нарушений поверхности (черт.3, 4).
Плотности микродефектов подсчитывают в витке свирлевых дефектов, свободном от указанных выше фигур травления.
4.4. Окисная пленка выглядит в виде мазков, островков или сплошного матового фона. Когда окисная пленка затрудняет наблюдение свирлевых дефектов, контролируемая поверхность подлежит повторной механической и химической обработке.
4.5. При визуальном осмотре может быть обнаружен рельеф травления, связанный с примесной неоднородностью. Этот рельеф под микроскопом выглядит как система канавок.
4.6. Для приготовления полирующего раствора используют кислоты любой чистоты, для селективного раствора (выявления свирлевых дефектов) используют только кислоты особой чистоты.
4.7. Погрешность измерения, рассчитанная по формуле (1), не превышает 30% с доверительной вероятностью =0,95.
5. Требования к квалификации оператора
Квалификация оператора в объеме, необходимом для выполнения измерений по настоящей методике, должна соответствовать требованиям измерителя электрофизических параметров полупроводниковых материалов третьего или более высокого разряда в соответствии с действующим тарифно-квалификационным справочником.
6. Требования безопасности
6.1. При выполнении работы по контролю наличия свирлевых дефектов в бездислокационных слитках кремния могут возникнуть следующие виды опасности и вредности: электроопасность, химические ожоги и токсичность (отравление парами кислот).
6.2. Источником электроопасности являются электрические системы следующей аппаратуры: осветители микроскопа и вытяжной шкаф.
6.3. Источником химических ожогов и токсичности являются: азотная кислота, уксусная кислота и хромовый ангидрид.
6.4. При выполнении работ необходимо строго соблюдать требования правил техники безопасности и производственной санитарии в химической лаборатории в соответствии с требованиями ГОСТ 1367.0.
7. Термины и определения
7.1. Свирлевый дефект (свирлевая картина) - спиралеобразное распределение микродефектов относительно оси роста, обнаруживаемое после избирательного травления на торце монокристаллического слитка (черт.1) с плотностью микродефектов более 2·10 см
.
7.2. Микродефект - локальная область слитка, отличающаяся по свойствам от окружающей матрицы, ограниченная размером 10-10
мкм.
Черт.1. Свирлевая картина на торце монокристаллического кремния
Свирлевая картина на торце монокристаллического кремния

Черт.1
Черт.2. Ямки травления, образующие свирлевую картину
Ямки травления, образующие свирлевую картину

а - на плоскости (111); б - на плоскости (100); в - на плоскости (013)
Увеличение 100
Черт.2
Черт.3. Ямки травления, возникающие вследствие окисления поверхности образца
Ямки травления, возникающие вследствие окисления поверхности образца

Увеличение 225
Черт.3
Черт.4. Ямки травления, возникающие вследствие механических нарушений поверхности образцов
Ямки травления, возникающие вследствие механических нарушений поверхности образцов

Увеличение 225
Черт.4
Текст документа сверен по:
официальное издание
Цветные металлы. Кремний, магний, кадмий, титан.
Технические условия. Марки: Сб. ГОСТов. -
М.: ИПК Издательство стандартов, 2001
Разместите заказ
сами сделают вам предложение


