ГОСТы сталей. ГОСТ 16016-79
ГОСТ 16016-79
Группа В42
ГОСУДАРСТВЕННЫЙ СТАНДАРТ СОЮЗА ССР
БОЛТЫ КЛЕММНЫЕ ДЛЯ РЕЛЬСОВЫХ СКРЕПЛЕНИЙ
ЖЕЛЕЗНОДОРОЖНОГО ПУТИ
Конструкция и размеры. Технические требования
Clamp bolts for rail track fastenings.
Design and dimensions. Technical requirements
ОКП 12 9600
Дата введения 1981-01-01
ВВЕДЕН В ДЕЙСТВИЕ постановлением Государственного комитета СССР по стандартам от 26 апреля 1979 г. N 1547
Постановлением Госстандарта от 03.06.92 N 522 снято ограничение срока действия
ВЗАМЕН ГОСТ 16016-70
ПЕРЕИЗДАНИЕ (октябрь 1996 г.) с Изменениями N 1, 2, 3, утвержденными в декабре 1985 г., июне 1990 г., июне 1992 г. (ИУС 2-86, 10-90, 8-92)
Настоящий стандарт распространяется на клеммные болты нормальной точности (класс точности В) и грубой точности (класс точности С), применяемые для прикрепления рельса к подкладке в раздельных рельсовых скреплениях.
При поставке клеммных болтов для рельсовых скреплений на экспорт следует учитывать требования настоящего стандарта и ГОСТ 16018-79, предъявляемые к этим болтам.
Требования настоящего стандарта являются обязательными.
(Измененная редакция, Изм. N 1, 3).
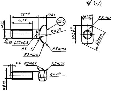
1. КОНСТРУКЦИЯ И РАЗМЕРЫ
1. КОНСТРУКЦИЯ И РАЗМЕРЫ
1.1. Конструкция и размеры клеммных болтов должны соответствовать указанным на чертеже.
1.2. Допускается изготовление болтов длиной от 65 до 105 мм и длиной резьбы от 40 до 72 мм по согласованию потребителя с изготовителем. При этом длина болта должна назначаться кратной 10 мм, а длина резьбы кратной:
4 мм - при длине резьбы до 60 мм включ.;
6 мм - " " " св. 60 мм.
1.3. Вариант изготовления головки болта устанавливает предприятие-изготовитель по согласованию с потребителем.
(Измененная редакция, Изм. N 2).
Исполнение 1 (Класс точности В)

Исполнение 2 (Класс точности С)

Вариант изготовления болта с облегченной головкой для исполнений 1 и 2

, где - средний диаметр резьбы.
________________
* Размеры указаны с учетом высоты швов от разъема матриц и заусенцев от обсечки облоя.
Пример условного обозначения клеммного болта класса точности В, исполнения 1, диаметром резьбы =22 мм, с крупным шагом резьбы, с полем допуска 8g, длиной 75 мм, класса прочности 3.6, из спокойной стали, с цинковым покрытием толщиной 9 мкм, хроматированным:
Болт M22-8g х 75.36.C.019 ГОСТ 16016-79
То же, класса точности С, исполнения 2, из автоматной стали без цинкового покрытия:
Болт С2 M22-8g х 75.36.A ГОСТ 16016-79
(Измененная редакция, Изм. N 2).
1.4. Допускается по согласованию с потребителем изготовлять болты с углублением в торце головки, глубиной не более 0,3 высоты головки.
(Введен дополнительно, Изм. N 2).
2. ТЕХНИЧЕСКИЕ ТРЕБОВАНИЯ
2.1. Клеммные болты должны изготовляться в соответствии с требованиями настоящего стандарта и ГОСТ 1759.0-87 по рабочим чертежам, утвержденным в установленном порядке.
2.2. Механические свойства болтов должны соответствовать классу прочности 3.6, 4.8 или 5.8 по ГОСТ 1759.4-87.
2.1, 2.2. (Измененная редакция, Изм. N 2).
2.3. Клеммные болты должны изготовляться без покрытия. По согласованию потребителя с изготовителем клеммные болты могут иметь цинковое с хроматированием покрытие толщиной 9-15 мкм. Требования к покрытию - по ГОСТ 9.301-86.
2.4. Резьба - по ГОСТ 24705-81. После* допуска 8 g по ГОСТ 16093-81.
________________
* Текст соответствует оригиналу. - Примечание "КОДЕКС".
2.5. Смещение оси головки относительно оси стержня болта не должно быть более 0,9 мм.
2.6. Маркировать: товарный знак или условное обозначение предприятия-изготовителя и год изготовления (две последние цифры).
Высота знаков маркировки - не менее 8 мм, толщина - не менее 1 мм, выпуклость - не менее 0,5 мм.
2.7. Теоретическая масса 1000 болтов (в скобках - масса болтов с облегченной головкой):
345 (320) - исполнения 1;
335 (310) - исполнения 2.
Примечания:
1. Когда возможно применение болтов как в исполнении 1, так и в исполнении 2, в конструкторской документации должна указываться масса в исполнении 1.
2. Изменение массы 1000 болтов при изменении их длины на 10 мм не должно быть более:
29,8 кг - для исполнения 1;
25,7 кг - для исполнения 2.
(Измененная редакция, Изм. N 2).
2.8. Правила приемки - по ГОСТ 17769-83.
(Измененная редакция, Изм. N 1).
2.9. Методы контроля болтов - по ГОСТ 1759.0-87.
Испытания механических свойств болтов должны проводиться по требованию потребителя в соответствии с ГОСТ 1759.4-87. Измерение твердости и испытание на разрыв на косой шайбе не проводится.
Допуски размеров, формы и расположение поверхностей и методы их контроля - по ГОСТ 1759.1-82.
Дефекты поверхности и методы контроля - по ГОСТ 1759.2-82.
(Измененная редакция, Изм. N 1, 2).
2.10. Контроль качества цинкового покрытия - по ГОСТ 9.302-88.
2.11. (Исключен, Изм. N 1).
2.12. Упаковка болтов и маркировка тары - по ГОСТ 18160-72.
2.13. Болты должны быть укомплектованы гайками по ГОСТ 16018-79.
Допускается транспортирование болтов и гаек без упаковки, при этом должна быть исключена возможность их смешивания.
2.14. Транспортирование болтов без упаковки на железнодорожных платформах не допускается.
Текст документа сверен по:
официальное издание
Болты и гайки для рельсовых
скреплений железнодорожного пути.
ГОСТ 16016-79-ГОСТ 16018-79: Сб. ГОСТов. -
М.: ИПК Издательство стандартов, 1997
Разместите заказ
сами сделают вам предложение
