ГОСТы сталей. ГОСТ 9798-85
ГОСТ 9798-85
Группа В42
ГОСУДАРСТВЕННЫЙ СТАНДАРТ СОЮЗА ССР
РЕЛЬСЫ КОНТРРЕЛЬСОВЫЕ РК65
Размеры
Rails for RK65 check rails. Dimensions
ОКП 092100
Дата введения 1985-07-01
ИНФОРМАЦИОННЫЕ ДАННЫЕ
1. РАЗРАБОТАН И ВНЕСЕН Министерством путей сообщения
РАЗРАБОТЧИКИ
В.П.Демидов; А.М.Тейтель, канд. техн. наук; Н.Н.Елсаков, канд. техн. наук; Ю.Н.Петров; В.Ф.Барабошин, канд. техн. наук; Н.Н.Путря, канд. техн. наук; Б.Э.Глюзберг, канд. техн. наук; Т.И.Кузнецова; С.О.Сурин; Т.А.Демидова; В.Д.Черников; В.В.Наркевич
2. УТВЕРЖДЕН И ВВЕДЕН В ДЕЙСТВИЕ Постановлением Государственного комитета СССР по стандартам от 27.02.85 N 422
3. ВЗАМЕН ГОСТ 9798-71
4. ССЫЛОЧНЫЕ НОРМАТИВНО-ТЕХНИЧЕСКИЕ ДОКУМЕНТЫ
Обозначение НТД, на который дана ссылка | Номер пункта |
ГОСТ 18232-83 | 8 |
5. Снято ограничение срока действия Постановлением Госстандарта СССР от 27.12.91 N 2215
6. ПЕРЕИЗДАНИЕ (май 1996 г.) с Изменением N 1, 2, утвержденными в декабре 1989 г., декабре 1991 г. (ИУС 2-90, 4-92)
1. Настоящий стандарт распространяется на контррельсовые рельсы РК65 (далее - рельсы), применяемые в конструкциях верхнего строения пути с железнодорожными рельсами типа Р65.
Требования пп.1-6, 8 настоящего стандарта являются обязательными, требования п.7 - рекомендуемыми.
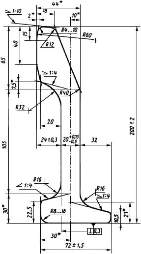
2. Размеры поперечного сечения рельсов должны соответствовать указанным на чертеже.
Расчетные данные рельсов приведены в приложении.
1, 2. (Измененная редакция, Изм. N 2).
3. Радиусы закруглений, не указанные на чертеже, должны быть 2-6 мм.
4. Размеры с неуказанными предельными отклонениями обеспечивают инструментом и в готовых рельсах не контролируют.
5. Размеры с предельными отклонениями контролируют шаблонами, согласованными с инспекцией МПС.
Измерения следует проводить на расстоянии не менее 250 мм от торцов контролируемого рельса.
(Измененная редакция, Изм. N 1, 2).
Вариант изготовления

______________
* Размеры для справок.
Условное обозначение контррельсового рельса РК65:
Рельс РК65 ГОСТ 9798-85
6. Выпуклость или вогнутость подошвы рельсов по отношению к ее краям должна быть равномерной и не превышать 0,5 мм.
7. Длину рельсов устанавливают по согласованию между потребителем и изготовителем.
Предельные отклонения по длине рельсов с двумя фрезерованными торцами не должны превышать ±6 мм на каждый кратный отрезок рельса.
Для рельсов с нефрезерованными торцами предельное отклонение по длине не должно превышать плюс 0,8% номинального значения длины.
8. Технические требования - по ГОСТ 18232.
ПРИЛОЖЕНИЕ (справочное). РАСЧЕТНЫЕ ДАННЫЕ РЕЛЬСОВ
ПРИЛОЖЕНИЕ
Справочное
РАСЧЕТНЫЕ ДАННЫЕ РЕЛЬСОВ
Площадь поперечного сечения рельса, см | 55,78 |
Расстояние до центра тяжести, см: | |
- от низа подошвы | 8,99 |
- от вертикальной грани головки | 2,63 |
Момент инерции относительно осей, см | |
- горизонтальной | 2250 |
- вертикальной | 153 |
Момент сопротивления, см | |
- по низу подошвы | 250 |
- по верху головки | 204 |
- по боковой грани подошвы, наиболее удаленной от центра тяжести | 30 |
Теоретическая масса 1 м рельса, кг | 43,68 |
Примечание. Теоретическая масса рельса определена исходя из номинальных размеров поперечного сечения рельса и плотности стали 7830 кг/м.
Электронный текст документа
подготовлен ЗАО "Кодекс" и сверен по:
официальное издание
М.: ИПК Издательство стандартов, 1996
Разместите заказ
сами сделают вам предложение
