ГОСТы сталей. ГОСТ 8194-75
ГОСТ 8194-75
Группа В42
ГОСУДАРСТВЕННЫЙ СТАНДАРТ СОЮЗА ССР
ПОДКЛАДКИ КОСТЫЛЬНОГО СКРЕПЛЕНИЯ
К ЖЕЛЕЗНОДОРОЖНЫМ РЕЛЬСАМ ТИПОВ Р65 и Р75
Конструкция и размеры
Plates of spike fastening for railway
P65 and P75 rails. Design and dimensions
ОКП 11 3000
Дата введения 1976-01-01
ВВЕДЕН В ДЕЙСТВИЕ постановлением Государственного комитета стандартов Совета Министров СССР от 18 июня 1975 г. N 1575
ПРОВЕРЕН в 1987 г. Постановлением Госстандарта от 08.06.87 N 1886 срок действия продлен до 01.01.93*
________________
* Ограничение срока действия снято по протоколу Межгосударственного Совета по стандартизации, метрологии и сертификации. (ИУС N 2, 1993 г.). Примечание "КОДЕКС".
ВЗАМЕН ГОСТ 8194-66
ПЕРЕИЗДАНИЕ (май 1990 г.) с Изменениями N 1, 2, 3, утвержденными в сентябре 1976 г., августе 1980 г., январе 1983 г. (ИУС 11-76, 11-80, 5-83)
1. Настоящий стандарт распространяется на подкладки Д65, СД65 и ДН65 костыльного скрепления к железнодорожным рельсам типов P65 и P75.
(Измененная редакция, Изм. N 3).
2а. Подкладки Д65 и ДН65 применяются в рельсовых скреплениях на деревянных шпалах и брусьях и обеспечивают наклон рельсовых нитей внутрь колеи.
(Введен дополнительно, Изм. N 3).
2. Подкладки СД65 применяются в конструкциях железнодорожного пути, где не требуется наклон рельсовых нитей.
Подкладки ДН65 применяются на кривых участках пути.
(Измененная редакция, Изм. N 3).
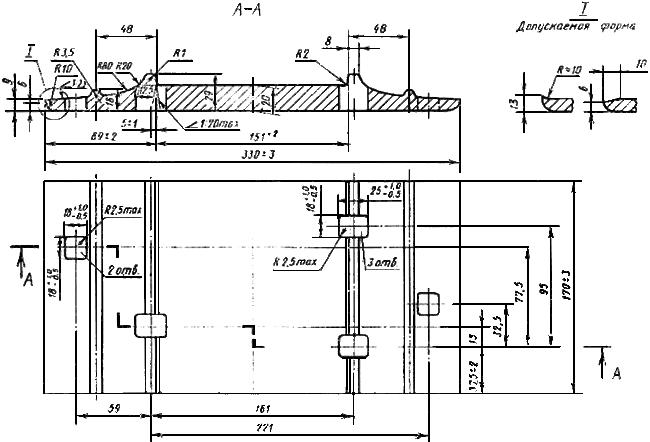
3. Конструкция и размеры подкладок Д65 должны соответствовать указанным на черт.1, подкладок СД65 - на черт.2, подкладок ДН65 - на черт.3.
Черт.1
Размеры отверстий указаны со стороны продавливания.
Черт.1
Черт.2
Размеры отверстий указаны со стороны продавливания.
Черт.2
Черт.3
Черт.3
Условное обозначение подкладки Д65:
Подкладка Д65 ГОСТ 8194-75
То же, подкладки СД65:
Подкладка СД65 ГОСТ 8194-75
То же, подкладки ДН65:
Подкладка ДН65 ГОСТ 8194-75.
(Измененная редакция, Изм. N 2, 3).
4. Технические требования - по ГОСТ 3280-84.
(Измененная редакция, Изм. N 3).
5. Масса подкладок указана в приложении к настоящему стандарту.
6. Радиусы закруглений, не указанные на чертежах, выполняются размером 2-6 мм.
5, 6. (Введены дополнительно, Изм. N 1).
7. Предельные отклонения по толщине подкладки не должны превышать ±1 мм, а по расстоянию между осями отверстий - ±0,5 мм по непараллельности и неперпендикулярности осей отверстий по отношению к ребордам и на уклон верхней поверхности подкладок ±1°.
8. Размеры, на которые не установлены предельные отклонения, в готовых подкладках не контролируются, но должны обеспечиваться технологией.
7, 8. (Измененная редакция, Изм. N 3).
ПРИЛОЖЕНИЕ (справочное). ПЛОЩАДЬ СЕЧЕНИЯ ПРОКАТА И МАССА ПОДКЛАДОК
ПРИЛОЖЕНИЕ
Справочное
Условное обозначение подкладок | Площадь сечения профиля, см | Масcа, кг | |
1 м проката | одной подкладки | ||
Д65 | 59,57 | 46,94 | 7,66 |
СД65 | 56,24 | 44,14 | 7,22 |
ДН65 | 60,70 | 47,64 | 7,83 |
Масса подкладок определена исходя из номинальных размеров и плотности стали 7850 кг/м.
(Измененная редакция, Изм. N 1, 2, 3).
Текст документа сверен по:
официальное издание
Госстандарт СССР -
М.: Издательство стандартов, 1990
Разместите заказ
сами сделают вам предложение



