ГОСТы сталей. ГОСТ 6368-82
ГОСТ 6368-82
Группа В42
ГОСУДАРСТВЕННЫЙ СТАНДАРТ СОЮЗА ССР
РЕЛЬСЫ ЖЕЛЕЗНОДОРОЖНЫЕ УЗКОЙ КОЛЕИ ТИПОВ Р8, Р11, Р18 И Р24
Конструкция и размеры
Type R8, R11, R18 and R24 narrow-gauge railway rails.
Design and dimensions
ОКП 09 2300
Срок действия с 01.01.84
до 01.01.94*
________________
* Ограничение срока действия снято
по протоколу N 3-93 Межгосударственного Совета
по стандартизации, метрологии и сертификации.
(ИУС N 5-6 1993 г.).
Примечание "КОДЕКС"
ИНФОРМАЦИОННЫЕ ДАННЫЕ
1. РАЗРАБОТАН И ВНЕСЕН Министерствами черной металлургии СССР
РАЗРАБОТЧИКИ
Н.М.Воронцов, И.С.Гринь, Л.Ф.Кузнецов, Л.Д.Дрозд, Л.И.Иванисенко, Л.В.Климова
2. УТВЕРЖДЕН И ВВЕДЕН В ДЕЙСТВИЕ Постановлением Государственного комитета СССР по стандартам от 07.09.82 N 3527
3. Срок проверки - 1992 г.
4. ВЗАМЕН ГОСТ 6368-52
5. ССЫЛОЧНЫЕ НОРМАТИВНО-ТЕХНИЧЕСКИЕ ДОКУМЕНТЫ
Обозначение НТД, на который дана ссылка | Номер пункта |
|
|
6. Переиздание (январь 1993 г.) с Изменением N 1, утвержденным в мае 1988 г. (ИУС 8-88)
7. Срок действия продлен до 01.01.94 (Постановление Госстандарта СССР от 20.05.88 N 1415)
1. Настоящий стандарт распространяется на рельсы типов Р8, Р11, Р18 и Р24 (далее - рельсы), предназначенные для укладки на железных дорогах узкой колеи.
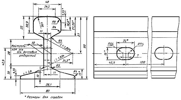
2. Размеры поперечного сечения рельсов, а также расположение и размеры отверстий для болтов должны соответствовать указанным на черт.1-4.
Тип Р8
Тип Р8

Черт.1
Тип Р11

Черт.2
Тип Р18

Черт.3
Тип Р24

Черт.4
Расчетные значения, площадь поперечного сечения рельсов, масса и распределение металла по сечению профиля указаны в приложениях 1 и 2.
3. Предельные отклонения размеров рельсов должны соответствовать указанным в табл.1.
Таблица 1
мм
Предельные отклонения | |||||||
Типы рельсов | по высоте рельса | по ширине головки | по толщине шейки | по ширине подошвы | по | по размерам отверстий для болтов, по расстоянию от центра каждого отверстия до торца рельса | по расстоянию от центра отверстия до верхней грани головки или нижней грани подошвы |
Р8 | +0,3 | + 0,3 | +0,3 | ||||
Р11 | -1,0 | -1,0 | -1,0 | ±2,0 | Не | ±1,0 | Не |
Р18 | +0,3 | +0,3 | +0,3 | +0,3 | |||
Р24 | -1,0 | -1,0 | -1,0 | -0,5 | ±1,0 | ||
Примечание. Размеры рельсов, на которые не указаны предельные отклонения, контролируют по калибрам в валках при их расточке.
4. Несимметричность поперечного сечения головки и подошвы рельсов типов Р18 и Р24 относительно вертикальной оси шейки не должна превышать полусуммы предельных отклонений размеров соответствующих элементов профиля.
5. В зависимости от назначения рельсы изготовляют:
мерной длины;
кратной мерной длины;
мерной длины с остатком;
укороченной мерной длины для кривых участков пути;
немерной длины.
6. Длина рельсов должна быть указана в заказе в соответствии с табл.2.
Таблица 2
Типы рельсов | Длина, м | |||
мерная | немерная | укороченная мерная для кривых | мерная с остатком | |
Р8, Р11 | 5, 6, 7 | От З до 7 | Не изготовляют | Остаток - рельсы немерной длины до 15% массы партии |
Р18, Р24 | 8 | От 3 до 12 | 7,87 | Не изготовляют |
Примечания:
1. По требованию потребителя допускается изготовление рельсов типов Р18 и Р24 мерной длины других размеров, не указанных в таблице.
2. Для предприятий лесной и угольной промышленности рельсы типов Р18 и Р24 должны быть мерной длины.
7. Предельные отклонения по длине рельсов мерной длины не должны превышать:
±6 мм - для рельсов с фрезерованными торцами;
±20 мм - для рельсов без фрезеровки торцев (по согласованию между изготовителем и потребителем);
Примечание. Для предприятий лесной промышленности рельсы типов Р18 и Р24 должны изготавливаться с предельными отклонениями по длине ±6 мм - с 01.01.91.
(Измененная редакция, Изм. N 1).
8. На обоих концах рельса выполняют по два отверстия для болтов.
По требованию потребителя рельсы могут быть изготовлены без отверстий для болтов на одном или обоих концах.
9. Высоту шейки рельсов типов Р18 и Р24 проверяют с помощью шаблона по наклонным поверхностям рельсовой пазухи.
10. При прошивке отверстий для болтов контроль размеров производят со стороны входа пуансона.
11. Технические требования к рельсам типов Р18 и Р24 - по ГОСТ 5876, к рельсам типов Р8 и Р11 - по согласованным между изготовителем и потребителем техническим условиям.
ПРИЛОЖЕНИЕ 1 (справочное)
ПРИЛОЖЕНИЕ 1
Справочное
Расчетные значения | |||||||||
Типы рельсов | Площадь попе- речного сечения, см | Расстояние от центра тяжести до верха головки, см | Расстоя- ние от центра тяжести до низа подошвы, см | Момент инерции отно- сительно горизон- тальной оси, см | Момент инерции относи- тельно верти- кальной оси, см | Момент сопро- тивления по верху головки, см | Момент сопро- тивления по низу подошвы, см | Момент сопро- тивления по боковой грани подошвы, см | Масса, |
Р8 | 10,76 | 3,61 | 2,89 | 60,21 | 9,88 | 16,66 | 20,86 | 3,66 | 8,42 |
Р11 | 14,28 | 4,09 | 3,96 | 126,60 | 17,06 | 30,93 | 31,99 | 5,17 | 11,18 |
Р18 | 22,88 | 4,69 | 4,31 | 238,44 | 40,68 | 50,81 | 55,36 | 10,17 | 17,91 |
Р24 | 31,79 | 5,47 | 5,33 | 497,80 | 86,10 | 91,02 | 93,39 | 18,72 | 24,90 |
Примечание. При вычислении массы приняты номинальные размеры поперечного сечения рельсов и плотность стали, равная 7830 кг/см.
ПРИЛОЖЕНИЕ 2 (справочное)
ПРИЛОЖЕНИЕ 2
Справочное
|
| ||
в головке | в шейке | в подошве | |
Р8 | 34,17 | 25,08 | 40,75 |
Р11 | 42,92 | 23,30 | 33,78 |
Р18 | 43,86 | 18,98 | 37,16 |
Р24 | 44,47 | 21,24 | 34,29 |
Текст документа сверен по:
официальное издание
М.: Издательство стандартов, 1993
Разместите заказ
сами сделают вам предложение
