ГОСТы сталей. ГОСТ 25712-88
ГОСТ 25712-88
Группа В41
ГОСУДАРСТВЕННЫЙ СТАНДАРТ СОЮЗА ССР
БАНДАЖИ ЧИСТЫЕ ДЛЯ ВАГОНОВ ТРАМВАЯ
Технические условия
Machined steel tyres for tramway cars. Specifications
ОКП 09 4100
Срок действия с 01.07.89
до 01.07.94*
__________________________
* Ограничение срока действия
снято по протоколу N 3-93 Межгосударственного Совета
по стандартизации, метрологии и сертификации
(ИУС N 5/6, 1993 год). - Примечание изготовителя базы данных.
ИНФОРМАЦИОННЫЕ ДАННЫЕ
1. РАЗРАБОТАН И ВНЕСЕН Министерством жилищно-коммунального хозяйства РСФСР
ИСПОЛНИТЕЛИ
Д.К.Бузетти, канд. техн. наук (руководитель темы), Т.А.Осипович, Г.Н.Жингарева
2. УТВЕРЖДЕН И ВВЕДЕН В ДЕЙСТВИЕ Постановлением Государственного комитета СССР по стандартам от 28.11.88 N 3846
3. Срок проверки - 1993 г.; периодичность проверки - 5 лет.
4. ВЗАМЕН ГОСТ 25712-83
5. ССЫЛОЧНЫЕ НОРМАТИВНО-ТЕХНИЧЕСКИЕ ДОКУМЕНТЫ
Обозначение НТД, на который дана ссылка | Номер пункта |
ГОСТ 5257-79 | 1.1 |
ГОСТ 577-68 | 4.3 |
ГОСТ 1050-74* | Приложение, примечание 1 |
________________
* На территории Российской Федерации действует ГОСТ 1050-88. Здесь и далее. - Примечание изготовителя базы данных.
Настоящий стандарт распространяется на бандажи, обрабатываемые при формировании колесных пар для всех типов пассажирского подвижного состава трамвая широкой и узкой колеи.
1. ТИПЫ И РАЗМЕРЫ
1. ТИПЫ И РАЗМЕРЫ
1.1. Бандажи чистые изготовляют путем механической обработки заготовок черновых по ГОСТ 5257-79 или других заготовок, не уступающих по физико-механическим свойствам.
Размеры бандажей должны соответствовать указанным на черт.1 и в табл.1.

Черт.1
Таблица 1
Размеры, мм
Типоразмер бандажа | Ширина бандажа | Диаметр по кругу катания | Диаметр посадочной поверхности | Ширина посадочного места | Размер реборды | ||
|
| ||||||
1 | 95 | 710 | 600 | 70 | 22 | 15,5 | 4,1 |
2 | 560 | ||||||
3 | 90 | 600 | 65 | 22 | 15,5 | 4,1 | |
4 | 18 | 17,6 | 3,3 | ||||
5 | 560 | ||||||
6 | 85 | 600 | 60 | 22 | 15,5 | 4,1 | |
7 | 18 | 17,6 | 3,3 | ||||
8 | 560 | ||||||
Примечания:
1. Бандажи типоразмеров 1, 2, 3 и 6 предназначены для вагонов трамвая, эксплуатируемых преимущественно на скоростных линиях.
2. Бандажи типоразмеров 2, 5 и 8 предназначены для ремонта.
3. Бандажи типоразмеров 1, 3, 4 и 7 являются предпочтительными.
4. Допускается по согласованию с потребителем изготовление бандажей диаметрами и
и шириной
, не указанными в табл.1.
Пример условного обозначения бандажа шириной 85 мм, диаметрами
710 мм,
600 мм и высотой реборды
18 мм:
Бандаж 85х710х600х18 ГОСТ 25712-88
2. ТЕХНИЧЕСКИЕ ТРЕБОВАНИЯ
2.1. Бандажи должны быть изготовлены в соответствии с требованиями настоящего стандарта по рабочим чертежам, утвержденным в установленном порядке.
2.2. Обработку бандажей проводят при формировании колесных пар. Допускается профиль поверхности катания бандажа обрабатывать после формирования колеса или колесной пары. После обработки допуск торцевого и радиального биений бандажа не должен превышать 0,8 мм.
2.3. Обработанные поверхности катания бандажей должны быть чистыми, без трещин, раковин, выбоин, черновин.
На расточенной перед насадкой бандажа посадочной поверхности не допускается более двух черновин длиной до 30 мм каждая вдоль бандажа и до 20 мм в поперечном измерении глубиной не более 1 мм. Указанные черновины допускаются при условии, что они расположены не ближе 10 мм от упорного бурта или канавки для бандажного кольца.
Не допускается вырубать дефекты, обнаруженные после обточки бандажа.
2.4. Диаметр посадочной поверхности бандажа должен быть меньше диаметра обода колесного центра (диска) на 0,65-0,95 мм.
2.5. Овальность диаметра допускается не более 0,3 мм.
Конусообразность диаметра допускается не более 0,15 мм при условии, что направление конусообразности бандажа совпадает с направлением конусообразности центра (диска).
2.6. Средний ресурс до предельного износа бандажа (п.5.1) должен составлять не менее 100000 км.
3. ПРАВИЛА ПРИЕМКИ
3.1. Для проверки соответствия бандажей требованиям настоящего стандарта следует проводить приемочный контроль, при котором проверяют:
основные размеры (см. табл.1);
внешний вид (п.2.3);
торцевое и радиальное биения (п.2.2);
овальность и конусность диаметра (п.2.5).
Проверке и осмотру подвергают каждый обработанный бандаж.
3.2. Проверку внешнего вида (п.2.3), размеров и
, овальности и конусообразности диаметра (п.2.5) проводят до насадки бандажа на центр (диск). Остальные размеры проверяют на сформированном колесе или колесной паре.
4. МЕТОДЫ ПРОВЕРКИ
4.1. Проверку размеров внутреннего диаметра , диаметра по кругу катания
, ширину бандажа
, размеры паза для стопорного кольца и упорного выступа производят с точностью до 0,1 мм.
4.2. Профиль наружной поверхности бандажа проверяют профильным шаблоном, размеры которого должны соответствовать указанным на черт.2 и табл.2 приложения. Зазоры между профилем бандажа (поверхностью катания, ребордой и внутренней гранью бандажа) и рабочей поверхностью профильного шаблона, свободно наложенного на поверхность катания, не должны превышать 0,5 мм, а высота реборды - 1 мм.
4.3. Торцевое и радиальное биения (п.2.2) после обточки бандажа проверяют индикатором часового типа ИЧ 05 кл.1 по ГОСТ 577-68 или другим измерительным инструментом, обеспечивающим не меньшую точность.
4.4. Внешний вид (п.2.3) проверяют визуально.
4.5. Овальность диаметра (п.2.5) определяют с точностью до 0,1 мм по трем диаметрам по окружности через 60°.
Конусообразность диаметра определяют с точностью до 0,1 мм по посадочной поверхности вдоль оси вращения бандажа не менее, чем в трех точках.
5. УКАЗАНИЯ ПО ЭКСПЛУАТАЦИИ
5.1. Износ бандажей по диаметру круга катания допускается до 650 мм при 600 мм и до 610 мм - при диаметре
560 мм. При достижении предельного износа бандаж заменяют новым.
5.2. Минимально допустимые размеры реборды 11 мм,
8 мм, при которых бандаж подлежит механической обработке до восстановления номинального рабочего профиля. Допускается восстановление размеров реборды другими способами с последующей механической обработкой, если механические свойства реборды не ниже первоначальных.
5.3. Мелкие дефекты на поверхности катания и реборде, возникающие в процессе эксплуатации, устраняют механической обработкой бандажа или другими способами с последующей проточкой.
6. ГАРАНТИИ ИЗГОТОВИТЕЛЯ
Изготовитель гарантирует соответствие бандажа чистого для трамвайных вагонов требованиям настоящего стандарта при соблюдении условий эксплуатации.
Гарантийный срок эксплуатации - 12 мес со дня ввода бандажа в эксплуатацию.
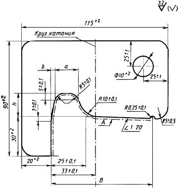
ПРИЛОЖЕНИЕ (справочное). ПРОФИЛЬНЫЙ ШАБЛОН
ПРИЛОЖЕНИЕ
Справочное

Черт.2
Таблица 2
Размеры, мм
Типоразмер бандажа |
|
|
|
|
1, 2 | 95 | 22 | 15,5 | 4,1 |
3 | 90 | 22 | 15,5 | 4,1 |
4, 5 | 18 | 17,6 | 3,3 | |
6 | 85 | 22 | 15,5 | 4,1 |
7, 8 | 18 | 17,6 | 3,3 |
Примечания:
1. Шаблон изготовляют из стали 50 по ГОСТ 1050-74, толщина шаблона - 5 мм.
2. Параметр шероховатости поверхности
1,6 мкм.
Электронный текст документа
подготовлен ЗАО "Кодекс" и сверен по:
официальное издание
М.: Издательство стандартов, 1989
Разместите заказ
сами сделают вам предложение
