ГОСТы сталей. ГОСТ 10551-75
ГОСТ 10551-75
Группа В22
МЕЖГОСУДАРСТВЕННЫЙ СТАНДАРТ
ПРОФИЛИ СТАЛЬНЫЕ ГНУТЫЕ ГОФРИРОВАННЫЕ
Сортамент
Steel roll-formed corrugated sections. Range
МКС 77.140.70
ОКП 11 2000
Дата введения 1978-01-01
ИНФОРМАЦИОННЫЕ ДАННЫЕ
1. РАЗРАБОТАН И ВНЕСЕН Министерством черной металлургии СССР
2. УТВЕРЖДЕН И ВВЕДЕН В ДЕЙСТВИЕ Постановлением Государственного комитета стандартов Совета Министров СССР от 29.12.75 N 4074
3. ССЫЛОЧНЫЕ НОРМАТИВНО-ТЕХНИЧЕСКИЕ ДОКУМЕНТЫ
Обозначение НТД, на который дана ссылка | Номер пункта |
ГОСТ 11474-76 | 14 |
ГОСТ 16523-97 | 15 |
ГОСТ 17066-94 | 15 |
4. Ограничение срока действия снято по протоколу N 2-92 Межгосударственного совета по стандартизации, метрологии и сертификации (ИУС 2-93)
5. ИЗДАНИЕ (октябрь 2012 г.) с Изменениями N 1, 2, 3, 4, утвержденными в июне 1978 г., июне 1987 г., июле 1989 г., октябре 1990 г. (ИУС 6-78, 11-87, 11-89, 1-91)
1. Настоящий стандарт распространяется на гнутые гофрированные профили с полукруглой и трапециевидной формой гофров, изготовляемые на профилегибочных станах, толщиной 1-2 мм из холоднокатаной стали и толщиной 2-4 мм - из горячекатаной стали, предназначенные для вагоностроения.
(Измененная редакция, Изм. N 3).
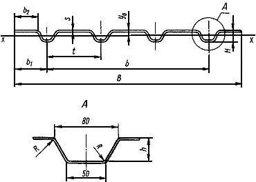
2. Вид профилей, форма гофров, размеры, справочные величины и масса 1 м профиля должны соответствовать указанным на черт.1-18 и в табл.1-18.

Черт.1
Таблица 1
Номер про- филя | Коли- чество гофров | Масса 1 м, кг | Справочные величины | ||||||||||||
мм |
|
|
| ||||||||||||
1 | 1310±6 | 150 | 121±4 | 3 | 1010±2 | 15 | 8 | 35±2 | 38 | 2 | 32,24 | 0,47 | 26,9 | 8,08 | |

Черт.2
Таблица 2
Номер про- филя |
| Коли- чество гофров | Масса 1 м, кг | Справочные величины для оси | ||||||||||
мм |
|
|
| |||||||||||
1 | 1094 | 900 | 100 | 60 | 1,5 | 300 | 8 | 30 | 31,5 | 4 | 14,25 | 0,86 | 25,34 | 11,05 |
2 | 1144 | 900 | 122 | 82 | 1,4 | 300 | 8 | 30 | 31,4 | 4 | 13,87 | 0,82 | 23,91 | 10,3 |
3 | 1276 | 900 | 188 | 148 | 1,5 | 300 | 8 | 30 | 31,5 | 4 | 16,43 | 0,73 | 26,55 | 11,08 |

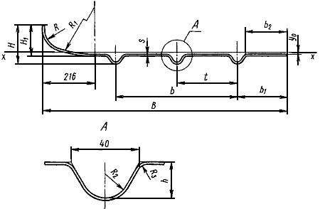
Черт.3
Таблица 3
Номер про- филя |
|
| Коли- чество гофров | Масса 1 м, кг | Справочные величины для оси | |||||||||||||||
мм |
|
|
| |||||||||||||||||
1 | 345 | 50 | 30 | 2 | 132 | - | 17 | 7 | 3 | 14 | 7 | 18 | 21±1 | 23 | 2 | 6,1 | 0,46 | 2,49 | 1,35 | |
2 | 552 | 50 | 30 | 2 | 132 | 250 | 17 | 7 | 3 | 14 | 7 | 18 | 21±1 | 23 | 3 | 9,4 | 0,53 | 5,75 | 3,24 | |
3 | 562 | 50 | 30 | 2 | 132 | 250 | 17 | 7 | 3 | 14 | 7 | 18 | 21±1 | 23 | 3 | 9,55 | 0,52 | 5,79 | 3,25 | |
4 | 880 | 50 | 30 | 2,5 | 132 | 250 | 17 | 7 | 3 | 14 | 7 | 18 | 21±1 | 23,5 | 4 | 18,37 | 0,48 | 10,26 | 5,49 | |

Черт.4
Таблица 4
Номер профиля | Коли- чество гофров | Масса 1 м, кг | Справочные величины для оси | |||||||||||||
мм |
|
|
| |||||||||||||
1 | 980±7 | 840 | 70 | 58,4±5 | 1,5 | 140±0,5 | 12 | 7 | 10±1 | 11,5 | 7 | 11,95 | 0,23 | 1,51 | 1,64 | |

Черт.5
Таблица 5
Номер про- филя | Коли- чество гофров | Масса 1 м, кг | Справочные | |||||||||||||||
мм |
|
|
| |||||||||||||||
1 | 1095 | 500 | 250 | 230±6 | 2,5 | 250±0,5 | 66 | 350 | 14 | 7 | 21±1 | 115±10 | 136 | 3 | 20,41 | 0,44 | 148,65 | 53,29 |

Черт.6
Таблица 6
Номер про- филя |
| Коли- чество гофров | Масса 1 м, кг | Справочные величины для оси | |||||||||||
мм |
|
|
| ||||||||||||
1 | 885 | 700 | 125 | 90 | 1,4 | 175±1 | 4 | 28 | 29,4 | 5 | 11,58 | 1,10 | 21,41 | 11,64 | |
2 | 885 | 700 | 125 | 90 | 1,6 | 175±1 | 4 | 28 | 29,6 | 5 | 13,24 | 1,10 | 24,38 | 13,10 | |
3 | 885 | 700 | 125 | 90 | 1,8 | 175±1 | 4 | 28 | 29,8 | 5 | 14,41 | 1,12 | 26,76 | 14,39 | |
4 | 945 | 700 | 125 | 86 | 1,6 | 175±1 | 4 | 28 | 29,6 | 5 | 13,88 | 1,05 | 25,41 | 13,32 | |

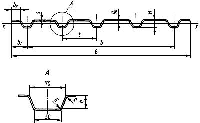
Черт.7
Таблица 7
Номер про- филя |
|
|
| Коли- чество гофров | Масса 1 м, кг | Справочные величины для оси | |||||||||||
мм |
|
|
| ||||||||||||||
1 | 900 | 500 | 210 | 190 | 2,5 | 125 | 65 | 14 | 7 | 21±1 | 95 | 116 | 5 | 20,11 | 0,04 | 85,3 | 37,78 |
2 | 915 | 500 | 225 | 205 | 2,5 | 125 | 65 | 14 | 7 | 21±1 | 95 | 116 | 5 | 20,41 | 0,05 | 85,5 | 38 |

Черт.8
Таблица 8
Номер про- филя |
|
| Коли- чество гофров | Масса 1 м, кг | Справочные величины для оси | |||||||||||
мм |
|
|
| |||||||||||||
1 | 752 | 651 | 50,5 | 25,5 | 1,4 | 93 | 4 | 12,6 | 18,6 | 20 | 8 | 9,67 | 1,03 | 7,65 | 7,39 | |
2 | 757 | 651 | 53 | 28 | 1,4 | 93 | 4 | 12,6 | 18,6 | 20 | 8 | 9,73 | 1,03 | 7,66 | 7,41 | |

Черт.9
Таблица 9
Номер про- филя | Количество гофров | Масса 1 м, кг | Справочные величины для оси | ||||||||||
мм |
|
|
| ||||||||||
1 | 1105±6 | 325 | 225±5 | 3 | 600±1 | 8 | 36±2 | 39 | 2 | 26,87 | 1,08 | 65,78 | 23,3 |

Черт.10
Таблица 10
Номер про- филя |
|
| Коли- чество | Масса 1 м, кг | Справочные | ||||||||||
мм |
|
|
| ||||||||||||
1 | 525±6 | 250 | 105 | 85 | 2 | 125 | 17 | 7 | 20 | 22 | 3 | 8,84 | 0,61 | 5,4 | 3,17 |
2 | 1130±8 | 1000 | 50 | 30 | 1,5 | 125 | 17 | 7 | 20 | 21,5 | 9 | 14,93 | 0,50 | 10,64 | 6,9 |

Черт.11
Таблица 11
Номер профиля | Коли- чество гофров | Масса 1 м, кг | Справочные величины для оси | |||||||||
мм |
|
|
| |||||||||
1 | 985±5 | 500 | 60 | 3 | 8 | 36±2 | 39 | 1 | 23,64 | 0,69 | 38,9 | 12,14 |

Черт.12
Таблица 12
Номер про- |
| Коли- чество гофров | Масса 1 м, кг | Справочные величины для оси | |||||||||||
мм |
|
|
| ||||||||||||
1 | 1260 | 160 | 60 | 50 | 4 | 600 | 8 | 36 | 6±2 | 40 | 2 | 40,69 | 1,03 | 90,62 | 30,49 |
2 | 1280 | 160 | 60 | 70 | 4 | 600 | 8 | 36 | 6±2 | 40 | 2 | 41,29 | 1,02 | 90,72 | 30,48 |

Черт.13
Таблица 13
Номер про- филя | Коли- чество гофров | Масса 1 м, кг | Справочные | |||||||||||||
мм |
|
|
| |||||||||||||
1 | 830±15 | 690 | 70 | 41,5±10 | 58 | 3 | 115±1 | 10 | 27±3 | 30 | 7 | 23,74 | 1,47 | 42,79 | 27,9 | |

Черт.14
Таблица 14
Номер про- филя |
|
| Коли- чество | Масса 1 м, кг | Справочные величины для оси | ||||||||||||
мм |
|
|
| ||||||||||||||
1 | 735 | 500 | 170 | 150 | 2,0 | 250 | 14 | 7 | 21 | 23 | 3 | 12,29 | 0,40 | 6,26 | 3,29 | ||
2 | 910 | 750 | 80 | 60 | 2,0 | 250 | 14 | 7 | 21 | 23 | 4 | 15,29 | 0,42 | 8,21 | 4,36 | ||
3 | 978 | 750 | 168 | 148 | 2,0 | 250 | 14 | 7 | 21 | 23 | 4 | 16,36 | 0,40 | 8,34 | 4,39 | ||
4 | 978 | 750 | 114 | 94 | 2,0 | 250 | 14 | 7 | 21 | 23 | 4 | 16,30 | 0,36 | 8,34 | 4,39 | ||
5 | 978 | 750 | 168 | 148 | 1,5 | 250 | 14 | 7 | 21 | 22,5 | 4 | 12,27 | 0,40 | 5,84 | 3,18 | ||
6 | 985 | 750 | 120 | 100 | 2,0 | 250 | 14 | 7 | 21 | 23 | 4 | 16,47 | 0,40 | 8,35 | 4,39 | ||
7 | 985 | 750 | 120 | 100 | 1,5 | 250 | 14 | 7 | 21 | 22,5 | 4 | 12,39 | 0,39 | 6,95 | 3,55 | ||
8 | 990 | 750 | 120 | 100 | 2,0 | 250 | 14 | 7 | 21 | 23 | 4 | 16,55 | 0,40 | 8,35 | 4,39 | ||
9 | 1025 | 750 | 120 | 100 | 1,5 | 250 | 14 | 7 | 21 | 22,5 | 4 | 12,80 | 0,36 | 6,25 | 3,31 | ||
10 | 1030 | 750 | 170 | 150 | 2,0 | 250 | 14 | 7 | 21 | 23 | 4 | 17,13 | 0,39 | 8,42 | 4,4 | ||
11 | 1070 | 750 | 160 | 140 | 1,4 | 250 | 14 | 7 | 21 | 22,4 | 4 | 12,42 | 0,34 | 5,88 | 3,1 | ||
12 | 1080 | 750 | 165 | 145 | 1,2 | 250 | 14 | 7 | 21 | 22,2 | 4 | 10,21 | 0,26 | 3,58 | 1,83 | ||
13 | 1080 | 750 | 165 | 145 | 1,4 | 250 | 14 | 7 | 21 | 22,4 | 4 | 12,63 | 0,33 | 5,64 | 2,95 | ||
14 | 1080 | 750 | 165 | 145 | 1,5 | 250 | 14 | 7 | 21 | 22,5 | 4 | 13,49 | 0,34 | 6,30 | 3,30 | ||

Черт.15
Таблица 15
Номер про- филя |
|
| Коли- чество гофров | Масса 1 м, кг | Справочные величины для оси | |||||||||||
мм |
|
|
| |||||||||||||
1 | 1000 | 500 | 300 | 44 | 2,5 | 250 | 3,0 | 14 | 7 | 21 | 23,5 | 3 | 20,55 | 0,36 | 8,33 | 4,19 |
2 | 1160 | 750 | 215 | 35 | 2,0 | 250 | 3,0 | 14 | 7 | 21 | 23,0 | 4 | 19,12 | 0,36 | 8,58 | 4,42 |

Черт.16
Таблица 16
Номер про- филя |
|
|
|
| Коли- чество гоф- ров | Масса 1 м, кг | Справочные | ||||||||||||
мм |
|
|
| ||||||||||||||||
1 | 975 | 510 | 240 | 180 | 2,5 | 255 | 16 | 15,5 | 11 | 14,5 | 10 | 12 | 14,5 | 9 | 19,68 | 0,38 | 4,16 | 3,91 | |
2 | 1050 | 510 | 255 | 196 | 2,5 | 255 | 16 | 15,5 | 11 | 14,5 | 10 | 12 | 14,5 | 9 | 21,20 | 0,37 | 4,29 | 3,96 | |
3 | 1210 | 510 | 330 | 270 | 1,5 | 255 | 16 | 15,5 | 11 | 14,5 | 10 | 12 | 13,5 | 9 | 14,68 | 0,28 | 2,61 | 2,44 | |
4 | 1215 | 510 | 335 | 275 | 2,5 | 255 | 16 | 15,5 | 11 | 14,5 | 10 | 12 | 14,5 | 9 | 24,39 | 0,33 | 4,52 | 4,06 | |

Черт.17
Таблица 17
Номер про- | Коли- чество гофров | Масса 1 м, кг | Справочные величины для оси | |||||||||||
мм |
|
|
| |||||||||||
1 | 1035±7 | 600 | 310 | 35±5 | 1,4 | 300 | 8 | 30±2 | 31,4 | 3 | 12,51 | 0,81 | 21,37 | 9,75 |

Черт.18
Таблица 18
Номер профиля | Коли- чество гофров | Масса 1 м, кг | Справочные величины для оси | ||||||||||
мм |
|
|
| ||||||||||
1 | 1283±7 | 900 | 191 | 25±5 | 1,4 | 300 | 30±2 | 31,4 | 4 | 15,8 | 0,97 | 26,53 | 12,22 |
Примечания к черт.1-18, табл.1-18:
1. Размеры профилей, указанные без предельных отклонений, не контролируются.
2. Шаг, ширина, радиусы кривизны и глубины гофров контролируются при расточке валков, а на готовом профиле не контролируются.
3. Линейная плотность, кг/м профиля и справочные величины для осей вычислены по номинальным размерам. При вычислении линейной плотности профиля плотность стали принята равной 7,85 г/см.
4. Линейная плотность, кг/м профиля не является основанием для сдачи продукции.
(Измененная редакция, Изм. N 1).
3. (Исключен, Изм. N 2).
4. Предельная величина волнистости боковых полок устанавливается в зависимости от толщины и ширины полок.
Для профилей толщиной до 2,5 мм волнистость на 1 м не должна превышать:
10 мм - при ширине полки до 20 толщин;
15 мм - при ширине полки до 70 толщин;
20 мм - при ширине полки до 100 толщин;
25 мм - при ширине полки более 100 толщин.
Для профилей толщиной более 2,5 мм волнистость не должна превышать 15 мм на 1 м.
Примечание. Для профиля N 2 (см. табл.3) волнистость не должна превышать 12 мм на 1 м.
5. Скручивание профилей вокруг продольной оси не должно превышать 0,1% длины.
6. Прогиб профилей в поперечном направлении, измеряемый между крайними гофрами, для профилей толщиной до 2 мм не нормируется, а для профилей толщиной более 2 мм не должен превышать 1,5% ширины профиля.
(Измененная редакция, Изм. N 1).
7. Прогиб профилей по гофрам в продольном направлении не должен превышать 0,2% длины профиля.
Для профилей, указанных в табл.3, 5, 7, и профилей N 2 и 8 (см. табл.14) прогиб в продольном направлении не должен превышать 1 мм на 1 м и 0,1% длины профиля.
8. Профили должны быть обрезаны под прямым углом. Косина реза не должна превышать 10 мм на ширину профиля.
9. Ребровая кривизна, замеряемая по гофрам, не должна превышать 5 мм на длину профиля.
10. Контроль размеров поперечного сечения и параметров проводится на расстоянии не менее 300 мм от концов профиля.
11. Профили изготовляют длиной от 3 до 11,8 м.
(Измененная редакция, Изм. N 2).
12. В зависимости от назначения профили изготовляются:
- немерной длины;
- мерной длины;
- кратной мерной длины.
По соглашению изготовителя с потребителем допускается изготовление профилей длиной, равной половине заказываемой.
Примечание. При заказе профилей мерной и кратной мерной длины допускается наличие профилей немерной длины в количестве не более 10% массы партии.
13. При изготовлении профилей мерной и кратной мерной длины предельные отклонения по длине не должны превышать:
+40 мм - для профилей длиной до 6 м;
+80 мм - для профилей длиной свыше 6 м.
(Измененная редакция, Изм. N 1).
14. Остальные технические требования должны соответствовать ГОСТ 11474.
15. Профили изготавливаются из сталей марок: Ст0, Ст1кп, Ст1пс, Ст2кп, Ст2пс, Ст3кп, Ст3пс по ГОСТ 16523.
08кп, 08пс, 08, 10кп, 10пс, 10, 15кп, 15пс, 15, 20кп, 20пс, 20 по ГОСТ 16523.
Профили, указанные в табл.4, 9, 11, 12, и профили N 3, 4, 10, 12 (см. табл.14) должны изготавливаться из стали марок 09Г2, 09Г2Д, 10ХНДП по ГОСТ 17066.
(Измененная редакция, Изм. N 2, 4).
Электронный текст документа
подготовлен ЗАО "Кодекс" и сверен по:
официальное издание
Стальной листовой прокат.
Сортамент: Сб. ГОСТов. -
М.: Стандартинформ, 2012
Разместите заказ
сами сделают вам предложение
