ГОСТы сталей. ГОСТ 5267.3-90
ГОСТ 5267.3-90
Группа В22
МЕЖГОСУДАРСТВЕННЫЙ СТАНДАРТ
ПРОФИЛЬ ЗЕТОВЫЙ ДЛЯ ХРЕБТОВОЙ БАЛКИ
Сортамент
Z-section for centre girder. Dimensions
ОКП 09 3100
Дата введения 1991-07-01
ИНФОРМАЦИОННЫЕ ДАННЫЕ
1. РАЗРАБОТАН И ВНЕСЕН Министерством металлургии СССР
2. УТВЕРЖДЕН И ВВЕДЕН В ДЕЙСТВИЕ Постановлением Государственного комитета СССР по управлению качеством продукции и стандартам от 25.06.90 N 1762
3. ВЗАМЕН ГОСТ 5267.3-78
4. Ограничение срока действия снято по протоколу N 7-95 Межгосударственного Совета по стандартизации, метрологии и сертификации (ИУС 11-95)
5. ПЕРЕИЗДАНИЕ
Настоящий стандарт распространяется на горячекатаный зетовый профиль для хребтовой балки вагонов.
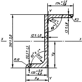
1. Размеры, предельные отклонения, площадь поперечного сечения, масса 1 м профиля и справочные значения должны соответствовать приведенным на чертеже и в таблице.

Справочное значение величины | |||||||||
Площадь поперечного сечения, см | Масса 1 м, кг | ||||||||
Верх | Низ | Левая | Правая | ||||||
см | см | см | см | ||||||
84,74 | 66,52 | 13177,8 | 3760,95 | 843,11 | 857,37 | 288,2 | 216,77 | 13,05 | 15,37 |
2. Кривизна профиля не должна превышать в вертикальной плоскости в сторону тонкой полки 0,50% длины, в горизонтальной плоскости - 0,3% длины.
3. Прогиб стенки по высоте сечения профиля не должен превышать 1,35 мм.
4. Скручивание профиля не должно превышать 1,0 мм на 1 м длины.
5. Притупление прямых углов профиля 4 мм.
6. Скос прямых углов не должен превышать 3 мм по полкам, 30 мм - по стенке.
Текст документа сверен по:
официальное издание
Стальной прокат. Профили: Сб. ГОСТов. -
М.: ИПК Издательство стандартов, 2003
Разместите заказ
сами сделают вам предложение
