ГОСТы сталей. ГОСТ 28394-89
ГОСТ 28394-89
Группа В11
МЕЖГОСУДАРСТВЕННЫЙ СТАНДАРТ
ЧУГУН С ВЕРМИКУЛЯРНЫМ ГРАФИТОМ ДЛЯ ОТЛИВОК
Марки
Vermicular graphite iron for castings. Grades
МКС 77.080.10
ОКП 41 1130
Дата введения 1991-01-01
ИНФОРМАЦИОННЫЕ ДАННЫЕ
1. РАЗРАБОТАН И ВНЕСЕН Министерством Минтяжмаш СССР*
________________
* Текст соответствует оригиналу. - Примечание "КОДЕКС".
2. УТВЕРЖДЕН И ВВЕДЕН В ДЕЙСТВИЕ Постановлением Государственного комитета СССР по управлению качеством продукции и стандартам от 21.12.89 N 3930
3. ВВЕДЕН ВПЕРВЫЕ
4. ССЫЛОЧНЫЕ НОРМАТИВНО-ТЕХНИЧЕСКИЕ ДОКУМЕНТЫ
Обозначение НТД, на который дана ссылка | Номер пункта |
ГОСТ 1497-84 | 5 |
ГОСТ 3443-87 | 12 |
ГОСТ 27208-87 | 6 |
5. Ограничение срока действия снято по протоколу N 5-94 Межгосударственного Совета по стандартизации, метрологии и сертификации (ИУС N 11-12-94)
6. ПЕРЕИЗДАНИЕ
Настоящий стандарт устанавливает марки чугуна для отливок, имеющего в структуре графит вермикулярной формы (ВГ) с количеством шаровидного графита не более 40%, определяемые на основе механических свойств.
1. Для изготовления отливок должны применяться чугуны следующих марок: ЧВГ 30, ЧВГ 35, ЧВГ 40, ЧВГ 45.
2. Марка чугуна определяется временным сопротивлением разрыву при растяжении и условным пределом текучести.
Условное обозначение марки включает: букву Ч - чугун; буквы ВГ - форма графита (вермикулярный графит) и цифровое обозначение минимального значения временного сопротивления разрыву при растяжении в МПа·10.
Пример условного обозначения чугуна с вермикулярным графитом с временным сопротивлением при растяжении 300 МПа·10:
ЧВГ 30 по ГОСТ 28394
3. Механические свойства чугуна в литом состоянии или после термической обработки должны соответствовать нормам, указанным в табл.1.
Таблица 1
Марка чугуна | Временное сопротивление разрыву при растяжении | Условный предел текучести | Относительное удлинение | Твердость по Бринеллю НВ |
не менее | ||||
ЧВГ 30 | 300 (30) | 240 (24) | 3,0 | 130-180 |
ЧВГ 35 | 350 (35) | 260 (26) | 2,0 | 140-190 |
ЧВГ 40 | 400 (40) | 320 (32) | 1,5 | 170-220 |
ЧВГ 45 | 450 (45) | 380 (38) | 0,8 | 190-250 |
Примечание. Относительное удлинение и твердость по Бринеллю определяют при наличии специальных требований в нормативно-технической документации. По требованию потребителя допускается устанавливать другие значения твердости.
4. Химический состав, физико-механические свойства и области применения чугуна приведены в приложении (табл.2-4).
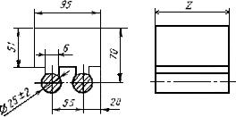
5. Определение механических свойств проводят по ГОСТ 1497 на одном образце диаметром 14 мм с расчетной длиной 70 мм (черт.1).

Черт.1
Допускается в нормативно-технической документации на конкретную продукцию устанавливать образцы других размеров.
6. Определение твердости проводят по ГОСТ 27208.
7. При получении неудовлетворительных результатов испытаний по требуемым показателям проводят повторные испытания на двух образцах. Результаты испытаний считают удовлетворительными, если они соответствуют требованиям настоящего стандарта.
8. При получении неудовлетворительных результатов испытаний образцов в литом состоянии допускается их термообработка вместе с отливками с последующей проверкой механических свойств в соответствии с пп.5 и 6.
9. Для определения механических свойств чугуна применяют отдельно отлитые заготовки, форма и размеры которых приведены на черт.2 и 3.

Черт.2

- выбирается в зависимости от размера и количества образцов.
Заштрихованные участки соответствуют месту вырезки образцов.
Черт.3
10. Условия заливки заготовок для образцов должны соответствовать условиям заливки самих отливок.
11. При применении термической обработки для получения заданной марки чугуна вместе с партией отливок должна проводиться термическая обработка отдельно отлитых заготовок, из которых вырезаются образцы для определения механических свойств.
12. Форма графита в структуре чугуна определяется по ГОСТ 3443.
ПРИЛОЖЕНИЕ (справочное)
ПРИЛОЖЕНИЕ
Справочное
Химический состав чугуна с вермикулярным графитом
Таблица 2
Марка чугуна | Массовая доля элементов, % | |||||||
Углерод | Кремний | Марганец | Фосфор | Сера | Хром | Медь | Магний | |
ЧВГ 30 | 3,5-3,8 | 2,2-3,0 | 0,2-0,6 | До 0,08 | До 0,025 | До 0,15 | - | 0,015-0,028* |
ЧВГ 35 | 3,5-3,8 | 2,2-2,8 | 0,2-0,6 | До 0,08 | До 0,025 | До 0,15 | - | 0,02-0,028 |
ЧВГ 40 | 3,1-3,5 | 2,0-2,5 | 0,4-1,0 | До 0,08 | До 0,025 | До 0,20 | 0,4-0,6 | 0,02-0,028 |
ЧВГ 45** | 3,1-3,5 | 2,0-2,5 | 0,8-1,2 | До 0,05 | До 0,025 | До 0,30 | 0,8-1,0 | 0,02-0,028 |
* Цифры в числителе соответствуют содержанию остаточного магния в чугуне, в знаменателе - остаточному содержанию суммы редкоземельных элементов (РЗМ). | ||||||||
Таблица 3
Влияние приведенной толщины стенки отливки на механические свойства ЧВГ
Механическое свойство, не менее | Приведенная толщина стенки, мм | ||||
10 | 20 | 30 | 50 | 100 | |
Временное сопротивление при растяжении | 450 | 420 | 400 | 380 | 350 |
Относительное удлинение | 3,8 | 3,5 | 3,0 | 2,8 | 2,5 |
Твердость по Бринеллю, НВ | 190 | 180 | 170 | 160 | 160 |
Таблица 4
Физико-механические свойства чугуна с вермикулярным графитом
Характеристика свойства | Размерность | Марка | |||
ЧВГ 30 | ЧВГ 35 | ЧВГ 40 | ЧВГ 45 | ||
Временное сопротивление при сжатии | МПа | 450 | 700 | 1000 | 1400 |
Ударная вязкость, KCV, не менее | Дж/м | 10 | 10 | - | - |
Предел выносливости | МПа | 140 | 150 | 170 | 190 |
Модуль упругости (при 20 °С) | МПа | 13-14 | 13-14,5 | 14,5-16 | 14-17 |
Коэффициент интенсивности напряжения | МПа | 50 | 53,5 | 50,5 | 50,5 |
Циклическая вязкость (логарифмический декремент затухания вибрации ( | 4,0-7,0 | 4,0-7,0 | - | - | |
Плотность | г/см | 7,0 | 7,1 | 7,2 | 7,3 |
Теплопроводность, | Вт/м·К | 0,49-0,51 | 0,47-0,49 | 0,37-0,41 | 0,37-0,41 |
Коэффициент линейного расширения (20-100 °С) | 10 | 12-14 | 12-14 | 12-14 | 12-14 |
Электросопротивление | МкОм/см | 70-80 | 70-80 | 70-80 | - |
Магнитная проницаемость | gc/эрст | 300-1500 | 300-1500 | 300-1500 | - |
Таблица 5
Области применения чугуна с вермикулярным графитом
Марка чугуна | Область применения | Примеры отливок |
ЧВГ 30 ЧВГ 35 ЧВГ 40 | Детали общего машиностроения (взамен серого чугуна), работающие при повышенных циклических механических нагрузках. | Базовые детали станков, кузнечно-прессового оборудования, корпусные детали и др. |
Детали двигателей внутреннего сгорания, работающих при переменных повышенных температурах и механических нагрузках: | Маслоприводы для тракторов, опорные детали, головки цилиндров, крепежные детали рам, бандажные кольца шестерен автомобилей повышенной грузоподъемности, тормозные рычаги тракторов, тормозные кронштейны, вентиляторная подушка, соединительные фланцы, крышки коробки передач, корпуса, крышки и головки цилиндров, корпуса турбокомпрессоров, выхлопные патрубки, ступицы колес, балансиры, V-образные блоки 12-цилиндровых двигателей, блоки 6-цилиндровых двигателей. | |
Крышки и головки цилиндров мощных судовых и тепловозных двигателей. | ||
Тормозные диски для высокоскоростных поездов, корпуса выпускных клапанов. | ||
Корпуса газовых турбин, корпуса компрессоров. | ||
Изложницы, поддоны, кокильная оснастка | ||
ЧВГ 45 | Детали, работающие при значительных механических нагрузках, в условиях трения, износа, гидрокавитации, и при повышенных термоциклических нагрузках | Корпуса винтовых передач, поршни и гильзы ДВС, корпуса гидроаппаратуры высокого давления, эксцентриковые зубчатые колеса и др. |
Текст документа сверен по:
официальное издание
Чугун. Марки. Технические условия.
Методы анализа: Сб. ГОСТОв. -
М.: ИПК Издательство стандартов, 2004
Разместите заказ
сами сделают вам предложение
