ГОСТы сталей. ГОСТ 26446-85
ГОСТ 26446-85
Группа В09
ГОСУДАРСТВЕННЫЙ СТАНДАРТ СОЮЗА ССР
СОЕДИНЕНИЯ ПАЯНЫЕ
Методы испытаний на усталость
Brazed and soldered joints. Methods of fatigue testing
ОКСТУ 0072
Срок действия с 01.07.86
до 01.07.91*
__________________________________
* Ограничение срока действия снято
по протоколу N 5-94 Межгосударственного Совета
по стандартизации, метрологии и сертификации
(ИУС N 11/12, 1994 год). - Примечание изготовителя базы данных.
РАЗРАБОТАН Государственным комитетом СССР по стандартам Министерством высшего и среднего специального образования РСФСР
ИСПОЛНИТЕЛИ
В.К.Андриканис, канд. техн. наук; А.В.Савченков; В.А.Асмолова; О.Э.Шпинель; Б.Л.Груздев, канд. техн. наук; В.А.Харитонов; И.В.Червякова
ВНЕСЕН Государственным комитетом СССР по стандартам
Зам. председателя В.П.Юницкий
УТВЕРЖДЕН И ВВЕДЕН В ДЕЙСТВИЕ Постановлением Государственного комитета СССР по стандартам от 22 февраля 1985 г. N 376
Настоящий стандарт устанавливает методы испытаний образцов паяных соединений из металлов и сплавов на усталость в много- и малоцикловой упругой и упругопластической области при растяжении-сжатии, изгибе и кручении; при симметричных и асимметричных циклах напряжений или деформаций, изменяющихся по простому периодическому закону с постоянными параметрами.
Испытания на усталость проводят для:
определения предела выносливости;
выбора оптимального технологического процесса изготовления паяных конструкций;
сравнения усталостных характеристик паяных соединений из различных материалов;
периодического контроля стабильности технологического процесса производства.
Термины, определения и обозначения, применяемые в стандарте, - по ГОСТ 23207-78 и ГОСТ 17325-79.
1. ТРЕБОВАНИЯ К ОБРАЗЦАМ
1. ТРЕБОВАНИЯ К ОБРАЗЦАМ
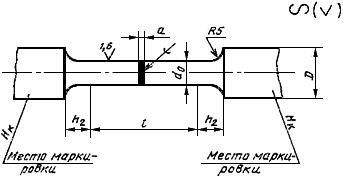
1.1. Для испытания паяных соединений на усталость следует применять образцы типов I (черт.1, табл.1), II (черт.2, табл.2), III (черт.3, табл.3).
Черт.1. Тип I
Тип I

Черт.1
Примечания:
1. Толщина паяного шва определяется сборочным зазором и физико-химическими свойствами паяемого материала и припоя.
Выбор сборочного зазора - по ГОСТ 19249-73.
2. - длина рабочей части образца:
|
|
Таблица 1
мм
Номер образца | |||
1 | 10 | 16 | 10 |
2 | 8 | 14 | 10 |
3 | 6 | 12 | 10 |
4 | 5 | 10 | 5 |
5 | 4 | 8 | 5 |
Черт.2. Тип II
Тип II

Черт.2
Примечания:
1. - притупление боковой грани образца.
2. Ширина нахлестки определяется физико-химическими свойствами паяемых материалов и припоя, технологией пайки, схемой испытания, а также конструкцией паяного соединения, обеспечивающей необходимую прочность соединения, и должна обеспечивать заданный вид разрушения.
3. - длина рабочей части образца,
.
Таблица 2
мм
До 0,5 | 5 | - | 5 |
От 0,5 до 1,0 | 8 | 0,2 | 10 |
От 1,0 до 3,0 | 10 | 0,5 | 10 |
От 3,0 до 5,0 | 15 | 0,28 | 10 |
Св. 5,0 | 20 | 0,28 | 10 |
Черт.3. Тип III
Тип III

________________
* Размеры для справок
Черт.3
Примечания:
1. Значение определяется физико-химическими свойствами паяемых материалов и припоя, технологией пайки, схемой испытания, а также конструкцией паяного соединения, обеспечивающей необходимую прочность соединения, и должна обеспечивать заданный вид разрушения.
2. - длина рабочей части образца,
.
Таблица 3
мм
Номер образца | |||||
1 | 10 | М10 | 25 | 10 | 100 |
2 | 8 | М8 | 15 | 10 | 60 |
3 | 5 | М5 | 10 | 5 | 45 |
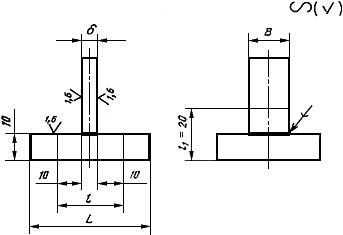
Для испытаний тавровых паяных соединений применяют образцы типа IV, форма и размеры которых приведены в рекомендуемом приложении 1.
1.2. Тип и размеры образцов следует выбирать в зависимости от типа паяного соединения, размеров деталей с учетом наиболее точного воспроизведения напряженного состояния, характерного для условий эксплуатации испытуемой детали.
1.3. Форма и размеры головок образцов и переходных частей зависят от принятого способа крепления образца в захватах испытательной машины, свойств материала образца и паяного соединения.
Варианты исполнения головок образцов приведены в справочном приложении 2.
1.4. При испытании образцов типа I в качестве основных следует применять образцы N 4, при испытании образцов типа III - образцы N 1.
1.5. Рабочая часть образцов должна быть изготовлена с точностью не ниже 7-го квалитета по ГОСТ 25347-82.
1.6. Допуски плоскостности, параллельности и соосности образцов должны быть не ниже 14-й степени точности по ГОСТ 24643-81.
1.7. При изготовлении образцов типов II, III и IV предельные отклонения размеров горизонтального () и вертикального (
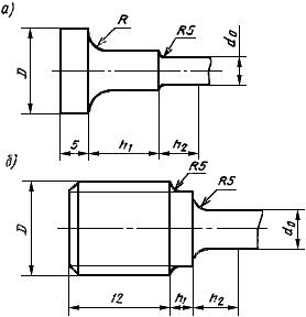
) катетов галтели не должны превышать ±0,2 мм, допуск прямолинейности поверхности галтели - ±0,1 мм (см. черт.4).
Черт.4. Предельные отклонения размеров при изготовлении образцов типов II, III и IV

Черт.4
1.8. Образцы, подлежащие испытанию в термически обработанном состоянии, подвергают термической обработке во время или после пайки до окончательной обработки образцов.
Примечание. Если после термической обработки металл плохо обрабатывается резанием, то паяные заготовки для образцов предварительно должны быть доведены до размеров, включающих припуск на окончательную обработку и возможное коробление.
1.9. Расстояние между захватами испытательной машины выбирают так, чтобы исключить продольный изгиб образца и влияние усилий в захватах на напряженность всей рабочей части образца.
1.10. При испытаниях вид и число дефектов на образцах не должны превышать допустимых значений, установленных для паяных изделий.
2. ТРЕБОВАНИЯ К ОБОРУДОВАНИЮ И АППАРАТУРЕ ДЛЯ ИСПЫТАНИЙ
2.1. Требования к оборудованию и аппаратуре для испытаний на усталость - по ГОСТ 25.502-79.
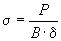
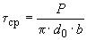
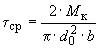
2.2. Машины для испытаний на усталость должны обеспечивать нагружение образцов по одной или нескольким схемам, приведенным в табл.4.
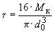
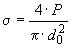
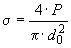
Таблица 4
Схемы нагружения и формулы расчета номинальных напряжений образцов
Схемы нагружения | Тип образца | Формулы расчета номинальных напряжений образцов |
1. Повторно-переменное растяжение-сжатие
| I |
|
II |
| |
III |
| |
II. Поперечный изгиб при консольном нагружении
| II |
|
III. Чистый изгиб в одной плоскости
| II |
|
IV. Поперечный изгиб при вращении
| I |
|
III |
| |
V. Чистый изгиб при вращении
| I |
|
VI. Повторно-переменное кручение
| I |
|
III |
|
| - среднее значение нагрузка цикла |
- амплитудное значение нагрузки цикла | |
- крутящий момент | |
- среднее значение момента | |
- амплитудное значение момента | |
- угловая скорость вращения образца | |
- расстояние от точки приложения нагрузки до места разрушения | |
| - расстояние от центра паяного шва до точки приложения нагрузки |
| - расстояние от точки приложения нагрузки до точки крепления образца |
3. ПОДГОТОВКА К ИСПЫТАНИЯМ
3.1. При проведении испытаний число образцов определяют по методике, приведенной в рекомендуемом приложении 3.
Для построения кривой усталости и определения предела выносливости число образцов должно быть не менее 10.
3.2. Образцы для испытаний изготавливают из спаяных для этой цели заготовок.
3.3. Детали заготовок вырезают с определенной ориентацией по отношению к макроструктуре и напряженному состоянию материала.
3.4. Образцы одной партии должны быть спаяны за один технологический цикл для обеспечения идентичности формы и размеров галтелей образцов.
3.5. Образцы рекомендуется паять совместно или по одним режимам с контролируемым изделием.
3.6. Форма и размеры заготовок для изготовления образцов типа III - по ГОСТ 23047-78.
3.7. При пайке заготовок марка паяемого материала, подготовка поверхности, припой, среда или флюс, зазор между паяемыми заготовками, способ и режим пайки, а также взаимное расположение разнородных деталей в образце типа III должны быть такими, как в разрабатываемом или контролируемом технологическом процессе.
3.8. Зазор при пайке обеспечивают с помощью соответствующих приспособлений.
Допускается обеспечивать зазор с помощью технологических прокладок. Прокладки изготовляют из паяемого материала.
Участок паяного шва с прокладками должен быть удален в процессе изготовления образцов.
3.9. Вырезка паяных заготовок, маркировка и изготовление образцов не должны оказывать существенного влияния на усталостные свойства исходного материала, нагрев образца при изготовлении не должен вызывать структурных изменений и физико-химических превращений в металле. При проведении механической обработки необходимо обеспечить наименьший наклеп, исключить местный перегрев образцов и образование поверхностных дефектов.
3.10. Снятие последней стружки с рабочей части и головок образцов производят за один установ образца.
3.11. Рихтовка и правка паяных заготовок не допускаются.
3.12. Образцы из паяных заготовок следует изготовлять на металлорежущих станках или с помощью анодно-механической резки. Образцы из тонколистовых материалов допускается вырезать вулканитовыми дисками.
Заусенцы на боковых гранях образцов должны быть удалены легкой запиловкой с радиусом скругления не более 1 мм.
3.13. Галтели образцов для испытаний должны быть не более 0,3 мм, если целью испытаний не является изучение влияния галтелей на усталостные характеристики паяных соединений.
Допускается механическая обработка галтелей, при этом делается соответствующая запись в протоколе испытаний.
3.14. Рабочую часть плоских образцов толщиной 2 мм и менее и цилиндрических образцов измеряют с погрешностью не более 0,01 мм, плоских образцов толщиной свыше 2 мм - не более 0,05 мм.
3.15. Перед испытаниями измеряют:
поперечное сечение цилиндрических образцов в месте расположения паяного шва;
размеры галтели;
длину и ширину паяного шва плоских образцов.
По полученным результатам вычисляют площадь паяного шва, округляя значение до 0,5 мм.
При вычислении площади паяного шва сечение галтели не учитывают.
4. ПРОВЕДЕНИЕ ИСПЫТАНИЙ И ОБРАБОТКА РЕЗУЛЬТАТОВ
4.1. Проведение испытаний - по ГОСТ 25.502-79.
4.2. Испытание считается недействительным:
при разрыве образца в захватах испытательной машины;
при разрыве образца вне рабочей части;
при обнаружении дефектов паяного шва в изломе образца (инородные включения, поры, непропай, неспай - более 10% от площади паяного шва).
Примечание. Исключение составляют испытания, проводимые с целью определения влияния дефектов паяного шва на характеристики сопротивления усталости паяных соединений.
4.3. По результатам испытаний на усталость производят:
построение кривой распределения долговечности и оценку среднего значения и среднего квадратического отклонения логарифма долговечности по ГОСТ 25.502-79, рекомендуемое приложение 5;
построение семейства кривых усталости по параметру вероятности разрушения по ГОСТ 25.502-79, рекомендуемое приложение 6;
построение кривой распределения предела выносливости и оценка его среднего значения и среднего квадратического отклонения по ГОСТ 25.502-79, рекомендуемое приложение 7;
построение кривой усталости и определение предела выносливости при ограниченном объеме партии образцов.
4.4. При сравнении результатов испытаний учитывать влияние масштабного фактора.
4.5 Формы протоколов испытаний для записи исходных данных и результатов испытания каждого образца - по ГОСТ 25.502-79.
Форма сводного протокола испытаний для записи исходных данных и результатов испытания серии одинаковых образцов приведена в рекомендуемом приложении 4.
4.6. Пример построения кривой усталости по результатам испытаний ограниченной партии образцов приведен в справочном приложении 5.
ПРИЛОЖЕНИЕ 1 (рекомендуемое). ФОРМА И РАЗМЕРЫ ОБРАЗЦОВ ТИПА IV
ПРИЛОЖЕНИЕ 1
Рекомендуемое
Исполнение 1

От 1,0 до 3,0 | 10 |
От 3,0 до 5,0 | 15 |
Св. 5,0 | 20 |
Исполнение 2

Исполнение 3

Примечания:
1. Размер назначают в зависимости от способа крепления образца.
2. ,
,
,
- рабочая часть образцов.
3.
.
4.
, размер выбирают из ряда - 3; 5; 8; 10 мм.
5.
, размер выбирают из ряда 10; 15; 20; 30 мм.
6.
.
7. Схемы нагружения образцов выбирают по табл.4 настоящего стандарта:
для исполнения 1 - схема II; |
" " 2 и 3 - схемы IV, V, VI. |
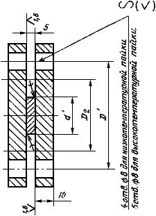
ПРИЛОЖЕНИЕ 2 (справочное). ВАРИАНТЫ ИСПОЛНЕНИЯ ГОЛОВОК ОБРАЗЦОВ
ПРИЛОЖЕНИЕ 2
Справочное
Образцы типа I

Черт.1
Образцы типа II

Черт.2
Таблица 1
мм
5 | 20 | 25 | 5 |
8 | 20 | 25 | 5 |
10 | 25 | 30 | 10 |
15 | 30 | 35 | 10 |
20 | 35 | 40 | 10 |
Примечание. Допускается применение усиливающих накладок на захватных частях образцов.
Образцы типа III

Черт.3
Таблица 2
мм
Номер образца | ||||
1 | 10 | 16 | M12х1,5 | 25 |
2 | 8 | 14 | M10х1,5 | 15 |
3 | 5 | 10 | М6х0,75 | 10 |
ПРИЛОЖЕНИЕ 3 (рекомендуемое). ПЛАНИРОВАНИЕ ОБЪЕМА ИСПЫТАНИЙ
ПРИЛОЖЕНИЕ 3
Рекомендуемое
1. При планировании объема испытаний необходимо определить минимальное число образцов для получения определяемых характеристик сопротивления усталости с заданной точностью и достоверностью.
2. Число образцов на каждом уровне напряжений определяют по табл.1-3, задаваясь следующими исходными данными:
относительной погрешностью среднего значения определяемой характеристики ;
односторонней доверительной вероятностью ;
предполагаемым коэффициентом вариации ;
видом закона распределения определяемой характеристики.
Таблица 1
Число образцов при нормальном законе распределения
| ||||||
0,10 | 0,15 | 0,20 | 0,25 | 0,30 | ||
0,05 | 0,90 | 8 | 15 | 25 | 40 | 65 |
0,95 | 13 | 25 | 40 | 65 | 100 | |
0,99 | 25 | 50 | 100 | 150 | 200 | |
0,10 | 0,90 | 3 | 5 | 8 | 13 | 15 |
0,95 | 5 | 8 | 13 | 20 | 25 | |
0,99 | 8 | 15 | 25 | 32 | 50 | |
0,15 | 0,90 | - | 3 | 4 | 6 | 8 |
0,95 | 3 | 5 | 6 | 10 | 13 | |
0,99 | 5 | 8 | 13 | 15 | 25 | |
0,20 | 0,90 | - | - | 4 | 5 | 6 |
0,95 | - | 4 | 5 | 6 | 8 | |
0,99 | 4 | 6 | 8 | 10 | 15 | |
Таблица 2
Число образцов при распределении Вейбулла
| ||||||||||||||
0,4 | 0,5 | 0,6 | 0,7 | 0,8 | 0,9 | 1,0 | 1,1 | 1,2 | 1,5 | 1,8 | 2,0 | 3,0 | ||
0,05 | 0,90 | 100 | 200 | 250 | 400 | 500 | 500 | 650 | 1000 | 1000 | - | - | - | - |
0,95 | 150 | 250 | 400 | 500 | 650 | 800 | 1000 | - | - | - | - | - | - | |
0,99 | 315 | 500 | 800 | 1000 | 1000 | - | - | - | - | - | - | - | - | |
0,10 | 0,90 | 32 | 50 | 65 | 100 | 125 | 150 | 200 | 250 | 315 | 400 | 500 | 500 | 1000 |
0,95 | 50 | 80 | 100 | 150 | 200 | 250 | 400 | 500 | 650 | 800 | 800 | 800 | 1000 | |
0,99 | 100 | 150 | 200 | 315 | 400 | 500 | 650 | 650 | 800 | 1000 | - | - | - | |
0,15 | 0,90 | 15 | 25 | 32 | 40 | 65 | 80 | 80 | 125 | 150 | 200 | 250 | 315 | 500 |
0,95 | 25 | 40 | 50 | 80 | 100 | 125 | 150 | 200 | 200 | 315 | 400 | 500 | 800 | |
0,99 | 40 | 65 | 100 | 150 | 200 | 250 | 315 | 400 | 500 | 800 | 1000 | - | - | |
0,20 | 0,90 | 10 | 15 | 20 | 32 | 40 | 40 | 50 | 65 | 80 | 125 | 150 | 200 | 310 |
0,95 | 15 | 25 | 32 | 40 | 50 | 80 | 100 | 125 | 150 | 200 | 250 | 250 | 400 | |
0,99 | 25 | 40 | 65 | 80 | 125 | 150 | 150 | 200 | 250 | 315 | 400 | 500 | 1000 | |
Таблица 3
Число образцов при логарифмически нормальном законе распределения
| ||||||||
0,4 | 0,5 | 0,6 | 0,7 | 0,8 | 0,9 | 1,0 | ||
0,05 | 0,90 | 100 | 150 | 250 | 315 | 400 | 500 | 650 |
0,95 | 150 | 250 | 400 | 500 | 650 | 800 | 1000 | |
0,99 | 315 | 500 | 800 | - | - | - | - | |
0,10 | 0,90 | 25 | 40 | 65 | 80 | 100 | 125 | 150 |
0,95 | 40 | 65 | 100 | 125 | 150 | 200 | 250 | |
0,99 | 80 | 125 | 200 | 250 | 315 | 400 | 500 | |
0,15 | 0,90 | 13 | 20 | 25 | 40 | 50 | 50 | 65 |
0,95 | 20 | 32 | 40 | 50 | 80 | 100 | 100 | |
0,99 | 40 | 50 | 80 | 125 | 150 | 200 | 200 | |
0,20 | 0,90 | 6 | 10 | 15 | 20 | 25 | 32 | 40 |
0,95 | 10 | 15 | 25 | 32 | 40 | 50 | 65 | |
0,99 | 20 | 32 | 50 | 65 | 80 | 100 | 125 | |
3. Относительная погрешность характеризует степень точности измерений и выбирается из ряда: 0,05; 0,10; 0,15; 0,20.
4. Значение односторонней доверительной вероятности выбирают из ряда: 0,90; 0,95; 0,99. Для общетехнических целей
, как правило, принимают равной 0,95.
5. Значения характеристик сопротивления усталости, как правило, подчиняется нормальному закону распределения, однако возможно распределение по другим законам.
6. В случае, когда по результатам испытания получен коэффициент вариации меньший или равный заданному, то испытания прекращают. Если коэффициент вариации больше заданного, то точность недостаточна, и необходимо провести дополнительные испытания. В этом случае объем испытаний пересчитывают для найденного значения .
ПРИЛОЖЕНИЕ 4 (рекомендуемое). ПРОТОКОЛ испытаний паяных соединений на усталость
ПРИЛОЖЕНИЕ 4
Рекомендуемое
ПРОТОКОЛ N____
испытаний паяных соединений на усталость
1. Цель испытаний | ||||||||||||||
2. Тип и номер образца | ||||||||||||||
3. Материалы | ||||||||||||||
- паяемый I | ||||||||||||||
марка или химический состав | ||||||||||||||
- направление волокна | ||||||||||||||
- паяемый II | ||||||||||||||
марка или химический состав | ||||||||||||||
- направление волокна | ||||||||||||||
- марка или химический состав припоя | ||||||||||||||
- флюс или газовая среда | ||||||||||||||
4. Технологические параметры изготовления образцов | ||||||||||||||
- число образцов из одной заготовки | ||||||||||||||
- способ подготовки поверхности под пайку | ||||||||||||||
- величина сборочного зазора | ||||||||||||||
- масса припоя | ||||||||||||||
- технологические особенности сборки | ||||||||||||||
- способ пайки (по ГОСТ 17349-79) | ||||||||||||||
- температура пайки | ||||||||||||||
- время выдержки при пайке | ||||||||||||||
- давление: а) газовой среды в рабочем объеме | ||||||||||||||
б) сжатия образца (нагрузка на образец) | ||||||||||||||
- вид обработки после пайки | ||||||||||||||
5. Условия испытания | ||||||||||||||
- вид нагружения | ||||||||||||||
- схема нагружения | ||||||||||||||
- коэффициент асимметрии | ||||||||||||||
- частота нагружения | ||||||||||||||
- база испытания | ||||||||||||||
- тип испытательной машины | ||||||||||||||
- метод определения номинального | ||||||||||||||
- особенности ус | ||||||||||||||
Ответственный за испытание данной серии образцов | ||
подпись | ||
Начальник лаборатории | ||
подпись | ||
Примечание. В графе "Примечание" следует указывать дефекты, обнаруженные в паяном шве и зоне термического влияния после разрушения образца.
ПРИЛОЖЕНИЕ 5 (справочное). ПОСТРОЕНИЕ КРИВОЙ УСТАЛОСТИ ПО РЕЗУЛЬТАТАМ ИСПЫТАНИЯ ОГРАНИЧЕННОЙ ПАРТИИ ОБРАЗЦОВ
ПРИЛОЖЕНИЕ 5
Справочное
1. Испытанию подвергали нахлесточные плоские образцы типа II из сплава ХН60ВТ, паяные припоем ВПр 7 (
- 1190 °С, время выдержки - 15 мин) в смеси аргона с диссоциированным фторборатом калия.
Размеры образцов:1,2 мм,
8 мм,
1,1 мм,
3,4 мм,
0,4 мм
Испытания проводили по схеме поперечного изгиба при консольном нагружении по симметричному циклу. Частота колебаний образца - 50 Гц.
Значения максимальных напряжений цикла () для каждого из 10 испытанных образцов (
) приведены в табл.1.
Таблица 1
|
| |
1 | 390 | 2,6·10 |
2 | 360 | 7·10 |
3 | 310 | 1,8·10 |
4 | 280 | 1,1·10 |
5 | 275 | 5,4·10 |
6 | 270 | 3,3·10 |
7 | 220 | 5,2·10 |
8 | 215 | 1,3·10 |
9 | 195 | 1,9·10 |
10 | 180 | 4,5·10 |
| 2695 |
2. При регрессивном анализе результатов испытаний за независимую величину принимают
, а зависимой величиной является
, при этом проверку принадлежности значений к нормальному распределению проводят по ГОСТ 8.207-76.
3. Для паяных соединений уравнение линии регрессии имеет вид:
, (1)
где ,
- коэффициенты линейного уравнения;
- число циклов.
4. Оценку параметров уравнения линии регрессии производят по формулам, вытекающим из метода наименьших квадратов.
Результаты промежуточных и окончательных вычислений приведены в табл.2.
Таблица 2
|
|
|
|
| ||
1 | 4,415 | 120,5 | 14520,25 | +535,6 | 4,125 | 0,0841 |
2 | 4,845 | 90,5 | 8190,25 | +438,5 | 4,433 | 0,1721 |
3 | 4,255 | 40,5 | 1640,25 | +172,3 | 4,945 | 0,476 |
4 | 5,041 | 10,5 | 110,25 | +52,9 | 5,253 | 0,0446 |
5 | 5,732 | 5,5 | 30,25 | +31,5 | 5,304 | 0,2202 |
6 | 4,519 | 0,5 | 0,25 | +2,03 | 5,355 | 0,7001 |
7 | 5,716 | -49,5 | 2450,25 | -282,9 | 5,868 | 0,023 |
8 | 6,114 | -54,5 | 2970,25 | -333,2 | 5,919 | 0,0381 |
9 | 6,279 | -74,5 | 5550,25 | -467,25 | 6,124 | 0,024 |
10 | 6,653 | -89,5 | 8010,25 | -595,5 | 6,278 | 0,141 |
| 53,58 | 43472,5 | -446,02 | 1,9212 |
4.1. Определяем среднее значение по формуле:
, (2)
где - максимальное напряжение цикла
-го образца, МПа;
- число образцов;
1, 2, 3...
.
МПа.
4.2. Определяем коэффициенты уравнения линии регрессии и
по формулам:
(3)
, (4)
где
, значение логарифма числа циклов -го образца;
- среднее арифметическое значение величин
.
![]()
![]()
4.3. Оценкой уравнения теоретической линии регрессии является уравнение эмпирической линии.
(5)
После подстановки вычисленных по формулам (2), (3), (4) значений величин ,
и
уравнение (5) будет иметь вид:
(6)
4.4. Подставляя в уравнение (6) значения , находим значения
для каждого испытанного образца.
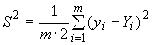
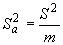
5. С целью построения доверительной области для линии регрессии производим оценку дисперсии вокруг эмпирической линии регрессии по формуле
, (7)
где - дисперсия;
- значение логарифма числа циклов
-го образца, рассчитанное по уравнению регрессии.
.
6. Оценку дисперсий параметров уравнения эмпирической линии регрессии и величины производим по формулам
; (8)
; (9)
, (10)
где ,
,
- дисперсии параметров уравнения линии регрессии.
;
;
Тогда
. (11)
Определяем значения для значений
- наибольшего, наименьшего и максимально близкого к среднему (т.е. для 1-го, 4-го и 10-го образцов).
;
;
;
;
;
.
7. Доверительные интервалы для параметров уравнения теоретической линии регрессии и генерального среднего значения вычисляем по формулам
; (12)
; (13)
, (14)
где - критерий Стьюдента, который в зависимости от доверительной вероятности и числа степеней свободы
, находят по табл.7 ГОСТ 25.501-78.
Для общетехнических целей доверительную вероятность , как правило, принимают равной 0,95.
Число степеней свободы определяем по формуле:
,
где - число образцов.
8. Вычисляем границы доверительной области уравнения линии регрессии. Находим значение для
0,95 и числа степеней свободы
8:
![]()
Подставляя найденные значения в формулу (14), получаем:
![]()
![]()
![]()
9. На основании полученных данных строим эмпирическую линию регрессии и границы доверительной области (см. чертеж).
Эмпирическая линия регрессии и границы доверительной области

Электронный текст документа
подготовлен ЗАО "Кодекс" и сверен по:
официальное издание
М.: Издательство стандартов, 1985
Разместите заказ
сами сделают вам предложение




