ГОСТы сталей. ГОСТ 24167-80
ГОСТ 24167-80
Группа В09
ГОСУДАРСТВЕННЫЙ СТАНДАРТ СОЮЗА ССР
СОЕДИНЕНИЯ ПАЯНЫЕ
Метод испытаний на изгиб
Brazing and soldering joint. Bend testing method
Срок действия с 01.07.1981
до 01.07.1991*
_______________________________
* Ограничение срока действия снято по протоколу N 5-94
Межгосударственного Совета по стандартизации,
метрологии и сертификации (ИУС N 11/12, 1994 год). -
Примечание изготовителя базы данных.
РАЗРАБОТАН Государственным комитетом СССР по стандартам
Министерством энергетики и электрификации
ИСПОЛНИТЕЛИ
Н.Н.Сирченко, канд. техн. наук; И.Е.Петрунин, канд. техн. наук; Ю.Ф.Шеин, канд. техн. наук; А.В.Савченков, В.А.Ермаков
ВНЕСЕН Государственным комитетом СССР по стандартам
Член Госстандарта Б.В.Федин
УТВЕРЖДЕН И ВВЕДЕН В ДЕЙСТВИЕ Постановлением Государственного комитета СССР по стандартам от 12 мая 1980 г. N 2058
Настоящий стандарт распространяется на паяные соединения из металлов и сплавов и устанавливает метод их статических испытаний на изгиб.
Испытания проводят для определения способности паяного соединения выдерживать заданную пластическую деформацию, характеризуемую углом изгиба, или предельную пластическую деформацию, характеризуемую углом изгиба и величиной нагрузки в момент появления первой трещины в паяном шве.
1. ОТБОР ОБРАЗЦОВ
1. ОТБОР ОБРАЗЦОВ
1.1. Для испытаний на изгиб применяют образцы, форма и размеры которых указаны на черт.1.

3-5 мм;
![]()
Черт.1
1.2. Образцы для испытаний следует изготовлять из паяных заготовок или вырезать из контролируемого соединения.
1.3. Ширина заготовок должна обеспечивать вырезку не менее трех образцов для испытаний.
1.4. При вырезке заготовок и изготовлении образцов для испытаний необходимо соблюдать требования, изложенные в разд.2 ГОСТ 23047-78.
1.5. Перед испытаниями ширину и толщину образцов следует измерять с погрешностью до 0,1 мм. Толщину паяного шва измерять металлографическими методами с погрешностью до 0,01 мм. Разница в толщине паяного шва испытываемой партии образцов не должна превышать 0,02 мм.
1.6. При необходимости, образцы маркируют любым способом в местах, указанных на черт.1.
2. ОБОРУДОВАНИЕ ДЛЯ ИСПЫТАНИЙ
2.1. Испытания следует проводить на прессах или универсальных испытательных машинах, отвечающих требованиям ГОСТ 7855-74.
2.2. Установки для испытаний должны обеспечивать запись в виде диаграммы в координатах "усилие-деформация".
3. ПРОВЕДЕНИЕ ИСПЫТАНИЙ
3.1. Испытаниям подвергают не менее трех образцов.
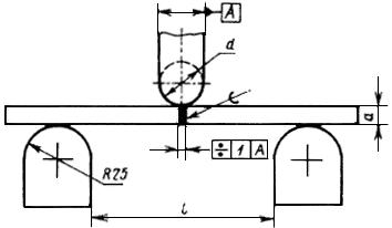
3.2. Образец подвергают изгибу сосредоточенной нагрузкой согласно схеме, приведенной на черт.2.

3-5 мм;
;
*
_______________
* Соответствует оригиналу. - Примечание изготовителя базы данных.
Черт.2
3.3. При установке на опоры продольная ось образца должна быть перпендикулярной оси изгиба.
3.4. Испытания на изгиб следует проводить при плавном увеличении нагрузки.
3.5. При испытаниях до появления первой трещины скорость испытания не должна превышать 15 мм/мин. Испытания проводят с записью диаграммы при увеличении по оси деформации не менее 50.
3.6. Момент появления трещины в паяном шве фиксируют по появлению первого скачка, изгиба или перелома на диаграмме записи или визуально. Если трещина не образуется, испытания проводят до нормируемого угла или до параллельности сторон (угол изгиба 180°). Испытания до параллельности сторон проводят согласно требованиям разд.4 ГОСТ 14019-80*.
_______________
* На территории Российской Федерации действует ГОСТ 14019-2003. - Примечание изготовителя базы данных.
3.7. Величину нагрузки при появлении первой трещины определяют по диаграмме записи или по шкале силоизмерителя испытательной машины.
3.8. Угол изгиба измеряют без снятия нагрузки согласно черт.3. Допускается измерение угла после снятия нагрузки при условии соответствия величины измеренного угла требованиям стандартов или технических условий на испытываемое соединение.

Черт.3
3.9. Измерение угла изгиба проводят с помощью инструментальных микроскопов, угломеров или транспортиров, обеспечивающих погрешность измерения не более 2°.
4. ОБРАБОТКА РЕЗУЛЬТАТОВ
4.1. За угол изгиба паяного соединения принимают угол, полученный как среднее арифметическое результатов испытаний не менее трех образцов.
4.2. Признаком, устанавливающим способность паяного соединения выдерживать заданную пластическую деформацию, является отсутствие после испытаний до нормируемого угла или угла 180° изломов, расслоений и трещин в паяном шве.
4.3. При определении предельной пластической деформации паяного соединения, характеризуемой нагрузкой и углом изгиба в момент появления первой трещины, рекомендуется рассчитывать предел прочности при изгибе () МПа, по формуле
,
где - нагрузка в момент появления первой трещины, Н;
- расстояние между опорами, мм;
- ширина образца, мм;
- толщина образца, мм.
Электронный текст документа
подготовлен ЗАО "Кодекс" и сверен по:
официальное издание
М.: Издательство стандартов, 1980
Разместите заказ
сами сделают вам предложение
