ГОСТы сталей. ГОСТ 18661-73
ГОСТ 18661-73
Группа В09
ГОСУДАРСТВЕННЫЙ СТАНДАРТ СОЮЗА ССР
СТАЛЬ
Измерение твердости методом ударного отпечатка
Steel. Method for measurement of hardness by shock indentation
Дата введения 1974-01-01
УТВЕРЖДЕН И ВВЕДЕН В ДЕЙСТВИЕ Постановлением Государственного комитета стандартов Совета Министров СССР от 27 апреля 1973 г. N 1062
Постановлением Госстандарта СССР от 22.06.88 N 2096 срок действия продлен*
______________
* Ограничение срока действия снято по протоколу N 3-93 Межгосударственного Совета по стандартизации, метрологии и сертификации (ИУС N 5-6, 1993 год). - Примечание "КОДЕКС".
ПЕРЕИЗДАНИЕ. Март 1991 г.
Настоящий стандарт распространяется на стали и устанавливает измерение сравнительной твердости при температуре от минус 10 до плюс 50°С методом ударного отпечатка. Метод основан на внедрении в поверхности контрольного бруска и испытуемого образца (объекта) твердосплавного конического индентора (для испытания стали с твердостью HV 850) или стального шара (для испытания стали с твердостью
НВ 350).
1. ОБОРУДОВАНИЕ
1. ОБОРУДОВАНИЕ
1.1. Измерение сравнительной твердости стали по Виккерсу, Бринеллю и пластической твердости осуществляется посредством переносных твердомеров ударного действия с энергией удара от 0,03 до 2,5 кгм (для конического индентора) и от 0,03 до 0,7 кгм (для шарового индентора) и при начальной скорости удара (скорость встречи ударника прибора с бойком) от 1 до 5 м/с.
1.2. Измерение диаметров ударных отпечатков конического индентора на испытуемой поверхности и поверхности контрольного бруска должно осуществляться с помощью отсчетного оптического микроскопа, погрешность которого не должна превышать ±0,01 мм на одно наименьшее деление шкалы.
1.3. Измерение диаметров ударных отпечатков шарика на испытуемой поверхности и поверхности контрольного бруска должно осуществляться с помощью отсчетного оптического микроскопа, погрешность которого не должна превышать ±0,05 мм на одно наименьшее деление шкалы.
1.4. Измерение глубины отпечатков шарика на испытуемой поверхности и поверхности контрольного бруска должно осуществляться индикаторным глубиномером с ценой деления 0,01 мм.
1.5. Применяемые при измерении сравнительной твердости по Бринеллю и пластической твердости стальные шарики должны соответствовать следующим требованиям:
а) материал для шариков - термически обработанная сталь с твердостью не менее HV 850;
б) диаметры шариков - 5 и 10 мм;
в) предельные отклонения по диаметру шарика - по ГОСТ 3722-81;
г) параметр шероховатости шарика должен быть
мкм по ГОСТ 2789-73 и не иметь пороков, видимых с помощью лупы при 5-кратном увеличении.
1.6. Применяемый при измерении сравнительной твердости по Виккерсу двусторонний или односторонний конус твердого сплава должен иметь образующие углы
при вершинах и закругленные вершины с радиусом сферы не более 0,2 мм.
1.7. Поверхности конусов на протяжении 0,3 мм от вершины, считая по его оси, должны быть тщательно отполированы и свободны от трещин и других пороков, видимых с помощью лупы при 30-кратном увеличении.
2. ПОДГОТОВКА К ИСПЫТАНИЮ
2.1. При измерении твердости на криволинейных поверхностях радиус кривизны их в месте нанесения отпечатков должен быть не менее 5 мм.
2.2. Минимальная толщина испытуемого образца или слоя должна быть больше диаметра отпечатка в 1,2 раза.
2.3. При испытаниях приборами с двусторонним конусом применяются стальные контрольные бруски сечением 4,5х4,5 мм любой твердости в интервале HV 100-320.
2.4. Расстояние между центром отпечатка и краем образца (объекта) и контрольного бруска или краем соседнего отпечатка должно быть не менее 2,5 диаметра отпечатка.
2.5. Параметр шероховатости поверхности испытуемого образца (объекта) и контрольного бруска должен быть в пределах
мкм -
мкм (при испытаниях приборами с коническим индентором) и в пределах
мкм -
мкм (при испытаниях приборами с шаровым индентором) по ГОСТ 2789-73 и свободными от окалины и других посторонних веществ.
2.6. При подготовке поверхности испытуемого образца (изделия) и контрольного бруска необходимо принять меры, предотвращающие возможные изменения твердости этих поверхностей вследствие нагрева или наклепа при механической обработке.
2.7. Минимальная толщина испытуемого образца должна быть не менее 10-кратной глубины отпечатка.
2.8. При испытаниях приборами с шаровым индентором применяют стальные контрольные бруски сечением 10х10 мм любой твердости в интервале НВ 120-200.
3. ПРОВЕДЕНИЕ ИСПЫТАНИЙ
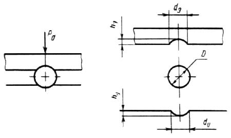
3.1. При измерении сравнительной твердости стали по Виккерсу твердосплавный наконечник в форме двустороннего или одностороннего конуса с углами
при вершинах внедряют в поверхности контрольного бруска и испытуемого образца (объекта) под действием кратковременной динамической нагрузки , создаваемой ударным механизмом. После снятия индентора с испытуемой поверхности измеряют диаметры отпечатков конуса на поверхностях стального контрольного бруска
и испытуемого образца (объекта)
(черт. 1).
Примечание. При статических испытаниях твердости по конусу (HK) с углом
при вершине равна твердости по Виккерсу HV, измеренной посредством четырехгранной пирамиды с углами между противоположными гранями, равными 136°.
Черт.1

Черт.1
3.2. При измерении сравнительной твердости по Бринеллю и пластической твердости стальной шарик диаметром одновременно внедряют в поверхности стального контрольного бруска и испытуемого образца (объекта) под действием кратковременной динамической нагрузки
, создаваемой ударным механизмом. После снятия индентора с испытуемой поверхности измеряют диаметры отпечатков шарика на поверхностях контрольного бруска
и испытуемого образца (объекта) или глубины восстановленных отпечатков на поверхностях образца (объекта)
и стального контрольного бруска
(черт. 2).
Черт.2

Черт.2
4. ПОДСЧЕТ РЕЗУЛЬТАТОВ
4.1. Число сравнительной твердости испытуемого образца (объекта) по Виккерсу (HV) вычисляют по формуле
где - среднее значение твердости контрольного бруска по Виккерсу, измеренное посредством статического стационарного прибора по ГОСТ 2999-75, кг/мм
;
и
- диаметры ударных отпечатков конуса на поверхностях стального контрольного бруска и испытуемого образца (объекта), мм;
и
- динамические коэффициенты твердости материалов стального контрольного бруска и испытуемого образца (объекта) при ударном внедрении конуса (со скоростью внедрения 1-5 м/с).
Примечание. Числа твердости , вычисленные по указанным формулам в зависимости от размеров диаметров динамических отпечатков
и
и твердости стального контрольного бруска
, приведены в табл. 1 приложе
ния.
4.2. Числа сравнительной твердости испытуемого образца (объекта) по Бринеллю
и пластической
вычисляют по формулам:

![]()
где и
- средние значения твердости по Бринеллю и пластической твердости стального контрольного бруска, измеренные посредством стационарных статических приборов ТШ или ТК по ГОСТ 9012-59 и ГОСТ 9013-59, кг/мм
;
- диаметр шарика, мм;
и
- диаметр и глубина восстановленного ударного отпечатка на поверхности контрольного бруска, мм;
и
- диаметр и глубина восстановленного ударного отпечатка на поверхности испытуемого образца, мм;
и
;
и
- динамические коэффициенты твердости стального контрольного бруска и испытуемого образца (объекта) при ударном внедрении шарика со скоростью
м/с.
Примечание. Числа твердости, определенные по формулам в зависимости от размеров и
или глубин
и
, а также твердости по Бринеллю (НВ) и пластической твердости (НД
) стального контрольного бруска, приведены в табл. 2-4
приложения.
4.3. Диаметры отпечатков измеряют в двух взаимоперпендикулярных направлениях и определяют как среднее арифметическое результатов двух измерений.
Разность измерений диаметров одного отпечатка не должна превышать 2% от меньшего из них.
Для анизотропных материалов получаемая разность измерений диаметров отпечатков может не укладываться в указанный допуск. В стандартах или технических условиях на поставку подобных материалов должны быть указаны допустимые пределы на разность измерений двух взаимно перпендикулярных диаметров отпечатков.
4.4. Шарик, показавший после измерения твердости остаточную деформацию, превышающую указанный допуск по размеру, или какой-либо поверхностный дефект, должен быть заменен другим, а соответствующее измерение должно считаться недействительным.
ПРИЛОЖЕНИЕ. Сравнительная твердость испытуемого стального образца
ПРИЛОЖЕНИЕ
Сравнительная твердость испытуемого стального образца
в зависимости от отношения диаметров отпечатков на контрольном
бруске на образце
и твердости стального контрольного
бруска по Виккерсу
Таблица 1
|
| |||||||||||
|
|
|
|
|
|
|
|
|
|
|
| |
|
|
|
|
|
|
|
|
|
|
|
|
|
0,62 | - | - | - | - | - | - | - | - | - | - | 78 | 83 |
0,64 | - | - | - | - | - | - | - | - | - | - | 84 | 89 |
0,66 | - | - | - | - | - | - | - | - | - | 86 | 91 | 97 |
0,68 | - | - | - | - | - | - | - | - | - | 93 | 98 | 104 |
0,70 | - | - | - | - | - | - | - | 88 | 94 | 100 | 106 | 113 |
0,72 | - | - | - | - | - | - | - | 94 | 101 | 107 | 114 | 121 |
0,74 | - | - | - | - | - | - | 94 | 101 | 108 | 115 | 123 | 131 |
0,76 | - | - | - | - | - | 93 | 101 | 108 | 116 | 124 | 132 | 141 |
0,78 | - | - | - | - | - | 93 | 108 | 116 | 124 | 133 | 142 | 152 |
0,80 | - | - | - | - | 97 | 106 | 115 | 124 | 133 | 142 | 152 | 163 |
0,82 | - | - | - | - | 103 | 113 | 123 | 133 | 143 | 153 | 164 | 176 |
0,84 | - | - | - | 99 | 110 | 121 | 131 | 142 | 153 | 164 | 176 | 189 |
0,86 | - | - | 94 | 106 | 117 | 129 | 140 | 152 | 164 | 176 | 189 | 203 |
0,88 | - | - | 99 | 119 | 125 | 137 | 150 | 162 | 175 | 189 | 203 | 218 |
0,90 | - | 91 | 105 | 112 | 133 | 146 | 160 | 173 | 187 | 202 | 218 | 234 |
0,92 | - | 96 | 112 | 126 | 141 | 156 | 170 | 185 | 201 | 216 | 233 | 251 |
0,94 | 86 | 102 | 118 | 134 | 150 | 166 | 182 | 198 | 214 | 232 | 249 | 268 |
0,96 | 90 | 108 | 125 | 142 | 159 | 177 | 194 | 211 | 229 | 247 | 266 | 285 |
0,98 | 95 | 114 | 132 | 151 | 169 | 188 | 207 | 225 | 244 | 263 | 283 | 303 |
1,00 | 100 | 120 | 140 | 160 | 180 | 200 | 220 | 240 | 260 | 280 | 300 | 320 |
1,02 | 105 | 127 | 148 | 170 | 191 | 213 | 234 | 255 | 276 | 297 | 317 | 337 |
1,04 | 111 | 134 | 157 | 180 | 203 | 226 | 249 | 271 | 292 | 313 | 333 | 353 |
1,06 | 116 | 141 | 166 | 190 | 215 | 240 | 264 | 287 | 309 | 329 | 350 | 369 |
1,08 | 122 | 149 | 175 | 202 | 228 | 254 | 279 | 302 | 329 | 345 | 365 | 384 |
1,10 | 129 | 157 | 185 | 214 | 242 | 269 | 294 | 318 | 340 | 361 | 380 | 399 |
1,12 | 135 | 165 | 196 | 226 | 256 | 284 | 310 | 333 | 355 | 375 | 394 | 415 |
1,14 | 142 | 174 | 207 | 239 | 270 | 299 | 325 | 348 | 370 | 390 | 410 | 432 |
1,16 | 149 | 183 | 218 | 252 | 284 | 314 | 340 | 363 | 384 | 404 | 426 | 449 |
1,18 | 157 | 199 | 230 | 266 | 299 | 328 | 354 | 377 | 397 | 420 | 443 | 466 |
1,20 | 165 | 203 | 242 | 280 | 313 | 342 | 368 | 390 | 413 | 436 | 459 | 484 |
1,22 | 173 | 214 | 255 | 293 | 327 | 356 | 381 | 404 | 428 | 452 | 477 | 503 |
1,24 | 182 | 225 | 268 | 307 | 341 | 370 | 394 | 419 | 444 | 468 | 495 | 522 |
1,26 | 191 | 237 | 281 | 321 | 354 | 381 | 408 | 434 | 460 | 486 | 513 | 541 |
1,28 | 200 | 249 | 295 | 334 | 368 | 395 | 423 | 450 | 476 | 504 | 532 | 561 |
1,30 | 210 | 261 | 308 | 347 | 380 | 409 | 438 | 466 | 493 | 522 | 551 | 581 |
1,32 | 221 | 274 | 321 | 360 | 392 | 423 | 453 | 482 | 511 | 540 | 571 | 602 |
1,34 | 231 | 286 | 334 | 373 | 405 | 437 | 468 | 498 | 529 | 559 | 591 | 624 |
1,36 | 242 | 299 | 346 | 385 | 418 | 452 | 484 | 515 | 547 | 579 | 612 | 646 |
1,38 | 253 | 311 | 358 | 396 | 432 | 467 | 500 | 533 | 566 | 599 | 633 | 669 |
1,40 | 265 | 323 | 370 | 409 | 446 | 482 | 517 | 551 | 585 | 619 | 655 | 693 |
1,42 | 276 | 335 | 382 | 422 | 461 | 498 | 534 | 569 | 604 | 640 | 677 | 717 |
1,44 | 288 | 347 | 393 | 435 | 475 | 514 | 551 | 588 | 624 | 662 | 701 | 742 |
1,46 | 300 | 359 | 405 | 449 | 490 | 530 | 569 | 607 | 645 | 684 | 724 | 767 |
1,48 | 311 | 369 | 417 | 463 | 506 | 547 | 587 | 627 | 666 | 707 | 749 | 793 |
1,50 | 323 | 381 | 430 | 477 | 521 | 564 | 606 | 647 | 688 | 730 | 774 | 821 |
1,52 | 334 | 391 | 443 | 491 | 537 | 582 | 625 | 668 | 710 | 754 | 800 | - |
1,54 | 345 | 402 | 456 | 506 | 554 | 600 | 645 | 689 | 733 | 779 | 827 | - |
1,56 | 356 | 414 | 469 | 521 | 571 | 618 | 665 | 711 | 757 | 804 | 854 | - |
1,58 | 367 | 426 | 483 | 536 | 588 | 637 | 685 | 733 | 781 | 831 | - | - |
1,60 | 377 | 438 | 497 | 552 | 605 | 656 | 706 | 756 | 806 | 858 | - | - |
1,62 | 387 | 450 | 511 | 568 | 623 | 676 | 728 | 780 | 832 | - | - | - |
1,64 | 396 | 463 | 525 | 585 | 641 | 696 | 750 | 804 | 858 | - | - | - |
1,66 | 407 | 475 | 540 | 601 | 660 | 717 | 773 | 829 | 885 | - | - | - |
1,68 | 418 | 488 | 555 | 618 | 679 | 738 | 796 | - | - | - | - | - |
1,70 | 429 | 502 | 570 | 636 | 699 | 760 | 820 | - | - | - | - | - |
1,72 | 441 | 515 | 586 | 654 | 719 | 782 | - | - | - | - | - | - |
1,74 | 452 | 529 | 602 | 672 | 739 | 805 | - | - | - | - | - | - |
1,76 | 464 | 543 | 618 | 691 | 760 | 828 | - | - | - | - | - | - |
1,78 | 476 | 557 | 635 | 710 | 782 | - | - | - | - | - | - | - |
1,80 | 488 | 572 | 652 | 729 | 804 | - | - | - | - | - | - | - |
1,82 | 500 | 587 | 669 | 749 | - | - | - | - | - | - | - | - |
1,84 | 513 | 602 | 687 | 770 | - | - | - | - | - | - | - | - |
1,86 | 525 | 617 | 705 | 791 | - | - | - | - | - | - | - | - |
1,88 | 538 | 633 | 724 | 812 | - | - | - | - | - | - | - | - |
1,90 | 552 | 649 | 743 | 834 | - | - | - | - | - | - | - | - |
1,92 | 565 | 665 | 762 | - | - | - | - | - | - | - | - | - |
1,94 | 579 | 682 | 781 | - | - | - | - | - | - | - | - | - |
1,96 | 593 | 699 | 800 | - | - | - | - | - | - | - | - | - |
1,98 | 607 | 716 | 820 | - | - | - | - | - | - | - | - | - |
2,00 | 622 | 734 | - | - | - | - | - | - | - | - | - | - |
2,02 | 636 | 752 | - | - | - | - | - | - | - | - | - | - |
2,04 | 651 | 771 | - | - | - | - | - | - | - | - | - | - |
2,06 | 667 | 790 | - | - | - | - | - | - | - | - | - | - |
2,08 | 682 | 809 | - | - | - | - | - | - | - | - | - | - |
2,10 | 698 | 829 | - | - | - | - | - | - | - | - | - | - |
2,12 | 714 | 849 | - | - | - | - | - | - | - | - | - | - |
2,14 | 731 | 869 | - | - | - | - | - | - | - | - | - | - |
2,16 | 748 | 890 | - | - | - | - | - | - | - | - | - | - |
2,18 | 765 | 912 | - | - | - | - | - | - | - | - | - | - |
2,20 | 782 | 934 | - | - | - | - | - | - | - | - | - | - |
Сравнительная твердость испытуемого стального образца НВ в зависимости от отношения диаметров отпечатков на контрольном бруске
на образце
и твердости стального контрольного бруска НВ
кг/мм
,
мм
Таблица 2
|
| ||||||||
120 | 130 | 140 | 150 | 160 | 170 | 180 | 190 | 200 | |
| |||||||||
0,74 | - | - | - | - | - | - | - | - | 92 |
0,76 | - | - | - | - | - | - | - | 92 | 98 |
0,78 | - | - | - | - | - | - | 94 | 99 | 105 |
0,80 | - | - | - | - | - | 94 | 100 | 106 | 112 |
0,82 | - | - | - | - | 94 | 101 | 107 | 114 | 120 |
0,84 | - | - | - | 94 | 101 | 108 | 114 | 121 | 128 |
0,86 | - | - | 94 | 100 | 108 | 114 | 122 | 129 | 137 |
0,88 | - | 92 | 100 | 108 | 114 | 122 | 129 | 137 | 145 |
0,90 | 90 | 98 | 106 | 113 | 121 | 129 | 137 | 145 | 154 |
0,92 | 95 | 103 | 112 | 120 | 128 | 137 | 145 | 154 | 163 |
0,94 | 101 | 110 | 118 | 127 | 136 | 145 | 154 | 163 | 172 |
0,96 | 107 | 116 | 125 | 134 | 144 | 153 | 162 | 172 | 182 |
0,98 | 113 | 123 | 132 | 142 | 152 | 162 | 172 | 180 | 191 |
1,00 | 120 | 130 | 140 | 150 | 160 | 170 | 180 | 190 | 200 |
1,02 | 126 | 137 | 146 | 157 | 168 | 179 | 189 | 200 | 210 |
1,04 | 132 | 143 | 153 | 165 | 177 | 188 | 198 | 210 | 221 |
1,06 | 139 | 150 | 161 | 173 | 186 | 197 | 208 | 220 | 231 |
1,08 | 146 | 157 | 168 | 181 | 194 | 207 | 218 | 230 | 242 |
1,10 | 153 | 165 | 176 | 190 | 204 | 216 | 228 | 240 | 253 |
1,12 | 161 | 173 | 184 | 199 | 213 | 226 | 238 | 251 | 264 |
1,14 | 168 | 181 | 193 | 208 | 223 | 236 | 249 | 262 | 275 |
1,16 | 178 | 189 | 202 | 217 | 233 | 246 | 259 | 273 | 287 |
1,18 | 184 | 197 | 210 | 227 | 243 | 256 | 270 | 285 | 299 |
1,20 | 192 | 206 | 220 | 236 | 252 | 266 | 280 | 295 | 311 |
1,22 | 200 | 214 | 229 | 245 | 262 | 277 | 291 | 306 | 323 |
1,24 | 208 | 223 | 238 | 255 | 273 | 288 | 303 | 318 | 335 |
1,26 | 216 | 232 | 247 | 264 | 283 | 299 | 315 | 331 | 348 |
1,28 | 225 | 240 | 257 | 275 | 294 | 310 | 326 | 341 | 355 |
1,30 | 233 | 250 | 267 | 286 | 305 | 321 | 337 | 354 | - |
1,32 | 242 | 259 | 277 | 297 | 317 | 333 | 348 | - | - |
1,34 | 251 | 269 | 288 | 308 | 328 | 344 | - | - | - |
1,36 | 260 | 278 | 298 | 319 | 339 | - | - | - | - |
1,38 | 270 | 288 | 309 | 330 | 350 | - | - | - | - |
1,40 | 280 | 299 | 319 | 341 | - | - | - | - | - |
1,42 | 289 | 308 | 329 | 354 | - | - | - | - | - |
1,44 | 299 | 318 | 340 | - | - | - | - | - | - |
1,46 | 309 | 329 | 350 | - | - | - | - | - | - |
1,48 | 319 | 339 | - | - | - | - | - | - | - |
1,50 | 329 | 350 | - | - | - | - | - | - | - |
1,52 | 339 | - | - | - | - | - | - | - | - |
1,54 | 349 | - | - | - | - | - | - | - | - |
| |||||||||
0,74 | - | - | - | - | - | - | - | - | 89 |
0,76 | - | - | - | - | - | - | - | - | 96 |
0,78 | - | - | - | - | - | - | 92 | 98 | 103 |
0,80 | - | - | - | - | - | 93 | 99 | 105 | 111 |
0,82 | - | - | - | - | 93 | 100 | 106 | 112 | 119 |
0,84 | - | - | - | 93 | 100 | 106 | 113 | 120 | 126 |
0,86 | - | - | 92 | 99 | 106 | 113 | 120 | 127 | 135 |
0,88 | - | 91 | 98 | 106 | 113 | 121 | 128 | 135 | 144 |
0,90 | 89 | 97 | 105 | 113 | 121 | 128 | 136 | 144 | 152 |
0,92 | 95 | 103 | 112 | 120 | 127 | 136 | 144 | 152 | 162 |
0,94 | 100 | 109 | 118 | 127 | 135 | 144 | 152 | 162 | 170 |
0,96 | 107 | 115 | 124 | 134 | 143 | 152 | 162 | 170 | 179 |
0,98 | 113 | 122 | 132 | 141 | 150 | 160 | 170 | 179 | 189 |
1,00 | 120 | 130 | 140 | 150 | 160 | 170 | 180 | 190 | 200 |
1,02 | 126 | 137 | 148 | 158 | 169 | 179 | 189 | 200 | 210 |
1,04 | 133 | 144 | 155 | 166 | 177 | 188 | 198 | 210 | 220 |
1,06 | 140 | 152 | 163 | 175 | 186 | 197 | 208 | 220 | 231 |
1,08 | 148 | 160 | 172 | 184 | 195 | 207 | 219 | 231 | 242 |
1,10 | 155 | 168 | 182 | 194 | 205 | 218 | 230 | 243 | 257 |
1,12 | 163 | 177 | 191 | 203 | 215 | 229 | 242 | 255 | 269 |
1,14 | 170 | 185 | 200 | 213 | 226 | 239 | 253 | 267 | 282 |
1,16 | 177 | 195 | 208 | 223 | 236 | 251 | 264 | 279 | 294 |
1,18 | 188 | 203 | 218 | 233 | 247 | 261 | 276 | 291 | 309 |
1,20 | 196 | 212 | 228 | 244 | 258 | 272 | 287 | 303 | 319 |
1,22 | 205 | 222 | 238 | 253 | 268 | 283 | 298 | 314 | 331 |
1,24 | 213 | 251 | 247 | 263 | 280 | 294 | 310 | 326 | 344 |
1,26 | 222 | 240 | 257 | 274 | 291 | 305 | 321 | 340 | - |
1,28 | 231 | 249 | 267 | 285 | 302 | 317 | 333 | 351 | - |
1,30 | 238 | 260 | 277 | 295 | 312 | 328 | 345 | - | - |
1,32 | 248 | 269 | 287 | 305 | 323 | 340 | 356 | - | - |
1,34 | 258 | 278 | 297 | 316 | 334 | 352 | - | - | - |
1,36 | 268 | 288 | 308 | 326 | 346 | - | - | - | - |
1,38 | 278 | 298 | 319 | 337 | - | - | - | - | - |
1,40 | 288 | 308 | 329 | 348 | - | - | - | - | - |
1,42 | 298 | 318 | 341 | - | - | - | - | - | - |
1,44 | 309 | 330 | 352 | - | - | - | - | - | - |
1,46 | 319 | 341 | - | - | - | - | - | - | - |
1,48 | 330 | 351 | - | - | - | - | - | - | - |
1,50 | 340 | - | - | - | - | - | - | - | - |
1,52 | 352 | - | - | - | - | - | - | - | - |
| |||||||||
0,74 | - | - | - | - | - | - | - | - | 87 |
0,76 | - | - | - | - | - | - | - | 88 | 94 |
0,78 | - | - | - | - | - | - | 90 | 95 | 101 |
0,80 | - | - | - | - | - | 91 | 97 | 102 | 109 |
0,82 | - | - | - | - | 92 | 98 | 105 | 110 | 116 |
0,84 | - | - | - | 92 | 98 | 105 | 111 | 118 | 124 |
0,86 | - | - | 92 | 99 | 105 | 112 | 119 | 125 | 132 |
0,88 | - | 92 | 99 | 106 | 112 | 120 | 127 | 133 | 141 |
0,90 | 90 | 98 | 105 | 113 | 120 | 128 | 135 | 143 | 150 |
0,92 | 95 | 104 | 112 | 120 | 128 | 136 | 144 | 151 | 159 |
0,94 | 101 | 110 | 119 | 127 | 136 | 144 | 153 | 161 | 168 |
0,96 | 107 | 114 | 125 | 134 | 143 | 152 | 161 | 171 | 178 |
0,98 | 113 | 123 | 132 | 142 | 152 | 162 | 170 | 180 | 189 |
1,00 | 120 | 130 | 140 | 150 | 160 | 170 | 180 | 190 | 200 |
1,02 | 127 | 138 | 148 | 158 | 169 | 179 | 190 | 201 | 213 |
1,04 | 134 | 145 | 157 | 167 | 178 | 189 | 200 | 212 | 224 |
1,06 | 141 | 153 | 165 | 176 | 187 | 199 | 211 | 223 | 236 |
1,08 | 148 | 167 | 175 | 186 | 197 | 210 | 222 | 234 | 248 |
1,10 | 156 | 170 | 184 | 196 | 207 | 220 | 233 | 245 | 260 |
1,12 | 164 | 178 | 192 | 205 | 217 | 231 | 244 | 257 | 272 |
1,14 | 172 | 187 | 201 | 214 | 227 | 241 | 255 | 268 | 284 |
1,16 | 180 | 195 | 210 | 224 | 237 | 252 | 265 | 280 | 297 |
1,18 | 188 | 204 | 219 | 234 | 247 | 263 | 278 | 293 | 311 |
1,20 | 198 | 213 | 229 | 244 | 257 | 274 | 289 | 306 | 324 |
1,22 | 206 | 222 | 239 | 254 | 269 | 285 | 301 | 319 | 337 |
1,24 | 215 | 232 | 250 | 266 | 282 | 298 | 314 | 332 | 350 |
1,26 | 224 | 242 | 260 | 277 | 293 | 310 | 327 | 345 | - |
1,28 | 233 | 252 | 270 | 288 | 306 | 321 | 339 | - | - |
1,30 | 242 | 262 | 281 | 299 | 317 | 334 | 350 | - | - |
1,32 | 252 | 273 | 293 | 312 | 330 | 345 | - | - | - |
1,34 | 262 | 283 | 305 | 324 | 343 | - | - | - | - |
1,36 | 273 | 295 | 317 | 336 | 353 | - | - | - | - |
1,38 | 282 | 306 | 328 | 348 | 363 | - | - | - | - |
1,40 | 292 | 317 | 340 | 360 | - | - | - | - | - |
1,42 | 302 | 326 | 350 | - | - | - | - | - | - |
1,44 | 313 | 337 | 360 | - | - | - | - | - | - |
1,46 | 324 | 348 | - | - | - | - | - | - | - |
1,48 | 335 | 357 | - | - | - | - | - | - | - |
1,50 | 344 | - | - | - | - | - | - | - | - |
| |||||||||
0,74 | - | - | - | - | - | - | - | 81 | 85 |
0,76 | - | - | - | - | - | - | 83 | 88 | 93 |
0,78 | - | - | - | - | - | 83 | 89 | 95 | 100 |
0,80 | - | - | - | - | 83 | 90 | 97 | 102 | 108 |
0,82 | - | - | - | 83 | 90 | 97 | 104 | 110 | 116 |
0,84 | - | - | 82 | 89 | 97 | 104 | 111 | 118 | 124 |
0,86 | 73 | 81 | 89 | 97 | 105 | 112 | 119 | 126 | 133 |
0,88 | 79 | 87 | 96 | 104 | 112 | 120 | 127 | 134 | 142 |
0,90 | 85 | 94 | 103 | 111 | 119 | 128 | 135 | 142 | 151 |
0,92 | 92 | 102 | 110 | 119 | 127 | 136 | 143 | 151 | 160 |
0,94 | 100 | 108 | 117 | 127 | 135 | 144 | 152 | 160 | 170 |
0,96 | 107 | 115 | 125 | 135 | 143 | 152 | 160 | 169 | 180 |
0,98 | 114 | 128 | 132 | 143 | 151 | 161 | 169 | 179 | 190 |
1,00 | 120 | 130 | 140 | 150 | 160 | 170 | 180 | 190 | 200 |
1,02 | 128 | 139 | 150 | 159 | 170 | 179 | 189 | 200 | 210 |
1,04 | 136 | 148 | 159 | 169 | 179 | 190 | 200 | 212 | 222 |
1,06 | 145 | 156 | 168 | 178 | 188 | 200 | 211 | 223 | 234 |
1,08 | 153 | 165 | 177 | 188 | 198 | 210 | 223 | 234 | 245 |
1,10 | 161 | 174 | 187 | 198 | 209 | 222 | 235 | 246 | 258 |
1,12 | 170 | 184 | 197 | 208 | 220 | 235 | 246 | 258 | 271 |
1,14 | 179 | 193 | 207 | 219 | 231 | 244 | 257 | 270 | 284 |
1,16 | 189 | 203 | 217 | 230 | 241 | 255 | 268 | 282 | 296 |
1,18 | 198 | 213 | 227 | 240 | 253 | 266 | 280 | 295 | 310 |
1,20 | 208 | 224 | 238 | 251 | 264 | 278 | 293 | 308 | 324 |
1,22 | 218 | 234 | 249 | 262 | 276 | 290 | 305 | 321 | 337 |
1,24 | 228 | 245 | 260 | 274 | 288 | 302 | 318 | 333 | 350 |
1,26 | 239 | 256 | 271 | 286 | 301 | 314 | 330 | 347 | - |
1,28 | 250 | 267 | 283 | 298 | 313 | 327 | 342 | - | - |
1,30 | 260 | 279 | 296 | 310 | 324 | 339 | 355 | - | - |
1,32 | 272 | 290 | 308 | 322 | 336 | 352 | - | - | - |
1,34 | 284 | 302 | 319 | 333 | 347 | - | - | - | - |
1,36 | 296 | 314 | 331 | 345 | 358 | - | - | - | - |
1,38 | 308 | 327 | 343 | 357 | - | - | - | - | - |
1,40 | 321 | 337 | 355 | - | - | - | - | - | - |
1,42 | 331 | 348 | - | - | - | - | - | - | - |
1,44 | 342 | 357 | - | - | - | - | - | - | - |
1,46 | 353 | - | - | - | - | - | - | - | - |
1,48 | 364 | - | - | - | - | - | - | - | - |
| |||||||||
0,74 | - | - | - | - | - | - | - | - | 84 |
0,76 | - | - | - | - | - | - | - | 86 | 91 |
0,78 | - | - | - | - | - | - | 87 | 92 | 98 |
0,80 | - | - | - | - | - | 88 | 93 | 99 | 105 |
0,82 | - | - | - | - | 88 | 94 | 100 | 106 | 113 |
0,84 | - | - | - | 89 | 95 | 102 | 108 | 114 | 121 |
0,86 | - | - | 89 | 96 | 102 | 109 | 115 | 122 | 130 |
0,88 | - | 88 | 96 | 103 | 110 | 116 | 124 | 131 | 139 |
0,90 | 87 | 94 | 103 | 110 | 118 | 125 | 132 | 140 | 148 |
0,92 | 92 | 101 | 110 | 118 | 125 | 133 | 141 | 150 | 158 |
0,94 | 99 | 108 | 118 | 126 | 134 | 142 | 150 | 160 | 168 |
0,96 | 106 | 116 | 125 | 134 | 142 | 151 | 160 | 169 | 179 |
0,98 | 113 | 123 | 132 | 142 | 151 | 160 | 170 | 180 | 190 |
1,00 | 120 | 130 | 140 | 150 | 160 | 170 | 180 | 190 | 200 |
1,02 | 127 | 138 | 149 | 160 | 170 | 180 | 191 | 201 | 211 |
1,04 | 134 | 146 | 157 | 169 | 179 | 190 | 201 | 213 | 223 |
1,06 | 142 | 154 | 166 | 178 | 190 | 200 | 212 | 224 | 235 |
1,08 | 150 | 162 | 175 | 187 | 200 | 212 | 223 | 236 | 247 |
1,10 | 158 | 171 | 184 | 197 | 210 | 223 | 235 | 248 | 259 |
1,12 | 166 | 181 | 194 | 208 | 221 | 234 | 247 | 260 | 273 |
1,14 | 175 | 190 | 204 | 218 | 231 | 245 | 259 | 272 | 286 |
1,16 | 184 | 199 | 214 | 228 | 241 | 256 | 270 | 285 | 299 |
1,18 | 193 | 208 | 222 | 238 | 252 | 268 | 282 | 297 | 313 |
1,20 | 202 | 218 | 234 | 249 | 264 | 280 | 295 | 311 | 328 |
1,22 | 212 | 228 | 245 | 260 | 276 | 292 | 308 | 324 | 341 |
1,24 | 221 | 239 | 256 | 271 | 289 | 304 | 321 | 337 | 353 |
1,26 | 231 | 249 | 267 | 283 | 301 | 317 | 334 | 350 | - |
1,28 | 242 | 261 | 279 | 296 | 314 | 330 | 347 | - | - |
1,30 | 252 | 271 | 290 | 308 | 327 | 344 | - | - | - |
1,32 | 262 | 282 | 302 | 320 | 339 | 356 | - | - | - |
1,34 | 273 | 294 | 314 | 332 | 352 | - | - | - | - |
1,36 | 284 | 305 | 326 | 345 | - | - | - | - | - |
1,38 | 295 | 316 | 338 | - | - | - | - | - | - |
1,40 | 307 | 329 | 350 | - | - | - | - | - | - |
1,42 | 316 | 341 | - | - | - | - | - | - | - |
1,44 | 327 | 352 | - | - | - | - | - | - | - |
1,46 | 338 | - | - | - | - | - | - | - | - |
1,48 | 349 | - | - | - | - | - | - | - | - |
Сравнительная твердость испытуемого стального образца НВ в зависимости от отношения диаметров отпечатков на контрольном бруске
на образце
и твердости стального контрольного бруска НВ
кг/мм
,
мм
Таблица 3
|
| ||||||||
|
|
|
|
|
|
|
|
| |
| |||||||||
0,72 | - | - | - | - | - | - | - | - | 78 |
0,74 | - | - | - | - | - | - | 82 | 87 | 91 |
0,76 | - | - | - | - | - | - | 88 | 93 | 98 |
0,78 | - | - | - | - | 83 | 89 | 94 | 100 | 105 |
0,80 | - | - | - | - | 89 | 95 | 101 | 107 | 113 |
0,82 | - | - | 83 | 89 | 95 | 102 | 108 | 114 | 121 |
0,84 | - | - | 88 | 95 | 101 | 106 | 115 | 122 | 129 |
0,86 | 80 | 87 | 94 | 101 | 108 | 115 | 123 | 130 | 137 |
0,88 | 85 | 92 | 100 | 107 | 115 | 122 | 130 | 138 | 145 |
0,90 | 91 | 98 | 106 | 114 | 122 | 130 | 138 | 146 | 154 |
0,92 | 96 | 104 | 112 | 121 | 129 | 137 | 146 | 154 | 162 |
0,94 | 102 | 111 | 119 | 128 | 137 | 145 | 154 | 163 | 171 |
0,96 | 108 | 117 | 126 | 135 | 144 | 153 | 162 | 172 | 180 |
0,98 | 114 | 123 | 133 | 142 | 152 | 162 | 171 | 181 | 190 |
1,00 | 120 | 130 | 140 | 150 | 160 | 170 | 180 | 190 | 200 |
1,02 | 126 | 137 | 147 | 158 | 168 | 179 | 189 | 199 | 210 |
1,04 | 132 | 144 | 154 | 166 | 176 | 187 | 198 | 209 | 220 |
1,06 | 139 | 151 | 162 | 174 | 185 | 196 | 208 | 219 | 231 |
1,08 | 146 | 158 | 170 | 182 | 194 | 205 | 217 | 229 | 241 |
1,10 | 153 | 166 | 178 | 190 | 203 | 215 | 227 | 240 | 252 |
1,12 | 160 | 173 | 186 | 199 | 212 | 224 | 237 | 250 | 263 |
1,14 | 168 | 181 | 194 | 208 | 221 | 234 | 248 | 261 | 275 |
1,16 | 179 | 189 | 203 | 217 | 230 | 244 | 258 | 272 | 286 |
1,18 | 182 | 197 | 212 | 226 | 240 | 255 | 269 | 283 | 298 |
1,20 | 190 | 205 | 220 | 235 | 250 | 265 | 280 | 294 | 310 |
1,22 | 198 | 214 | 229 | 245 | 261 | 276 | 291 | 306 | 322 |
1,24 | 206 | 222 | 238 | 254 | 271 | 286 | 302 | 318 | 334 |
1,26 | 214 | 231 | 240 | 264 | 281 | 297 | 314 | 330 | 347 |
1,28 | 222 | 240 | 257 | 274 | 291 | 308 | 325 | 342 | 360 |
1,30 | 231 | 249 | 267 | 284 | 302 | 320 | 337 | 355 | 373 |
1,32 | 230 | 258 | 277 | 294 | 313 | 331 | 349 | 367 | 386 |
1,34 | 248 | 268 | 287 | 305 | 324 | 343 | 362 | 380 | 400 |
1,36 | 257 | 277 | 297 | 316 | 335 | 355 | 374 | 393 | 413 |
1,38 | 266 | 287 | 307 | 327 | 347 | 367 | 387 | 407 | 427 |
1,40 | 275 | 297 | 317 | 338 | 358 | 379 | 400 | 420 | 441 |
1,42 | 285 | 307 | 328 | 349 | 370 | 392 | 413 | 434 | 456 |
1,44 | 294 | 317 | 339 | 360 | 382 | 404 | 426 | 448 | - |
1,46 | 304 | 327 | 350 | 372 | 395 | 417 | 439 | - | - |
1,48 | 313 | 337 | 361 | 384 | 407 | 438 | 453 | - | - |
1,50 | 323 | 348 | 372 | 396 | 420 | 443 | - | - | - |
1,52 | 333 | 359 | 383 | 408 | 432 | 456 | - | - | - |
1,54 | 343 | 370 | 395 | 420 | 445 | - | - | - | - |
| |||||||||
0,74 | - | - | - | - | - | - | 79 | 84 | 89 |
0,76 | - | - | - | - | - | - | 85 | 91 | 96 |
0,78 | - | - | - | - | 81 | 87 | 92 | 98 | 103 |
0,80 | - | - | - | - | 87 | 93 | 99 | 105 | 111 |
0,82 | - | - | 81 | 87 | 93 | 100 | 106 | 112 | 119 |
0,84 | - | - | 87 | 93 | 100 | 107 | 113 | 120 | 127 |
0,86 | 79 | 86 | 93 | 100 | 107 | 114 | 121 | 128 | 135 |
0,88 | 85 | 91 | 99 | 106 | 114 | 121 | 129 | 136 | 143 |
0,90 | 90 | 97 | 105 | 113 | 121 | 129 | 137 | 144 | 152 |
0,92 | 95 | 103 | 112 | 120 | 127 | 137 | 145 | 153 | 161 |
0,94 | 101 | 110 | 119 | 127 | 136 | 145 | 153 | 162 | 171 |
0,96 | 107 | 116 | 126 | 134 | 144 | 153 | 162 | 171 | 180 |
0,98 | 114 | 123 | 133 | 142 | 152 | 161 | 171 | 180 | 190 |
1,00 | 120 | 130 | 140 | 150 | 160 | 170 | 180 | 190 | 200 |
1,02 | 127 | 137 | 148 | 158 | 168 | 179 | 189 | 200 | 210 |
1,04 | 133 | 144 | 155 | 164 | 177 | 188 | 199 | 210 | 221 |
1,06 | 140 | 152 | 163 | 175 | 186 | 197 | 209 | 220 | 232 |
1,08 | 147 | 159 | 171 | 183 | 195 | 207 | 219 | 230 | 243 |
1,10 | 153 | 167 | 180 | 192 | 204 | 217 | 229 | 241 | 254 |
1,12 | 162 | 175 | 188 | 201 | 214 | 227 | 239 | 252 | 265 |
1,14 | 170 | 183 | 197 | 210 | 224 | 237 | 250 | 264 | 277 |
1,16 | 177 | 191 | 206 | 219 | 234 | 247 | 261 | 275 | 289 |
1,18 | 185 | 200 | 215 | 229 | 244 | 258 | 272 | 287 | 301 |
1,20 | 193 | 208 | 224 | 239 | 254 | 269 | 283 | 299 | 313 |
1,22 | 202 | 217 | 233 | 249 | 264 | 280 | 295 | 331 | 326 |
1,24 | 210 | 226 | 242 | 259 | 275 | 291 | 307 | 323 | 339 |
1,26 | 216 | 236 | 252 | 269 | 286 | 303 | 319 | 336 | 352 |
1,28 | 227 | 245 | 262 | 279 | 296 | 314 | 331 | 349 | 365 |
1,30 | 296 | 254 | 272 | 290 | 296 | 320 | 344 | 362 | 379 |
1,32 | 245 | 264 | 282 | 301 | 318 | 338 | 356 | 375 | 393 |
1,34 | 235 | 274 | 293 | 312 | 331 | 350 | 369 | 388 | 407 |
1,36 | 264 | 284 | 304 | 323 | 343 | 369 | 382 | 402 | 421 |
1,38 | 274 | 294 | 315 | 335 | 355 | 376 | 396 | 416 | 436 |
1,40 | 283 | 304 | 326 | 347 | 367 | 389 | 409 | 430 | 451 |
1,42 | 293 | 315 | 337 | 359 | 380 | 402 | 423 | 444 | - |
1,44 | 303 | 326 | 348 | 371 | 393 | 415 | 437 | 459 | - |
1,46 | 313 | 337 | 360 | 383 | 406 | 428 | 451 | - | - |
1,48 | 323 | 348 | 371 | 395 | 419 | 442 | - | - | - |
1,50 | 334 | 359 | 389 | 408 | 432 | 456 | - | - | - |
1,52 | 345 | 370 | 395 | 420 | 445 | - | - | - | - |
1,54 | 356 | 381 | 408 | 433 | 459 | - | - | - | - |
| |||||||||
0,74 | - | - | - | - | - | - | 77 | 82 | 87 |
0,76 | - | - | - | - | - | - | 83 | 89 | 94 |
0,78 | - | - | - | - | 79 | 85 | 90 | 96 | 101 |
0,80 | - | - | - | - | 85 | 91 | 97 | 103 | 109 |
0,82 | - | - | 80 | 86 | 92 | 98 | 104 | 111 | 117 |
0,84 | - | 79 | 86 | 92 | 98 | 105 | 111 | 118 | 125 |
0,86 | 78 | 85 | 92 | 99 | 105 | 112 | 119 | 126 | 133 |
0,88 | 83 | 91 | 98 | 105 | 112 | 123 | 127 | 134 | 142 |
0,90 | 88 | 97 | 103 | 112 | 120 | 128 | 135 | 143 | 151 |
0,92 | 95 | 103 | 111 | 119 | 127 | 136 | 144 | 152 | 160 |
0,94 | 101 | 109 | 118 | 127 | 135 | 144 | 153 | 161 | 170 |
0,96 | 107 | 116 | 125 | 134 | 143 | 152 | 162 | 170 | 180 |
0,98 | 113 | 123 | 132 | 142 | 152 | 161 | 171 | 180 | 190 |
1,00 | 120 | 130 | 140 | 150 | 160 | 170 | 180 | 190 | 200 |
1,02 | 127 | 137 | 148 | 158 | 169 | 179 | 190 | 200 | 211 |
1,04 | 134 | 144 | 156 | 166 | 178 | 188 | 200 | 210 | 221 |
1,06 | 141 | 152 | 164 | 175 | 187 | 198 | 210 | 221 | 232 |
1,08 | 148 | 160 | 172 | 184 | 196 | 208 | 220 | 232 | 243 |
1,10 | 156 | 168 | 181 | 193 | 206 | 218 | 231 | 243 | 255 |
1,12 | 163 | 176 | 189 | 202 | 216 | 220 | 242 | 254 | 267 |
1,14 | 171 | 185 | 198 | 212 | 226 | 239 | 253 | 266 | 279 |
1,16 | 179 | 193 | 207 | 222 | 236 | 250 | 264 | 278 | 291 |
1,18 | 188 | 202 | 217 | 232 | 246 | 261 | 275 | 290 | 304 |
1,20 | 196 | 211 | 226 | 242 | 257 | 272 | 287 | 302 | 317 |
1,22 | 205 | 220 | 236 | 252 | 268 | 204 | 299 | 315 | 330 |
1,24 | 213 | 229 | 246 | 262 | 279 | 295 | 311 | 328 | 343 |
1,26 | 222 | 239 | 256 | 273 | 290 | 307 | 324 | 341 | 357 |
1,28 | 231 | 249 | 266 | 234 | 302 | 319 | 337 | 354 | 371 |
1,30 | 241 | 259 | 277 | 295 | 314 | 332 | 350 | 368 | 385 |
1,32 | 250 | 269 | 288 | 306 | 326 | 344 | 363 | 381 | 399 |
1,34 | 260 | 279 | 299 | 318 | 338 | 357 | 376 | 395 | 414 |
1,36 | 270 | 290 | 310 | 330 | 350 | 369 | 390 | 409 | 429 |
1,38 | 280 | 301 | 321 | 342 | 363 | 383 | 404 | 424 | 444 |
1,40 | 290 | 312 | 339 | 354 | 375 | 396 | 418 | 439 | 459 |
1,42 | 300 | 322 | 345 | 367 | 388 | 410 | 432 | 454 | - |
1,44 | 310 | 333 | 356 | 380 | 401 | 424 | 446 | - | - |
1,46 | 321 | 345 | 368 | 392 | 415 | 438 | - | - | - |
1,48 | 332 | 356 | 380 | 405 | 429 | 452 | - | - | - |
1,50 | 343 | 368 | 393 | 418 | 443 | - | - | - | - |
1,52 | 354 | 380 | 406 | 432 | 457 | - | - | - | - |
1,54 | 366 | 392 | 419 | 445 | - | - | - | - | - |
| |||||||||
0,74 | - | - | - | - | - | - | 76 | 81 | 85 |
0,76 | - | - | - | - | - | - | 83 | 87 | 92 |
0,78 | - | - | - | - | 78 | 84 | 89 | 94 | 100 |
0,80 | - | - | - | - | 85 | 90 | 96 | 101 | 108 |
0,82 | - | - | 79 | 85 | 91 | 97 | 103 | 109 | 115 |
0,84 | - | - | 85 | 92 | 98 | 104 | 111 | 117 | 123 |
0,86 | 77 | 84 | 91 | 98 | 104 | 111 | 118 | 125 | 132 |
0,88 | 84 | 90 | 98 | 105 | 111 | 119 | 124 | 133 | 141 |
0,90 | 88 | 96 | 104 | 111 | 119 | 127 | 135 | 142 | 150 |
0,92 | 95 | 104 | 111 | 119 | 127 | 135 | 143 | 151 | 159 |
0,94 | 101 | 109 | 118 | 126 | 135 | 143 | 152 | 161 | 169 |
0,96 | 107 | 116 | 125 | 134 | 143 | 152 | 161 | 170 | 179 |
0,98 | 113 | 123 | 132 | 142 | 151 | 161 | 170 | 180 | 189 |
1,00 | 120 | 130 | 140 | 150 | 160 | 170 | 180 | 190 | 200 |
1,02 | 127 | 137 | 148 | 158 | 169 | 179 | 190 | 200 | 211 |
1,04 | 134 | 145 | 156 | 167 | 178 | 189 | 200 | 211 | 222 |
1,06 | 141 | 153 | 164 | 176 | 187 | 199 | 210 | 222 | 233 |
1,08 | 149 | 161 | 173 | 185 | 197 | 209 | 222 | 233 | 245 |
1,10 | 157 | 169 | 182 | 194 | 207 | 219 | 232 | 244 | 257 |
1,12 | 165 | 178 | 191 | 204 | 217 | 230 | 243 | 256 | 269 |
1,14 | 173 | 186 | 200 | 214 | 227 | 241 | 254 | 268 | 281 |
1,16 | 181 | 195 | 210 | 224 | 239 | 252 | 266 | 280 | 294 |
1,18 | 189 | 204 | 219 | 234 | 249 | 263 | 278 | 293 | 397 |
1,20 | 198 | 214 | 229 | 245 | 260 | 275 | 290 | 305 | 320 |
1,22 | 207 | 223 | 239 | 255 | 271 | 287 | 303 | 318 | 334 |
1,24 | 216 | 233 | 250 | 266 | 282 | 299 | 312 | 331 | 348 |
1,26 | 225 | 243 | 260 | 277 | 294 | 311 | 328 | 345 | 362 |
1,28 | 235 | 253 | 271 | 289 | 306 | 323 | 342 | 358 | 376 |
1,30 | 244 | 263 | 281 | 300 | 318 | 336 | 335 | 372 | 391 |
1,32 | 254 | 274 | 293 | 312 | 330 | 349 | 368 | 386 | 406 |
1,34 | 264 | 284 | 304 | 324 | 324 | 343 | 363 | 401 | 421 |
1,36 | 285 | 306 | 327 | 348 | 369 | 390 | 410 | 431 | 452 |
1,38 | 296 | 318 | 339 | 361 | 382 | 404 | 425 | 446 | 468 |
1,40 | 306 | 329 | 351 | 374 | 396 | 418 | 440 | 462 | - |
1,42 | 306 | 329 | 351 | 374 | 396 | 418 | 440 | 462 | - |
1,44 | 317 | 341 | 364 | 387 | 409 | 432 | 455 | - | - |
1,46 | 328 | 352 | 376 | 400 | 423 | 447 | - | - | - |
1,48 | 340 | 364 | 389 | 414 | 438 | - | - | - | - |
1,50 | 351 | 376 | 402 | 427 | 452 | - | - | - | - |
1,52 | 363 | 389 | 415 | 441 | - | - | - | - | - |
1,54 | 374 | 401 | 428 | 455 | - | - | - | - | - |
| |||||||||
0,78 | - | - | - | - | - | - | - | 92 | 97 |
0,80 | - | - | - | - | - | - | 94 | 99 | 105 |
0,82 | - | - | - | - | - | 95 | 101 | 107 | 113 |
0,84 | - | - | - | - | 96 | 102 | 109 | 115 | 121 |
0,86 | - | - | - | 96 | 103 | 110 | 117 | 123 | 130 |
0,88 | - | - | 96 | 103 | 110 | 118 | 130 | 132 | 139 |
0,90 | - | 95 | 103 | 110 | 118 | 126 | 133 | 141 | 149 |
0,92 | 94 | 101 | 110 | 117 | 126 | 134 | 142 | 150 | 158 |
0,94 | 100 | 108 | 117 | 125 | 134 | 143 | 151 | 160 | 168 |
0,96 | 106 | 115 | 124 | 133 | 142 | 152 | 160 | 170 | 178 |
0,98 | 113 | 123 | 132 | 142 | 151 | 161 | 170 | 180 | 189 |
1,00 | 120 | 130 | 140 | 150 | 160 | 170 | 180 | 190 | 200 |
1,02 | 127 | 138 | 148 | 159 | 169 | 180 | 190 | 201 | 211 |
1,04 | 134 | 146 | 156 | 168 | 178 | 190 | 200 | 212 | 222 |
1,06 | 142 | 154 | 165 | 177 | 188 | 200 | 211 | 223 | 234 |
1,08 | 150 | 162 | 174 | 185 | 198 | 210 | 222 | 234 | 246 |
1,10 | 158 | 171 | 183 | 196 | 209 | 221 | 234 | 246 | 259 |
1,12 | 166 | 180 | 192 | 206 | 219 | 232 | 245 | 258 | 272 |
1,14 | 175 | 189 | 202 | 216 | 230 | 244 | 257 | 271 | 285 |
1,16 | 183 | 198 | 212 | 226 | 241 | 255 | 269 | 284 | 298 |
1,18 | 192 | 207 | 222 | 237 | 252 | 267 | 282 | 297 | 312 |
1,20 | 201 | 217 | 233 | 248 | 264 | 279 | 295 | 310 | 326 |
1,22 | 211 | 227 | 243 | 259 | 276 | 292 | 308 | 324 | 340 |
1,24 | 220 | 237 | 254 | 271 | 288 | 304 | 321 | 338 | 354 |
1,26 | 230 | 248 | 265 | 283 | 300 | 317 | 335 | 352 | 369 |
1,28 | 240 | 258 | 276 | 295 | 312 | 330 | 348 | 366 | 384 |
1,30 | 250 | 269 | 288 | 307 | 325 | 344 | 352 | 381 | 399 |
1,32 | 260 | 280 | 300 | 319 | 338 | 358 | 376 | 396 | 415 |
1,34 | 271 | 291 | 312 | 332 | 352 | 372 | 391 | 411 | - |
1,36 | 282 | 303 | 324 | 345 | 365 | 386 | 406 | 426 | - |
1,38 | 293 | 316 | 336 | 358 | 379 | 400 | 421 | - | - |
1,40 | 304 | 327 | 349 | 371 | 393 | 415 | - | - | - |
1,42 | 315 | 339 | 362 | 385 | 407 | - | - | - | - |
1,44 | 327 | 351 | 375 | 398 | 422 | - | - | - | - |
1,46 | 339 | 364 | 388 | 412 | - | - | - | - | - |
1,48 | 351 | 376 | 401 | 426 | - | - | - | - | - |
1,50 | 363 | 389 | 415 | - | - | - | - | - | - |
1,52 | 375 | 402 | 429 | - | - | - | - | - | - |
1,54 | 388 | 416 | - | - | - | - | - | - | - |
Сравнительная пластическая твердость НД испытуемого стального образца в зависимости от отношения глубин отпечатков шарика на контрольном бруске
и образце
и пластической твердости стального контрольного бруска НД
кг/мм
Таблица 4
|
| ||||||||||
|
|
|
|
|
|
|
|
|
|
| |
| |||||||||||
0,35 | - | - | - | - | - | - | 54 | 60 | 66 | 72 | 79 |
0,40 | - | - | - | - | - | 59 | 66 | 73 | 80 | 87 | 94 |
0,45 | - | - | - | - | 62 | 69 | 78 | 86 | 94 | 102 | 111 |
0,50 | - | - | - | 63 | 72 | 81 | 90 | 99 | 108 | 117 | 127 |
0,55 | - | - | 62 | 72 | 82 | 92 | 102 | 113 | 123 | 133 | 144 |
0,60 | - | 59 | 70 | 81 | 92 | 104 | 115 | 126 | 138 | 149 | 161 |
0,65 | - | 67 | 79 | 91 | 103 | 115 | 128 | 140 | 153 | 163 | 178 |
0,70 | 61 | 74 | 87 | 100 | 114 | 127 | 141 | 154 | 168 | 181 | 195 |
0,75 | 67 | 81 | 96 | 110 | 125 | 139 | 154 | 168 | 183 | 198 | 212 |
0,80 | 74 | 89 | 104 | 120 | 135 | 151 | 167 | 182 | 198 | 214 | 230 |
0,85 | 80 | 97 | 113 | 130 | 146 | 163 | 180 | 197 | 213 | 230 | 247 |
0,90 | 87 | 104 | 122 | 140 | 158 | 175 | 193 | 211 | 229 | 247 | 265 |
0,95 | 93 | 112 | 131 | 150 | 169 | 188 | 207 | 226 | 244 | 263 | 282 |
1,00 | 100 | 120 | 140 | 160 | 180 | 200 | 220 | 240 | 260 | 280 | 300 |
1,05 | 107 | 127 | 149 | 170 | 191 | 212 | 233 | 255 | 276 | 297 | 318 |
1,10 | 114 | 136 | 158 | 180 | 203 | 224 | 247 | 269 | 291 | 313 | 336 |
1,15 | 120 | 144 | 167 | 191 | 214 | 237 | 261 | 284 | 307 | 330 | 353 |
1,20 | 127 | 152 | 177 | 201 | 225 | 250 | 274 | 298 | 323 | 347 | 371 |
1,25 | 134 | 160 | 186 | 211 | 237 | 262 | 288 | 313 | 339 | 364 | 389 |
1,30 | 141 | 168 | 195 | 221 | 248 | 275 | 301 | 328 | 354 | 381 | 407 |
1,35 | 148 | 176 | 204 | 232 | 260 | 288 | 315 | 343 | 370 | 398 | 425 |
1,40 | 156 | 185 | 214 | 243 | 272 | 300 | 329 | 357 | 386 | 414 | 443 |
1,45 | 162 | 193 | 223 | 253 | 283 | 313 | 343 | 372 | 402 | 431 | 461 |
1,50 | 170 | 201 | 233 | 264 | 295 | 326 | 356 | 387 | 418 | 448 | 479 |
1,55 | 177 | 209 | 242 | 274 | 306 | 338 | 370 | 402 | 434 | 465 | 497 |
1,60 | 184 | 217 | 251 | 285 | 317 | 351 | 384 | 417 | 450 | 482 | 515 |
1,65 | 191 | 226 | 261 | 295 | 330 | 364 | 398 | 432 | 466 | 499 | 533 |
1,70 | 198 | 234 | 270 | 306 | 341 | 377 | 412 | 447 | 482 | 516 | 551 |
1,75 | 205 | 243 | 280 | 317 | 353 | 389 | 426 | 462 | 498 | 533 | 569 |
1,80 | 213 | 251 | 289 | 327 | 365 | 402 | 439 | 477 | 514 | 550 | 587 |
1,85 | 220 | 260 | 299 | 338 | 377 | 415 | 453 | 492 | 530 | 568 | 605 |
1,90 | 227 | 268 | 309 | 349 | 389 | 428 | 467 | 506 | 546 | 585 | 623 |
1,95 | 235 | 277 | 318 | 359 | 400 | 441 | 481 | 521 | 562 | 602 | 642 |
2,00 | 242 | 285 | 328 | 370 | 412 | 545 | 495 | 536 | 578 | 619 | 660 |
2,25 | 279 | 327 | 376 | 423 | 471 | 518 | 565 | 611 | 658 | 704 | - |
2,50 | 316 | 370 | 424 | 477 | 530 | 583 | 635 | 687 | - | - | - |
2,75 | 353 | 413 | 472 | 531 | 589 | 647 | 705 | - | - | - | - |
3,00 | 390 | 456 | 521 | 586 | 649 | - | - | - | - | - | - |
3,25 | 427 | 499 | 570 | 639 | - | - | - | - | - | - | - |
3,50 | 465 | 542 | 619 | 694 | - | - | - | - | - | - | - |
3,75 | 503 | 586 | 667 | - | - | - | - | - | - | - | - |
4,00 | 540 | 629 | - | - | - | - | - | - | - | - | - |
4,25 | 578 | 672 | - | - | - | - | - | - | - | - | - |
4,50 | 616 | - | - | - | - | - | - | - | - | - | - |
| |||||||||||
0,35 | - | - | - | - | - | - | - | 57 | 63 | 69 | 75 |
0,40 | - | - | - | - | - | 56 | 63 | 70 | 76 | 83 | 90 |
0,45 | - | - | - | - | 59 | 67 | 75 | 83 | 90 | 98 | 106 |
0,50 | - | - | - | 61 | 69 | 78 | 87 | 96 | 105 | 114 | 123 |
0,55 | - | - | 60 | 70 | 80 | 99 | 99 | 109 | 120 | 130 | 140 |
0,60 | - | 58 | 69 | 79 | 90 | 101 | 112 | 123 | 134 | 146 | 157 |
0,65 | - | 63 | 77 | 89 | 101 | 113 | 125 | 137 | 150 | 162 | 174 |
0,70 | 60 | 73 | 86 | 99 | 112 | 125 | 138 | 152 | 165 | 178 | 192 |
0,75 | 66 | 80 | 94 | 109 | 123 | 137 | 152 | 166 | 181 | 195 | 210 |
0,80 | 73 | 88 | 103 | 119 | 134 | 150 | 165 | 181 | 196 | 212 | 228 |
0,85 | 79 | 96 | 112 | 129 | 146 | 162 | 179 | 196 | 212 | 229 | 245 |
0,90 | 86 | 104 | 121 | 139 | 157 | 175 | 192 | 210 | 228 | 246 | 264 |
0,95 | 93 | 112 | 131 | 150 | 168 | 187 | 206 | 225 | 244 | 263 | 282 |
1,00 | 100 | 120 | 140 | 160 | 180 | 200 | 220 | 240 | 260 | 280 | 300 |
1,05 | 107 | 128 | 149 | 171 | 192 | 213 | 234 | 255 | 276 | 297 | 318 |
1,10 | 114 | 137 | 159 | 181 | 203 | 226 | 248 | 270 | 292 | 315 | 337 |
1,15 | 121 | 145 | 168 | 191 | 215 | 239 | 262 | 285 | 309 | 332 | 355 |
1,20 | 128 | 154 | 178 | 203 | 227 | 252 | 276 | 301 | 325 | 349 | 374 |
1,25 | 135 | 162 | 188 | 213 | 239 | 264 | 290 | 316 | 341 | 367 | 392 |
1,30 | 142 | 170 | 197 | 224 | 251 | 278 | 305 | 331 | 358 | 384 | 411 |
1,35 | 150 | 179 | 207 | 235 | 263 | 291 | 319 | 347 | 374 | 402 | 429 |
1,40 | 158 | 188 | 217 | 246 | 275 | 304 | 333 | 362 | 391 | 419 | 448 |
1,45 | 165 | 196 | 227 | 257 | 287 | 318 | 348 | 378 | 407 | 437 | 467 |
1,50 | 173 | 205 | 237 | 268 | 300 | 331 | 362 | 393 | 424 | 455 | 486 |
1,55 | 180 | 214 | 247 | 279 | 312 | 344 | 376 | 404 | 441 | 472 | 504 |
1,60 | 188 | 222 | 257 | 290 | 324 | 358 | 391 | 424 | 457 | 490 | 523 |
1,65 | 195 | 231 | 266 | 302 | 336 | 371 | 405 | 440 | 474 | 503 | 542 |
1,70 | 203 | 240 | 276 | 313 | 349 | 384 | 420 | 455 | 490 | 526 | 561 |
1,75 | 211 | 249 | 287 | 324 | 361 | 398 | 434 | 470 | 507 | 543 | 579 |
1,80 | 218 | 258 | 297 | 335 | 373 | 411 | 449 | 486 | 524 | 561 | 598 |
1,85 | 226 | 267 | 307 | 346 | 386 | 425 | 463 | 502 | 541 | 579 | 617 |
1,90 | 234 | 276 | 317 | 357 | 398 | 438 | 478 | 518 | 557 | 597 | 636 |
1,95 | 241 | 284 | 327 | 369 | 410 | 452 | 493 | 533 | 574 | 615 | 655 |
2,00 | 249 | 293 | 337 | 380 | 423 | 465 | 507 | 549 | 591 | 632 | - |
2,05 | 288 | 338 | 388 | 437 | 485 | 533 | 581 | 628 | 675 | 722 | - |
2,50 | 328 | 384 | 438 | 494 | 542 | 601 | 654 | 707 | - | - | - |
2,75 | 367 | 429 | 491 | 551 | 610 | 669 | - | - | - | - | - |
3,00 | 407 | 475 | 542 | 608 | 683 | - | - | - | - | - | - |
3,25 | 447 | 521 | 594 | 666 | - | - | - | - | - | - | - |
3,50 | 488 | 568 | 646 | - | - | - | - | - | - | - | - |
3,75 | 528 | 614 | - | - | - | - | - | - | - | - | - |
4,00 | 568 | 660 | - | - | - | - | - | - | - | - | - |
4,25 | 609 | - | - | - | - | - | - | - | - | - | - |
4,50 | 650 | - | - | - | - | - | - | - | - | - | - |
| |||||||||||
0,35 | - | - | - | - | - | - | - | 55 | 60 | 60 | 72 |
0,40 | - | - | - | - | - | - | 61 | 67 | 74 | 80 | 87 |
0,45 | - | - | - | - | 58 | 65 | 72 | 80 | 88 | 95 | 103 |
0,50 | - | - | - | 59 | 67 | 76 | 85 | 93 | 102 | 111 | 120 |
0,55 | - | - | 59 | 68 | 78 | 87 | 97 | 107 | 116 | 127 | 136 |
0,60 | - | 57 | 67 | 78 | 88 | 99 | 110 | 121 | 132 | 143 | 154 |
0,65 | - | 64 | 76 | 87 | 99 | 111 | 123 | 135 | 147 | 159 | 172 |
0,70 | 59 | 72 | 84 | 97 | 110 | 124 | 136 | 150 | 163 | 176 | 190 |
0,75 | 66 | 79 | 93 | 107 | 121 | 136 | 150 | 164 | 179 | 193 | 208 |
0,80 | 72 | 87 | 102 | 118 | 133 | 148 | 164 | 180 | 195 | 210 | 226 |
0,85 | 79 | 95 | 112 | 128 | 144 | 161 | 178 | 194 | 211 | 227 | 244 |
0,90 | 86 | 103 | 121 | 139 | 156 | 174 | 192 | 209 | 227 | 245 | 263 |
0,95 | 93 | 112 | 130 | 149 | 168 | 187 | 206 | 225 | 243 | 262 | 281 |
1,00 | 100 | 120 | 140 | 160 | 180 | 200 | 220 | 240 | 260 | 280 | 300 |
1,05 | 107 | 128 | 150 | 171 | 192 | 213 | 234 | 253 | 277 | 297 | 319 |
1,10 | 115 | 137 | 160 | 182 | 204 | 226 | 249 | 271 | 294 | 316 | 338 |
1,15 | 122 | 146 | 170 | 193 | 216 | 240 | 263 | 287 | 310 | 333 | 357 |
1,20 | 129 | 154 | 180 | 204 | 229 | 253 | 278 | 302 | 327 | 351 | 376 |
1,25 | 137 | 163 | 190 | 215 | 241 | 266 | 293 | 317 | 344 | 369 | 395 |
1,30 | 144 | 172 | 200 | 226 | 253 | 280 | 307 | 334 | 361 | 387 | 414 |
1,35 | 152 | 181 | 209 | 238 | 266 | 294 | 322 | 350 | 378 | 406 | 433 |
1,40 | 160 | 190 | 220 | 249 | 279 | 308 | 337 | 366 | 395 | 424 | 453 |
1,45 | 168 | 199 | 230 | 261 | 291 | 322 | 352 | 382 | 412 | 442 | 472 |
1,50 | 175 | 208 | 240 | 272 | 304 | 335 | 367 | 398 | 429 | 460 | 491 |
1,55 | 183 | 218 | 250 | 284 | 316 | 349 | 382 | 414 | 446 | 479 | 511 |
1,60 | 191 | 226 | 261 | 295 | 329 | 363 | 397 | 430 | 464 | 497 | 530 |
1,65 | 199 | 235 | 271 | 307 | 342 | 377 | 412 | 446 | 481 | 515 | 550 |
1,70 | 207 | 244 | 282 | 318 | 355 | 391 | 427 | 462 | 498 | 534 | 569 |
1,75 | 215 | 254 | 292 | 330 | 367 | 405 | 442 | 479 | 515 | 552 | 589 |
1,80 | 223 | 263 | 303 | 342 | 380 | 419 | 457 | 495 | 533 | 571 | 608 |
1,85 | 231 | 272 | 313 | 353 | 393 | 433 | 472 | 511 | 550 | 598 | 627 |
1,90 | 239 | 282 | 324 | 365 | 406 | 447 | 487 | 528 | 568 | 607 | 647 |
1,95 | 247 | 291 | 334 | 377 | 419 | 461 | 503 | 544 | 585 | 626 | - |
2,00 | 255 | 301 | 345 | 389 | 432 | 475 | 518 | 560 | 602 | 645 | - |
2,25 | 296 | 348 | 398 | 448 | 497 | 547 | 594 | 642 | 690 | - | - |
2,50 | 338 | 385 | 452 | 508 | 562 | 617 | 671 | - | - | - | - |
2,75 | 380 | 443 | 506 | 568 | 628 | 688 | - | - | - | - | - |
3,00 | 422 | 492 | 560 | 628 | 684 | - | - | - | - | - | - |
3,25 | 464 | 540 | 615 | 688 | - | - | - | - | - | - | - |
3,50 | 507 | 589 | 670 | - | - | - | - | - | - | - | - |
3,75 | 550 | 638 | - | - | - | - | - | - | - | - | - |
4,00 | 593 | 687 | - | - | - | - | - | - | - | - | - |
4,25 | 636 | - | - | - | - | - | - | - | - | - | - |
4,50 | 679 | - | - | - | - | - | - | - | - | - | - |
| |||||||||||
0,35 | - | - | - | - | - | - | - | - | 58 | 64 | 69 |
0,40 | - | - | - | - | - | - | 59 | 65 | 72 | 78 | 85 |
0,45 | - | - | - | - | 56 | 63 | 71 | 78 | 85 | 93 | 101 |
0,50 | - | - | - | 57 | 66 | 74 | 84 | 91 | 100 | 108 | 117 |
0,55 | - | - | 58 | 67 | 76 | 86 | 95 | 105 | 115 | 124 | 134 |
0,60 | - | 56 | 66 | 76 | 87 | 97 | 108 | 119 | 130 | 141 | 152 |
0,65 | - | 63 | 73 | 86 | 98 | 110 | 121 | 133 | 145 | 157 | 169 |
0,70 | 58 | 71 | 83 | 96 | 109 | 122 | 135 | 148 | 161 | 174 | 187 |
0,75 | 65 | 79 | 92 | 106 | 120 | 134 | 149 | 163 | 177 | 191 | 208 |
0,80 | 72 | 87 | 102 | 117 | 132 | 147 | 163 | 178 | 193 | 209 | 224 |
0,85 | 79 | 95 | 111 | 128 | 144 | 160 | 177 | 193 | 210 | 226 | 243 |
0,90 | 86 | 103 | 121 | 138 | 156 | 173 | 191 | 209 | 226 | 244 | 262 |
0,95 | 93 | 111 | 130 | 149 | 168 | 187 | 205 | 244 | 243 | 262 | 281 |
1,00 | 100 | 120 | 140 | 160 | 180 | 200 | 220 | 240 | 260 | 280 | 300 |
1,05 | 107 | 129 | 150 | 171 | 192 | 214 | 234 | 256 | 277 | 298 | 319 |
1,10 | 115 | 137 | 160 | 182 | 205 | 227 | 249 | 275 | 294 | 316 | 339 |
1,15 | 122 | 146 | 170 | 194 | 217 | 241 | 264 | 288 | 311 | 335 | 358 |
1,20 | 130 | 155 | 180 | 205 | 230 | 255 | 269 | 304 | 329 | 353 | 378 |
1,25 | 138 | 164 | 191 | 217 | 243 | 269 | 294 | 320 | 346 | 372 | 397 |
1,30 | 146 | 173 | 201 | 228 | 255 | 283 | 310 | 337 | 363 | 390 | 417 |
1,35 | 153 | 182 | 211 | 239 | 268 | 297 | 324 | 353 | 381 | 409 | 437 |
1,40 | 161 | 192 | 222 | 252 | 281 | 311 | 340 | 370 | 398 | 428 | 457 |
1,45 | 169 | 201 | 232 | 263 | 294 | 325 | 355 | 386 | 416 | 446 | 477 |
1,50 | 177 | 210 | 243 | 275 | 307 | 339 | 371 | 402 | 434 | 465 | 497 |
1,55 | 186 | 220 | 254 | 287 | 320 | 353 | 386 | 419 | 451 | 484 | 516 |
1,60 | 194 | 229 | 264 | 299 | 333 | 368 | 402 | 436 | 469 | 503 | 537 |
1,65 | 202 | 239 | 275 | 311 | 347 | 382 | 417 | 452 | 487 | 522 | 556 |
1,70 | 210 | 248 | 286 | 323 | 360 | 397 | 433 | 469 | 505 | 541 | 576 |
1,75 | 218 | 258 | 297 | 335 | 373 | 411 | 448 | 486 | 523 | 560 | 597 |
1,80 | 227 | 268 | 308 | 347 | 387 | 425 | 464 | 503 | 541 | 579 | 617 |
1,85 | 235 | 277 | 319 | 358 | 400 | 440 | 480 | 519 | 559 | 598 | 637 |
1,90 | 244 | 287 | 330 | 372 | 413 | 455 | 496 | 536 | 577 | 617 | 657 |
1,95 | 252 | 297 | 341 | 384 | 427 | 469 | 511 | 553 | 595 | 636 | - |
2,00 | 261 | 306 | 352 | 396 | 440 | 484 | 527 | 570 | 613 | 655 | - |
2,25 | 303 | 356 | 407 | 458 | 508 | 557 | 608 | 655 | 703 | - | - |
2,50 | 347 | 405 | 463 | 520 | 576 | 631 | 686 | - | - | - | - |
2,75 | 390 | 456 | 520 | 582 | 644 | 705 | - | - | - | - | - |
3,00 | 435 | 506 | 576 | 645 | - | - | - | - | - | - | - |
3,25 | 479 | 557 | 633 | - | - | - | - | - | - | - | - |
3,50 | 524 | 608 | 691 | - | - | - | - | - | - | - | - |
3,75 | 569 | 660 | - | - | - | - | - | - | - | - | - |
4,00 | 614 | - | - | - | - | - | - | - | - | - | - |
4,25 | 659 | - | - | - | - | - | - | - | - | - | - |
Текст документа сверен по:
официальное издание
М.: Издательство стандартов, 1991
Разместите заказ
сами сделают вам предложение
