ГОСТы сталей. ГОСТ 11930.2-79
ГОСТ 11930.2-79
Группа В09
МЕЖГОСУДАРСТВЕННЫЙ СТАНДАРТ
МАТЕРИАЛЫ НАПЛАВОЧНЫЕ
Метод определения серы
Hard-facing materials. Method of sulphur determination
МКС 25.160.20
ОКСТУ 1709
Дата введения 1980-07-01
Постановлением Государственного комитета СССР по стандартам от 21 марта 1979 г. N 982 дата введения установлена 01.07.80
Ограничение срока действия снято по протоколу N 4-93 Межгосударственного совета по стандартизации, метрологии и сертификации (ИУС 4-94)
ВЗАМЕН ГОСТ 11930-66 в части разд.7
ИЗДАНИЕ (август 2011 г.) с Изменениями N 1, 2, утвержденными в декабре 1984 г., декабре 1989 г. (ИУС 3-85, 3-90)
Настоящий стандарт устанавливает фототитрометрический метод определения серы (при массовой доле серы от 0,005 до 0,5%) в прутках для наплавки, порошках из сплавов для наплавки, смеси порошков для наплавки.
Метод основан на сжигании навески образца в токе кислорода при 1250-1350 °С. Сера, находящаяся в образце, сгорает до сернистого газа, который затем в абсорбционном сосуде поглощается водой с образованием сернистой кислоты, которую оттитровывают раствором йодит-йодата в присутствии индикатора - крахмала.
(Измененная редакция, Изм. N 2).
1. ОБЩИЕ ТРЕБОВАНИЯ
1. ОБЩИЕ ТРЕБОВАНИЯ
1.1. Общие требования к методам анализа - по ГОСТ 11930.0-79.
2. АППАРАТУРА, РЕАКТИВЫ И РАСТВОРЫ
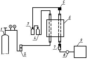
Установка для определения серы (черт.1) состоит из следующих элементов: баллона 1 с кислородом по ГОСТ 5583-78 с редуктором; ротаметра 2 типа РС-3А или РМ-А по ГОСТ 13045-81; печи двухтрубчатой 6 с селитовыми нагревателями, обеспечивающей температуру нагрева 1350-1400 °С; промывной склянки 4, заполненной аскаритом; промывной склянки 3, заполненной гранулированной двуокисью марганца; загрузочного затвора 5; капиллярного дросселя 7; пылевого фильтра 8 и анализатора 9, в качестве которого используют приборы типа ЛМФ-69, ТФЛ-64 или ТФЛП-579 (67М), блока автоматического титрования и бюретки с автоматическим клапаном или автоматической бюретки.
В анализатор помещают поглотительный сосуд по ГОСТ 25336-82, вместимостью 150 см.
Лодочки фарфоровые ЛС2 N 2 по ГОСТ 9147-80.
Микробюретка по НТД вместимостью 2-5 см.
Склянки для промывания газов по ГОСТ 23932-90.
Черт.1. Установка для определения серы

Черт.1*
_____________
* Чертеж 2. (Исключен. Изм. N 2).
Калий йодистый по ГОСТ 4232-74.
Кислота соляная по ГОСТ 3118-77.
Трубки огнеупорные муллито-кремнеземистые по нормативно-технической документации.
Медь (II окись проволока) ч.д.а.
Блок автоматического титрования.
Спирт этиловый ректификованный технический по ГОСТ 18300-87.
Вместо описанного анализатора можно использовать сосуд для сравнения.
Крахмал растворимый по ГОСТ 10163-76, водный раствор с массовой долей 0,05%.
Марганец сернокислый по ГОСТ 435-77.
Гранулированная двуокись марганца; приготовление двуокиси марганца по ГОСТ 11930.1-79.
Поглотительный раствор; готовят следующим образом: к 1000 см водного раствора крахмала приливают 5 см
соляной кислоты.
Йод по ГОСТ 4159-79, титрованный раствор; готовят следующим образом: навеску йода массой 0,6345 г помещают в мерную колбу вместимостью 1000 см, в которую предварительно помещают 4 г йодистого калия, растворяют, доливают дистиллированной водой до метки и перемешивают. Раствор хранят в склянке из темного стекла.
(Измененная редакция, Изм. N 1).
3. ПОДГОТОВКА К АНАЛИЗУ
Фарфоровые лодочки прокаливают в токе кислорода при 1300-1350 °С в течение 3 мин.
Анализируемую пробу промывают спиртом и подсушивают.
В поглотительный сосуд наливают 120 см поглотительного раствора, помещают сосуд в гнездо анализатора, опускают в сосуд стержень мешалки и регулируют скорость перемешивания раствора.
Устанавливают расход кислорода 1 дм/мин.
Доводят цвет в поглотительном сосуде до синего (длина волны 440-460 нм).
После этого сжигают два образца с большим содержанием серы для стабилизации поглотительного раствора.
Титр раствора йода устанавливают по стандартному образцу.
(Измененная редакция, Изм. N 2).
4. ПРОВЕДЕНИЕ АНАЛИЗА
В зависимости от содержания серы в образце берут навеску массой в соответствии с табл.1.
Таблица 1
Массовая доля серы, % | Масса навески анализируемого образца, г | |||
От | 0,005 | до | 0,05 | 1,0 |
Св. | 0,05 | " | 0,5 | 0,3 |
Навеску образца тщательно перемешивают с плавнем - окисью меди в соотношении 1:3.
Фарфоровую лодочку помещают в трубку для сжигания и на блоке автоматического титрования включают ручку "титрование".
После того как прибор автоматически выключается, подсчитывают объем йода, израсходованного на титрование. Затем производят сжигание следующей пробы.
По окончании анализов бюретку и поглотительный сосуд промывают дистиллированной водой.
5. ОБРАБОТКА РЕЗУЛЬТАТОВ
5.1. Массовую долю серы () в процентах вычисляют по формуле
,
где - объем титрованного раствора йода, израсходованный на титрование, см
;
- объем титрованного раствора йода, израсходованный на титрование раствора контрольного опыта, см
;
- массовая доля раствора йода, выраженная в г/см
серы;
- масса навески, г.
5.2. Разность наибольшего и наименьшего результатов трех параллельных определений и двух результатов анализа при доверительной вероятности 0,95 не должна превышать допускаемых расхождений, приведенных в табл.2.
Таблица 2
Массовая доля серы, % | Допускаемые расхождения, % | ||||
От | 0,005 | до | 0,050 | включ. | 0,002 |
Св. | 0,050 | " | 0,500 | " | 0,011 |
5.1, 5.2. (Измененная редакция, Изм. N 2).
Электронный текст документа
подготовлен АО "Кодекс" и сверен по:
официальное издание
Сварка, пайка и термическая резка
металлов. Часть 8. Материалы
наплавочные: Сб. ГОСТов. -
М.: Стандартинформ, 2011
Разместите заказ
сами сделают вам предложение
