ГОСТы сталей. ГОСТ 9454-78
ГОСТ 9454-78
Группа В09
ГОСУДАРСТВЕННЫЙ СТАНДАРТ СОЮЗА ССР
МЕТАЛЛЫ
Метод испытания на ударный изгиб при пониженных,
комнатной и повышенных температурах
Metals. Method for testing the impact strength at low,
room and high temperature
ОКСТУ 1909
Дата введения 1979-01-01
ИНФОРМАЦИОННЫЕ ДАННЫЕ
1. РАЗРАБОТАН И ВНЕСЕН Министерством черной металлургии СССР
РАЗРАБОТЧИКИ
В. Н. Данилов, д-р техн. наук; М. Н. Георгиев, канд. техн. наук; Н. Я. Межова; Л. Н. Косарев, канд. техн. наук; Е. Ф. Комолова, канд.техн. наук; Б. А. Дроздовский, канд. техн. наук; В. Г. Кудряшов, канд. техн. наук; П. Д. Одесский, канд. техн. наук; В. И. Гельмида, канд. техн. наук; В. И. Змиевский, канд. техн. наук
2. УТВЕРЖДЕН И ВВЕДЕН В ДЕЙСТВИЕ постановлением Государственного комитета стандартов Совета Министров СССР от 17.04.78 N 1021
3. Стандарт полностью соответствует ИСО 83-76 и ИСО 148-83
4. ССЫЛОЧНЫЕ НОРМАТИВНО-ТЕХНИЧЕСКИЕ ДОКУМЕНТЫ
Обозначение НТД, на который дана ссылка | Номер пункта, раздела |
|
|
ГОСТ 577-68 | 1.5 |
ГОСТ 7565-81 | 1.2 |
ГОСТ 9293-74 | 2.3 |
ГОСТ 10708-82 | 2.1 |
5. Ограничение срока действия снято по решению Межгосударственного совета по стандартизации, метрологии и сертификации (протокол 3-93 от 17.02.93)
6. ПЕРЕИЗДАНИЕ (октябрь 1993 г.) с Изменениями N 1, 2, утвержденными в октябре 1981 г., марте 1988 г., (ИУС 12-81, 6-88)
ВЗАМЕН ГОСТ 9454-60, ГОСТ 9455-60 и ГОСТ 9456-60.*
___________________
Информация об отмене документов приведена из издания: официальное издание, М.: Издательство стандартов, 1982 год. Примечание "КОДЕКС".
Настоящий стандарт распространяется на черные и цветные металлы и сплавы и устанавливает метод испытания на ударный изгиб при температуре от минус 100 до плюс 1200 °С.
Метод основан на разрушении образца с концентратором посередине одним ударом маятникового копра. Концы образца располагают на опорах. В результате испытания определяют полную работу, затраченную при ударе (работу удара), или ударную вязкость.
Под ударной вязкостью следует понимать работу удара, отнесенную к начальной площади поперечного сечения образца в месте концентратора.
(Измененная редакция, Изм. N 1, 2).
1. МЕТОД ОТБОРА ОБРАЗЦОВ
1. МЕТОД ОТБОРА ОБРАЗЦОВ
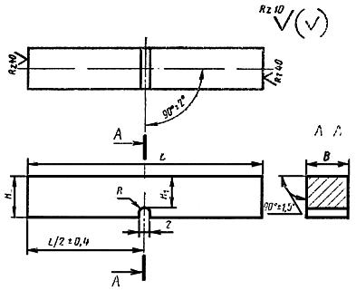
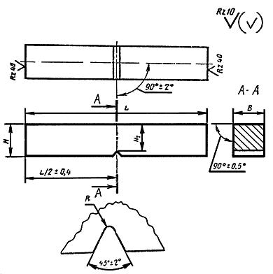
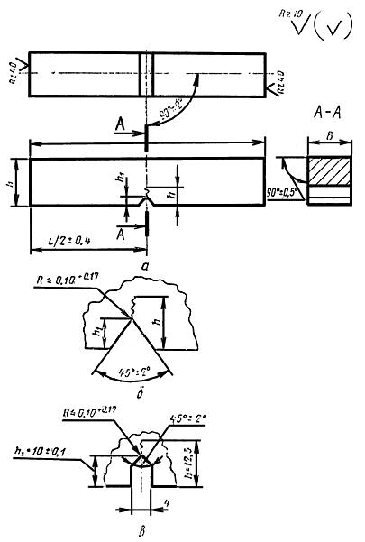
1.1. Форма и размеры образцов для испытания должны соответствовать указанным в таблице и на черт. 1-3.
Размеры, мм
Вид кон- центра- тора | Радиус концен- тратора | Тип образ- ца | Длина | Ширина | Высота (пред. откл. ±0,1) | Глубина надреза | Глубина концен- | Высота рабочего сечения |
1 | 10±0,10 | |||||||
2 | 7,5±0,10 | 10 | 8±0,1 | |||||
3 | 5±0,05 | |||||||
4 | 2 ± 0,05 | 8 | 6±0,1 | |||||
5 | 10±0,10 | |||||||
U | 1±0,07* | 6 | 55 | 7,5±0,10 | - | - | 7±0,1 | |
7 | 5±0,05 | |||||||
8 | 10±0,10 | 10 | ||||||
9 | 7,5±0,10 | 5±0,1 | ||||||
10 | 5±0,05 | |||||||
11 | 10±0,10 | |||||||
12 | 7,5±0,10 | 10 | 8±0,05* | |||||
V | 0,25±0,025 | 13 | 55 | 5±0,05 | - | - | ||
14 | 2±0,05 | 8 | 6 ± 0,05 | |||||
15 | 10±0,10 | |||||||
16 | 7,5±0,10 | 11 | ||||||
T | Трещина | 17 | 55 | 5±0,05 | 1,5 | 3,0 | - | |
18 | 2±0,05 | 9 | ||||||
19 | 10±0,10 | 10 | 3,5 | 5,0 |
_____________
* При контрольных массовых испытаниях допускается изготовление образцов с предельным отклонением ±0,10 мм.
Черт.1. Образец с концентратором вида U

Черт. 1
Черт. 2 .Образец с концентратором вида V

Черт. 2
Черт 3. Образец с концентратором вида Т (усталостная трещина)

а - общий вид; б - форма концентратора для образцов с 15 по 19 тип; в - форма концентратора для образцов 20 типа
Черт. 3
Допускается использовать образцы без надреза и с одной и двумя необработанными поверхностями, размеры которых по ширине отличаются от указанных в таблице.
Область применения образцов указана в справочном приложении 1.
Испытание образцов типов 4, 14, 18 проводят по требованию потребителя для изделий специального назначения.
1.2. Место вырезки заготовки для изготовления образцов, ориентация оси концентратора, технология вырезки заготовок и изготовления образцов - по ГОСТ 7565-81 для черных металлов, если иное не предусмотрено в нормативно-технической документации на продукцию.
Для цветных металлов и сплавов все это должно быть указано в нормативно-технической документации на продукцию.
При вырезке заготовок металл образцов должен предохраняться от наклепа и нагрева, изменяющих свойства металла, если не предусмотрено иное в нормативно-технической документации на продукцию.
1.1; 1.2. (Измененная редакция, Изм N 2).
1.3. Риски на поверхности концентраторов видов U и V, видимые без применения увеличительных средств, не допускаются.
1.4. Концентратор вида Т получают в вершине начального надреза при плоском циклическом изгибе образца. Способ получения начального концентратора может быть любым.
Число циклов, необходимое для получения трещины заданной глубины, должно быть не менее 3000.
1.5. Максимальный остаточный прогиб, образовавшийся при нанесении на образцах концентратора вида Т, не должен превышать: 0,25 мм - для образцов длиной 55 мм.
Контроль прогиба образца осуществляется с помощью индикаторов часового типа по ГОСТ 577-68 или других средств, обеспечивающих погрешность измерения прогиба не более 0,05 мм на базе длины образца.
1.6. Тип и число образцов, порядок проведения повторных испытаний должны быть указаны в нормативно-технической документации на конкретную продукцию, утвержденной в установленном порядке.
Если в нормативно-технической документации на металлопродукцию не указан тип образца, следует испытывать образцы типа 1 - до 01.01.91.
1.4-1.6. (Измененная редакция, Изм. N 1, 2).
2. АППАРАТУРА И МАТЕРИАЛЫ
2.1. Маятниковые копры - по ГОСТ 10708-82. Скорость движения маятника в момент удара должна быть:
(5±0,5) м/с - для копров с номинальной потенциальной энергией маятника 50 (5,0); 150 (15); 300 (30,0) Дж (кгс·м);
(4±0,25) м/с - для копров с номинальной потенциальной энергией маятника 25 (2,5); 15 (1,5); 7,5 (0,75) Дж (кгс·м);
(3±0,25) м/с - для копров с номинальной потенциальной энергией маятника 5,0 (0,5) Дж (кгс·м) и менее.
Допускается применять копры с другой номинальной потенциальной энергией маятника. При этом номинальное значение потенциальной энергии маятника должно быть таким, чтобы значение работы удара составляло не менее 10 % от номинального значения потенциальной энергии маятника. До 01.01.91 допускается использовать копры с такой номинальной потенциальной энергией маятника, чтобы работа удара составляла не менее 5 % от номинальной потенциальной энергии маятника. Номинальное значение потенциальной энергии маятника должно быть указано в нормативно-технической документации на конкретную продукцию.
Основные размеры опор и ножа маятника должны соответствовать указанным на черт. 4. Для копров другой конструкции допускаются иные радиусы закругления ребра опоры и скорость движения маятника от 4,5 до 7,0 м/с.
( Измененная редакция, Изм. N 2).
Черт. 4. Опоры и нож маятника

Черт. 4
2.2. Термостат, обеспечивающий равномерное охлаждение или нагрев, отсутствие агрессивного воздействия окружающей среды на образец и возможность контроля температуры.
2.3. Смесь жидкого азота (ГОСТ 9293-74) или твердой углекислоты ("сухого льда") с этиловым спиртом. Применение в качестве охладителя жидкого кислорода и жидкого воздуха не допускается.
Массовая доля кислорода в жидком азоте в процессе охлаждения образцов в термостате не должна быть более 10%.
(Измененная редакция, Изм. N 1,2).
2.4. Термометры с погрешностью не более ±1 °С для измерения температуры охлаждающей среды.
2.5. Термометры, включая и преобразователи термоэлектрические (термопары), для измерения температуры нагрева образцов, обеспечивающие измерение с погрешностью, не превышающей:
±5 °С - при температуре нагрева до 600 °С;
±8 °С - при температуре нагрева свыше 600 °С.
2.4, 2.5. (Измененная редакция, Изм. N 2).
2.6. Трещину на образцах получают на вибраторах, изготовленных по нормативно-технической документации.
2.7. Штангенциркули должны соответствовать требованиям ГОСТ 166-89. Допускается применять и другие измерительные средства, обеспечивающие измерение с погрешностью, не превышающей указанной в п. 1.1.
2.6, 2.7. (Введены дополнительно, Изм. N 2).
3. ПОДГОТОВКА К ИСПЫТАНИЮ
3.1. Перед началом испытаний необходимо проверить положение указателя работы при свободном падении маятника.
Для маятниковых копров с цифровыми отсчетными устройствами указатель работы в исходном положении должен показывать "нуль" при допускаемом отклонении в пределах ширины штриха по нормативно-технической документации.
(Измененная редакция, Изм. N 1, 2).
3.2. Температурой испытания следует считать температуру образца в момент удара.
Температуру испытания указывают в нормативно-технической документации на конкретную продукцию, утвержденной в установленном порядке.
3.3. Комнатной температурой следует считать температуру (20±10) °С
3.4. Для обеспечения требуемой температуры испытания образцы перед установкой на копер должны быть переохлаждены (при температуре испытания ниже комнатной) или перегреты (при температуре испытания выше комнатной). Степень переохлаждения или перегрева должна обеспечивать требуемую температуру испытания и должна определяться экспериментальным путем.
Температура переохлаждения или перегрева образцов при условии, что они могут быть испытаны не позднее чем через 3-5 с после извлечения из термостата, указана в справочном приложении 2.
Выдержка образцов в термостате при заданной температуре (с учетом необходимого переохлаждения или перегрева) должна быть не менее 15 мин.
(Измененная редакция, Изм. N 1).
3.5. Соприкасающаяся с образцом часть приспособления для извлечения его из термостата не должна изменять температуру образца при установке его на опоры копра.
4. ПРОВЕДЕНИЕ ИСПЫТАНИЯ
4.1. Образец должен свободно лежать на опорах копра (см. черт. 4). Установка образца должна производиться с помощью шаблона, обеспечивающего симметричное расположение концентратора относительно опор с погрешностью не более ±0,5 мм. При использовании торцовых ограничителей последние не должны мешать образцам свободно деформироваться.
4.2. Испытание должно проводиться при ударе маятника со стороны, противоположной концентратору, в плоскости его симметрии.
4.3. Работу удара определяют по шкале маятникового копра или аналоговых отсчетных устройств.
(Измененная редакция, Изм. N 2).
5. ОБРАБОТКА РЕЗУЛЬТАТОВ
5.1. За результат испытания принимают работу удара или ударную вязкость для образцов с концентраторами видов U и V и ударную вязкость для образцов с концентратором вида Т.
(Измененная редакция, Изм. N 2).
5.2. Работу удара обозначают двумя буквами (U,
V или
Т) и цифрами. Первая буква (
) - символ работы удара, вторая буква (U, V или Т) - вида концентратора. Последующие цифры обозначают максимальную энергию удара маятника, глубину концентратора и ширину образца. Цифры не указывают при определении работы удара на копре с максимальной энергией удара маятника 300 (30,0) Дж (кгс·м), при глубине концентратора 2 мм для концентраторов видов U и V и 3 мм для концентратора вида Т и ширине образца 10 мм (образцы 1, 11 и 15 типов).
Допускается обозначать работу удара двумя индексами (A):
первый (A) - символ работы удара, второй () - символ типа образца в соответствии с таблицей.
(Измененная редакция, Изм. N 1).
5.3. Ударную вязкость обозначают сочетанием букв и цифр.
Первые две буквы КС обозначают символ ударной вязкости, третья буква - вид концентратора; первая цифра - максимальную энергию удара маятника, вторая - глубину концентратора и третья - ширину образца. Цифры не указывают в случае, оговоренном в п. 5.2.
Допускается обозначать ударную вязкость двумя индексами (); первый (
) - символ ударной вязкости; второй (
) - символ типа образца в соответствии с таблицей.
Для обозначения работы удара и ударной вязкости при пониженной и повышенной температурах вводится цифровой индекс, указывающий температуру испытания. Цифровой индекс ставят вверху после буквенных составляющих.
Например:
V
50/2/2 - работа удара, определенная на образце с концентратором вида V при температуре минус 40 °С. Максимальная энергия удара маятника 50 Дж, глубина концентратора 2 мм, ширина образца 2 мм.
СТ
150/3/7,5 - ударная вязкость, определенная на образце с концентратором вида Т при температуре плюс 100 °С. Максимальная энергия удара маятника 150 Дж, глубина концентратора 3 мм, ширина образца 7,5 мм.
CU (
CV) - ударная вязкость, определенная на образце с концентратором вида U (V) при комнатной температуре. Максимальная энергия удара маятника 300 Дж, глубина концентратора 2 мм, ширина образца 10 мм.
- ударная вязкость, определенная на образце типа 11 при температуре минус 60 °С. Максимальная энергия удара маятника 300 Дж.
(Измененная редакция, Изм. N
1).
5.4. Ударную вязкость (КС) в Дж/см (кгс·м/см
) вычисляют по формуле
,
где - работа удара, Дж (кгс·м);
- начальная площадь поперечного сечения образца в месте концентратора, см
, вычисляемая по формуле
,
где - начальная высота рабочей части образца, см;
- начальная ширина образца, см.
и
измеряют с погрешностью не более ±0,05 мм (±0,005 см).
округляют: при ширине образца 5 мм и менее - до третьей значащей цифры, при ширине образца более 5 мм - до второй значащей цифры.
Для образцов с концентратором вида Т значение определяют как разность между полной высотой
, измеренной до испытания с погрешностью не более ±0,05 мм (±0,005 см) и расчетной глубиной концентратора
, измеренной с помощью любых оптических средств с увеличением не менее 7 на поверхности излома образца после его испытания по схеме, приведенной на черт. 5, с погрешностью не более ±0,05 мм (±0,005 см).
(Измененная редакция, Изм. N 1, 2
).
5.5. Значение КС записывают в протоколе с округлением: до 1 (0,1) Дж/см (кгс·м/см
) - при значении КС более 10 (1) Дж/см
(кгс·м/см
); до 0,1 (0,01) Дж/см
(кгс·м/см
) - при значении КС менее 10 (1) Дж/см
(кгс·м/см
).
(Измененная редакция, Изм. N 1
).
5.6. Если в результате испытания образец не разрушился полностью, то показатель качества материала считается не установленным. В этом случае в протоколе испытания указывают, что образец при максимальной энергии удара маятника не был разрушен.
Результаты испытаний не учитывают при изломе образцов по дефектам металлургического производства.
(Измененная редакция, Изм. N 2).
5.7. При замене образца причину указывают в протоколе испытания.
5.8. Исходные данные и результаты испытания образца записывают в протоколе испытания. Форма протокола приведена в рекомендуемом приложении 3.
Черт. 5

abc - фронт усталостной трещины; I-I -положение визирной линии окуляра микроскопа в начальный момент измерения (совпадает с гранью образца); II-II - положение визирной линии микроскопа при окончании измерения (положение II-II выбирается так, чтобы заштрихованная площадь выше линии была бы равновелика незаштрихованной площади ниже визирной линии)
Черт. 5
ПРИЛОЖЕНИЕ 1 (cправочное). Область применения образцов
ПРИЛОЖЕНИЕ 1
Справочное
Вид концентратора | Тип образца | Область применения |
U | 1-10 | При выборе, приемо-сдаточных испытаниях металлов и сплавов |
V | 11-14 | При выборе, приемо-сдаточных испытаниях металлов и сплавов для конструкций повышенной степени надежности (летательные аппараты, транспортные средства, трубопроводы, сосуды давления и т. п.) |
Т | 15-20 | При выборе и приемочном контроле металлов и сплавов для особо ответственных конструкций, для эксплуатации которых оценка сопротивления развитию трещины имеет первостепенное значение. При исследовании причин разрушения ответственных конструкций. |
(Измененная редакция, Изм. N 1).
ПРИЛОЖЕНИЕ 2 (cправочное). Температура переохлаждения и перегрева в зависимости от температуры испытания
ПРИЛОЖЕНИЕ 2
Справочное
Температура, °С | |||||||
Температуpa испытания, °С | переохлаждения | перегрева | |||||
Св. | минус | 100 | до | минус | 60 | 4-6 | - |
" | минус | 60 | " | минус | 40 | 3-4 | - |
" | минус | 40 | " | плюс | 10 | 2-3 | - |
" | плюс | 30 | " | плюс | 200 | - | 3-5 |
" | плюс | 200 | " | плюс | 400 | - | 5-10 |
" | плюс | 400 | " | плюс | 500 | - | 10-15 |
" | плюс | 500 | " | плюс | 600 | - | 15-20 |
" | плюс | 600 | " | плюс | 700 | - | 20-25 |
" | плюс | 700 | " | плюс | 800 | - | 25-30 |
" | плюс | 800 | " | плюс | 900 | - | 30-40 |
" | плюс | 900 | " | плюс | 1000 | - | 40-50 |
ПРИЛОЖЕНИЕ 3 (рекомендуемое) ПРОТОКОЛ ИСПЫТАНИЙ НА УДАРНЫЙ ИЗГИБ
ПРИЛОЖЕНИЕ 3
Рекомендуемое
Марка копра_____________________________________________________________
Максимальная энергия удара маятника при испытании_________________________
Скорость маятника в момент удара__________________________________________ м/с
Испытуемый материал ___________________________________________________
Но- мер | Мар- ки- ров- ка об- раз- ца | Но- мер плав- ки | Но- мер пар- тии | Тип об- раз- ца | Тем- пе- ра- ту- ра ис- пы- та- ния, °С | Ши- ри- на об- раз- ца | Высота образ- ца | Глубина концен- тратора | Высота рабо- чего сечения | Пло- щадь попере- чного сече- ния | Работа удара | Ударная вяз- кость КС, Дж/см | Приме- чание |
см | |||||||||||||
(Измененная редакция, Изм. N 1).
Текст документа сверен по:
официальное издание
М.: Издательство стандартов, 1994
Разместите заказ
сами сделают вам предложение
