ГОСТы сталей. ГОСТ 5927-70
ГОСТ 5927-70
Группа Г33
МЕЖГОСУДАРСТВЕННЫЙ СТАНДАРТ
ГАЙКИ ШЕСТИГРАННЫЕ КЛАССА ТОЧНОСТИ А
Конструкция и размеры
Hexagon nuts, product grade A. Construction and dimensions
МКС 21.060.20
ОКП 12 8300
Дата введения 1972-01-01
в части размера "под ключ" 13 мм 1973-01-01
ИНФОРМАЦИОННЫЕ ДАННЫЕ
1. РАЗРАБОТАН И ВНЕСЕН Министерством черной металлургии СССР
2. УТВЕРЖДЕН И ВВЕДЕН В ДЕЙСТВИЕ Постановлением Комитета стандартов, мер и измерительных приборов при Совете Министров СССР от 18.02.70 N 178
3. Стандарт полностью соответствует СТ СЭВ 3680-82
4. ВЗАМЕН ГОСТ 5927-62
5. ССЫЛОЧНЫЕ НОРМАТИВНО-ТЕХНИЧЕСКИЕ ДОКУМЕНТЫ
Обозначение НТД, на который дана ссылка | Номер пункта | |||
ГОСТ 1759.0-87 | 5 | |||
ГОСТ 1759.1-82 | 2, 3а | |||
ГОСТ 1759.3-83 | 3б | |||
ГОСТ 1759.5-87 | 2 | |||
ГОСТ 24705-2004 | 3 | |||
6. Ограничение срока действия снято по протоколу N 5-94 Межгосударственного совета по стандартизации, метрологии и сертификации (ИУС 11-12-94)
7. ИЗДАНИЕ (февраль 2010 г.) с Изменениями N 2, 3, 4, 5, 6, 7, утвержденными в феврале 1974 г., марте 1981 г., июне 1983 г., мае 1985 г., марте 1989 г., июле 1995 г. (ИУС 3-74, 6-81, 11-83, 8-85, 6-89, 9-95)
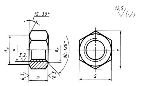
1. Настоящий стандарт распространяется на шестигранные гайки класса точности А с диаметром резьбы от 1 до 48 мм.
(Измененная редакция, Изм. N 4).
2. Конструкция и размеры гаек должны соответствовать указанным на чертеже и в таблице.
(Измененная редакция, Изм. N 3, 4, 6, 7).
3. Резьба - по ГОСТ 24705.
(Измененная редакция, Изм. N 2, 4, 5).
3а. Не установленные настоящим стандартом допуски размеров, отклонений формы и расположения поверхностей и методы контроля - по ГОСТ 1759.1*.
________________
* На территории Российской Федерации документ не действует. Действует ГОСТ Р ИСО 4759-1-2009, здесь и далее по тексту. - Примечание изготовителя базы данных.
3б. Допустимые дефекты поверхности гаек и методы контроля - по ГОСТ 1759.3*.
________________
* На территории Российской Федерации документ не действует. Действует ГОСТ Р ИСО 6157-2-2009. - Примечание изготовителя базы данных.
3а, 3б. (Введены дополнительно, Изм. N 5).
4. Допускается по соглашению между изготовителем и потребителем изготавливать гайки с номинальным диаметром резьбы от 36 до 48 мм с шагом резьбы 2 мм.
(Измененная редакция, Изм. N 2, 5).
5. Технические требования - по ГОСТ 1759.0*.
_________________
* На территории Российской Федерации в части маркировки действуют ГОСТ Р 52627-2006, ГОСТ Р 52628-2006.
6. (Исключен, Изм. N 2).
7. Масса гаек указана в приложении 1.
8. (Исключен, Изм. N 4).

мм
Номинальный диаметр | (1) | (1,4) | 1,6 | 2 | 2,5 | 3 | (3,5) | 4 | 5 | 6 | 8 | 10 | 12 | (14) | 16 | (18) | 20 | (22) | 24 | (27) | 30 | 36 | 42 | 48 | |||||||
Шаг резьбы | крупный | 0,25 | 0,30 | 0,35 | 0,40 | 0,45 | 0,5 | 0,6 | 0,7 | 0,8 | 1 | 1,25 | 1,5 | 1,75 | 2 | 2,5 | 3 | 3,5 | 4 | 4,5 | 5 | ||||||||||
мелкий | - | 1 | 1,25 | 1,5 | 2 | 3 | |||||||||||||||||||||||||
Размер "под ключ" | 3,2 | 4 | 5 | 5,5 | 6 | 7 | 8 | 10 | 13 | 16 | 18 | 21 | 24 | 27 | 30 | 34 | 36 | 41 | 46 | 55 | 65 | 75 | |||||||||
Диаметр описанной окружности | 3,4 | 4,3 | 5,5 | 6 | 6,6 | 7,7 | 8,8 | 11,1 | 14,4 | 17,8 | 20,0 | 23,4 | 26,8 | 30,1 | 33,5 | 37,7 | 40,0 | 45,6 | 51,3 | 61,3 | 72,6 | 83,9 | |||||||||
не менее | 1,0 | 1,4 | 1,6 | 2,0 | 2,5 | 3 | 3,5 | 4,0 | 5,0 | 6,0 | 8,0 | 10 | 12 | 14 | 16 | 18 | 20 | 22 | 24 | 27 | 30 | 36 | 42 | 48 | |||||||
не более | 1,15 | 1,61 | 1,84 | 2,30 | 2,9 | 3,45 | 4,00 | 4,60 | 5,75 | 6,75 | 8,75 | 10,8 | 13,0 | 15,1 | 17,3 | 19,4 | 21,6 | 23,8 | 25,9 | 29,2 | 32,4 | 38,9 | 45,40 | 51,80 | |||||||
| 2,90 | 3,60 | 4,50 | 5,00 | 5,40 | 6,30 | 7,20 | 9,00 | 11,7 | 14,6 | 16,6 | 19,6 | 22,5 | 25,3 | 28,2 | 31,7 | 33,6 | 38,4 | 43,1 | 51,5 | 61,0 | 70,5 | |||||||||
Высота | 1,0 | 1,3 | 1,6 | 2,0 | 2,4 | 2,8 | 3,2 | 4,7 | 5,2 | 6,8 | 8,4 | 10,8 | 12,8 | 14,8 | 16,4 | 18,0 | 19,8 | 21,5 | 23,6 | 25,6 | 31,0 | 34,0 | 38,0 | ||||||||
Примечания:
1. Размеры гаек, заключенные в скобки, применять не рекомендуется.
2. Допускается изготавливать гайки с размерами, указанными в приложении 2.
3. Допускается изготавливать гайки с номинальной высотой не менее 0,8
и предельными отклонениями по ГОСТ 1759.1 при условии соблюдения требований ГОСТ 1759.5*.
________________
* На территории Российской Федерации действует ГОСТ Р 52628-2006.
Пример условного обозначения гайки с диаметром резьбы =12 мм, с размером "под ключ"
18 мм, с крупным шагом резьбы с полем допуска 6Н, класса прочности 5, без покрытия:
Гайка М12-6Н.5 (S18) ГОСТ 5927-70
То же, с крупным шагом резьбы с полем допуска 6Н, класса прочности 6, из стали марки А12, без покрытия:
Гайка М12-6Н.6.А (S18) ГОСТ 5927-70
То же, с размером "под ключ" 19 мм, с мелким шагом резьбы с полем допуска 6Н, класса прочности 12, из стали марки 40Х, с покрытием 01 толщиной 6 мкм:
Гайка M121,25-6Н.12.40Х.016 ГОСТ 5927-70
ПРИЛОЖЕНИЕ 1 (справочное). Масса стальных гаек с крупным шагом резьбы
ПРИЛОЖЕНИЕ 1
Справочное
Масса стальных гаек с крупным шагом резьбы
Номинальный диаметр резьбы | Теоретическая масса 1000 шт. гаек, кг |
1 | 0,062 |
1,4 | 0,057 |
1,6 | 0,074 |
2 | 0,141 |
2,5 | 0,272 |
3 | 0,377 |
3,6 | 0,497 |
4 | 0,800 |
5 | 1,440 |
6 | 2,573 |
8 | 5,548 |
10 | 10,220 |
12 | 15,670 |
14 | 25,33 |
16 | 37,61 |
18 | 53,27 |
20 | 71,44 |
22 | 103,15 |
24 | 122,87 |
27 | 175,28 |
30 | 242,54 |
36 | 416,78 |
42 | 623,88 |
48 | 956,20 |
Для определения массы гаек из других материалов значения массы, указанные в таблице, следует умножить на коэффициенты: 0,356 - для алюминиевого сплава; 1,080 - для латуни.
ПРИЛОЖЕНИЕ 1. (Измененная редакция, Изм. N 3, 6).
ПРИЛОЖЕНИЕ 2 (справочное)
ПРИЛОЖЕНИЕ 2
Справочное
Размеры в мм
Номинальный диаметр резьбы | 10 | 12 | 14 | 22 |
Размер "под ключ" | 17 | 19 | 22 | 32 |
Диаметр описанной окружности | 18,9 | 21,1 | 24,5 | 35,7 |
| 15,6 | 17,4 | 20,6 | 30,0 |
Теоретическая масса 1000 шт. гаек с крупным шагом резьбы, кг | 12,06 | 18,40 | 28,91 | 85,67 |
ПРИЛОЖЕНИЕ 2. (Введено дополнительно, Изм. N 6; измененная редакция, Изм. N 7).
Электронный текст документа
подготовлен АО "Кодекс" и сверен по:
официальное издание
М.: Стандартинформ, 2010
Разместите заказ
сами сделают вам предложение
