ГОСТы сталей. ГОСТ 13568-97
ГОСТ 13568-97
(ИСО 606-94)
Группа Г15
МЕЖГОСУДАРСТВЕННЫЙ СТАНДАРТ
ЦЕПИ ПРИВОДНЫЕ РОЛИКОВЫЕ И ВТУЛОЧНЫЕ
Общие технические условия
Driving roller and bush chains. General specifications
ОКС 21.220.30
ОКП 41 7310
Дата введения 2000-07-01
Предисловие
1 РАЗРАБОТАН Всероссийским научно-исследовательским институтом стандартизации и сертификации в машиностроении Госстандарта России и Научно-исследовательским институтом угольного машиностроения
ВНЕСЕН Госстандартом России
2 ПРИНЯТ Межгосударственным Советом по стандартизации, метрологии и сертификации (протокол N 11-97 от 25 апреля 1997 г.)
За принятие проголосовали:
Наименование государства | Наименование национального органа по стандартизации |
Азербайджанская Республика | Азгосстандарт |
Республика Армения | Армгосстандарт |
Республика Беларусь | Госстандарт Беларуси |
Республика Казахстан | Госстандарт Республики Казахстан |
Киргизская Республика | Киргизстандарт |
Республика Молдова | Молдовастандарт |
Российская Федерация | Госстандарт России |
Республика Таджикистан | Таджикгосстандарт |
Туркменистан | Главная государственная инспекция Туркменистана |
Республика Узбекистан | Узгосстандарт |
Украина | Госстандарт Украины |
3 Настоящий стандарт представляет собой полный аутентичный текст ИСО 606-94* "Цепи приводные роликовые прецизионные с коротким шагом" и содержит дополнительные требования, отражающие потребности экономики страны
________________
* Доступ к международным и зарубежным документам, упомянутым в тексте, можно получить, обратившись в Службу поддержки пользователей. - Примечание изготовителя базы данных.
4 Постановлением Государственного комитета Российской Федерации по стандартизации и метрологии от 17 ноября 1999 г. N 407-ст межгосударственный стандарт ГОСТ 13568-97 (ИСО 606-94) введен в действие непосредственно в качестве государственного стандарта Российской Федерации с 1 июля 2000 г.
5 ВЗАМЕН ГОСТ 13568-75
6 ПЕРЕИЗДАНИЕ. Март 2003 г.
1 Область применения
1 Область применения
Настоящий стандарт распространяется на приводные роликовые и втулочные одно- и многорядные цепи, предназначенные для силовых механических передач разнообразных машин и механизмов, кроме буровых установок.
Требования стандарта являются обязательными.
2 Нормативные ссылки
В настоящем стандарте использованы ссылки на следующие стандарты:
ГОСТ 8.051-81 Государственная система обеспечения единства измерений. Погрешности, допускаемые при измерении линейных размеров до 500 мм
ГОСТ 9.014-78 Единая система защиты от коррозии и старения материалов изделий. Временная противокоррозийная защита изделий. Общие требования
ГОСТ 591-69 Звездочки к приводным роликовым и втулочным цепям. Методы расчета и построения профиля зуба и инструмента. Допуски
ГОСТ 592-81 Звездочки для пластинчатых цепей. Методы расчета и построения профиля зубьев. Предельные отклонения
ГОСТ 15150-69 Машины, приборы и другие технические изделия. Исполнения для различных климатических районов. Категории, условия эксплуатации, хранения и транспортирования в части воздействия климатических факторов внешней среды
3 Типы, основные параметры и размеры
3.1 Настоящий стандарт устанавливает параметры, размеры и требования к приводным цепям следующих типов:
ПР - роликовые однорядные;
2ПР - роликовые двухрядные;
3ПР - роликовые трехрядные;
4ПР - роликовые четырехрядные;
ПВ - втулочные однорядные;
2ПВ - втулочные двухрядные;
ПРИ - роликовые с изогнутыми пластинами.
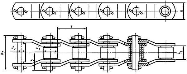
3.2 Типы, основные параметры и размеры цепей, их соединительные и переходные звенья должны соответствовать указанным на рисунках 1-7 и в таблицах 1, 2, а также на рисунках А.1-А.4, в таблицах A.1, А.2 приложения А и в таблице Б.1 приложения Б.
Рисунок 1 - Цепь типа ПР
1 - внутреннее звено; 2 - наружное звено; 3 - соединительное звено; 4 - переходное звено; 5 - двойное переходное звено
Рисунок 1 - Цепь типа ПР
Рисунок 2 - Цепь типа 2ПР
1 - внутреннее звено; 2 - наружное звено; 3 - соединительное звено; 4 - переходное звено; 5 - двойное переходное звено; 6 - промежуточная пластина
Рисунок 2 - Цепь типа 2ПР
Рисунок 3 - Цепь типа 3ПР
1 - внутреннее звено; 2 - наружное звено; 3 - соединительное звено; 4 - переходное звено; 5 - двойное переходное звено; 6 - промежуточная пластина
Рисунок 3 - Цепь типа 3ПР
Рисунок 4 - Цепь типа 4ПР
1 - внутреннее звено; 2 - наружное звено; 3 - соединительное звено; 4 - переходное звено; 5 - двойное переходное звено; 6 - промежуточная пластина
Рисунок 4 - Цепь типа 4ПР
Рисунок 5 - Цепь типа ПВ

1 - внутреннее звено; 2 - наружное звено; 3 - соединительное звено
Рисунок 5 - Цепь типа ПВ
Рисунок 6 - Цепь типа 2ПВ

1 - внутреннее звено; 2 - наружное звено; 3 - соединительное звено; 4 - промежуточная пластина
Рисунок 6 - Цепь типа 2ПВ
Рисунок 7 - Цепь типа ПРИ

Рисунок 7 - Цепь типа ПРИ
Примечание - Рисунки 1-7 не устанавливают конструкцию цепей, соединительных и переходных звеньев и их деталей.
Таблица 1
Размеры в миллиметрах
Типоразмер цепи |
|
|
|
|
| Разрушающая нагрузка, кН, не менее | Масса 1 м цепи (расчетная), кг | ||
Цепи приводные роликовые однорядные типа ПР | |||||||||
ПР-8-4,6 | 8,0 | 3,00 | 2,31 | 5,00 | 7,5 | 12 | 7 | 4,6 | 0,20 |
ПР-9,525-9,1 | 9,525 | 5,72 | 3,28 | 6,35 | 8,5 | 17 | 10 | 9,1 | 0,45 |
ПР-12,7-10-1 | 12,7 | 2,40 | 3,66 | 7,75 | 10,0 | 10,5 | 6,3 | 10,0 | 0,30 |
ПР-12,7-9 | 12,7 | 3,30 | 3,66 | 7,75 | 10,0 | 12 | 7 | 9,0 | 0,35 |
ПР-12,7-18,2-1 | 12,7 | 5,40 | 4,45 | 8,51 | 11,8 | 19 | 10 | 18,2 | 0,65 |
ПР-12,7-18,2 | 12,7 | 7,75 | 4,45 | 8,51 | 11,8 | 21 | 11 | 18,2 | 0,75 |
ПР-15,875-23-1 | 15,875 | 6,48 | 5,08 | 10,16 | 14,8 | 20 | 11 | 23,0 | 0,80 |
ПР-15,875-23 | 15,875 | 9,65 | 5,08 | 10,16 | 14,8 | 24 | 13 | 23,0 | 1,00 |
ПР-19,05-31,8 | 19,05 | 12,70 | 5,94 | 11,91 | 18,2 | 33 | 18 | 31,8 | 1,90 |
ПР-25,4-60 | 25,4 | 15,88 | 7,92 | 15,88 | 24,2 | 39 | 22 | 60,0 | 2,60 |
ПР-31,75-89 | 31,75 | 19,05 | 9,53 | 19,05 | 30,2 | 46 | 24 | 89,0 | 3,80 |
ПР-38,1-127 | 38,1 | 25,40 | 11,10 | 22,23 | 36,2 | 58 | 30 | 127,0 | 5,50 |
ПР-44,45-172,4 | 44,45 | 25,40 | 12,70 | 25,40 | 42,4 | 62 | 34 | 172,4 | 7,50 |
ПР-50,8-227 | 50,8 | 31,75 | 14,27 | 28,58 | 48,3 | 72 | 38 | 227,0 | 9,7 |
ПР-63,5-354 | 63,5 | 38,10 | 19,84 | 39,68 | 60,4 | 89 | 48 | 354,0 | 16,0 |
Цепи приводные втулочные однорядные типа ПВ | |||||||||
ПВ-9,525-11,5 | 9,525 | 7,60 | 3,59 | 5,0 | 8,80 | 18,5 | 10 | 11,5 | 0,50 |
ПВ-9,525-13,0 | 9,525 | 9,52 | 4,45 | 6,0 | 9,85 | 21,2 | 12 | 13,0 | 0,65 |
Цепи приводные роликовые с изогнутыми пластинами типа ПРИ | |||||||||
ПРИ-78,1-360 | 78,1 | 38,1 | 17,15 | 33,3 | 45,5 | 102 | 51 | 360 | 14,5 |
ПРИ-78,1-400 | 78,1 | 38,1 | 19,00 | 40,0 | 56,0 | 102 | 51 | 400 | 19,8 |
ПРИ-103,2-650 | 103,2 | 49,0 | 24,00 | 46,0 | 60,0 | 135 | 73 | 650 | 28,8 |
ПРИ-140-1200 | 140 | 80,0 | 36,0 | 65,0 | 90,0 | 182 | 94 | 1200 | 63,0 |
Таблица 2
Размеры в миллиметрах
Типоразмер цепи |
|
|
|
|
| Разрушающая нагрузка, кН, не менее | Масса 1 м цепи, (расчет- ная), кг | |||||
Цепи приводные втулочные двухрядные типа 2ПВ | ||||||||||||
2ПВ-9,525-20 | 9,525 | 5,20 | 4,45 | 6,00 | 10,75 | 9,85 | 27,5 | 8,5 | 20 | 1,0 | ||
Цепи приводные роликовые двухрядные типа 2ПР | ||||||||||||
2ПР-12,7-31,8 | 12,7 | 7,75 | 4,45 | 8,51 | 13,92 | 11,80 | 35 | 11 | 31,8 | 1,4 | ||
2ПР-15,875-45,4 | 15,875 | 9,65 | 5,08 | 10,16 | 16,59 | 14,80 | 41 | 13 | 45,4 | 1,9 | ||
2ПР-19,05-64 | 19,05 | 12,70 | 5,96 | 11,91 | 22,78 | 18,08 | 53,4 | 17,75 | 64,0 | 2,9 | ||
2ПР-25,4-114 | 25,4 | 15,88 | 7,92 | 15,88 | 29,29 | 24,20 | 68 | 22 | 114,0 | 5,0 | ||
2ПР-31,75-177 | 31,75 | 19,05 | 9,53 | 19,05 | 35,76 | 30,20 | 82 | 24 | 177,0 | 7,3 | ||
2ПР-38,1-254 | 38,1 | 25,40 | 11,10 | 22,23 | 45,44 | 36,20 | 104 | 30 | 254,0 | 11,0 | ||
2ПР-44,45-344 | 44,45 | 25,40 | 12,70 | 25,40 | 48,87 | 42,24 | 110 | 34 | 344,8 | 14,4 | ||
2ПР-50,8-453,6 | 50,8 | 31,75 | 14,27 | 28,58 | 58,55 | 48,30 | 130 | 38 | 453,6 | 19,1 | ||
Цепи приводные роликовые трехрядные типа 3ПР | ||||||||||||
3ПР-12,7-45,4 | 12,7 | 7,75 | 4,45 | 8,51 | 13,92 | 11,80 | 50 | 11 | 45,4 | 2,0 | ||
3ПР-15,875-68,1 | 15,875 | 9,65 | 5,08 | 10,16 | 16,59 | 14,80 | 57 | 13 | 68,1 | 2,8 | ||
3ПР-19,05-96 | 19,05 | 12,70 | 5,96 | 11,91 | 22,78 | 18,08 | 76,2 | 17,75 | 96,0 | 4,3 | ||
3ПР-25,4-171 | 25,4 | 15,88 | 7,92 | 15,88 | 29,29 | 24,20 | 98 | 22 | 171,0 | 7,5 | ||
3ПР-31,75-265,5 | 31,75 | 19,05 | 9,53 | 19,05 | 35,76 | 30,20 | 120 | 24 | 265,5 | 11,0 | ||
3ПР-38,1-381 | 38,1 | 25,40 | 11,10 | 22,23 | 45,44 | 36,20 | 150 | 30 | 381,0 | 16,5 | ||
3ПР-44,45-517,2 | 44,45 | 25,40 | 12,70 | 25,40 | 48,87 | 42,24 | 160 | 34 | 517,2 | 21,7 | ||
3ПР-50,8-680,4 | 50,8 | 31,75 | 14,27 | 28,58 | 58,55 | 48,30 | 190 | 38 | 680,4 | 28,3 | ||
Цепи приводные роликовые четырехрядные типа 4ПР | ||||||||||||
4ПР-19,05-128 | 19,05 | 12,70 | 5,94 | 11,91 | 22,78 | 18,08 | 17,75 | 101,9 | 128 | 5,75 | ||
4ПР-25,4-228 | 25,4 | 15,88 | 7,92 | 15,88 | 29,29 | 24,20 | 22,00 | 129,9 | 228 | 10,9 | ||
4ПР-31,75-355 | 31,75 | 19,05 | 9,53 | 19,05 | 35,76 | 30,20 | 24,00 | 157,5 | 355 | 14,7 | ||
4ПР-38,1-50,8 | 38,1 | 25,40 | 11,10 | 22,23 | 45,44 | 36,20 | 30,00 | 197,1 | 508 | 22,0 | ||
4ПР-50,8-900 | 50,8 | 31,75 | 14,27 | 28,58 | 58,55 | 48,30 | 38,00 | 252,3 | 900 | 38,0 | ||
Примеры условных обозначений цепей и комплектующих изделий:
Цепь приводная роликовая однорядная шага 12,7 мм с расстоянием между внутренними пластинами 7,75 мм и с разрушающей нагрузкой 18,2 кН:
Цепь ПР-12,7-18,2 ГОСТ 13568-97
То же, с расстоянием между внутренними пластинами 5,40 мм:
Цепь ПР-12,7-18,2-1 ГОСТ 13568-97
Комплектующие изделия для этой цепи:
Звено соединительное - Звено С-ПР-12,7-18,2 ГОСТ 13568.
Звено двойное переходное - Звено П2-ПР-12,7-18,2 ГОСТ 13568.
Звено переходное - Звено П-ПР-12,7-18,2 ГОСТ 13568.
Цепь приводная роликовая трехрядная шага 25,4 мм с разрушающей нагрузкой 171 кН:
Цепь 3ПР-25,4-171 ГОСТ 13568-97
Цепь приводная втулочная двухрядная шага 9,525 мм с разрушающей нагрузкой 20 кН:
Цепь 2ПВ-9,525-20 ГОСТ 13568-97
Цепь приводная роликовая с изогнутыми пластинами шага 103,2 мм с разрушающей нагрузкой 650 кН:
Цепь ПРИ-103,2-650 ГОСТ 13568-97
Обозначение цепей, изготовляемых по ИСО 606, - А.2.2 приложения А.
Обозначения совпадающих типоразмеров однорядных цепей настоящего стандарта и ИСО 606 приведены в приложении Б.
4 Технические требования
4.1 Цепи следует изготавливать в соответствии с требованиями настоящего стандарта по рабочим чертежам, утвержденным в установленном порядке.
4.2 Пластины и пружинные замки следует изготавливать из холоднокатаного проката нормальной или повышенной точности по толщине, свертные втулки - из обрезного холоднокатаного проката повышенной или нормальной точности по толщине и ширине или плющеной ленты, ролики - из холоднокатаного проката, плющеной ленты или калиброванной стали, валики - из калиброванной стали или холоднотянутой проволоки.
Для пластин цепей типа ПРИ допускается применение горячекатаного проката.
4.3 Детали цепей должны быть термически или химико-термически обработаны до твердости, соответствующей указанной в таблице 3.
Таблица 3
Наименование детали | Твердость HRC | |
Пластины | 32 | |
Валики и втулки цепей с шагом | до 15,875 мм | 59,5 |
св. 15,875 мм | 48,5 | |
Ролики | 43,5 | |
Поле рассеивания показателя твердости не должно превышать 8 единиц. Отношение глубины диффузионного слоя (эвтектоидный и половина переходного слоя) к толщине ролика, втулки или диаметру валика при химико-термической обработке должно соответствовать указанному в таблице 4.
Таблица 4
Тип приводной цепи | Шаг | Относительная глубина диффузионного слоя, % | ||
валиков | втулок | роликов | ||
ПР и ПВ | 8...15,875 | 4,0...11,0 | 8...30 | 6...20 |
ПР | 19,05...76,2 | 3,5...11,0 | 12...30 | 10...25 |
ПРИ | 78,1...140 | - | 12...30 | - |
Глубина обезуглероженного слоя на пластинах после термической обработки не должна превышать 0,3 мм.
Для оценки твердости этот слой должен быть удален.
4.4 Детали цепей не должны иметь окалины, трещин, заусенцев, раковин и коррозионных поражений, снижающих работоспособность цепи и ухудшающих ее товарный вид.
4.5 Пластины цепей должны иметь защитно-декоративное покрытие. Допускается наличие покрытия в отверстиях пластин. Вид покрытия должен устанавливаться по согласованию с потребителем или по чертежам, утвержденным в установленном порядке.
4.6 Собранная цепь должна иметь легкую (без заедания) подвижность в шарнирных соединениях.
4.7 Суммарный зазор между наружными и внутренними пластинами собранных однорядных цепей должен быть не более указанного в таблице 5.
Таблица 5
мм
Шаг | 8 | 9,525 | 12,7 | 15,875 | 19,05 | 25,4 | 31,75 | 38,1 | 44,45 | 50,8 | 63,5 | 78,1-140 |
Зазор | 0,4 | 0,5 | 0,5 | 0,5 | 0,8 | 1,0 | 1,2 | 1,2 | 1,3 | 1,3 | 1,4 | 3,5 |
Примечание - При применении для изготовления пластин холоднокатаного проката нормальной точности по толщине или горячекатаного проката допускается увеличение суммарного зазора на 50%.
Суммарный зазор многорядных цепей должен быть не более 0,8 произведения суммарного зазора для однорядной цепи и числа рядов.
4.8 Цепи типов ПР, ПВ с шагами 8-15,875 мм должны быть подвергнуты растяжению нагрузкой, равной 15-33% разрушающей нагрузки, приведенной в таблицах 1 и 2.
4.9 Вращающие моменты на проворачивание валика и втулки в одной пластине не должны быть ниже значений, указанных в таблице 6.
Таблица 6
Шаг | Вращающий момент, даН·м | ||
валика | втулки | ||
8 | 12,7* | 0,05 | 0,03 |
9,525 | 0,08 | 0,05 | |
12,7 | - | 0,25 | 0,15 |
15,875 | 0,35 | 0,20 | |
19,05 | 0,60 | 0,35 | |
25,4 | 1,50 | 0,90 | |
31,75 | 2,90 | 1,79 | |
1,20 | 0,70 | ||
38,1 | 4,00 | 2,40 | |
44,45 | 5,50 | 3,30 | |
50,8 | 7,50 | 4,20 | |
63,5 | 12,00 | 7,20 | |
________________ | |||
Допускается посадка промежуточных пластин на валики многорядных цепей с зазором.
4.10 Предельное отклонение длины отрезка цепи от номинального значения должно быть только положительным и не должно превышать указанное в таблице 7. Число звеньев в измеряемом отрезке цепи должно соответствовать указанному в таблице 8.
Таблица 7
Тип приводной цепи | Шаг | Предельное отклонение длины отрезка от номинального значения, % |
ПР, 2ПР, 3ПР, 4ПР, ПВ, 2ПВ | 8,0-63,5 | 0,15 |
ПРИ | 78,1 и более | 0,50 |
Таблица 8
Тип приводной цепи | Шаг | Число звеньев в измеряемом отрезке |
ПР, ПВ | 8,0...25,4 | 49 |
31,75 | 47 | |
2ПР, 3ПР, 4ПР, 2ПВ | 38 и 38,1 | 39 |
44,45 | 33 | |
50,8 | 29 | |
63,5 | 23 | |
76,2 | 19 | |
ПРИ | 78,1 | 19 |
103,2 | 15 | |
140,0 | 11 |
4.11 Предельное отклонение шага от номинального значения не должно превышать значений, указанных в таблице 9.
Таблица 9
Тип приводной цепи | Шаг | Предельное отклонение шага от номинального значения, % |
2ПВ, 3ПР, 2ПР, ПР, ПВ | 8...15,875 | ±0,90 |
ПРИ | 25,4... 140 | +0,90 |
-0,40 | ||
ПР, 2ПР, 3ПР, 4ПР | 19,05 | +0,90 |
-0,40 | ||
25,4 | +0,70 | |
-0,40 | ||
31,75 | +0,60 | |
-0,20 | ||
38,1 и 44,45 | +0,50 | |
-0,20 | ||
50,8 и 63,5 | +0,36 | |
-0,20 |
4.12 Показатели надежности - средняя наработка до отказа и установленная безотказная наработка для режима ускоренных испытаний приведены в приложении В. В приложении В определены также режимы и условия ускоренных испытаний.
4.13 Критерием предельного состояния для оценки показателей надежности всех цепей является заданное в приложении В увеличение длины измеряемого отрезка. Разрушение деталей цепей при этом не допускается.
4.14 Цепи не должны иметь пропеллерности и серповидности, препятствующих замыканию цепей в контур усилием от руки.
4.15 Номинальные значения климатических факторов на цепи - по настоящему стандарту и по ГОСТ 15150 для видов климатического исполнения У1 или УХЛ1.1, но при этом допускается эксплуатация цепей в условиях исполнения УХЛ1.1, если:
- нижнее значение температуры окружающего воздуха не ниже минус 45 °С;
- осуществляется защита цепей от коррозии путем периодической смазки в процессе эксплуатации и их консервация в нерабочем состоянии. Периодичность и виды смазки следует устанавливать в технических условиях на конкретные виды изделий.
4.16 Маркировка, содержащая товарный знак или условное обозначение изготовителя, и значение шага в миллиметрах должны иметь не менее 5% наружных пластин с внешней стороны цепи и все соединительные звенья - также с внешней стороны.
Для цепей с шагом 8...15,875 мм маркировка шага не обязательна.
Способ, размеры и место нанесения маркировки устанавливают в рабочих чертежах.
4.17 Цепи должны быть законсервированы. Консервацию цепей проводят рабочими и консервационными составами по ГОСТ 9.014. Консервация должна обеспечивать защиту от атмосферной коррозии не менее года со дня консервации.
Вид упаковки устанавливает изготовитель.
5 Требования безопасности
5.1 Требованиями безопасности являются требования обеспечения размеров (3.2), качества термической или химико-термической обработки (4.3), внешнего вида (4.4), легкой подвижности (4.6), обеспечения значений зазоров (4.7), вращающих моментов на проворачивание валика и втулки в пластине (4.9), допускаемого отклонения длины отрезка от номинального значения (4.10), обеспечения показателей надежности (4.12 и приложение В).
6 Комплектность
6.1 Длину цепи и число соединительных и переходных звеньев устанавливают по заказу потребителя.
6.2 Цепи могут состоять из:
- отрезков определенной длины (заказ в метрах) без соединительных звеньев;
- отрезков с определенным числом звеньев (заказ по числу звеньев) с соединительным или с соединительным и переходным звеньями;
- отрезков с определенным числом звеньев (заказ по числу звеньев) с двойным переходным и двумя соединительными звеньями;
- замкнутых отрезков с неразъемным соединением (бесконечным).
6.3 В заказе должно быть указано обозначение цепи, соединительных и переходных звеньев по 3.2.
7 Правила приемки
7.1 Цепи подвергают следующим видам испытаний:
приемо-сдаточным (цепи всех типов), периодическим стендовым (цепи одно- и многорядные типов ПР и ПВ) и типовым сертификационным.
7.2 Приемо-сдаточные испытания
7.2.1 Приемо-сдаточным испытаниям на соответствие требованиям 3.2, 4.3-4.7, 4.9-4.11 и 6.2 подвергают каждую партию цепей. Объем партии цепей одного типоразмера типов ПР, 2ПР, 3ПР и 4ПР шага 25,4 мм и более не должен превышать 500 м. Объем партии цепей остальных типов и размеров устанавливает изготовитель, но он не должен превышать 1000 м.
7.2.2 Соединительные и переходные звенья должны предъявляться к испытаниям на соответствие требованиям 3.2, 4.3-4.5 и 4.9 партиями, состоящими не более чем из 2000 шт. соединительных и 1000 шт. переходных звеньев одного типоразмера.
7.2.3 В партию должны входить цепи одного типоразмера (одного обозначения), изготовленные из одинаковых материалов (марок) по одному технологическому процессу, на одном оборудовании.
7.2.4 Внешнему осмотру (4.4; 4.5) подвергают все производимые цепи.
7.2.5 Для проведения приемо-сдаточных испытаний методом случайной выборки отбирают от партии:
- для проверки размеров (по 3.2; 4.7; 4.10; 4.11) - пять отрезков с числом звеньев по таблице 8;
- для проверки показателей термической и химико-термической обработок (по 4.3) - три отдельных звена, взятых из различных мест партии;
- для проверки комплектности (по 6.1, 6.2) - десять отрезков;
- для проверки подвижности шарнирных соединений (по 4.6) - три товарных отрезка цепи;
- для проверки массы (по 3.2) - три отрезка из различных мест партии;
- для испытаний на разрушающую нагрузку (по 4.3) - два отрезка из различных мест партии каждый длиною, обеспечивающей размещение не менее пяти звеньев между захватами разрывной машины;
- для испытаний на вращающий момент при проворачивании валика и втулки в пластине (по 4.9) - три образца;
- для испытаний на пропеллерность и серповидность (по 4.14) - три отрезка.
7.2.6 Для испытаний на разрушающую нагрузку (по 3.1) от партии соединительных и переходных звеньев отбирают звенья для комплектации двух комбинированных образцов по одному из следующих вариантов набора звеньев:
- три соединительных и четыре внутренних звена;
- два соединительных, два переходных и три внутренних звена;
- три соединительных, два двойных переходных и два внутренних звена;
- семь переходных звеньев.
Допускается увеличение длины испытываемых образцов.
7.2.7 При обнаружении несоответствия хотя бы одного параметра цепи, соединительного или переходного звена требованиям настоящего стандарта по этому параметру проводят повторные испытания удвоенного количества образцов. Результаты повторных испытаний являются окончательными и распространяются на всю партию изделий.
7.3 Потребитель имеет право контролировать качество цепей в объеме 7.2.1-7.2.6 методами, указанными в разделе 8 настоящего стандарта.
7.4 Периодические испытания
7.4.1 Периодические испытания проводят в объеме ускоренных стендовых испытаний на надежность по 4.12, 4.13 и приложению В.
7.4.2 Периодические испытания проводят не реже одного раза в год.
7.4.3 Показатели надежности устанавливают в технической документации, утвержденной в установленном порядке, и контролируют при эксплуатации. Объем выборки - не менее пяти контуров.
7.4.4 В случае разрушения в процессе испытаний цепи, отдельных ее деталей или в случае установления, что испытываемые цепи не обеспечивают предусмотренных значений показателей надежности, проводят повторные испытания на удвоенном количестве контуров.
Результаты повторных испытаний являются окончательными.
7.5 Типовые испытания
7.5.1 Типовые испытания проводят при изменении конструкции, материала, технологии, если эти изменения могут повлиять на изменение показателей цепей.
7.5.2 Типовые испытания проводят в объеме приемо-сдаточных и периодических испытаний.
7.6 Сертификационные испытания
7.6.1 Основным видом сертификационных испытаний являются испытания по требованиям безопасности (5.1).
7.6.2 Образцы для испытаний отбирают от нескольких партий цепей одного наименования и из одинаковых марок стали. В обоснованных случаях допускается отбор образцов от одной партии.
7.6.3 Отбираемое количество образцов для испытаний по требованиям безопасности равно удвоенному количеству образцов (кроме проверок комплектности и массы, которые не проводят), указанному в 7.2.5.
7.6.4 Требования, необходимые для сертификационных испытаний и отсутствующие в настоящем стандарте, устанавливает орган по сертификации на основе отраслевой и заводской технической документации.
8 Методы испытаний
8.1 Твердость деталей проверяют приборами Роквелла, Супер-Роквелла или Виккерса с последующим переводом в шкалу С прибора Роквелла.
Допускается применение неразрушающих методов контроля.
8.2 Внешний осмотр по 4.4; 4.5 проводят невооруженным глазом.
8.3 Подвижность шарнирных соединений по 4.6 проверяют протягиванием отрезков цепи по звездочке с числом зубьев от 9 до 21 или поворотом от руки соединительных звеньев и роликов цепи, лежащей на горизонтальной плоскости.
8.4 Контроль суммарного зазора между пластинами по 4.7 осуществляют универсальным измерительным инструментом или специальным калибром на шарнирах у отрезков несмазанной цепи, лежащих на горизонтальной поверхности.
8.5 Проверке прочности соединения валиков и втулок с пластинами по 5.9 подвергают не менее двух шарниров от каждого образца.
Момент поворота деталей в соединении определяют на универсальных приспособлениях или специальных машинах.
8.6 Измерение длины контрольного отрезка по 4.10 и шага цепи по 4.11 проводят после приложения технологической нагрузки на промытом и просушенном отрезке, лежащем на горизонтальной поверхности, при нагрузке, равной 1% разрушающей. Число измерений на каждом отрезке - не менее четырех.
Длину отрезка измеряют штангенциркулем или специальным измерительным инструментом.
8.7 При испытаниях на разрушающую нагрузку (разрыв) нагрузка должна прикладываться к концам отрезка через валик, вставленный во втулку, или через ролик плавно, равномерно. Испытание осуществляют на универсальных разрывных машинах. Конструкция захватов машины должна исключать возможность перекоса концов образца.
Остальные требования к испытаниям на разрыв - по А.2.4.2; А.2.4.3 приложения А.
8.8 При разрушении деталей, находящихся в захватах машины, от нагрузки ниже разрушающей результаты испытаний считаются недействительными.
8.9 Условия проведения ускоренных стендовых испытаний на надежность по В.4.12, В.4.13 приложения В.
8.10 Пропеллерность и серповидность цепей по 4.14 проверяют путем замыкания концов отрезков цепи соединительным звеном.
9 Транспортирование и хранение
9.1 Транспортирование цепей осуществляют всеми видами транспорта в крытых транспортных средствах с соблюдением правил перевозок грузов, действующих на каждом виде транспорта.
9.2 Каждую партию цепей одного типоразмера необходимо сопровождать документом (этикеткой), содержащим:
- товарный знак или условное обозначение изготовителя;
- условное обозначение цепей по настоящему стандарту;
- число цепей в партии;
- штамп ОТК;
- знак соответствия, при наличии сертификата;
- дату выпуска цепей;
- номер партии.
9.3 Условия хранения цепей до ввода в эксплуатацию - 3 по ГОСТ 15150. Хранение химикатов в этих помещениях не допускается.
Срок хранения - год.
10 Указания по эксплуатации
10.1 Цепи должны эксплуатироваться в передачах, смонтированных при соблюдении требований настоящего стандарта.
10.2 Валы цепных передач должны быть проверены на параллельность осей. Допуск параллельности осей валов не должен быть более 0,2 мм на каждые 100 мм длины валов.
10.3 Звездочки цепных передач по радиальному и осевому биению должны отвечать требованиям соответствующих стандартов - ГОСТ 591, ГОСТ 592.
10.4 Венцы звездочек, работающих в одном контуре, должны быть проверены на расположение в одной плоскости. Смещение венцов звездочек (отклонение от плоскостности) для передач с межцентровым расстоянием до 1000 мм не должно быть более 2 мм, допуск увеличивается на 0,2 мм на каждые 100 мм межцентрового расстояния свыше 1000 мм.
10.5 Цепь, устанавливаемая на звездочках, должна быть отрегулирована на натяжение.
Натяжение считается нормальным, если при межцентровом расстоянии звездочек 1000 мм стрела провисания ведомой ветви цепи составляет (40±10) мм при приложении усилия (160±10) Н [(16±1) кгс].
При увеличении или уменьшении межцентрового расстояния на каждые 100 мм стрелу провисания соответственно увеличивают или уменьшают на (4±1) мм.
Для наклонных передач (более 45°) должна быть принята нижняя граница указанных величин.
Стрелу провисания измеряют при двухзвездной цепной передаче посередине ведомой ветви, при многозвездной передаче - посередине цепи между ведущей и натяжной звездочками.
10.6 Режимы эксплуатации цепей должны быть указаны в инструкции по эксплуатации (паспорте) на машину, в которой применены цепи, и требованиях по техническому обслуживанию.
10.7 Цепи типа ПР со свертными роликами и типа ПРИ должны эксплуатироваться при скорости движения не выше 5 м/с.
10.8 Допускается эксплуатация цепей в условиях, где значения климатических факторов выходят за пределы установленных номинальных значений для климатических исполнений У1 или УХЛ1.1, при этом значения климатических факторов, а также, при необходимости, дополнительные требования к цепям, их хранению и обслуживанию устанавливают в нормативном документе по согласованию между потребителем и изготовителем цепей.
11 Гарантия изготовителя
11.1 Изготовитель должен гарантировать соответствие цепей требованиям настоящего стандарта при условии соблюдения правил эксплуатации, хранения и транспортирования.
11.2 Гарантийный срок эксплуатации - 12 мес с момента ввода в эксплуатацию цепи.
ПРИЛОЖЕНИЕ А (обязательное). Цепи приводные роликовые прецизионные с коротким шагом (ИСО 606-94)
ПРИЛОЖЕНИЕ А
(обязательное)
Введение
В настоящий международный стандарт включены цепи, применяемые в большинстве стран мира. Приведена унификация размеров, показателей прочности и других параметров, которые в существующих национальных стандартах имели неодинаковые значения. В стандарт не включены существующие в отдельных национальных стандартах типоразмеры цепей, выпадающие из принятых рядов и, как было установлено, не имеющие универсального применения, т.е. специального назначения*.
______________
* Раздел, касающийся звездочек, исключен, так как должен содержаться в ГОСТ 591.
Настоящий стандарт распространяется на такие же цепные передачи, которые были ранее созданы на основе уже существующих рядов цепей. Имеющийся в стандарте ряд шагов цепей от 12,7 до 76,2 мм дублируется благодаря включению в него цепей из стандартов, созданных на базе стандартов АНСИ, обозначаемых буквой А на месте третьего знака в обозначении номера цепи и, одновременно, цепей из основных стандартов, разработанных в Европе, обозначаемых буквой В на месте третьего знака в обозначении номера цепи. Эти два ряда цепей дополняют друг друга и, следовательно, расширяют область применения стандарта.
Размеры цепей установлены такие, чтобы гарантировать полную взаимозаменяемость по любому размеру и обеспечить взаимозаменяемость отдельных звеньев цепей при ремонте.
А.1 Назначение и область применения
Настоящий международный стандарт распространяется на одно- и многорядные приводные роликовые прецизионные цепи с коротким шагом, предназначенные для использования в силовых механических передачах и других подобных устройствах.
Стандарт устанавливает размеры, предельные отклонения, измерительные и минимальные разрушающие нагрузки.
Цепи, изготовленные по размерам и требованиям ИСО 606, приведенные в настоящем приложении, должны также соответствовать требованиям разделов 4-11 настоящего стандарта (кроме требований по маркировке).
А.2 Цепи
А.2.1 Номенклатура цепей в сборе и их элементов
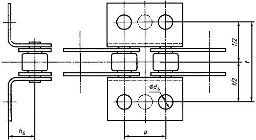
На рисунках A.1 и А.2 показаны типы цепей в сборе и типы деталей, из которых они состоят.
Рисунок А. 1 - Типы роликовых цепей в сборе

а - роликовая однорядная цепь

б - роликовая трехрядная цепь
Рисунок А.1 - Типы роликовых цепей в сборе
Рисунок А. 2 - Типы звеньев
|
|
а - внутреннее звено | б - наружное звено однорядное |
|
|
в - наружное звено двухрядное | г - соединительное звено с пружинным замком |
| |
д - другие типы разборных соединительных звеньев (замки могут быть различной конструкции | |
|
|
е - переходное звено однорядное | ж - переходное звено двойное |
1 - внутренняя пластина; 2 - ролик; 3 - втулка; 4 - наружная пластина; 5 - валик; 6 - промежуточная пластина; 7 - соединительный валик; 8 - съемная пластина; 9 - пружинный замок; 10 - замок любой другой конструкции (показан схематично); 11 - пластина с расклепанным соединительным валиком; 13 - соединительный съемный валик; 14 - расклепанный валик
Примечания
1 Размеры звеньев всех типов приведены в таблице A.1.
2 Шплинты могут быть различной конструкции. На рисунках показаны примеры
Рисунок А.2 - Типы звеньев
Чертежи не определяют конструкцию цепей и их деталей.
А.2.2 Условные обозначения
Приводные роликовые прецизионные цепи обозначают стандартным "номером цепи" ИСО, приведенным в таблицах А.1 и А.2.
К обозначению номера цепи справа добавляют через дефис цифры:
1 - для обозначения однорядной цепи;
2 - для обозначения двухрядной цепи;
3 - для обозначения трехрядной цепи.
Например:
16В-1, 16В-2, 16В-3 и т.д.
Цепи 081, 083, 084, 085 не требуют таких добавлений, т.к. их изготавливают только однорядными.
А.2.3 Размеры
Размеры цепей должны соответствовать указанным на рисунке А.3 и в таблицах A.1 и А.2. Наибольшие и наименьшие размеры, установленные для облегчения взаимозаменяемости звеньев цепей, изготовляемых различными предприятиями, и не являются фактическими отклонениями, которые должны быть обеспечены при изготовлении.
Рисунок А.3 - Звенья
|
|
а - звено с изогнутыми пластинами | б - сечение с гладкими валиками |
|
|
в - сечение цепи со ступенчатыми валиками | г - однорядная цепь |
|
|
д - двухрядная цепь | е - трехрядная цепь |
Примечания
1 Размер представляет собой зазор между изогнутыми и прямыми пластинами, необходимый для свободного взаимного поворота.
2 Размер определяет минимальную ширину, необходимую для свободного продольного перемещения цепи.
3 Общая длина цепи с замком соединительного или переходного звена должна быть равна ширине цепи по концам валиков или
плюс размер
в случаях, когда концы валиков расклепаны (или, плюс 1,6
для валиков с развальцованными концами), если замки установлены только с одной стороны цепи или плюс 2
, если замки установлены с обоих концов.
4 Ширина цепи по валикам для цепей с числом рядов больше трех равна
+ (число рядов - 1)
Рисунок А.3 - Звенья
А.2.4 Испытание на растяжение
А.2.4.1 Нагрузка при испытании на растяжение образцов до их разрушения должна быть не менее указанной в А.2.4.2 настоящего приложения. Эта наименьшая нагрузка не является рабочей нагрузкой.
Она предназначена в основном для сравнения цепей различной конструкции. По вопросам, связанным с применением цепей, необходимо консультироваться с изготовителем цепей или использовать их опубликованные указания.
А.2.4.2 Растягивающая нагрузка не менее наименьшей, установленной в таблице A.1, должна прикладываться медленно к концам образца цепи, содержащего, по крайней мере, пять свободных звеньев, не находящихся в захватах испытательной машины. Захваты машины не должны препятствовать свободному повороту этих звеньев в обе стороны в плоскости, перпендикулярной к осям шарниров.
Таблица A.1 - Размеры. Измерительная и разрушающая нагрузка базовых цепей
Размеры в миллиметрах
Номер цепи | Шаг цепи | Диа- метр ролика | Ширина между внутрен- ними плас- тинами | Диаметр валика | Диаметр отверстия втулки | Габа- ритный размер | Ширина внут- ренней пластины | Ширина наружной и проме- жуточной пластин | Размер изогнутого звена | Рас- стояние между рядами | Ширина внут- рен- него звена на | Рас- стояние между наруж- ными пласти- нами | Ширина цепи по концам валиков | Ширина замка | Измерительная нагрузка цепи, даН | Разрушающая нагрузка цепи, даН, не менее | ||||||||
|
| одно- рядная | двух- рядная | трех- рядная | одно- ряд- | двух- ряд- | трех- ряд- | одно- ряд- | двух- ряд- | трех- рядной | ||||||||||||||
05В | 8,00 | 5,00 | 3,00 | 2,31 | 2,36 | 7,37 | 7,11 | 7,11 | 3,71 | 3,71 | 0,08 | 5,64 | 4,77 | 4,90 | 8,6 | 14,3 | 19,9 | 3,1 | 5 | 10 | 15 | 440 | 780 | 1110 |
06В | 9,525 | 6,35 | 5,72 | 3,28 | 3,33 | 8,52 | 8,26 | 8,26 | 4,32 | 4,32 | 0,08 | 10,24 | 8,53 | 8,66 | 13,5 | 23,8 | 34,0 | 3,3 | 7 | 14 | 21 | 890 | 1690 | 2490 |
08А | 12,70 | 7,95 | 7,85 | 3,96 | 4,01 | 12,33 | 12,07 | 10,41 | 5,28 | 6,10 | 0,08 | 14,38 | 11,18 | 11,23 | 17,8 | 32,3 | 46,7 | 3,9 | 12 | 25 | 37 | 1380 | 2760 | 4140 |
08В | 12,70 | 8,51 | 7,75 | 4,45 | 4,50 | 12,07 | 11,81 | 10,92 | 5,66 | 6,12 | 0,08 | 13,92 | 11,30 | 11,43 | 17,0 | 31,0 | 44,9 | 3,9 | 12 | 25 | 37 | 1780 | 3110 | 4450 |
10А | 15,875 | 10,16 | 9,40 | 5,08 | 5,13 | 15,35 | 15,09 | 13,03 | 6,60 | 7,62 | 0,10 | 18,11 | 13,84 | 13,89 | 21,8 | 39,9 | 57,9 | 4,1 | 20 | 39 | 59 | 2180 | 4360 | 6540 |
10В | 15,875 | 10,16 | 9,65 | 5,08 | 5,13 | 14,99 | 14,73 | 13,72 | 7,11 | 7,62 | 0,10 | 16,59 | 13,28 | 13,41 | 19,6 | 36,2 | 52,8 | 4,1 | 20 | 39 | 59 | 2220 | 4450 | 6670 |
12А | 19,05 | 11,91 | 12,57 | 5,94 | 5,99 | 18,34 | 18,08 | 15,62 | 7,90 | 9,14 | 0,10 | 22,78 | 17,75 | 17,81 | 26,9 | 49,8 | 72,6 | 4,6 | 28 | 56 | 84 | 3110 | 6230 | 9340 |
12В | 19,05 | 12,07 | 11,68 | 5,72 | 5,77 | 16,39 | 16,13 | 16,13 | 8,33 | 8,33 | 0,10 | 19,46 | 15,62 | 15,75 | 22,7 | 42,2 | 61,7 | 4,6 | 28 | 56 | 84 | 2890 | 5780 | 8670 |
16А | 25,40 | 15,88 | 15,75 | 7,92 | 7,97 | 24,39 | 24,13 | 20,83 | 10,54 | 12,19 | 0,13 | 29,29 | 22,61 | 22,66 | 33,5 | 62,7 | 91,9 | 5,4 | 50 | 100 | 149 | 5560 | 11120 | 16680 |
16В | 25,40 | 15,88 | 17,02 | 8,28 | 8,33 | 21,34 | 21,08 | 21,08 | 11,15 | 11,15 | 0,13 | 31,88 | 25,45 | 25,58 | 36,1 | 68,0 | 99,9 | 5,4 | 50 | 100 | 149 | 4230 | 8450 | 12680 |
20А | 31,75 | 19,05 | 18,90 | 9,53 | 9,58 | 30,48 | 30,18 | 26,04 | 13,16 | 15,24 | 0,15 | 35,76 | 27,46 | 27,51 | 41,1 | 77,0 | 113,0 | 6,1 | 78 | 156 | 234 | 8670 | 17350 | 26020 |
20В | 31,75 | 19,05 | 19,56 | 10,19 | 10,24 | 26,68 | 26,42 | 26,42 | 13,89 | 13,89 | 0,15 | 36,45 | 29,01 | 29,14 | 43,2 | 79,7 | 116,1 | 6,1 | 78 | 156 | 234 | 6450 | 12900 | 19350 |
24А | 38,10 | 22,23 | 25,22 | 11,10 | 11,15 | 36,55 | 36,20 | 31,24 | 15,80 | 18,26 | 0,18 | 45,44 | 35,46 | 35,51 | 50,8 | 96,3 | 141,7 | 6,6 | 111 | 222 | 334 | 12460 | 24910 | 37370 |
24В | 38,10 | 25,40 | 25,40 | 14,63 | 14,68 | 33,73 | 33,40 | 33,40 | 17,55 | 17,55 | 0,18 | 48,36 | 37,92 | 38,05 | 53,4 | 101,8 | 150,2 | 6,6 | 111 | 222 | 334 | 9790 | 19570 | 29360 |
28А | 44,45 | 25,40 | 25,22 | 12,70 | 12,75 | 42,67 | 42,24 | 36,45 | 18,42 | 21,31 | 0,20 | 48,87 | 37,19 | 37,24 | 54,9 | 103,6 | 152,4 | 7,4 | 151 | 302 | 454 | 16900 | 33810 | 50710 |
28В | 44,45 | 27,94 | 30,99 | 15,90 | 15,96 | 37,46 | 37,08 | 37,08 | 19,51 | 19,51 | 0,20 | 59,56 | 46,58 | 46,71 | 65,1 | 124,7 | 184,3 | 7,4 | 151 | 302 | 454 | 12900 | 25800 | 38700 |
32А | 50,80 | 28,58 | 31,55 | 14,27 | 14,32 | 48,74 | 48,26 | 41,66 | 21,03 | 24,33 | 0,20 | 58,55 | 45,21 | 45,26 | 65,5 | 124,2 | 182,9 | 7,9 | 200 | 400 | 601 | 22240 | 44480 | 66720 |
32В | 50,80 | 29,21 | 30,99 | 17,81 | 17,86 | 42,72 | 42,29 | 42,29 | 22,20 | 22,20 | 0,20 | 58,55 | 45,57 | 45,70 | 67,4 | 126,0 | 184,5 | 7,9 | 200 | 400 | 601 | 16900 | 33810 | 50710 |
40А | 63,50 | 39,68 | 37,85 | 19,84 | 19,89 | 60,93 | 60,33 | 52,07 | 26,24 | 30,35 | 0,20 | 71,55 | 54,89 | 54,94 | 80,3 | 151,9 | 223,5 | 10,2 | 311 | 623 | 934 | 34700 | 69390 | 104090 |
40В | 63,50 | 39,37 | 38,10 | 22,89 | 22,94 | 53,49 | 52,96 | 52,96 | 27,76 | 27,76 | 0,20 | 72,29 | 55,75 | 55,88 | 82,6 | 154,9 | 227,2 | 10,2 | 311 | 623 | 934 | 26240 | 52490 | 78730 |
48А | 76,20 | 47,63 | 47,36 | 23,80 | 23,85 | 73,13 | 72,39 | 62,48 | 31,45 | 36,40 | 0,20 | 87,83 | 67,82 | 67,87 | 95,5 | 183,4 | 271,3 | 10,5 | 445 | 890 | 1334 | 50040 | 100080 | 150130 |
48В | 76,20 | 48,26 | 45,72 | 29,24 | 29,29 | 64,52 | 63,88 | 63,88 | 33,45 | 33,45 | 0,20 | 91,21 | 70,56 | 70,69 | 99,1 | 190,4 | 281,6 | 10,5 | 445 | 890 | 1334 | 40030 | 80070 | 120100 |
56В | 88,90 | 53,98 | 53,34 | 34,32 | 34,37 | 78,64 | 77,85 | 77,85 | 40,61 | 40,61 | 0,20 | 106,60 | 81,33 | 81,46 | 114,6 | 221,2 | - | 11,7 | 609 | 1219 | - | 54270 | 108540 | - |
64В | 101,60 | 63,50 | 60,96 | 39,40 | 39,45 | 91,08 | 90,17 | 90,17 | 47,07 | 47,07 | 0,20 | 119,89 | 92,02 | 92,15 | 130,9 | 250,8 | - | 13,0 | 796 | 1592 | - | 71170 | 142340 | - |
72В | 114,30 | 72,39 | 68,58 | 44,48 | 44,53 | 104,67 | 103,63 | 103,63 | 53,37 | 53,37 | 0,20 | 136,27 | 103,81 | 103,94 | 147,4 | 283,7 | - | 14,3 | 1010 | 2019 | - | 89850 | 179710 | - |
| ||||||||||||||||||||||||
Образец должен считаться разрушенным в момент, когда приращение его длины не сопровождается повышением нагрузки, т.е. в точке, соответствующей вершине кривой на диаграмме "нагрузка - удлинение".
Результаты испытаний, во время которых произошло разрушение звеньев, находящихся в захватах машины, не учитывают.
А.2.4.3 Так как при испытании на растяжение напряжения в образцах цепи превышают предел текучести, то даже если отсутствуют заметные повреждения, использование их в эксплуатации запрещается.
А.2.5 Технологическая нагрузка
Ко всем цепям следует прикладывать технологическую нагрузку, равную одной трети минимальной разрушающей нагрузки, указанной в таблице А.1.
А.2.6 Отклонения цепи по длине
Измерения проводят на несмазанной готовой цепи после приложения технологической нагрузки.
Стандартный измеряемый отрезок цепи должен иметь на концах внутренние звенья и длину не менее:
610 мм - для цепей от 05В до 12В и от 081 до 085 включительно;
1220 мм - для цепей от 16А до 72В включительно.
Цепь при измерении должна быть зажата за внутренние звенья с обоих концов.
Цепь должна быть натянута по всей длине измерительной нагрузкой, указанной в таблице А.1, и лежать на плоскости.
Отклонения длины отрезка цепи от его номинальной длины должны составлять не более 0,15%.
Точность по длине цепей, работающих параллельно, должна быть в вышеуказанных пределах, но цепи следует подбирать попарно в соответствии с указаниями изготовителя.
А.2.7 Маркировка
На цепь должна быть нанесена маркировка, содержащая:
а) условное обозначение изготовителя или заводскую марку;
б) обозначение цепи, указанное в таблицах А.1 или А.2.
А.3 Звенья с полками
А.3.1 Общие положения
Если особо не оговорено, то параметры, размеры и порядок испытаний для цепей, имеющих звенья с полками, должны соответствовать требованиям, установленным в А.2 настоящего стандарта.
А.3.2 Обозначение
Настоящий стандарт устанавливает два типа звеньев с полками, имеющих одинаковые базовые размеры, приведенные в таблице А.2.
Таблица А.2 - Размеры звеньев с полками (см. рисунок А.4)
Размеры в миллиметрах
Номер цепи | Высота полки | Диаметр отверстия, не менее | Расстояние между отверстиями по ширине цепи |
08А | 7,92 | 3,3 | 25,4 |
08В | 8,89 | 4,3 | |
10А | 10,31 | 5,1 | 31,75 |
10В | 5,3 | ||
12А | 11,91 | 5,1 | 38,1 |
12В | 13,46 | 6,4 | |
16А | 15,88 | 6,6 | 50,8 |
16В | 6,4 | ||
20А | 19,84 | 8,2 | 63,5 |
20В | 8,4 | ||
24А | 23,01 | 9,8 | 76,2 |
24В | 26,67 | 10,5 | |
28А | 28,58 | 11,4 | 88,9 |
28В | 13,1 | ||
32А | 31,75 | 13,1 | 101,6 |
32В |
Звенья имеют следующие обозначения:
К1 - с одним монтажным отверстием, расположенным в середине каждой полки;
К2 - с двумя монтажными отверстиями, расположенными параллельно продольной оси цепи, как показано на рисунке А.4.
Рисунок А.4 - Звенья с полками типа К

а - на наружном экране

б - на внутреннем звене
Примечание - Полки звеньев типа К2 имеют по два монтажных отверстия, а типа К1 при таких же размерах по одному отверстию, расположенному в середине полки, как показано пунктиром (см. А.3.2)
Рисунок А.4 - Звенья с полками типа К
А.3.3 Размеры
Размеры звеньев с полками должны соответствовать указанным в таблице А.2.
А.3.4 Требования к изготовлению
Форму пластин звеньев с полками устанавливает изготовитель по своему усмотрению, но обычно она представляет собой цельную деталь: расширенную пластину цепи, часть которой отогнута для образования полки, как показано на рисунке А.4.
Длину полки также устанавливает изготовитель, но она должна быть достаточной для размещения вдоль нее двух отверстий для звена типа К2 и не мешать сопряжению с соседним звеном. Обычно принимают длину полки одинаковой для обоих типов звеньев.
А.3.5 Маркировка
Маркировка должна быть такой же, как на пластинах цепи, вместо которых вставлены звенья с полками цельной конструкции (см. А.2.7).
ПРИЛОЖЕНИЕ Б (справочное).Обозначения совпадающих типоразмеров однорядных цепей по ГОСТ 13568 и ИСО 606
ПРИЛОЖЕНИЕ Б
(справочное)
Таблица Б.1
Типоразмер цепи по ГОСТ 13568 | Номер цепи по ИСО 606 |
ПР-8-4,6 | 05 В-1 |
ПР-9,525-9,1 | 06 В-1 |
ПР-12,7-9 | 081-1 |
ПР-12,7-18,2 | 08 В-1 |
ПР-15,875-23 | 10 В-1 |
ПР-19,05-31,8 | 12 А-1 |
ПР-25,4-60 | 16 А-1 |
ПР-31,75-89 | 20 А-1 |
ПР-38,1-127 | 24 А-1 |
ПР-44,45-172,4 | 28 А-1 |
ПР-50,8-227 | 32 А-1 |
ПР-63,5-354 | 40 А-1 |
В обозначениях двух- и трехрядных цепей по ИСО 606 после дефиса ставят цифры 2 и 3 соответственно.
Соединительные и переходные звенья для цепей по ИСО 606 обозначают символами с дефисом, проставляемыми перед обозначениями цепи:
С - соединительное звено;
П - переходное звено;
П2 - двойное переходное звено.
Пример: двойное переходное звено для двухрядной цепи 08 В-2:
П2-08 В-2
ПРИЛОЖЕНИЕ В (обязательное). Параметры и режимы ускоренных стендовых испытаний цепей на надежность
ПРИЛОЖЕНИЕ В
(обязательное)
В.1 Установлены следующие группы испытаний цепей:
А - для цепей, работающих преимущественно в передачах мотоциклов, мотороллеров, в масляной ванне или при периодической смазке;
Б - для цепей, работающих преимущественно в открытых тихоходных передачах при периодической смазке (передачи сельскохозяйственных и им подобных машин);
В - для цепей, работающих в приводах машин общепромышленного назначения в условиях периодической смазки;
Г - для цепей, работающих преимущественно в быстроходных передачах в масляной ванне.
В.2 Условия стендовых испытаний цепей на надежность должны соответствовать указанным в таблицах B.1, B.2.
В.3 Расчетную нагрузку для многорядных цепей типов 2ПР, 3ПР и 4ПР, испытываемых по режимам таблиц B.1 и B.2, определяют путем умножения расчетной нагрузки для соответствующих однорядных цепей на коэффициент, равный:
1,8 - для двухрядной цепи;
2,5 - для трехрядной цепи;
3,0 - для четырехрядной цепи.
В.4 Продолжительность испытания согласно таблицам B.1, B.2 указана с учетом времени периода приработки.
Для многорядных цепей типов 2ПР, 3ПР и 4ПР нормы средней наработки до отказа и установленной безотказной наработки определяют умножением средней наработки до отказа и установленной безотказной наработки для соответствующих однорядных цепей на коэффициент, равный соответственно 0,8; 0,6; 0,5.
В.5 В таблицах B.1, B.2 предельное увеличение длины отрезка цепи от его начального значения с числом звеньев по таблице 8 дано без учета износа в период приработки.
Таблица B.1 - Группа испытания А
Типоразмер цепи | Параметры базового корпуса | Режимы и результаты испытаний | |||||||
Коли- чество звень- ев в кон- туре | Число зубьев звездочки | Частота вра- щения ведущей звез- дочки, мин | Переда- ваемая нагрузка, даН | Период прира- | Средняя наработка до отказа, не менее | Установ- ленная безотказная наработка, не менее | Предельное увеличение длины | ||
веду- щей | ведо- мой | ч | |||||||
ПР-8-4,6 | 120 | 21 | 21 | 3200 | 25 | 10 | 1000 | 660 | 1,2 |
ПР-9,525-9,1 | 120 | 21 | 21 | 3000 | 60 | 15 | 1100 | 700 | 1,4 |
ПВ-9,525-11,5 | 44 | 15 | 31 | 2600 | 36 | 40 | 1100 | 700 | 2,0 |
ПВ-9,525-13 | 66 | 24 | 52 | 2600 | 53 | 40 | 1100 | 700 | 2,0 |
2ПВ-9,525-20 | 66 | 24 | 52 | 2600 | 65 | 40 | 1100 | 700 | 3,0 |
ПР-12,7-10-1 | 112 | 19 | 48 | 1200 | 40 | 20 | 950 | 600 | 1,9 |
ПР-12,7-9 | 112 | 19 | 48 | 1200 | 50 | 20 | 950 | 600 | 1,9 |
ПР-12,7-18,2-1 | 110 | 17 | 40 | 1200 | 125 | 60 | 1100 | 700 | 2,5 |
ПР-12,7-18,2 | 110 | 17 | 44 | 1280 | 140 | 60 | 1100 | 700 | 2,5 |
ПР-15,875-23-1 | 100 | 16 | 42 | 1180 | 175 | 60 | 1100 | 700 | 3,1 |
ПР-15,875-23 | 100 | 16 | 42 | 1180 | 220 | 60 | 1100 | 700 | 3,1 |
Таблица В.2 - Группа испытания Б
Типоразмер цепи | Параметры базового корпуса | Режимы и результаты испытаний | Пре- дельное увели- чение длины изме- ряемого отрезка цепи, мм | ||||||
Коли- чество звеньев в контуре | Число зубьев звездочки | Частота вращения ведущей звездочки, мин | Пере- даваемая нагрузка, даН | Период прира- ботки | Сред- няя нара- ботка до отказа, не менее | Установ- ленная безот- казная нара- | |||
ведущей | ведомой | ч | |||||||
ПР-19,05-31,8 | 110 | 19 | 19 | 1200 | 200 | 40 | 1200 | 760 | 1,9 |
ПР-25,4-60 | 110 | 19 | 19 | 800 | 400 | 65 | 900 | 570 | 1,9 |
ПР-31,75-89 | 100 | 17 | 17 | 600 | 605 | 100 | 850 | 540 | 2,4 |
ПР-38,1-127 | 100 | 17 | 17 | 450 | 945 | 150 | 850 | 540 | 2,3 |
ПР-44,45-172,4 | 100 | 17 | 17 | 350 | 1025 | 200 | 800 | 500 | 1,8 |
ПР-50,8-127 | 94 | 17 | 17 | 280 | 1470 | 250 | 750 | 460 | 1,8 |
ПР-63,5-354 | 94 | 17 | 17 | 220 | 2320 | 300 | 650 | 410 | 1,5 |
Электронный текст документа
подготовлен АО "Кодекс" и сверен по:
официальное издание
М.: ИПК Издательство стандартов, 2003
Разместите заказ
сами сделают вам предложение











