ГОСТы сталей. ГОСТ Р 52949-2008
ГОСТ Р 52949-2008
Группа В64
НАЦИОНАЛЬНЫЙ СТАНДАРТ РОССИЙСКОЙ ФЕДЕРАЦИИ
ФИТИНГИ-ПЕРЕХОДНИКИ ИЗ МЕДИ И МЕДНЫХ СПЛАВОВ ДЛЯ СОЕДИНЕНИЯ ТРУБОПРОВОДОВ
Технические условия
Fittings-adapters from copper and copper alloys for connecting the pipelines.
Specifications
ОКС 23.040.15
ОКП 18 4450
Дата введения 2009-07-01
Предисловие
Цели и принципы стандартизации в Российской Федерации установлены Федеральным законом от 27 декабря 2002 г. N 184-ФЗ "О техническом регулировании", а правила применения национальных стандартов Российской Федерации - ГОСТ Р 1.0-2004 "Стандартизация в Российской Федерации. Основные положения"
Сведения о стандарте
1 РАЗРАБОТАН Техническим комитетом по стандартизации ТК 106 "Цветметпрокат", Научно-исследовательским, проектным и конструкторским институтом сплавов и обработки цветных металлов "Открытое акционерное общество "Институт Цветметобработка"
2 ВНЕСЕН Техническим комитетом по стандартизации ТК 106 "Цветметпрокат"
3 УТВЕРЖДЕН И ВВЕДЕН В ДЕЙСТВИЕ Приказом Федерального агентства по техническому регулированию и метрологии от 14 августа 2008 г. N 172-ст
4 Настоящий стандарт разработан с учетом основных нормативных положений регионального стандарта ЕН 1254-4:1998 "Медь и медные сплавы. Фитинги. Часть 4. Фитинги, присоединяемые комбинацией капиллярной пайки твердым или мягким припоем или обжатия с другими типами соединений (EN 1254-4:1998 "Copper and copper alloys - Plumbing fittings - Part 4: Fittings combining other end connections with capillary or compression ends", NEQ)
5 ВВЕДЕН ВПЕРВЫЕ
Информация об изменениях к настоящему стандарту публикуется в ежегодно издаваемом информационном указателе "Национальные стандарты", а текст изменений и поправок - в ежемесячно издаваемых информационных указателях "Национальные стандарты". В случае пересмотра (замены) или отмены настоящего стандарта соответствующее уведомление будет опубликовано в ежемесячно издаваемом информационном указателе "Национальные стандарты". Соответствующая информация, уведомление и тексты размещаются также в информационной системе общего пользования - на официальном сайте Федерального агентства по техническому регулированию и метрологии в сети Интернет
1 Область применения
1 Область применения
Настоящий стандарт распространяется на фитинги-переходники из меди и медных сплавов с разными концами: для пайки или прессования с одной стороны и резьбовыми - с другой, предназначенные для соединения медных труб, изготовленных по ГОСТ Р 52318, и устанавливает требования к фитингам-переходникам, используемым в системах: питьевого водоснабжения, холодного и горячего водоснабжения, водяного (парового) отопления, нагревательных и охлаждающих, канализации, водоочистных сооружений и газоснабжения.
Стандарт устанавливает резьбовые соединения концов фитингов, типы и размеры резьбы.
2 Нормативные ссылки
В настоящем стандарте использованы нормативные ссылки на следующие стандарты:
ГОСТ Р 52318-2005 Трубы медные круглого сечения для воды и газа. Технические условия
ГОСТ Р 52922-2008 Фитинги из меди и медных сплавов для соединения медных труб способом капиллярной пайки. Технические условия
ГОСТ Р 52948-2008 Фитинги из меди и медных сплавов для соединения медных труб способом прессования. Технические условия
ГОСТ 2533-88 Калибры для трубной цилиндрической резьбы. Допуски
ГОСТ 6211-81 Основные нормы взаимозаменяемости. Резьба трубная коническая
ГОСТ 6357-81 Основные нормы взаимозаменяемости. Резьба трубная цилиндрическая
ГОСТ 7157-79 Калибры для трубной конической резьбы. Типы. Основные размеры и допуски
ГОСТ 24939-81 Калибры для цилиндрических резьб. Виды
Примечание - При пользовании настоящим стандартом целесообразно проверить действие ссылочных стандартов в информационной системе общего пользования - на официальном сайте Федерального агентства по техническому регулированию и метрологии в сети Интернет или по ежегодно издаваемому информационному указателю "Национальные стандарты", который опубликован по состоянию на 1 января текущего года, и по соответствующим ежемесячно издаваемым информационным указателям, опубликованным в текущем году. Если ссылочный стандарт заменен (изменен), то при пользовании настоящим стандартом следует руководствоваться заменяющим (измененным) стандартом. Если ссылочный стандарт отменен без замены, то положение, в котором дана ссылка на него, применяется в части, не затрагивающей эту ссылку.
3 Термины и определения
В настоящем стандарте применены следующие термины с соответствующими определениями:
3.1 фитинг: Устройство в трубопроводной системе, предназначенное для соединения труб между собой или с другими компонентами этой системы.
3.2 резьбовое соединение: Соединение, которое обеспечивает разъединение системы без нарушения других секций трубы.
Резьбовое соединение может быть: сфера в конус, конус в конус или конус в радиус или в плоскую поверхность с уплотнителем.
Составные части резьбового соединения должны быть только от одного конкретного производителя.
4 Технические требования
4.1 Материалы, технические требования, методы контроля и испытаний, правила приемки, маркировка, упаковка, транспортирование и хранение должны соответствовать требованиям для фитингов-переходников:
- с концом для капиллярной пайки по ГОСТ Р 52922;
- с концом для прессования по ГОСТ Р 52948.
4.2 Резьбовое соединение при сборке должно выдерживать максимальное эксплуатационное давление для соответствующего конца трубы. При разъединении и повторном присоединении резьбовое соединение должно выдерживать максимальное эксплуатационное давление.
4.3 При монтаже трубопровода должны быть применены внутреннее и наружное цилиндрические и наружное коническое резьбовые соединения.
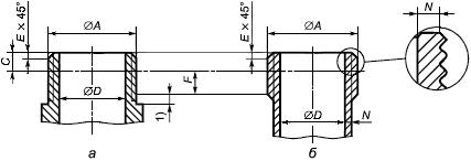
4.4 Внутреннее цилиндрическое резьбовое соединение приведено на рисунках 1 и 2.
Рисунок 1 - Внутреннее цилиндрическое резьбовое соединение с резьбой по ГОСТ 6357

Рисунок 1 - Внутреннее цилиндрическое резьбовое соединение с резьбой по ГОСТ 6357
Размеры внутренней цилиндрической резьбы должны соответствовать указанным в таблицах 1 и 2.
Таблица 1 - Размеры внутренней цилиндрической резьбы по ГОСТ 6357
В миллиметрах
Обозначение резьбы | Длина внутреннего участка фитинга под резьбу | Диаметр прессованного фитинга или прутка из латуни | Диаметр литого фитинга из латуни | Фаска | Диаметр торца фитинга | Длина резьбы |
Rp | 7,4 | 11,6 | 11,8 | 0,9 | 14,3 | 4,5 |
Rp | 11,0 | 15,2 | 15,4 | 1,3 | 18,2 | 7,0 |
Rp | 11,4 | 19,1 | 19,1 | 1,3 | 22,0 | 7,0 |
Rp | 15,0 | 23,8 | 23,8 | 1,8 | 26,7 | 9,0 |
Rp | 16,3 | 29,3 | 29,7 | 1,8 | 33,5 | 10,0 |
Rp 1 | 19,1 | 36,3 | 36,9 | 2,3 | 40,9 | 11,5 |
Rp1 | 21,4 | 45,6 | 46,2 | 2,3 | 49,0 | 13,5 |
Rp1 | 21,4 | 51,4 | 52,0 | 2,3 | 56,6 | 13,5 |
Rp 2 | 25,7 | 63,7 | 64,3 | 2,3 | 69,4 | 17,0 |
Rp 2 | 30,2 | 80,4 | 80,8 | 2,3 | 86,2 | 18,5 |
Rp 3 | 33,3 | 93,5 | 94,0 | 2,3 | 98,0 | 21,0 |
Rp 4 | 39,3 | 120,0 | 121,0 | 2,3 | 120,0 | 26,0 |
* По согласованию изготовителя с потребителем допускается взамен фаски | ||||||

Рисунок 2 - Внутреннее цилиндрическое резьбовое соединение с резьбой по ГОСТ 6357
Таблица 2 - Размеры внутренней цилиндрической резьбы по ГОСТ 6357
В миллиметрах
Обозначение резьбы | Длина внутреннего участка фитинга под резьбу | Диаметр деформируемого фитинга из меди и медных сплавов | Диаметр литого фитинга | Фаска | Диаметр торца фитинга | Длина резьбы |
G | 5,6 | 11,6 | 11,8 | 0,9 | 14,3 | 4,5 |
G | 8,0 | 15,2 | 15,4 | 1,3 | 18,2 | 7,0 |
G | 8,5 | 19,1 | 19,1 | 1,3 | 22,0 | 7,0 |
G | 10,5 | 23,8 | 23,8 | 1,8 | 26,7 | 9,0 |
G | 12,0 | 29,3 | 29,7 | 1,8 | 33,5 | 10,0 |
G 1 | 13,5 | 36,3 | 36,9 | 2,3 | 40,9 | 11,5 |
G 1 | 15,5 | 45,6 | 46,2 | 2,3 | 49,0 | 13,5 |
G 1 | 15,5 | 51,4 | 52,0 | 2,3 | 56,6 | 13,5 |
G 2 | 19,0 | 63,7 | 64,3 | 2,3 | 69,4 | 17,0 |
G 2 | 20,0 | 80,4 | 80,8 | 2,3 | 86,2 | 18,5 |
G 3 | 21,0 | 93,5 | 94,0 | 2,3 | 98,0 | 20,0 |
G 4 | 23,0 | 120,0 | 121,0 | 2,3 | 120,0 | 22,0 |
* По согласованию изготовителя с потребителем допускается взамен фаски | ||||||
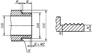
4.5 Наружное коническое резьбовое соединение приведено на рисунках 3 и 4.
Рисунок 3 - Наружное коническое резьбовое соединение с резьбой по ГОСТ 6211

________________ - сбег резьбы.
Рисунок 3 - Наружное коническое резьбовое соединение с резьбой по ГОСТ 6211
Размеры наружной конической резьбы должны соответствовать указанным в таблицах 3 и 4.
Таблица 3 - Размеры наружной конической резьбы по ГОСТ 6211
В миллиметрах
Обозначение резьбы | Длина резьбы от основной плоскости до сбега резьбы | Длина резьбы от торца до основной плоскости | Диаметр фитинга | Фаска | |
не более | не менее | ||||
R | 2,5 | 4,9 | 3,1 | 4 | 0,9 |
R | 3,7 | 7,3 | 4,7 | 6 | 1,3 |
R | 3,7 | 7,7 | 5,1 | 9 | 1,3 |
R | 5,0 | 10,0 | 6,4 | 10 | 1,8 |
R | 5,0 | 11,3 | 7,7 | 18 | 1,8 |
R 1 | 6,4 | 12,7 | 8,1 | 23 | 2,3 |
R 1 | 6,4 | 15,0 | 10,4 | 29 | 2,3 |
R 1 | 6,4 | 15,0 | 10,4 | 36 | 2,3 |
R 2 | 7,5 | 18,2 | 13,6 | 47 | 2,3 |
R 2 | 9,2 | 21,0 | 14,0 | 55 | 2,3 |
R 3 | 9,2 | 24,1 | 17,1 | 59 | 2,3 |
R 4 | 10,4 | 28,9 | 21,9 | 75 | 2,3 |
Рисунок 4 - Наружное модифицированное коническое резьбовое соединение Rk

________________ - сбег резьбы.
Рисунок 4 - Наружное модифицированное коническое резьбовое соединение Rk по ГОСТ 6211
Таблица 4 - Размеры наружной модифицированной конической резьбы Rk по ГОСТ 6211
В миллиметрах
Обозначение резьбы | Длина резьбы от основной плоскости до сбега резьбы | Длина резьбы от торца до основной плоскости | Диаметр фитинга | Фаска | |
не более | не менее | ||||
Rk | 1,5 | 4,5 | 2,6 | 4 | 0,6 |
Rk | 2,3 | 6,6 | 4,0 | 6 | 0,9 |
Rk | 2,3 | 6,6 | 4,0 | 9 | 0,9 |
Rk | 3,2 | 8,5 | 4,0 | 10 | 1,2 |
Rk | 3,2 | 9,5 | 5,3 | 18 | 1,2 |
Rk 1 | 4,0 | 10,5 | 5,4 | 23 | 1,5 |
Rk 1 | 4,0 | 12,0 | 6,9 | 29 | 1,5 |
Rk 1 | 4,0 | 12,6 | 8,0 | 36 | 1,5 |
Rk 2 | 5,2 | 13,6 | 9,0 | 47 | 1,5 |
Rk 2 | 5,8 | 16,3 | 9,3 | 55 | 1,5 |
Rk 3 | 5,8 | 17,0 | 11,0 | 59 | 1,5 |
Rk 4 | 6,9 | 21,0 | 14,7 | 76 | 1,5 |
4.6 Наружное цилиндрическое резьбовое соединение приведено на рисунке 5.
Рисунок 5 - Наружное цилиндрическое резьбовое соединение по ГОСТ 6357

Рисунок 5 - Наружное цилиндрическое резьбовое соединение по ГОСТ 6357
Размеры наружной цилиндрической резьбы должны соответствовать указанным в таблице 5.
Таблица 5 - Размеры наружной цилиндрической резьбы по ГОСТ 6357
В миллиметрах
Обозначение резьбы | Длина резьбы | Диаметр торца фитинга | Диаметр фитинга | Фаска | Сбег резьбы | ||
не более | не менее | не более | не менее | ||||
G | 6,5 | 4,5 | 11,6 | 4 | 0,9 | 0,9 | 1,8 |
G | 7,5 | 6,0 | 15,2 | 6 | 1,3 | 1,3 | 2,6 |
G | 9,0 | 7,0 | 19,1 | 9 | 1,3 | 1,3 | 2,6 |
G | 8,5 | 7,0 | 23,8 | 10 | 1,8 | 1,8 | 3,6 |
G | 10,0 | 8,5 | 29,3 | 18 | 1,8 | 1,8 | 3,6 |
G 1 В | 11,0 | 9,5 | 36,3 | 23 | 2,3 | 2,3 | 4,6 |
G 1 | 12,5 | 11,0 | 45,6 | 29 | 2,3 | 2,3 | 4,6 |
G 1 | 14,0 | 12,5 | 51,4 | 36 | 2,3 | 2,3 | 4,6 |
G 2 B | 15,5 | 14,0 | 63,7 | 47 | 2,3 | 2,3 | 4,6 |
G 2 | 17,5 | 15,5 | 80,4 | 55 | 2,3 | 2,3 | 4,6 |
G 3 B | 19,5 | 17,5 | 93,7 | 60 | 2,3 | 2,3 | 4,6 |
G 4 B | 21,5 | 19,5 | 119,6 | 75 | 2,3 | 2,3 | 4,6 |
* Допускается для специальных целей увеличение максимальной длины | |||||||
4.7 Предельное отклонение по диаметру фитингов с резьбовыми концами проверяют при помощи калибров по ГОСТ 2533, ГОСТ 7157 и ГОСТ 24939.
4.8 Момент вращения при уплотнении требуется прикладывать к гайке и на прямой участок трубы.
4.9 Минимальная толщина стенки у резьбовой части фитинга должна соответствовать указанной в таблице 6.
Таблица 6 - Минимальная толщина стенки фитинга
В миллиметрах
Обозначение резьбы | Минимальная толщина стенки фитинга | |
деформируемых | литых | |
1,0 | 1,0 | |
1,0 | 1,0 | |
1,1 | 1,1 | |
1,2 | 1,2 | |
1,4 | 1,5 | |
1 | 1,5 | 1,8 |
1 | 1,6 | 1,8 |
1 | 1,8 | 2,0 |
2 | 1,9 | 2,3 |
2 | 2,0 | 2,4 |
3 | 2,3 | 2,6 |
4 | 2,8 | 2,9 |
4.10 Минимальное поперечное сечение для фитингов с разными концами не распространяется на другие выходные отверстия.
4.11 Минимальный наружный диаметр торца на фитингах, имеющих уплотняющую фаску, должен соответствовать размеру , указанному в таблице 5.
4.12 Свободные фланцы и крепеж на фитингах фланцевого типа может быть из черного металла, если другой не указан.
Примечание - Требования к защите от коррозии фланцев и крепежа из черных металлов указывает потребитель.
Электронный текст документа
подготовлен ЗАО "Кодекс" и сверен по:
официальное издание
М.: Стандартинформ, 2008
Разместите заказ
сами сделают вам предложение
