ГОСТы сталей. ГОСТ 8954-75
ГОСТ 8954-75
Группа В61
МЕЖГОСУДАРСТВЕННЫЙ СТАНДАРТ
СОЕДИНИТЕЛЬНЫЕ ЧАСТИ ИЗ КОВКОГО ЧУГУНА С ЦИЛИНДРИЧЕСКОЙ РЕЗЬБОЙ ДЛЯ ТРУБОПРОВОДОВ. МУФТЫ ПРЯМЫЕ КОРОТКИЕ
Основные размеры
Ductile iron fittings with parallel thread for pipelines. Straight short sockets. Basic dimensions
МКС 23.040.60
Дата введения 1977-01-01
Постановлением Государственного комитета стандартов Совета Министров СССР от 14.11.75 N 2901 дата введения установлена 01.01.77
Ограничение срока действия снято по протоколу N 2-92 Межгосударственного совета по стандартизации, метрологии и сертификации (ИУС 2-93)
ВЗАМЕН ГОСТ 8954-59
ИЗДАНИЕ (сентябрь 2010 г.) с Изменением N 1, утвержденным в сентябре 1980 г. (ИУС 11-80)
Введение
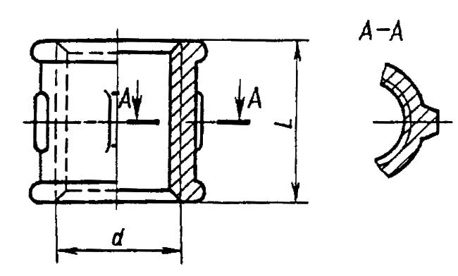
1. Основные размеры муфт должны соответствовать указанным на чертеже и в таблице.
Чертеж. Основные размеры муфт

Примечание. Чертеж не определяет конструкцию муфты.
Размеры в мм
Условный проход | Резьба |
| Число ребер | Масса без покрытия, кг, не более* | |
Вариант по ГОСТ 8944-75 | |||||
1 | 2 | ||||
8 | G | 22 | 2 | 0,031 | 0,032 |
10 | G | 24 | 2 | 0,040 | 0,042 |
15 | G | 28 | 2 | 0,065 | 0,068 |
20 | G | 31 | 2 | 0,096 | 0,096 |
25 | G 1 - В | 35 | 4 | 0,155 | 0,153 |
32 | G 1 | 39 | 4 | 0,226 | 0,216 |
40 | G 1 | 43 | 4 | 0,309 | 0,267 |
50 | G 2 - В | 47 | 6 | 0,480 | 0,430 |
(65) | G 2 | 53 | 6 | 0,652 | 0,580 |
(80) | G 3 - В | 59 | 6 | 0,874 | 0,848 |
(100) | G 4 - В | 84 | 6 | 1,930 | 1,750 |
_______________
* Для справок.
Примечания:
1. Масса оцинкованных соединительных частей не должна превышать массу неоцинкованных более чем на 5%.
2. Муфты с , указанными в таблице в скобках, применять не рекомендуется.
Примеры условных обозначений
Прямой короткой муфты с 40 мм:
Муфта короткая 40 ГОСТ 8954-75
То же, с цинковым покрытием:
Муфта короткая Ц-40 ГОСТ 8954-75
(Измененная редакция, Изм. N 1).
2. Конструктивные размеры и технические требования - по ГОСТ 8944-75.
Электронный текст документа
подготовлен АО "Кодекс" и сверен по:
официальное издание
Трубы металлические и соединительные
части к ним. Часть 4. Трубы из черных
металлов и сплавов литые и соединительные
части к ним. Основные размеры. Методы
технологических испытаний труб:
Сб. ГОСТов. - М.: Стандартинформ, 2010
Разместите заказ
сами сделают вам предложение
