ГОСТы сталей. ГОСТ 25418-82
ГОСТ 25418-82
Группа В56
МЕЖГОСУДАРСТВЕННЫЙ СТАНДАРТ
СТРУЖКОЛОМЫ СМЕННЫЕ МНОГОГРАННЫЕ ТВЕРДОСПЛАВНЫЕ
КРУГЛОЙ ФОРМЫ
Конструкция и размеры
Round throw-away (indexable) carbide chip breakers. Design and dimensions
МКС 77.160
ОКП 19 6000
Дата введения 1983-07-01
Постановлением Государственного комитета СССР по стандартам от 18 августа 1982 г. N 3272 дата введения установлена 01.07.83
ВЗАМЕН ГОСТ 2209-69 в части формы 42
ИЗДАНИЕ с Изменением N 1, утвержденным в декабре 1990 г. (ИУС 4-91).
Требования настоящего стандарта являются обязательными.
(Введен дополнительно, Изм. N 1).
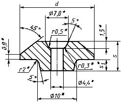
1. Настоящий стандарт распространяется на стружколомы к пластинам по ГОСТ 25403-82.
2. Конструкция и размеры стружколомов должны соответствовать указанным на чертеже и в таблице.

_____________
* Размеры для пресс-форм.
мм
Обозначение стружколомов | |||
42030 | 18 | 8,0 | 3,5 |
42050 | 20 | 8,5 | |
42070 | 21 | 7,5 | |
42090 | 22 | ||
42110 | 23 | ||
42130 | 24 | 4,0 | |
42150 | 25 |
3. Условное обозначение стружколомов при заказе из твердого сплава марки ВК8, с размерами: 18 мм,
8,0 мм,
3,5 мм:
19 6525
0036 42030
То же, в технической документации:
Стружколом 42030 ВК8 ГОСТ 25418
4. Ориентировочная масса стружколомов указана в приложении.
5. Технические требования - по ГОСТ 19086-80.
2-5. (Измененная редакция, Изм. N 1).
6. Применяемые марки твердого сплава указаны в приложении.
(Введен дополнительно, Изм. N 1).
ПРИЛОЖЕНИЕ 1 (справочное). Ориентировочная масса стружколомов
ПРИЛОЖЕНИЕ 1
Справочное
Ориентировочная масса стружколомов
Обозначение стружколомов | Ориентировочная масса стружколомов в г из твердого сплава марки ВК8 |
42030 | 13,5 |
42050 | 17,6 |
42070 | 17,6 |
42090 | 19,4 |
42110 | 21,2 |
42130 | 23,8 |
42150 | 25,8 |
ПРИЛОЖЕНИЕ 1. (Измененная редакция, Изм. N 1).
ПРИЛОЖЕНИЕ 2 (рекомендуемое). Применяемые марки твердого сплава
ПРИЛОЖЕНИЕ 2
Рекомендуемое
Цифровое обозначение стружколомов | Основное применение |
42030 | N 4 |
42050 | |
42070 | |
42090 | |
42110 | |
42130 | |
42150 |
N 4 - ВК8.
ПРИЛОЖЕНИЕ 2. (Введено дополнительно, Изм. N 1).
Электронный текст документа
подготовлен АО "Кодекс" и сверен по:
официальное издание
Пластины твердосплавные напаиваемые
для режущего инструмента.
Технические условия. Конструкция и размеры:
Сб. стандартов. - М.: Стандартинформ, 2006
Разместите заказ
сами сделают вам предложение
