ГОСТы сталей. ГОСТ 25400-90
ГОСТ 25400-90
Группа В56
МЕЖГОСУДАРСТВЕННЫЙ СТАНДАРТ
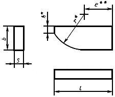
ПЛАСТИНЫ ТВЕРДОСПЛАВНЫЕ НАПАИВАЕМЫЕ
ТИПА 21
Конструкция и размеры
Hard metal brazed tips, type 21.
Design and dimensions
МКС 25.100
77.160
ОКП 19 6000
Дата введения 1993-07-01
ИНФОРМАЦИОННЫЕ ДАННЫЕ
1. РАЗРАБОТАН И ВНЕСЕН Министерством металлургии СССР
2. УТВЕРЖДЕН И ВВЕДЕН В ДЕЙСТВИЕ Постановлением Государственного комитета СССР по управлению качеством продукции и стандартам от 31.10.90 N 2762
3. ВЗАМЕН ГОСТ 25400-82
4. Стандарт полностью соответствует СТ СЭВ 130-74 и СТ СЭВ 131-74
5. ССЫЛОЧНЫЕ НОРМАТИВНО-ТЕХНИЧЕСКИЕ ДОКУМЕНТЫ
Обозначение НТД, на который дана ссылка | Номер пункта |
ГОСТ 2209-90 | 5 |
ГОСТ 25393-90 | 3 |
6. ПЕРЕИЗДАНИЕ
1. Настоящий стандарт распространяется на пластины для концевых и шпоночных фрез, для зенкеров при обработке глухих отверстий и цековок.
2. Конструкция и размеры пластин должны соответствовать указанным на чертеже и в таблице.

________________
* Размеры для пресс-форм.
** Размер для справок.
Таблица 1
Размеры в мм
Обозна- |
| Основное применение | Дополни- | Применение по специальному заказу | |||||
21050 | 12 | 3,0 | 1,2 | 1,0 | 15,0 | 4,5 | N 10 | N 4, N 7, N 8, N 9, N 11 | N 2, N 3 |
21010 | 1,5 | 20,0 | 3,3 | N 10 | N 4, N 7, N 8, N 9, N 11 | N 2, N 3 | |||
21070 | 5,6 | 1,2 | 15,0 | 1,2 | N 2, N 10 | N 4, N 7, N 8, N 9, N 11 | N 3 | ||
21350 | 14 | 8,0 | 3,0 | 5,0 | 25,0 | 2,1 | N 2, N 10 | N 4, N 7, N 8, N 9, N 11 | N 3 |
21370 | 16 | 3,5 | 2,0 | 1,0 | 20,0 | 6,3 | N 2, N 10 | N 3, N 4, N 7, N 8, N 9, N 11 | |
21170 | 1,6 | 15,0 | 7,6 | N 2, N 10 | N 3, N 4, N 7, N 8, N 9, N 11 | ||||
2190* | 6,7 | 4,2 | N 2, N 10 | N 3, N 4, N 7, N 8, N 9, N 11 | |||||
21210 | 7,8 | 3,4 | N 2, N 10 | N 3, N 4, N 7, N 8, N 9, N 11 | |||||
21230 | 8,8 | 2,8 | N 2, N 10 | N 3, N 4, N 7, N 8, N 9, N 11 | |||||
21410 | 10,0 | 3,0 | 7,0 | 25,0 | 7,3 | N 2, N 10 | N 3, N 4, N 7, N 8, N 9, N 11 | ||
21270 | 19 | 4,5 | 2,0 | 1,8 | 7,5 | N 2, N 10 | N 3, N 4, N 7, N 8, N 9, N 11 | ||
21290 | 10,0 | 2,0 | 1,8 | 1,0 | N 2, N 10 | N 3, N 4, N 7, N 8, N 9, N 11 | |||
21310 | 11,2 | - | N 2, N 10 | N 3, N 4, N 7, N 8, N 9, N 11 | |||||
21610 | 12,2 | - | N 2, N 10 | N 3, N 4, N 7, N 8, N 9, N 11 | |||||
21090 | 20 | 4,5 | 2,5 | 2,0 | 9,1 | N 2, N 10 | N 4, N 7, N 8, N 9, N 11 | N 3 | |
21110 | 6,0 | 6,0 | N 2, N 10 | N 4, N 7, N 8, N 9, N 11 | N 3 | ||||
21250 | 3,5 | - | 10,0 | 10,8 | N 2, N 10 | N 4, N 7, N 8, N 9, N 11 | N 3 | ||
21130 | 9,0 | 2,5 | 2,0 | 25,0 | 2,7 | N 2, N 4, N 10 | N 7, N 8, N 9, N 11 | N 3 | |
21150 | 11,0 | 0,8 | N 4, N 10 | N 2, N 7, N 8, N 9, N 11 | N 3 | ||||
21630 | 22 | 5,6 | 2,5 | 9,5 | N 4, N 10 | N 2, N 3, N 7, N 8, N 9, N 11 | |||
21650 | 14,0 | 1,0 | N 4, N 10 | N 2, N 3, N 7, N 8, N 9, N 11 | |||||
21670 | 15,5 | - | N 4, N 10 | N 2, N 3, N 7, N 8, N 9, N 11 | |||||
21690 | 17,5 | - | N 4, N 10 | N 2, N 3, N 7, N 8, N 9, N 11 | |||||
21710 | 25 | 8,0 | 2,8 | 3,0 | 25,0 | 10,0 | N 4, N 10 | N 2, N 3, N 7, N 8, N 9, N 11 | |
21470 | 3,0 | 31,5 | 8,0 | N 4, N 10 | N 2, N 7, N 8, N 9, N 11 | N 3 | |||
21490 | 15,0 | 0,3 | N 4, N 7, N 10 | N 2, N 8, N 9, N 11 | N 3 | ||||
21730 | 19,5 | 2,8 | 25,0 | 1,6 | N 4, N 7, N 10 | N 2, N 3, N 8, N 9, N 11 | |||
21750 | 21,5 | 1,0 | N 4, N 7, N 10 | N 2, N 3, N 8, N 9, N 11 | |||||
21510 | 32 | 10,0 | 4,0 | 31,5 | 12,2 | N 4, N 7, N 10 | N 2, N 8, N 9, N 11 | N 3 | |
21530 | 21,0 | 3,5 | N 4, N 7, N 10 | N 2, N 8, N 9, N 11 | N 3 | ||||
21550 | 36 | 10,0 | 5,0 | 16,2 | N 4, N 7, N 10 | N 2, N 8, N 9, N 11 | N 3 | ||
21570 | 40 | 23,8 | N 4, N 7, N 10 | N 2, N 8 N 9, N 11 | N 3 | ||||
21590 | 45 | 12,0 | 6,0 | 23,0 | N 7, N 10 | N 2, N 8, N 9, N 11 |
________________
* Соответствует оригиналу. - Примечание изготовителя базы данных.
Примечание. Пластины повышенной степени точности, предназначенные для пайки в пазах, изготавливаются по специальному заказу.
3. Условное обозначение пластин - по ГОСТ 25393.
4. Ориентировочная масса пластин указана в приложении.
5. Технические требования - по ГОСТ 2209.
6. Применяемые марки сплавов: N 2 - Т15К6; N 3 - Т14К8; N 4 - T5К10; N 7 - ВК3-М; N 8 - ВК6-М; ВК6-ОМ; N 9 - ВК6; N 10 - BК8; N 11 - BК10-XОM.
ПРИЛОЖЕНИЕ (справочное). Ориентировочная масса
ПРИЛОЖЕНИЕ
Справочное
Таблица 2
Ориентировочная масса
Обозначение пластин | Ориентировочная масса пластин в г из твердого сплава марок | ||||||
Т15К6 | Т14К8 | Т5К10 | ВК3-М | ВК6-ОМ, ВК6-М, ВК6 | BК8 | ВК10-ХОМ | |
21050 | 0,43 | 0,44 | 0,48 | 0,58 | 0,57 | 0,56 | 0,56 |
21010 | 0,52 | 0,52 | 0,50 | 0,70 | 0,69 | 0,68 | 0,68 |
21070 | 0,70 | 0,71 | 0,79 | 0,94 | 0,92 | 0,91 | 0,92 |
21350 | 3,41 | 3,43 | 3,87 | 4,58 | 4,51 | 4,45 | 4,48 |
21370 | 1,05 | 1,06 | 1,19 | 1,41 | 1,39 | 1,37 | 1,36 |
21170 | 0,92 | 0,92 | 1,03 | 1,22 | 1,19 | 1,18 | 1,19 |
21190 | 1,57 | 1,58 | 1,77 | 2,10 | 2,05 | 2,03 | 2,04 |
21210 | 1,80 | 1,81 | 2,03 | 2,41 | 2,35 | 2,32 | 2,34 |
21230 | 2,01 | 2,02 | 2,26 | 2,69 | 2,62 | 2,59 | 2,61 |
21410 | 5,03 | 5,05 | 5,70 | 6,77 | 6,65 | 6,57 | 6,62 |
21270 | 1,71 | 1,72 | 1,93 | 2,29 | 2,24 | 2,20 | 2,22 |
21290 | 3,25 | 3,26 | 3,65 | 4,33 | 4,23 | 4,18 | 4,21 |
21310 | 3,56 | 3,58 | 4,00 | 4,75 | 4,64 | 4,58 | 4,61 |
21610 | 3,85 | 3,84 | 4,30 | 5,11 | 4,99 | 4,92 | 4,95 |
21090 | 2,28 | 2,29 | 2,59 | 3,06 | 3,01 | 2,98 | 3,00 |
21110 | 2,89 | 2,91 | 3,28 | 3,88 | 3,80 | 3,77 | 3,80 |
21250 | 4,13 | 4,15 | 4,68 | 5,55 | 5,46 | 5,39 | 5,43 |
21130 | 4,00 | 4,03 | 4,54 | 5,39 | 5,30 | 5,23 | 5,27 |
21150 | 4,73 | 4,76 | 5,36 | 6,36 | 6,25 | 6,18 | 6,22 |
21630 | 3,15 | 3,16 | 3,54 | 4,21 | 4,11 | 4,05 | 4,08 |
21650 | 6,70 | 6,72 | 7,52 | 8,94 | 8,73 | 8,61 | 8,67 |
21670 | 7,32 | 7,35 | 8,22 | 9,76 | 9,54 | 9,41 | 9,48 |
21690 | 8,18 | 8,21 | 9,18 | 10,91 | 10,66 | 10,52 | 10,59 |
21710 | 5,60 | 5,62 | 6,28 | 7,47 | 7,29 | 7,20 | 7,25 |
21470 | 5,64 | 5,68 | 6,40 | 7,59 | 7,46 | 7,37 | 7,42 |
21490 | 9,93 | 10,00 | 11,20 | 13,40 | 13,10 | 13,00 | 13,09 |
21730 | 12,10 | 12,14 | 13,58 | 16,14 | 15,77 | 15,55 | 15,66 |
21750 | 13,72 | 13,78 | 15,41 | 18,32 | 17,90 | 17,65 | 17,77 |
21510 | 12,40 | 12,50 | 14,10 | 16,70 | 16,40 | 16,20 | 16,31 |
21530 | 23,70 | 23,80 | 26,90 | 31,90 | 31,00 | 31,00 | 31,22 |
21550 | 17,80 | 17,90 | 20,20 | 24,00 | 23,60 | 23,30 | 23,46 |
21570 | 20,20 | 20,30 | 22,90 | 27,10 | 26,70 | 26,40 | 26,58 |
21590 | 32,50 | 32,70 | 36,80 | 43,70 | 42,90 | 42,40 | 42,70 |
Электронный текст документа
подготовлен АО "Кодекс" и сверен по:
официальное издание
Пластины твердосплавные напаиваемые
для режущего инструмента.
Технические условия. Конструкция и размеры:
Сб. стандартов. - М.: Стандартинформ, 2006
Разместите заказ
сами сделают вам предложение
